Скачать РД 39-1-433-80 Указания по проведению подконтрольной эксплуатации установок погружных центробежных электронасосовДата актуализации: 01.01.2021
|
| Обозначение: | РД 39-1-433-80 |
| Обозначение англ: | RD 39-1-433-80 |
| Статус: | введен впервые |
| Название рус.: | Указания по проведению подконтрольной эксплуатации установок погружных центробежных электронасосов |
| Дата добавления в базу: | 01.09.2013 |
| Дата актуализации: | 01.01.2021 |
| Дата введения: | 15.10.1980 |
| Область применения: | “Указания” распространяются на проведение подконтрольной эксплуатации УЭЦН, изготовляемых серийно и применяемых для отбора жидкости из нефтяных скважин на промыслах производственных объединений МНП. Документ устанавливает порядок проведения подконтрольной эксплуатации и оформления результатов, полученных при проведении подконтрольной эксплуатации. |
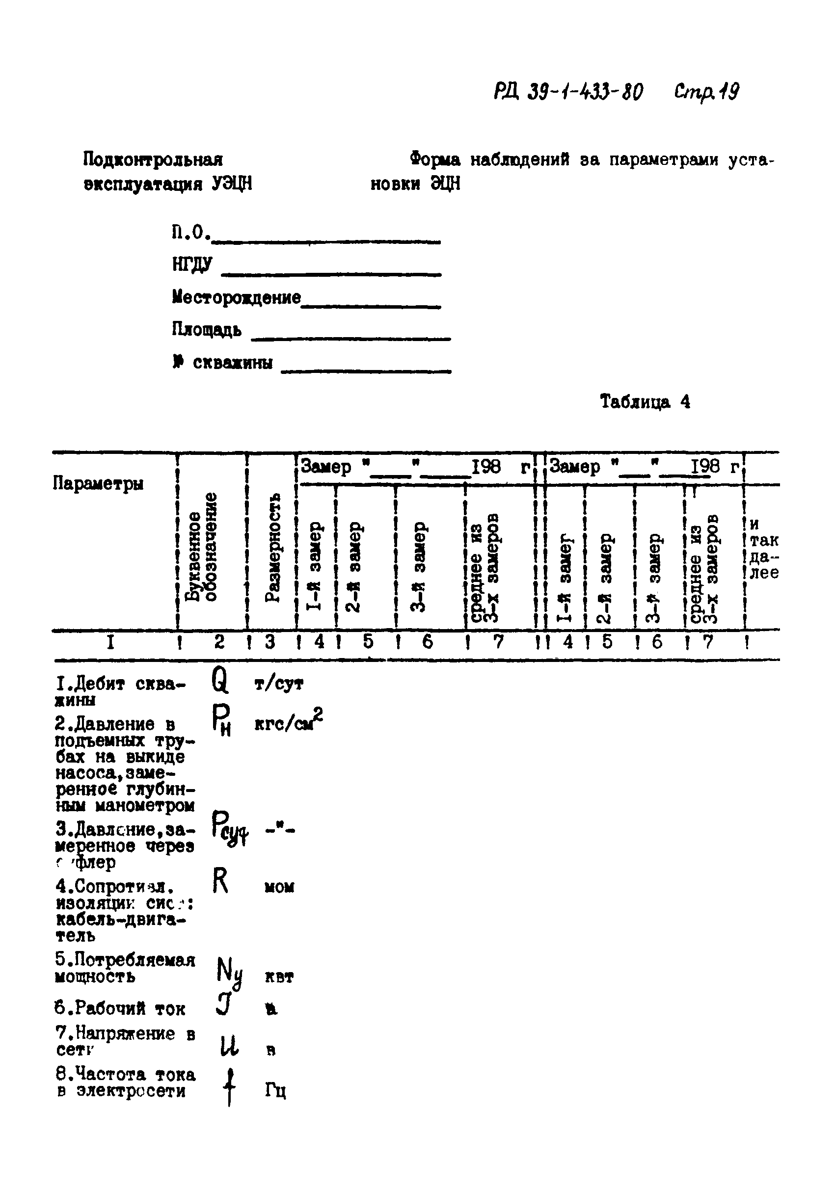
| Оглавление: | 1 Цель разработки 2 Показатели надежности 3 Параметры работы УЭЦН 4 Подбор УЭЦН и назначение количества установок для проведения подконтрольной эксплуатации 5 Порядок проведения подконтрольной эксплуатации 6 Расчет показателей надежности 7 Литература Приложение 1. Пример расчета показателей надежности по результатам наблюдений (ГОСТ 17509-72) Приложение 2. Журнал подконтрольной эксплуатации установок ЭЦН Пояснительная записка к "Указанию по проведению подконтрольной эксплуатации установок погружных центробежных электронасосов (УЭЦН) |
| Разработан: | Всесоюзный нефтегазовый научно-исследовательский институт (ВНИИ) |
| Утверждён: | 21.07.1980 Министерство нефтяной промышленности СССР (USSR Ministry of the Petroleum Industry ) |
| Нормативные ссылки: |








































