Скачать Типовой проект 409-28-51.89 Альбом 1. Пояснительная записка. Технология производстваДата актуализации: 01.01.2021
|
| Обозначение: | Типовой проект 409-28-51.89 |
| Обозначение англ: | 409-28-51.89 |
| Статус: | действует |
| Название рус.: | Альбом 1. Пояснительная записка. Технология производства |
| Дата добавления в базу: | 01.09.2013 |
| Дата актуализации: | 01.01.2021 |
| Дата введения: | 18.08.1989 |
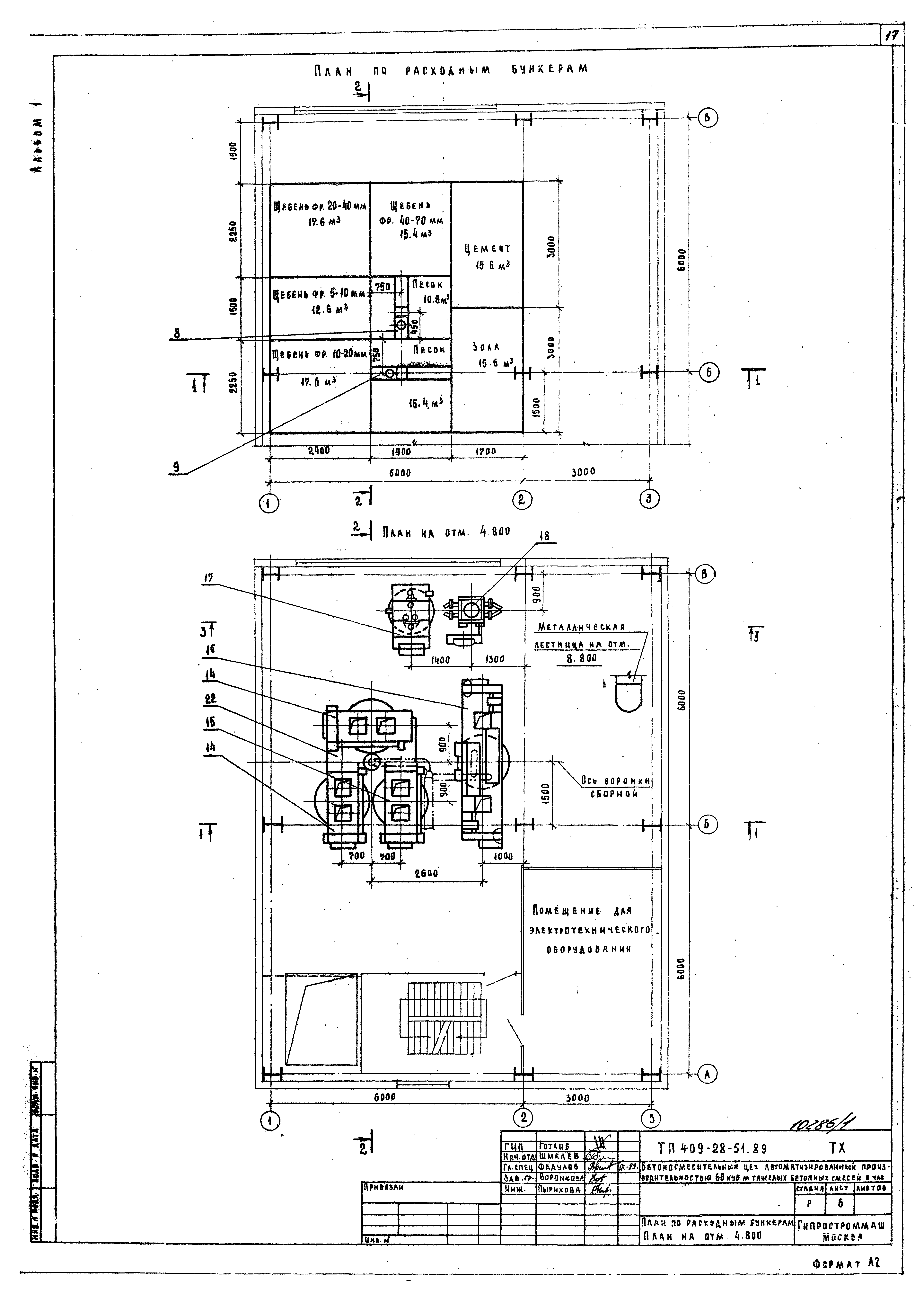
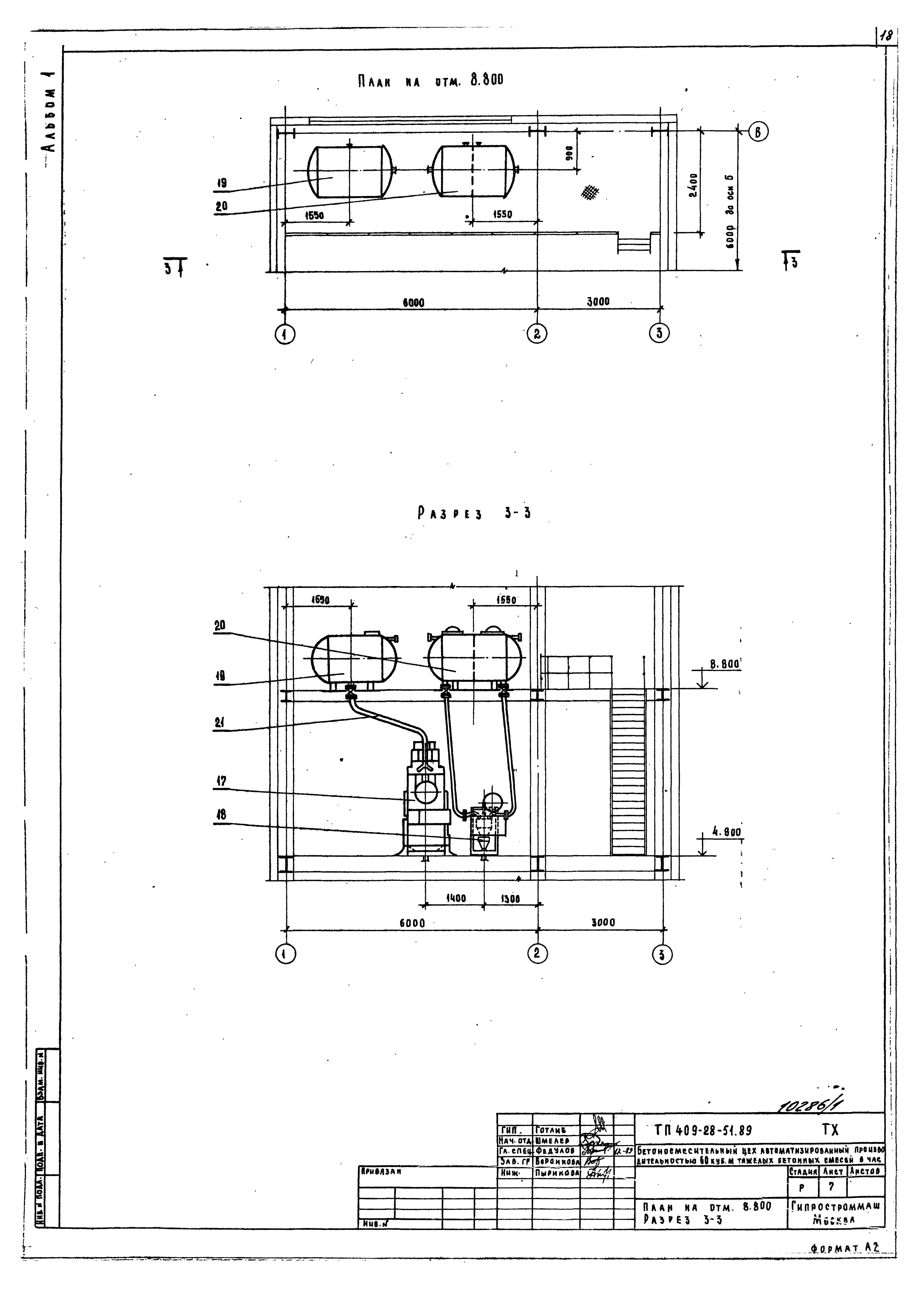
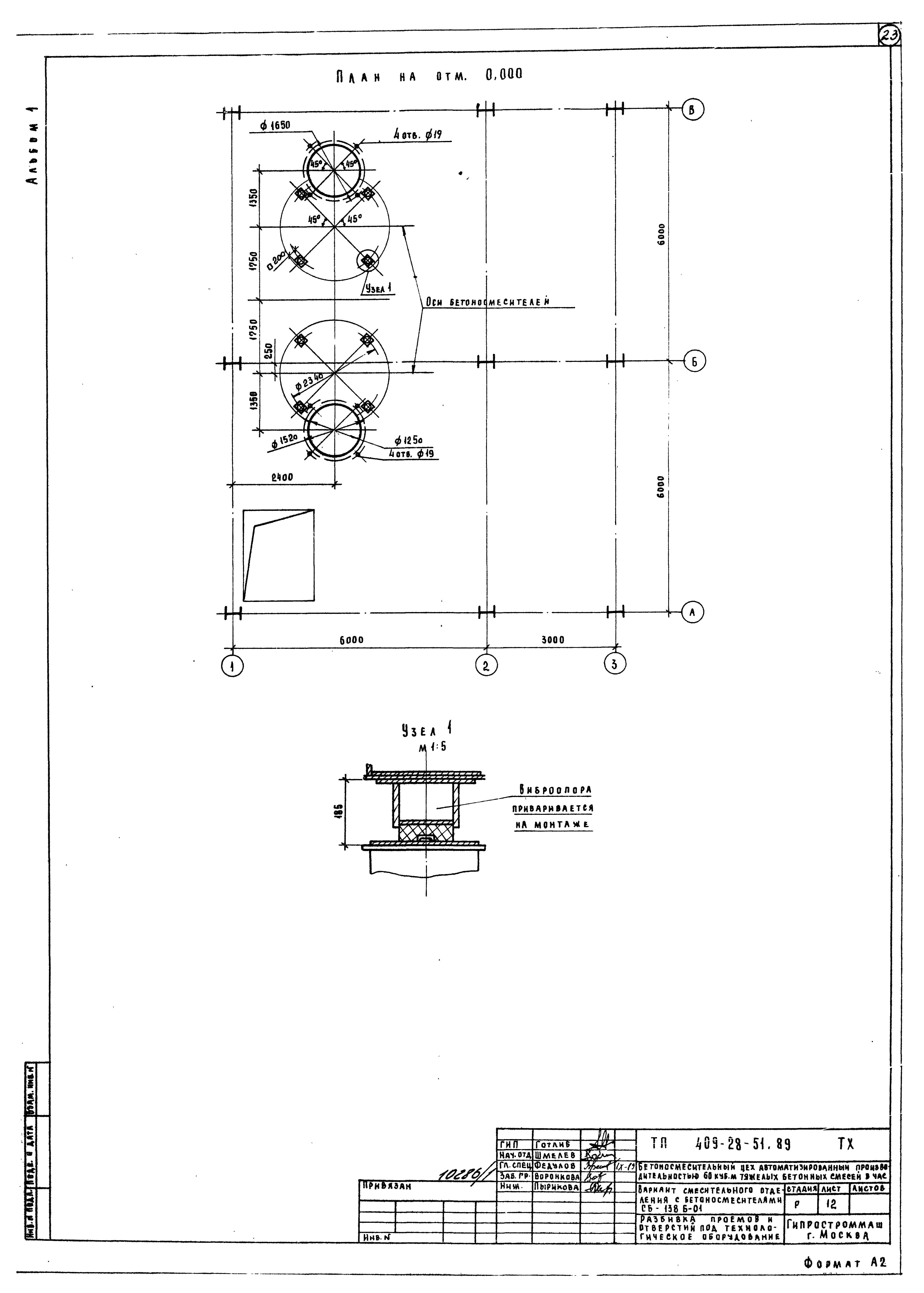
| Оглавление: | Содержание альбома Пояснительная записка Общие данные Схема технологического процесса Разрез 1-1 Разрез 2-2 План на отм. 17.100 и 14.400 План по расходным бункерам. План на отм. 4.800 План на отм. 8.800. Разрез 3-3 План на отм. 0.000. Экспликация оборудования Пример привязки отделения выдачи бетонных смесей самоходными бункерами. Планы на отм. - 3.400 и - 2.430. Разрез 1-1, 2-2, 3-3 Галерея подачи заполнителей. Разрез 1-1 и 2-2. План на отм. 17.100 и - 10.150 Вариант смесительного отделения с бетоносмесителями СБ-138 Б-01. Разрез 2-2. План на отм. 0.000. Экспликация оборудования Вариант смесительного отделения с бетоносмесителями СБ-138 Б-01. Разбивка проемов и отверстий под технологическое оборудование |
| Разработан: | Проектный институт №2 |
| Утверждён: | 18.08.1989 Гипростроммаш (109) |
| Издан: | ЦИТП Госстроя СССР (CITP, Gosstroy (USSR) 1989 г. ) |
























