Скачать Типовой проект 409-28-51.89 Альбом 10. Часть 3. Чертежи на нестандартизированное оборудованиеДата актуализации: 01.01.2021
|
| Обозначение: | Типовой проект 409-28-51.89 |
| Обозначение англ: | 409-28-51.89 |
| Статус: | действует |
| Название рус.: | Альбом 10. Часть 3. Чертежи на нестандартизированное оборудование |
| Дата добавления в базу: | 01.09.2013 |
| Дата актуализации: | 01.01.2021 |
| Дата введения: | 18.08.1989 |
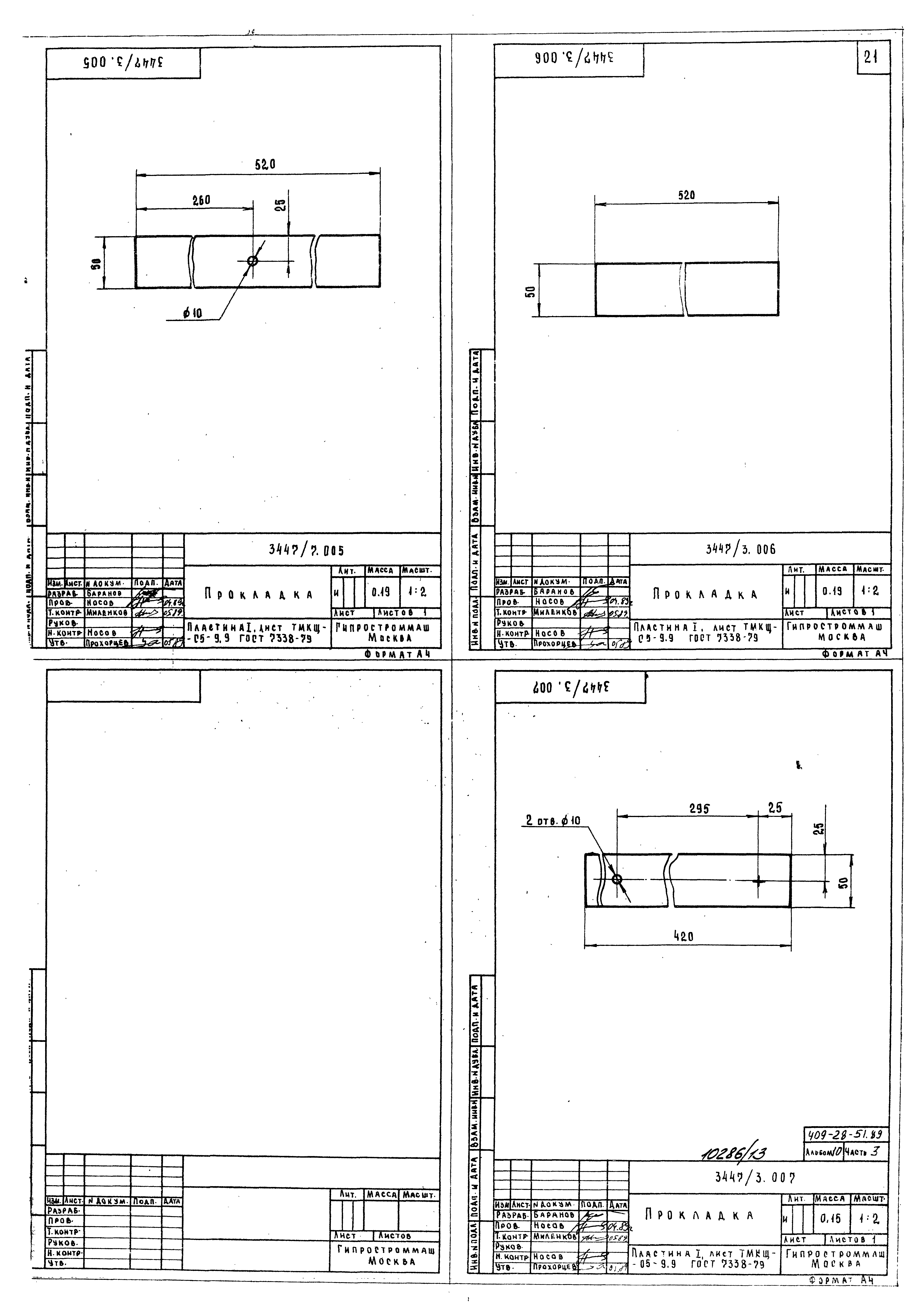
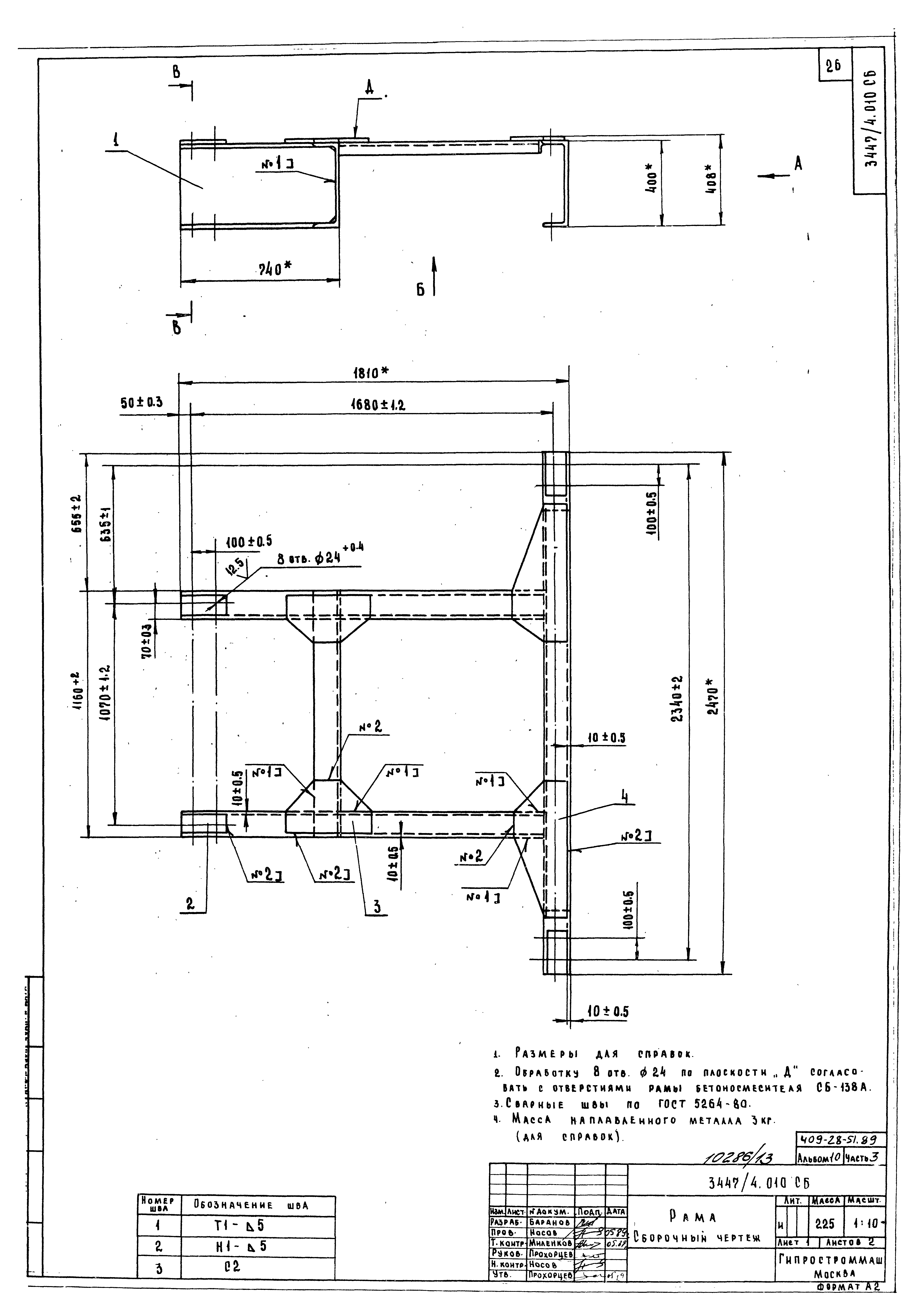
| Оглавление: | Перечень чертежей 3447/2.000 Течка от распределителя цемента 3447/2.000СБ Течки от распределителя цемента 3447/2.000ВП Ведомость покупных 3447/2.010 Течка 3447/2.010СБ Течка 3447/2.020 Патрубок 3447/2.020СБ Патрубок 3447/2.001 Пластина 3447/2.002 Полухомут 3447/2.011 Пластина 3447/2.012 Пластина 3447/2.013 Косынка 3447/2.014 Связь 3447/2.015 Труба 3447/2.016 Переходник 3447/2.017 Кольцо 3447/3.000 Течка в бетоносмеситель СБ-1386 3447/3.000СБ Течка в бетоносмеситель СБ-1386 3447/3.000ВС Ведомость спецификаций 3447/3.000ВП Ведомость покупных 3447/3.000ВМ Ведомость материалов 3447/3.010 Крышка 3447/3.010СБ Крышка 3447/3.020 Течка 3447/3.020СБ Течка 3447/3.030 Петля 3447/3.030СБ Петля 3447/3.001 Прокладка 3447/3.002 Прокладка 3447/3.003 Прокладка 3447/3.004 Прокладка 3447/3.005 Прокладка 3447/3.006 Прокладка 3447/3.007 Прокладка 3447/3.011 Лист 3447/3.012 Скоба 3447/3.021 Стенка 3447/3.022 Стенка 3447/3.023 Стенка 3447/3.024 Уголок 3447/3.025 Уголок 3447/3.026 Полоса 3447/3.027 Платик 3447/3.031 Петля 3447/3.032 Петля 3447/3.033 Ось 3447/4.000 Рама под бетоносмеситель 3447/4.000СБ Рама под бетоносмеситель 3447/4.000ВП Ведомость покупных 3447/4.010 Рама 3447/4.010СБ Рама 3447/4.011 Балка 3447/4.012 Платик 3447/4.013 Косынка 3447/4.014 Косынка 3447/5.000 Воронка выдачи бетона 3447/5.000СБ Воронка выдачи бетона 3447/5.000ВС Ведомость спецификаций 3447/5.000ВП Ведомость покупных 3447/5.010 Воронка 3447/5.010СБ Воронка 3447/5.020 Кронштейн 3447/5.020СБ Кронштейн 3447/5.001 Стенка 3447/5.002 Стенка 3447/5.003 Стенка 3447/5.005 Боковина 3447/5.011 Ребро 3447/5.012 Боковина 3447/5.013 Основание 3447/7.000 Шкаф аппаратный 3447/7.000СБ Шкаф аппаратный 3447/7.000ВС Ведомость спецификаций 3447/7.000ВП Ведомость покупных 3447/7.000ВМ Ведомость материалов 3447/7.010 Каркас 3447/7.020 Дверь 3447/7.030 Петля 3447/7.040 Ось 3447/7.001 Дно 3447/7.003 Пластина II-9 3447/7.004 Таблица напряжения 3447/7.005 Щеколда 3447/7.006 Ось 3447/7.011 Крышка 3447/7.012 Рама 3447/7.013 Остов каркаса 3447/7.014 Стенка передняя 3447/7.015 Упор 3447/7.016 Планка 3447/7.021 Остов двери 3447/7.022 Обойма 3447/7.023 Обойма 3447/7.024 Планка 3447/7.025 Втулка 3447/7.031 Петля 3447/7.041 Стержень 3447/7.042 Шайба 3447/8.000 Течка концевая 3447/8.000СБ Течка концевая 3447/8.000ВМ Ведомость материалов 3447/8.001 Стенка 3447/8.002 Стенка 3447/8.003 Стенка 3447/8.004 Уголок 3447/8.005 Уголок 3447/9.000 Течка от улавливателя цемента 3447/9.000СБ Течка от улавливателя цемента 3447/9.000ВС Ведомость спецификаций 3447/9.000ВП Ведомость покупных 3447/9.010 Течка 3447/9.010СБ Течка 3447/9.020 Патрубок 3447/9.020СБ Патрубок 3447/9.001 Прокладка 3447/9.002 Прокладка 3447/9.011 Фланец 3447/9.012 Переходник 3447/9.013 Патрубок 3447/9.014 Фланец 3447/9.021 Патрубок 3447/10.000 Установка трехлинейного клапана КТ-1 на двухрукавной течки с перекидным клапаном ш. 2637/4 3447/10.000СБ Установка трехлинейного клапана КТ-1 на двухрукавной течки с перекидным клапаном ш. 2637/4 3447/10.000ВП Ведомость покупных 3447/10.001 Кронштейн 3447/10.002 Скоба 3447/11.000 Установка трехлинейного клапана КТ-1 в местах фиксации воронки поворотной ш. У5640 3447/11.000СБ Установка трехлинейного клапана КТ-1 в местах фиксации воронки поворотной ш. У5640 3447/11.000ВП Ведомость покупных 3447/12.000 Установка трехлинейного клапана КТ-1 на двухходовом переключателе 3447/12.000СБ Установка трехлинейного клапана КТ-1 на двухходовом переключателе 3447/12.000ВП Ведомость покупных 3447/12.001 Плита 3447/13.000 Установка трехлинейного клапана КТ-1 на воронке с сборной с течками ш. У5640.02.000А 3447/13.000СБ Установка трехлинейного клапана КТ-1 на воронке с сборной с течками ш. У5640.02.000А 3447/13.000ВП Ведомость покупных 3447/13.001 Кронштейн 3447/13.002 Скоба 3447/13.003 Рычаг |
| Разработан: | Проектный институт №2 |
| Утверждён: | 18.08.1989 Гипростроммаш (109) |
| Издан: | ЦИТП Госстроя СССР (CITP, Gosstroy (USSR) 1989 г. ) |

































































