Скачать Типовой проект 709-9-96.88 Альбом 2. Строительные изделияДата актуализации: 01.01.2021
|
| Обозначение: | Типовой проект 709-9-96.88 |
| Обозначение англ: | 709-9-96.88 |
| Статус: | действует |
| Название рус.: | Альбом 2. Строительные изделия |
| Дата добавления в базу: | 01.09.2013 |
| Дата актуализации: | 01.01.2021 |
| Дата введения: | 30.09.1988 |
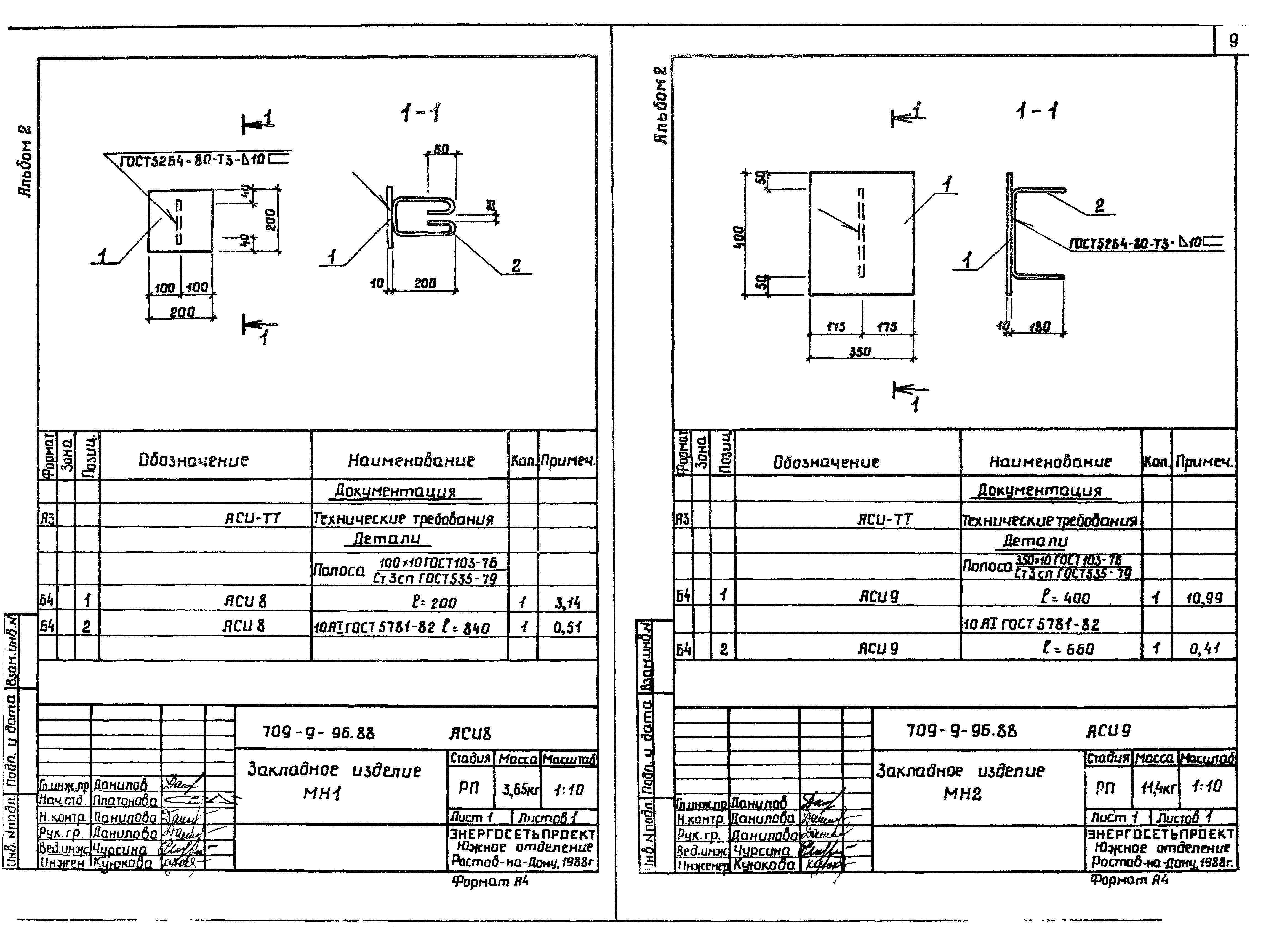
| Оглавление: | Чертежи основного комплекта марки АСИ Технические требования Перемычка 4ПБ48-8а Балка 2БДР-12-15АV-Т-а Балка 2БДР-12-15АV-Т-б Сетка арматурная С1 Сетка арматурная С2 Сетка арматурная С3 Соединительный элемент МС1 Закладное изделие МН1 Закладное изделие МН2 Закладные изделия МН3 - МН5. Сборочный чертеж Закладные изделия МН3 - МН5 Скоба МН6 Закладное изделие МН7 Металлоконструкция МК1 Металлоконструкция МК2 Металлоконструкция МК3 Металлоконструкция МК4 Металлоконструкция МК5 Металлоконструкция МК6 Балка БМ1 Балка БМ2 |
| Разработан: | Энергосетьпроект Минэнерго СССР |
| Утверждён: | 30.09.1988 Минэнерго СССР (USSR Minenergo 34) |
















