Скачать 4363 Альбом 1. УзлыДата актуализации: 01.01.2021
|
| Обозначение: | 4363 |
| Обозначение англ: | 4363 |
| Статус: | справочные материалы, мп, тпр |
| Название рус.: | Альбом 1. Узлы |
| Дата добавления в базу: | 01.09.2013 |
| Дата актуализации: | 01.01.2021 |
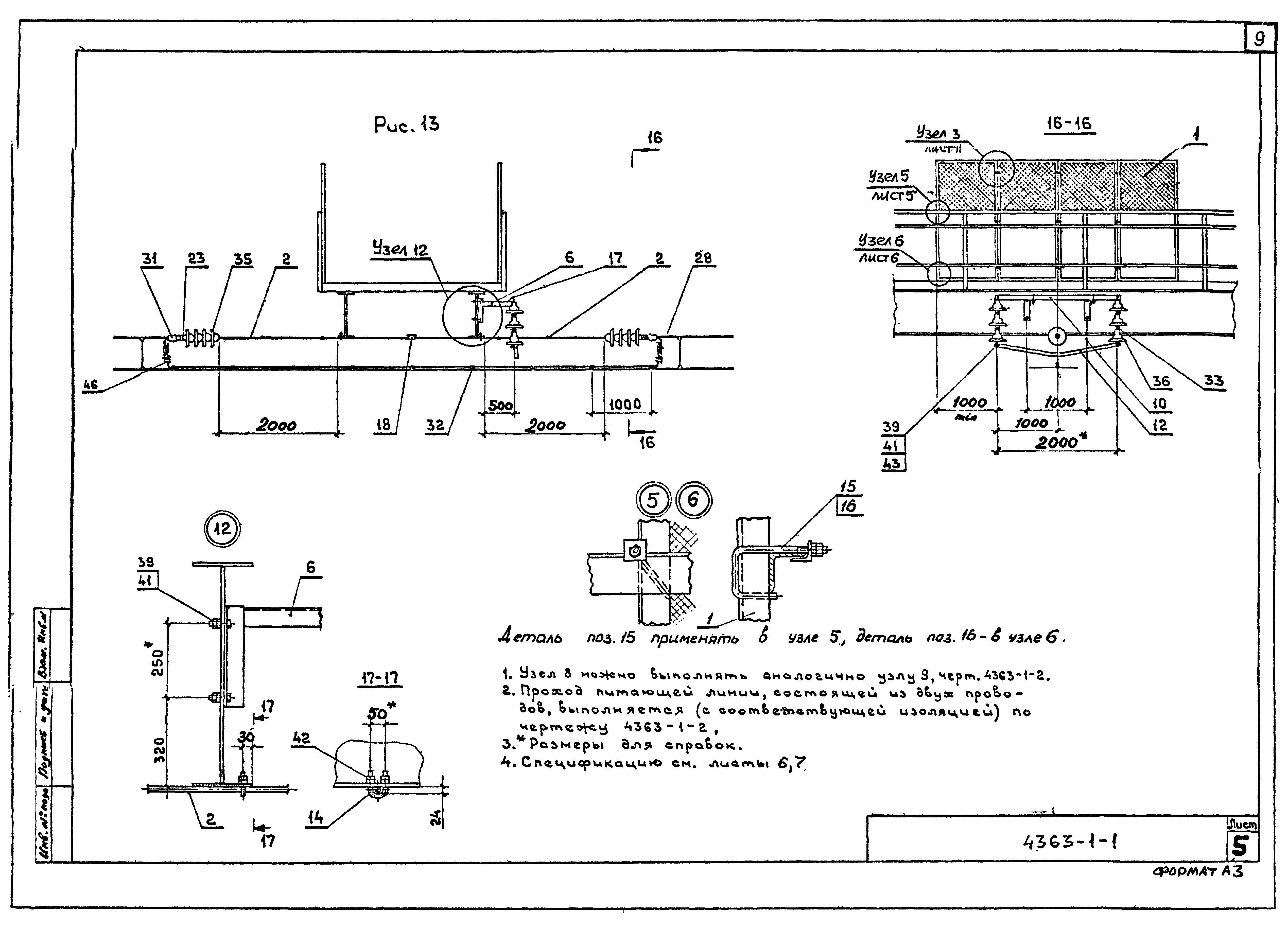
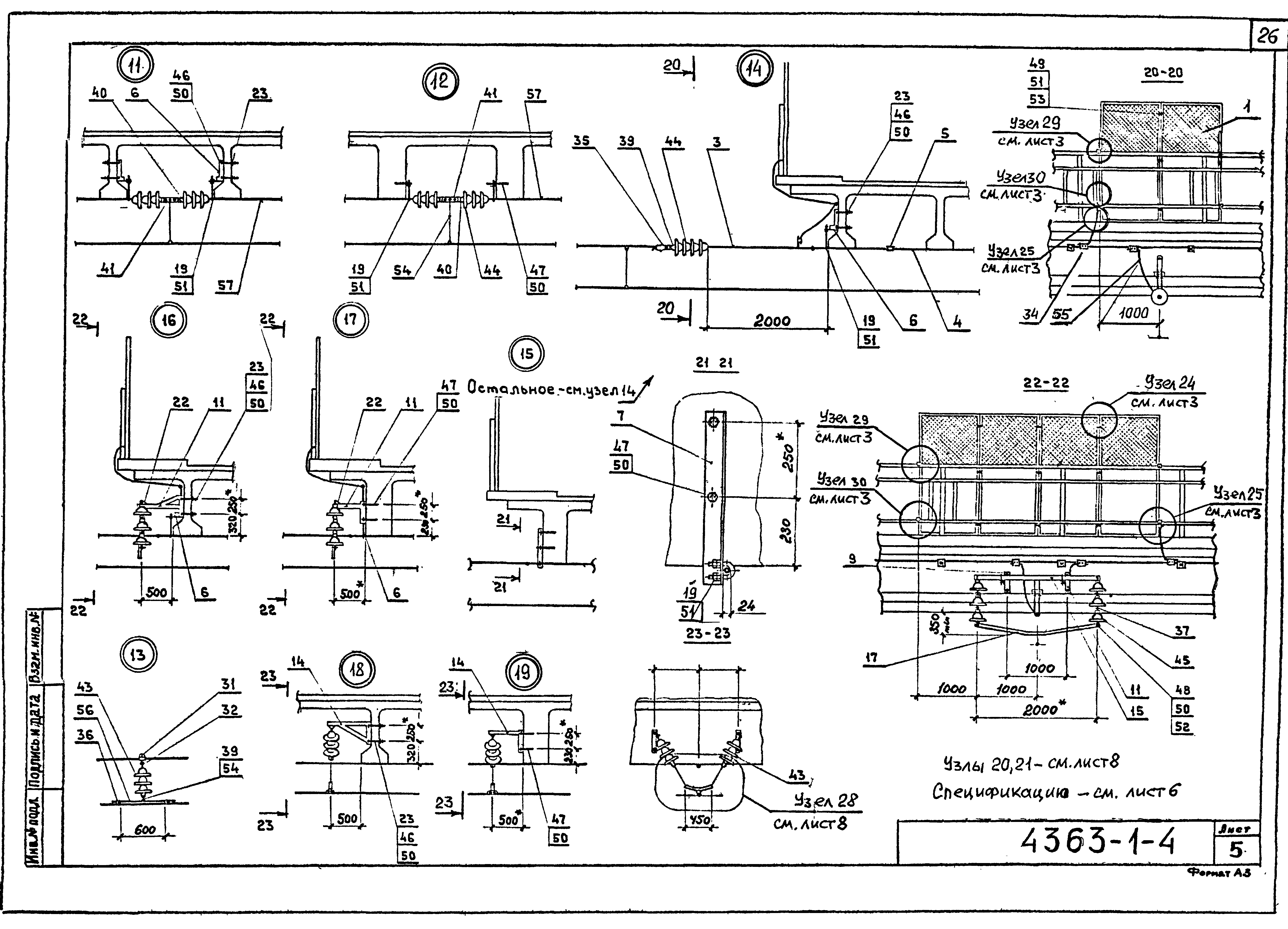
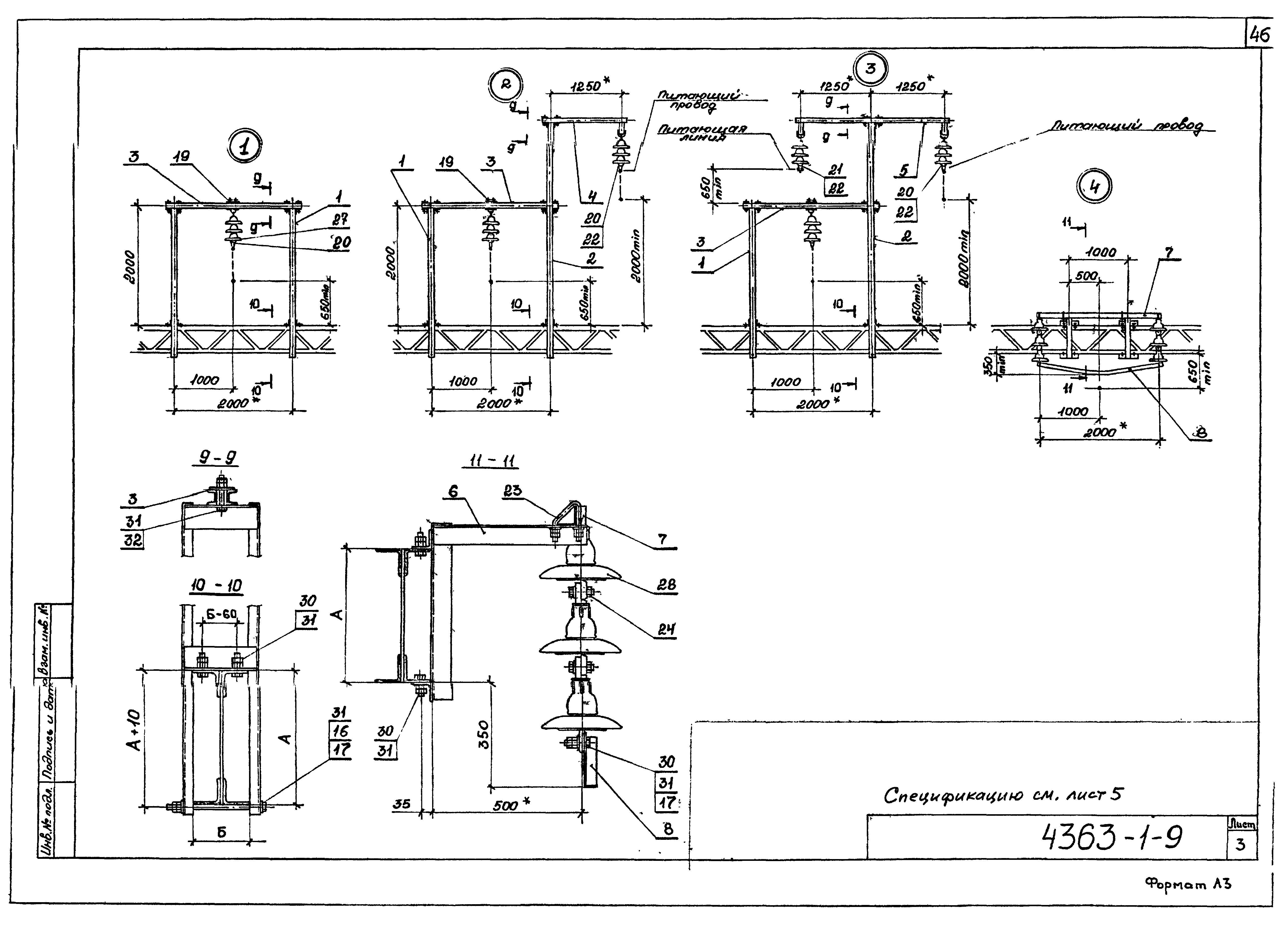
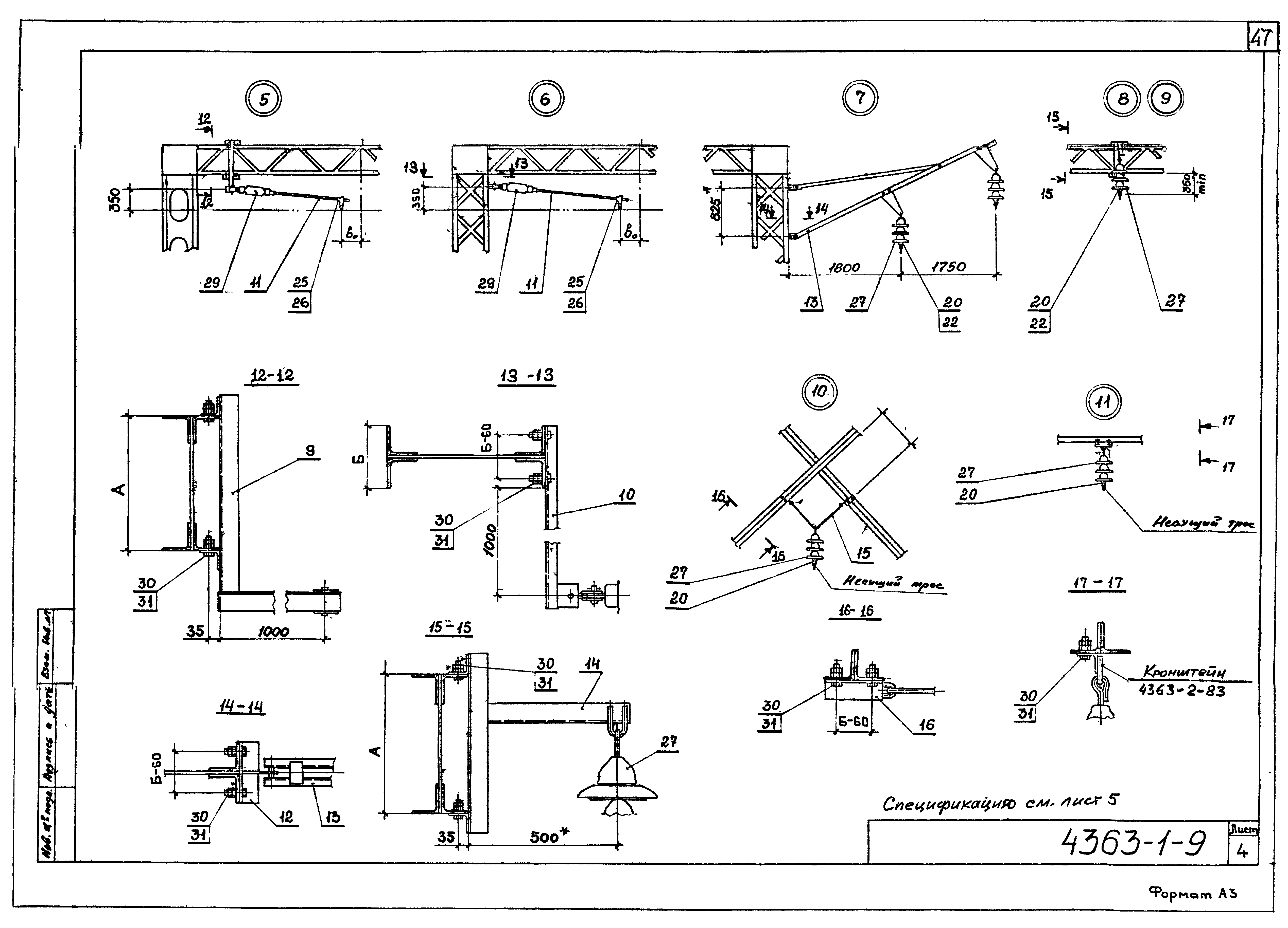
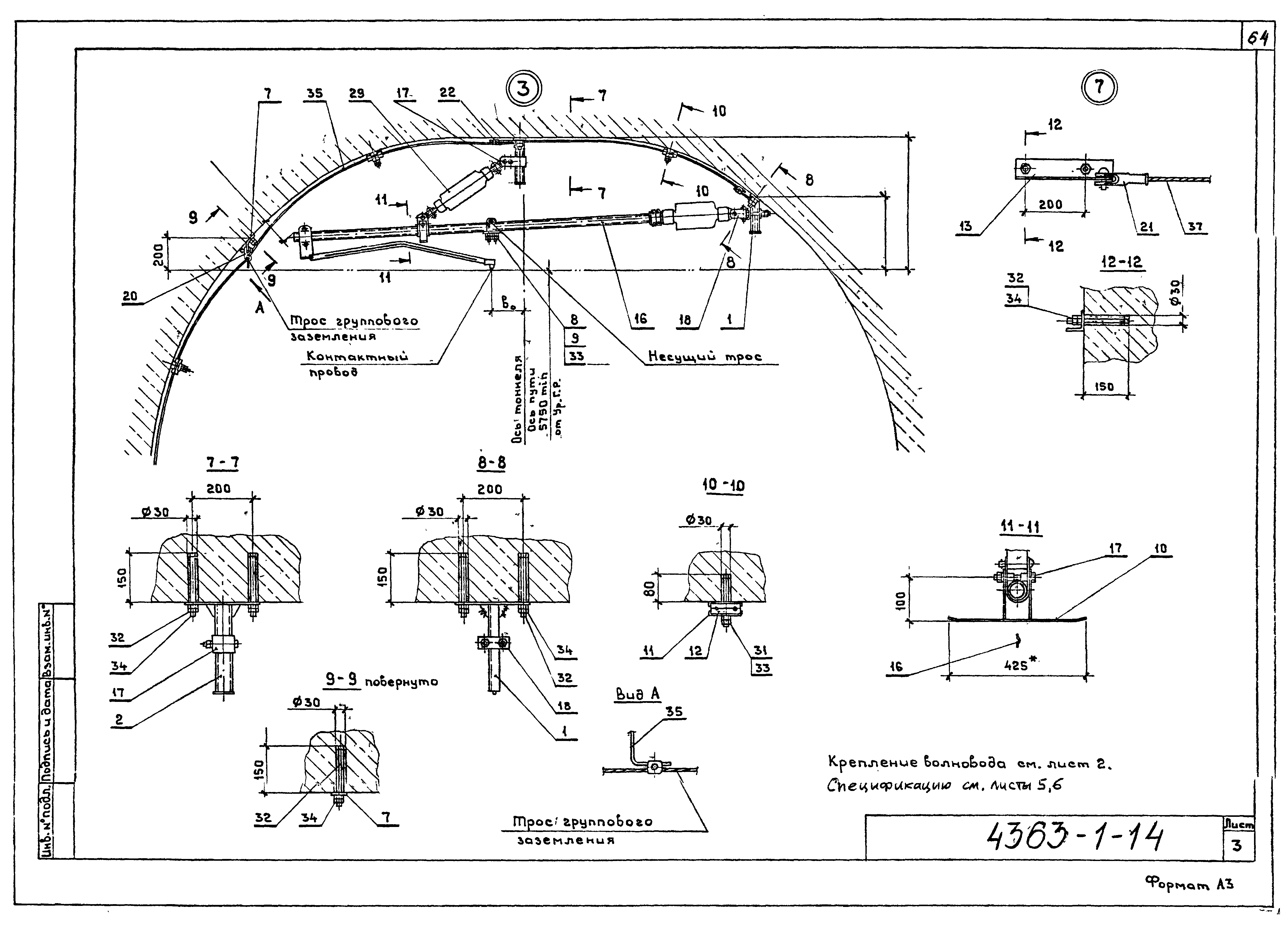
| Оглавление: | 4363-1-ПЗ Пояснительная записка 4363-1-1 Проходы под пешеходными мостами контактных подвесок переменного тока и проводов различного назначения 4363-1-2 Проходы под пешеходными мостами контактных подвесок постоянного тока и проводов различного назначения 4363-1-3 Установка предохранительных щитов на пешеходных мостах 4363-1-4 Проход проводов различного назначения и контактных подвесок переменного тока под путепроводами 4363-1-5 Проход проводов различного назначения и контактных подвесок постоянного тока под путепроводами 4363-1-6 Фиксация воздушных стрелок под путепроводами 4363-1-7 Заземление пешеходных мостов и путепроводов при постоянном и переменном токе 4363-1-8 Проход контактной подвески под трубопроводами при переменном и постоянном токе 4363-1-9 Проходы на мостах с ездой понизу контактных подвесок переменного тока и других проводов 4363-1-10 Проходы на мостах с ездой понизу контактных подвесок постоянного тока и других проводов 4363-1-11 Заземление металлических мостов с ездой понизу 4363-1-12 Узлы крепления поддерживающих и фиксирующих устройств в обхват на мостах с ездой понизу 4363-1-13 Проход контактных подвесок переменного и постоянного тока и проводов различного назначения на мостах с ездой поверху 4363-1-14 Проход контактной цепной подвески переменного тока в тоннелях с железобетонной отделкой 4363-1-15 Проход контактной пространственной ромбовидной подвески в тоннелях с железобетонной обделкой 4363-1-16 Проход контактной цепной подвески постоянного тока в тоннелях с железобетонной отделкой |
| Разработан: | Трансэлектропроект МПС |
| Утверждён: | Министерство путей сообщения РФ (Russian Federation Ministry of Railroads ) |














































































