Скачать Типовой проект 501-5-97.87 Альбом V. Электрическое освещение, силовое электрооборудование и автоматизация отопления и вентиляцииДата актуализации: 01.01.2021
|
| Обозначение: | Типовой проект 501-5-97.87 |
| Обозначение англ: | 501-5-97.87 |
| Статус: | не определен законодательством |
| Название рус.: | Альбом V. Электрическое освещение, силовое электрооборудование и автоматизация отопления и вентиляции |
| Дата добавления в базу: | 01.09.2013 |
| Дата актуализации: | 01.01.2021 |
| Дата введения: | 10.11.1987 |
| Дата окончания срока действия: | 30.06.2003 |
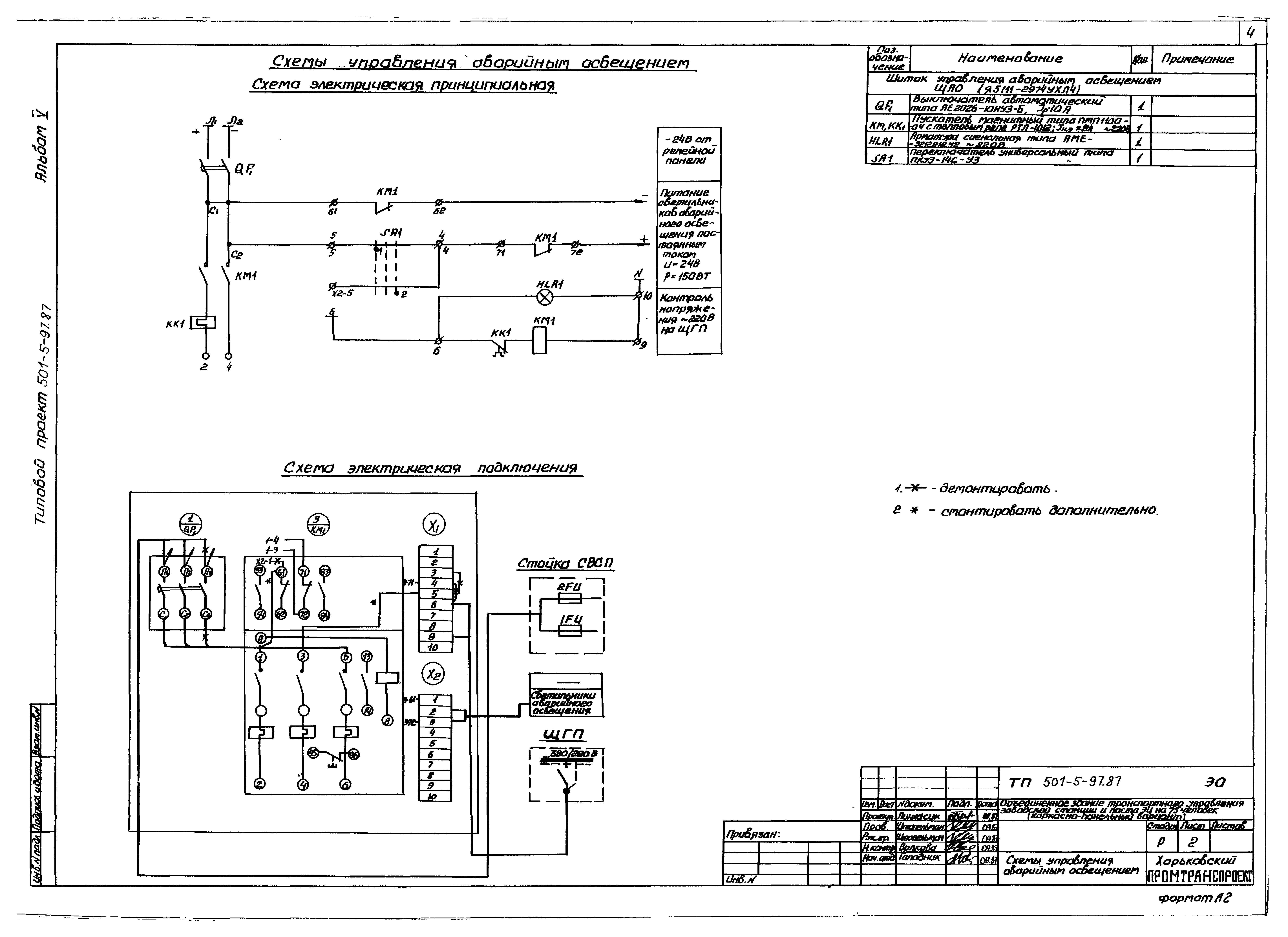
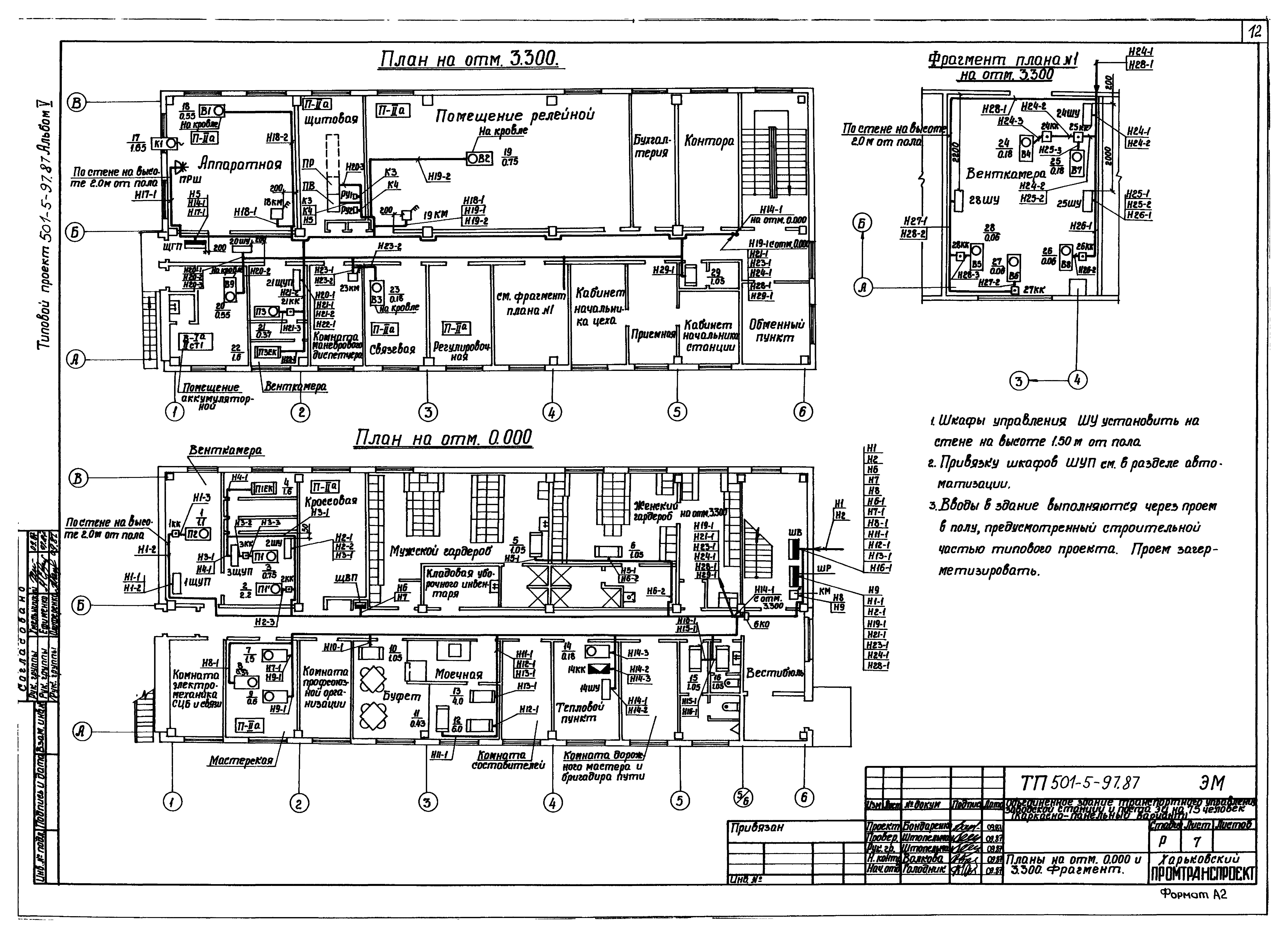
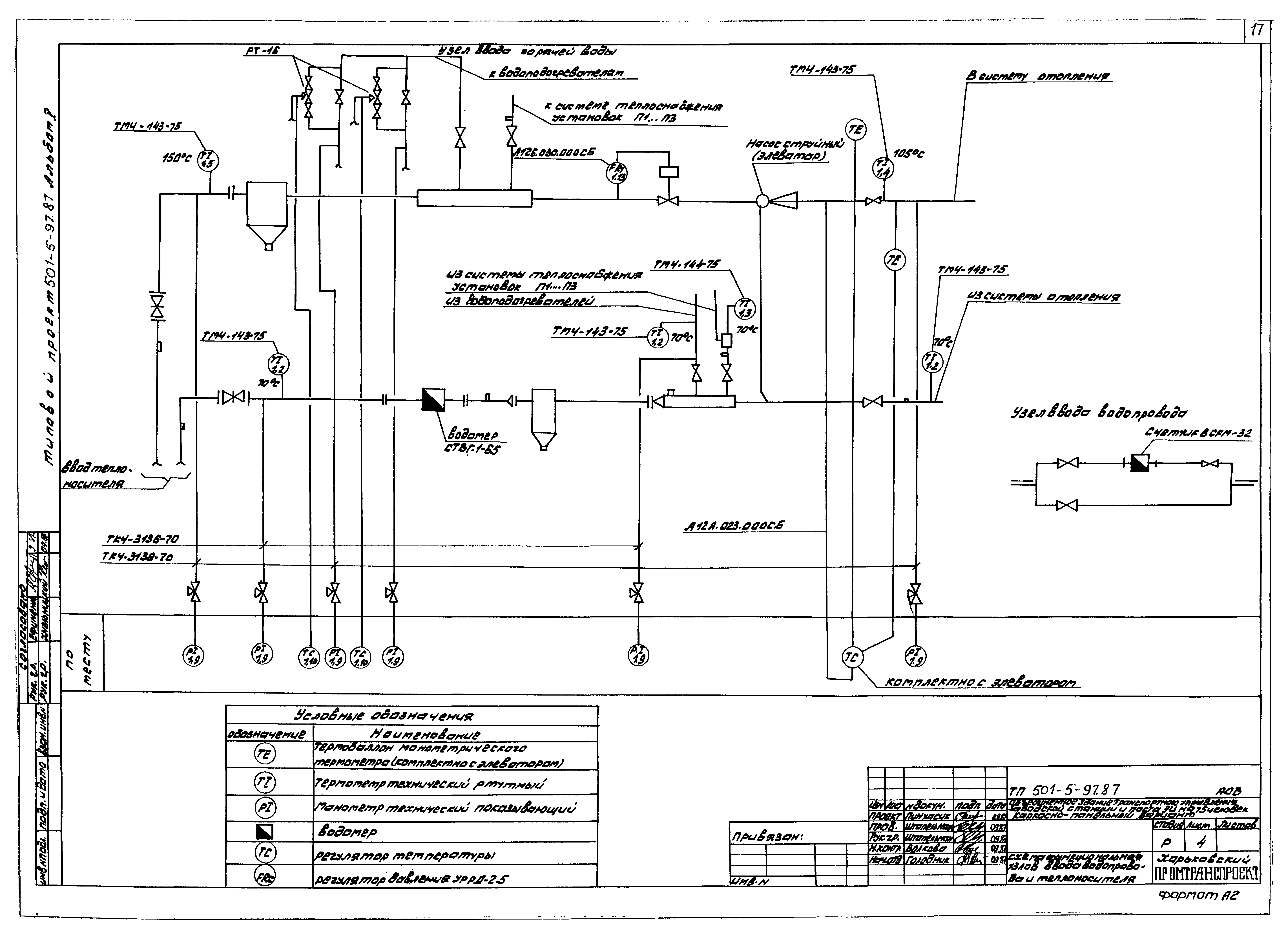
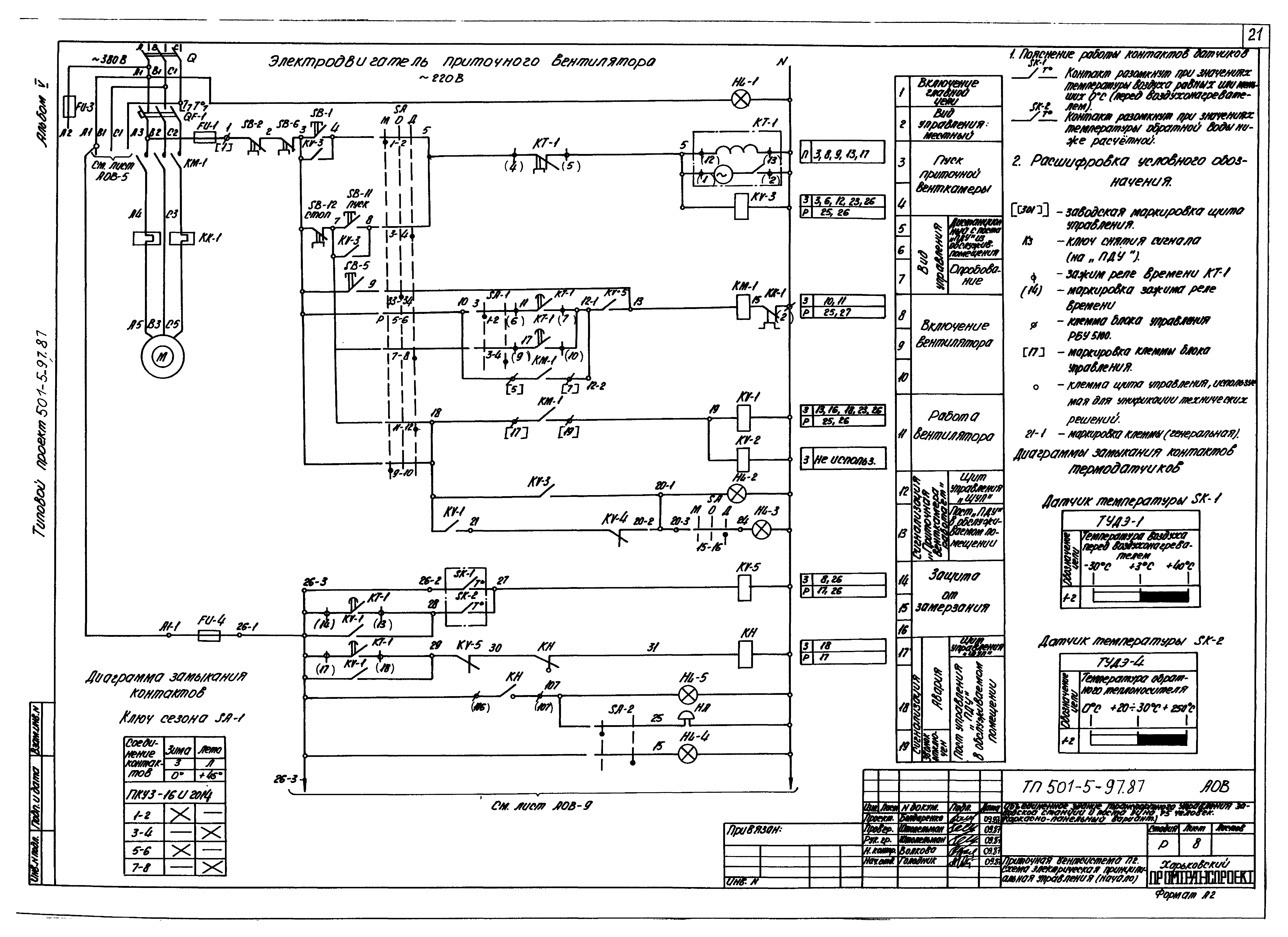
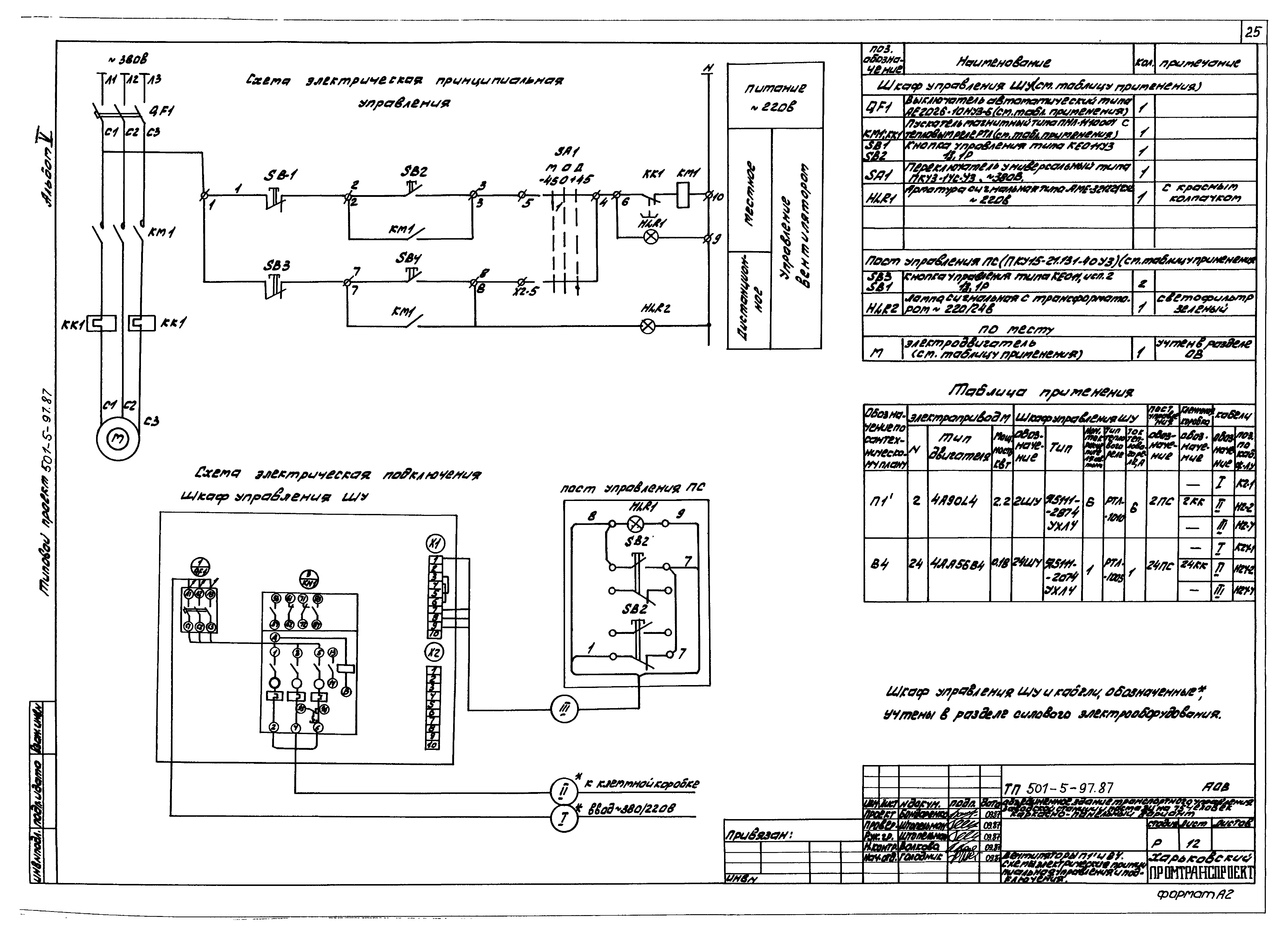
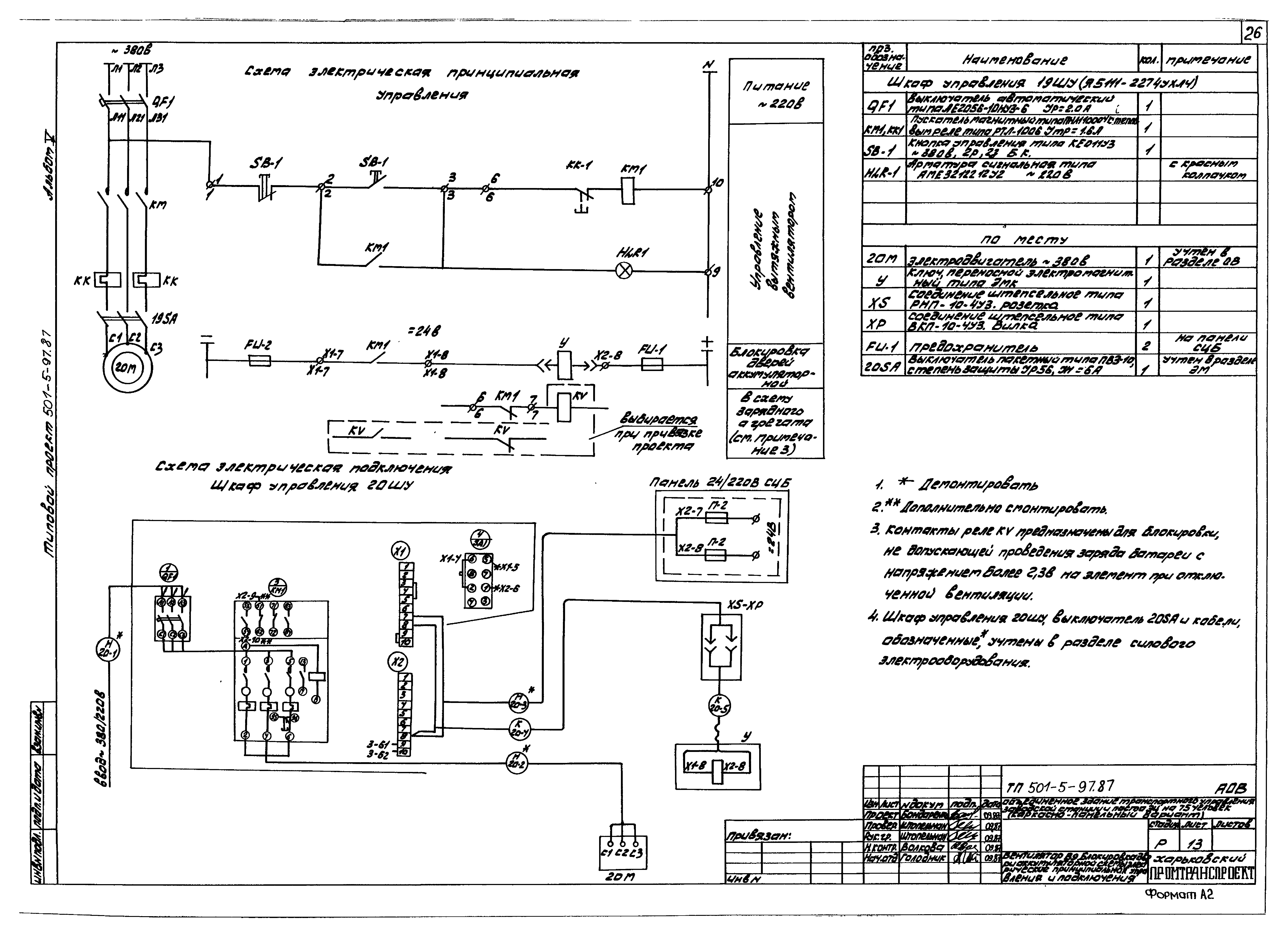
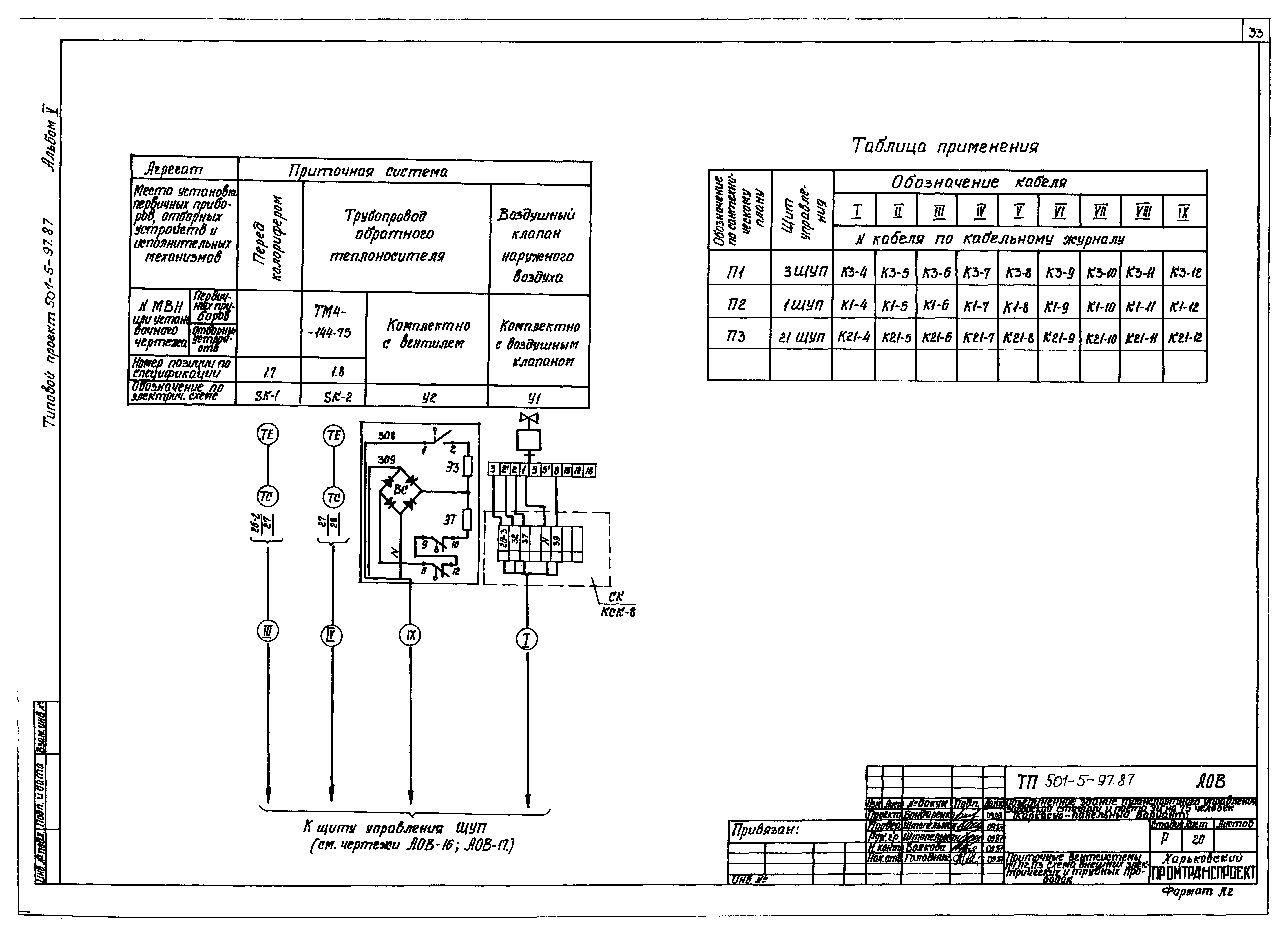
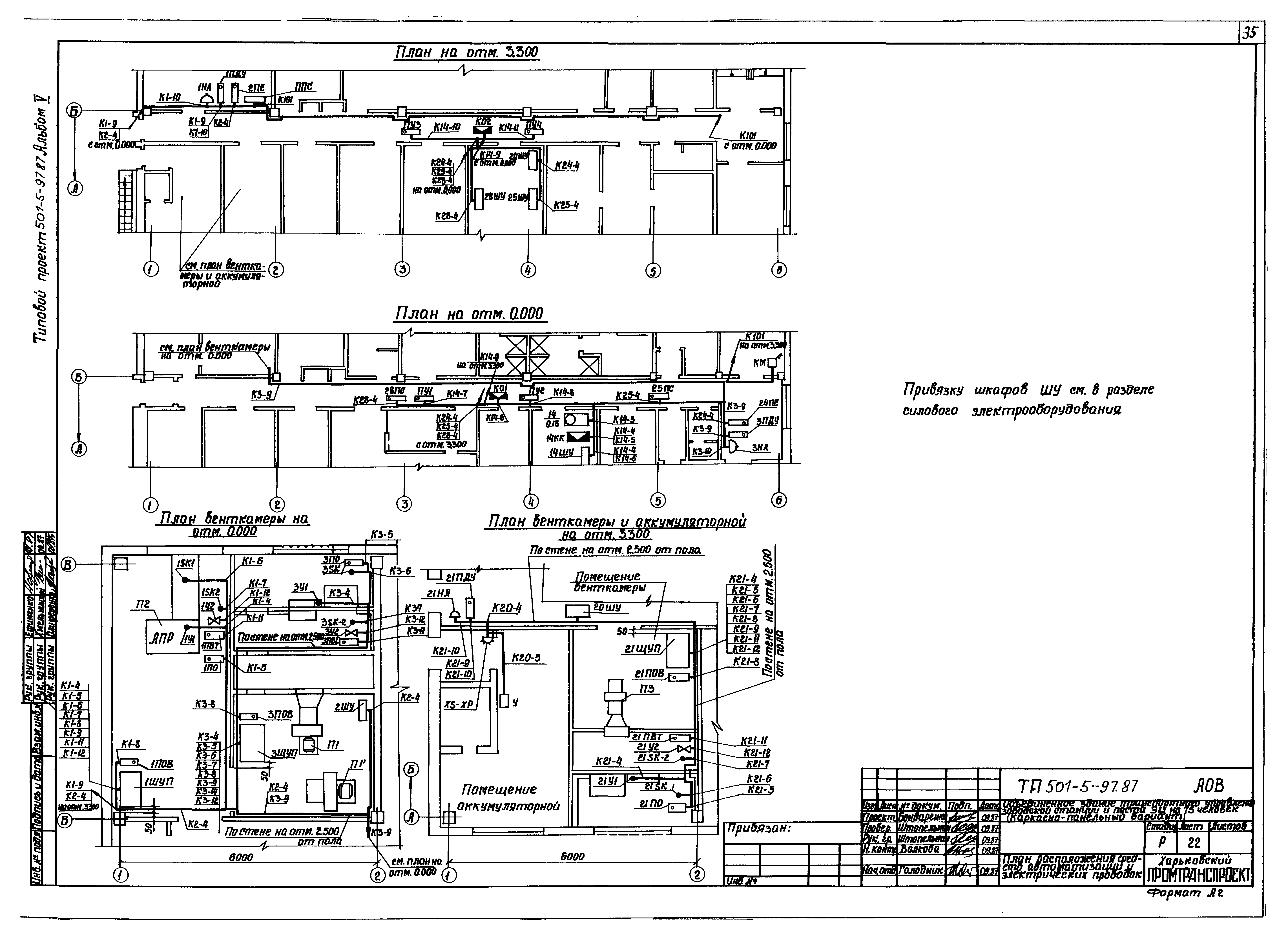
| Оглавление: | Содержание Чертежи основного комплекта марки ЭО Общие данные Схема управления аварийным освещением Планы расположения электрического оборудования и прокладки электрических сетей на отм. 0.000; 3.300 Чертежи основного комплекта марки ЭМ Общие данные Схема электрическая принципиальная питающей сети 380/220 В Опросный лист для заказа вводно-распределительного устройства ВРУ1 Схема электрическая принципиальная распределительной сети 380/220 В Кабельный журнал Планы на отм. 0.000 и 3.300. Фрагменты Молниезащита. План кровли Чертежи основного комплекта марки АОВ Общие данные Приточные вентсистемы П1, П3. Схема функциональная Приточная вентсистема П2. Схема функциональная Схема функциональная узлов ввода водопровода и теплоносителя Приточные вентсистемы П1, П3. Схема электрическая принципиальная управления Приточная вентсистема П2. Схема электрическая принципиальная управления Вытяжные вентиляторы В5, В6, В7, В8. Схема электрическая принципиальная управления Вентиляторы П-1` и В-4. Схемы электрическая принципиальная управления и подключения Вентилятор В9. Блокировка двери аккумуляторной. Схемы электрическая принципиальная управления и подключения Отключение вентустановок при пожаре. Схемы электрическая принципиальная управления и подключения Задвижка противопожарная. Схема электрическая принципиальная управления Приточные вентсистемы П1, П3. Схема электрическая подключения Приточная вентсистема П2. Схема электрическая подключения Вентиляторы В5, В6, В7, В8. Схема электрическая подключения Задвижка противопожарная. Схема электрическая подключения Приточные вентсистемы П1, П2, П3. Схема внешних электрических и трубных проводок Кабельный журнал План расположения средств автоматизации и электрических проводок Установка блокировочного замка на двери аккумуляторной. Общий вид и детали |
| Разработан: | Харьковский Промтранспроект |
| Утверждён: | 10.11.1987 Госстрой СССР (Государственный комитет Совета Министров СССР по делам строительства) (USSR Gosstroy 85) |




































