Скачать Типовой проект 271-23-17.84 Альбом VI. Ведомости потребности в материалахДата актуализации: 01.01.2021
|
| Обозначение: | Типовой проект 271-23-17.84 |
| Обозначение англ: | 271-23-17.84 |
| Статус: | не определен законодательством |
| Название рус.: | Альбом VI. Ведомости потребности в материалах |
| Дата добавления в базу: | 01.09.2013 |
| Дата актуализации: | 01.01.2021 |
| Дата введения: | 30.01.1985 |
| Дата окончания срока действия: | 30.06.2003 |
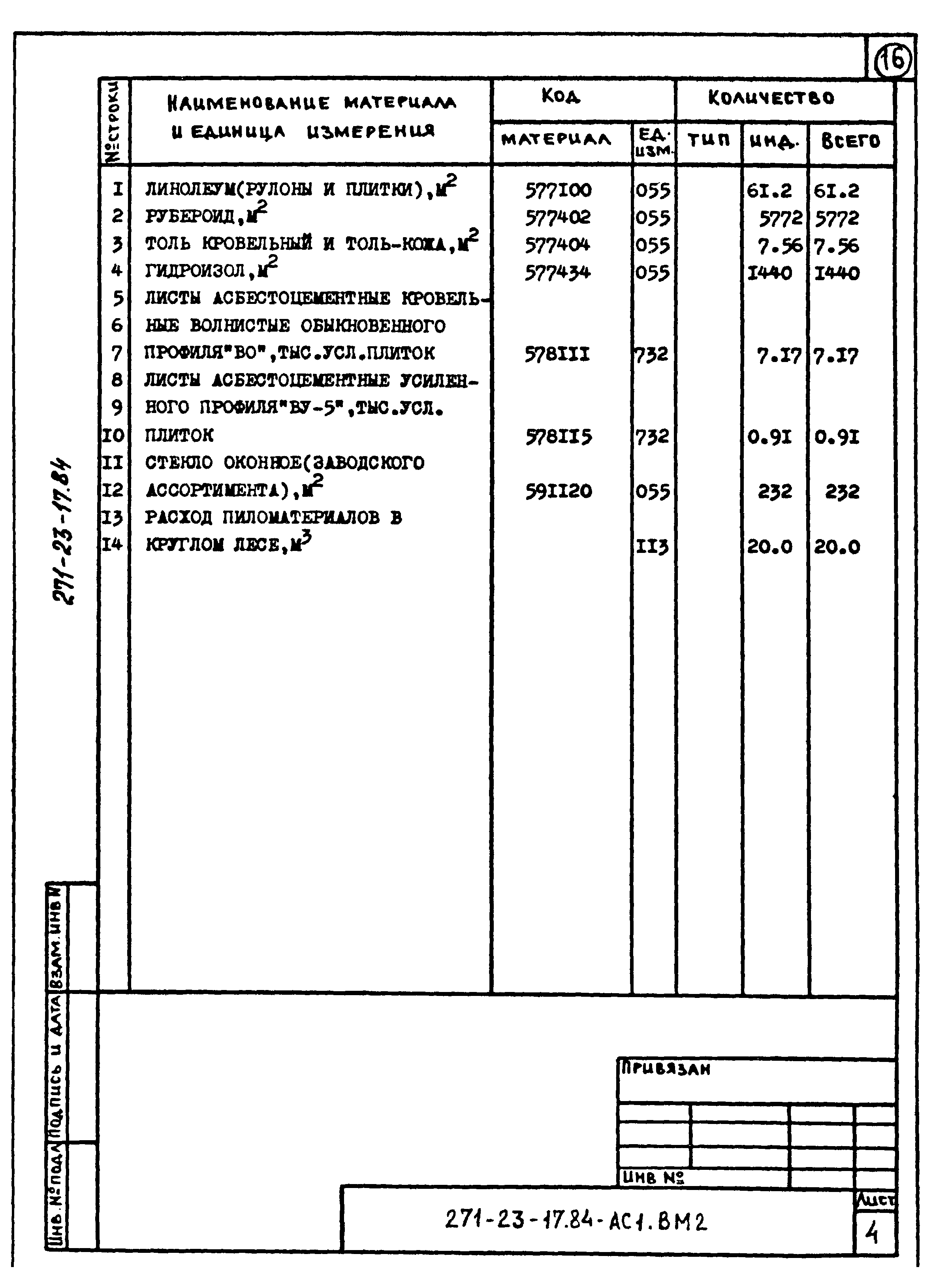
| Оглавление: | АС1.ВМ1 Ведомость материалов по рабочим чертежам основного комплекта марки АС1 АС1.ВО Ведомость объемов по рабочим чертежам основного комплекта марки АС1 ОВ.ВМ Ведомость материалов по рабочим чертежам основного комплекта марки ОВ ВК.ВМ Ведомость материалов по рабочим чертежам основного комплекта марки ВК ЭОМ1.ВМ Ведомость материалов по рабочим чертежам основного комплекта марки ЭОМ1 СС1.ВМ Ведомость материалов по рабочим чертежам основного комплекта марки СС1 АУ1.ВМ Ведомость материалов по рабочим чертежам основного комплекта марки АУ1 АС1.ВМ2 Ведомость материалов по рабочим чертежам основного комплекта марки АС1 |
| Разработан: | ЦНИИЭП торгово-бытовых зданий и туристских комплексов |
| Утверждён: | 12.11.1981 Госгражданстрой (Gosgrazhdanstroy 317) |

















