Скачать Типовой проект 407-3-476.13.87 Альбом 4. Электрооборудование ТП-2х630 кВА (из ТП 407-3-480.13.87)Дата актуализации: 01.01.2021
|
| Обозначение: | Типовой проект 407-3-476.13.87 |
| Обозначение англ: | 407-3-476.13.87 |
| Статус: | действует |
| Название рус.: | Альбом 4. Электрооборудование ТП-2х630 кВА (из ТП 407-3-480.13.87) |
| Дата добавления в базу: | 01.09.2013 |
| Дата актуализации: | 01.01.2021 |
| Дата введения: | 14.12.1987 |
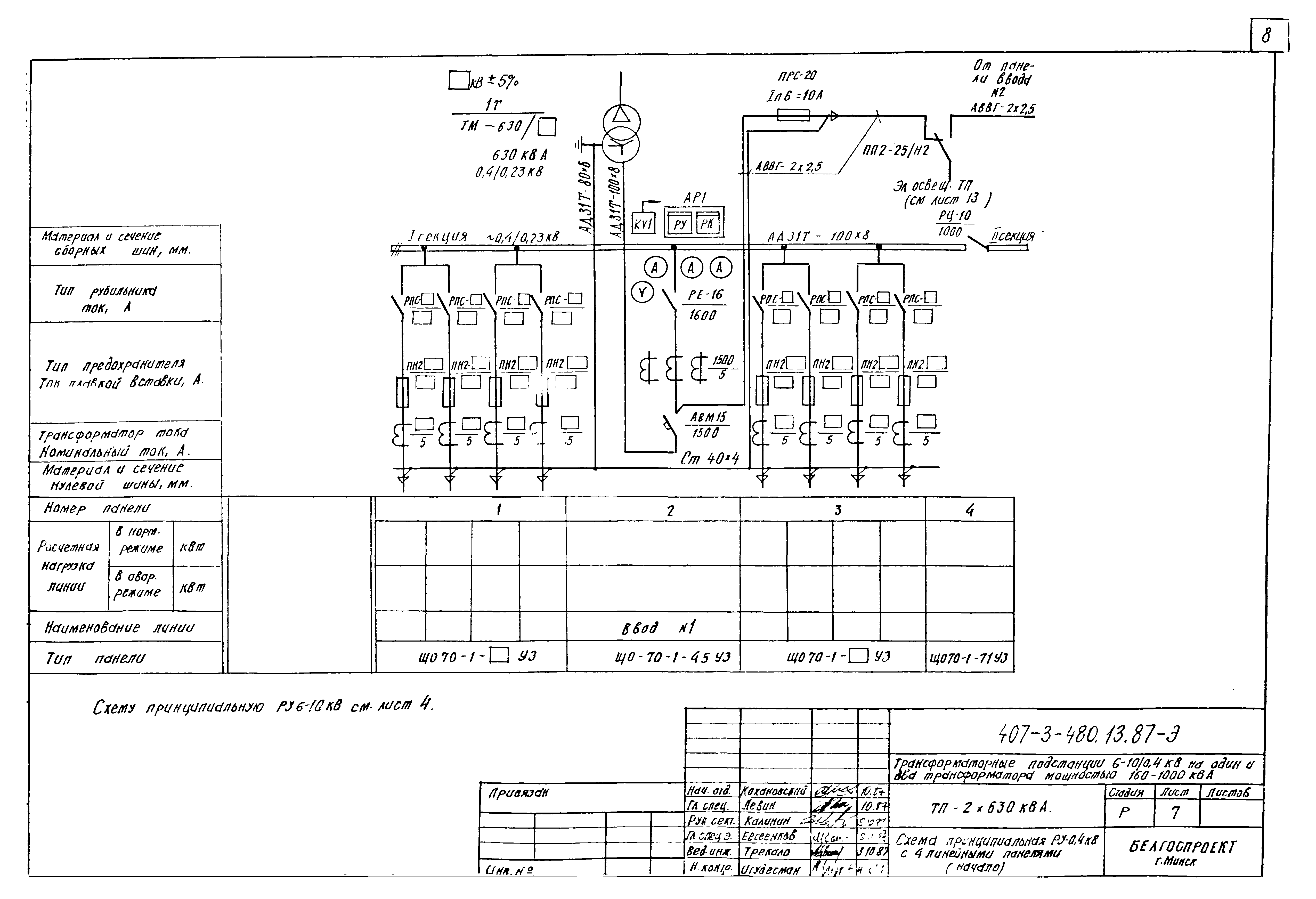
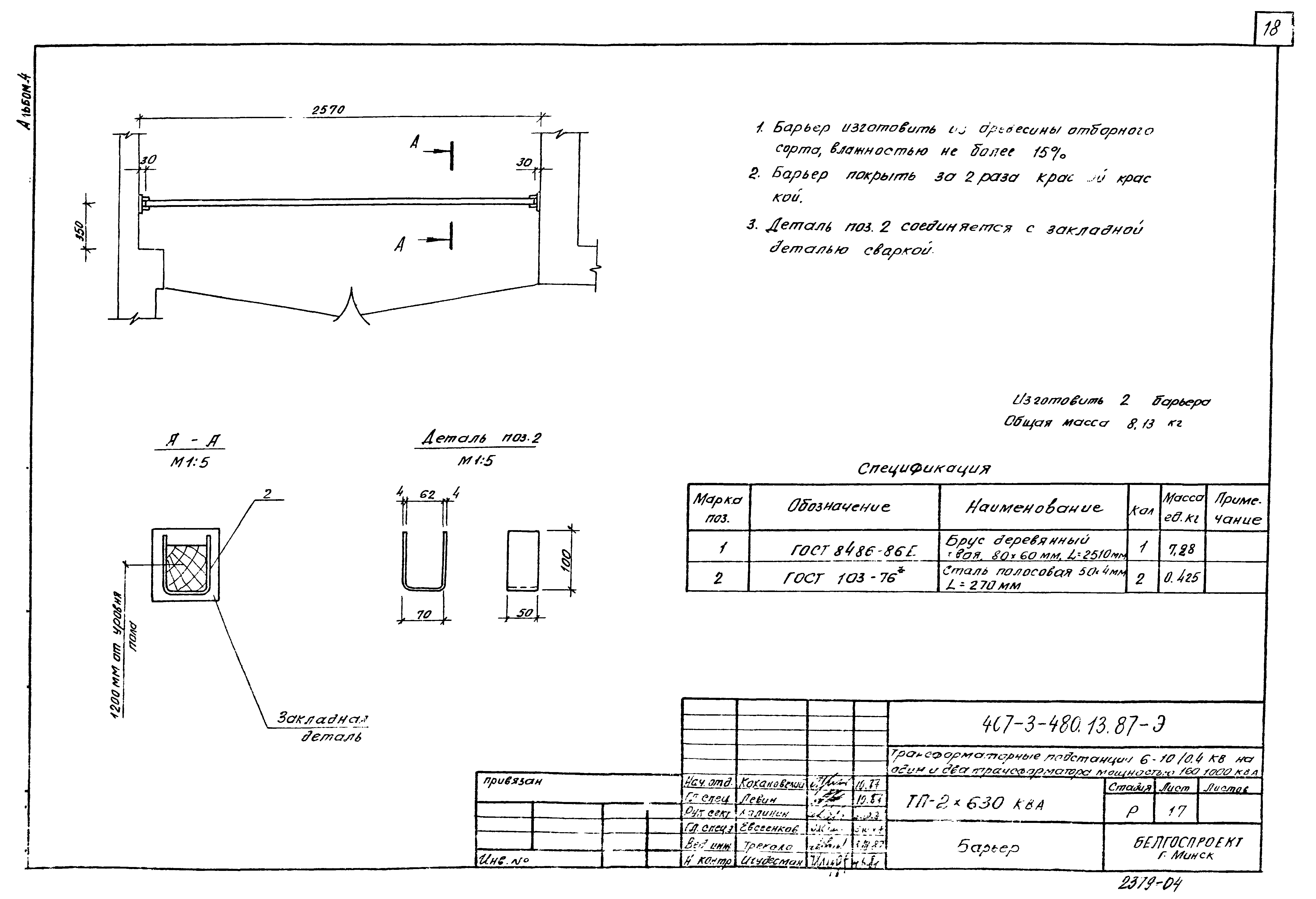
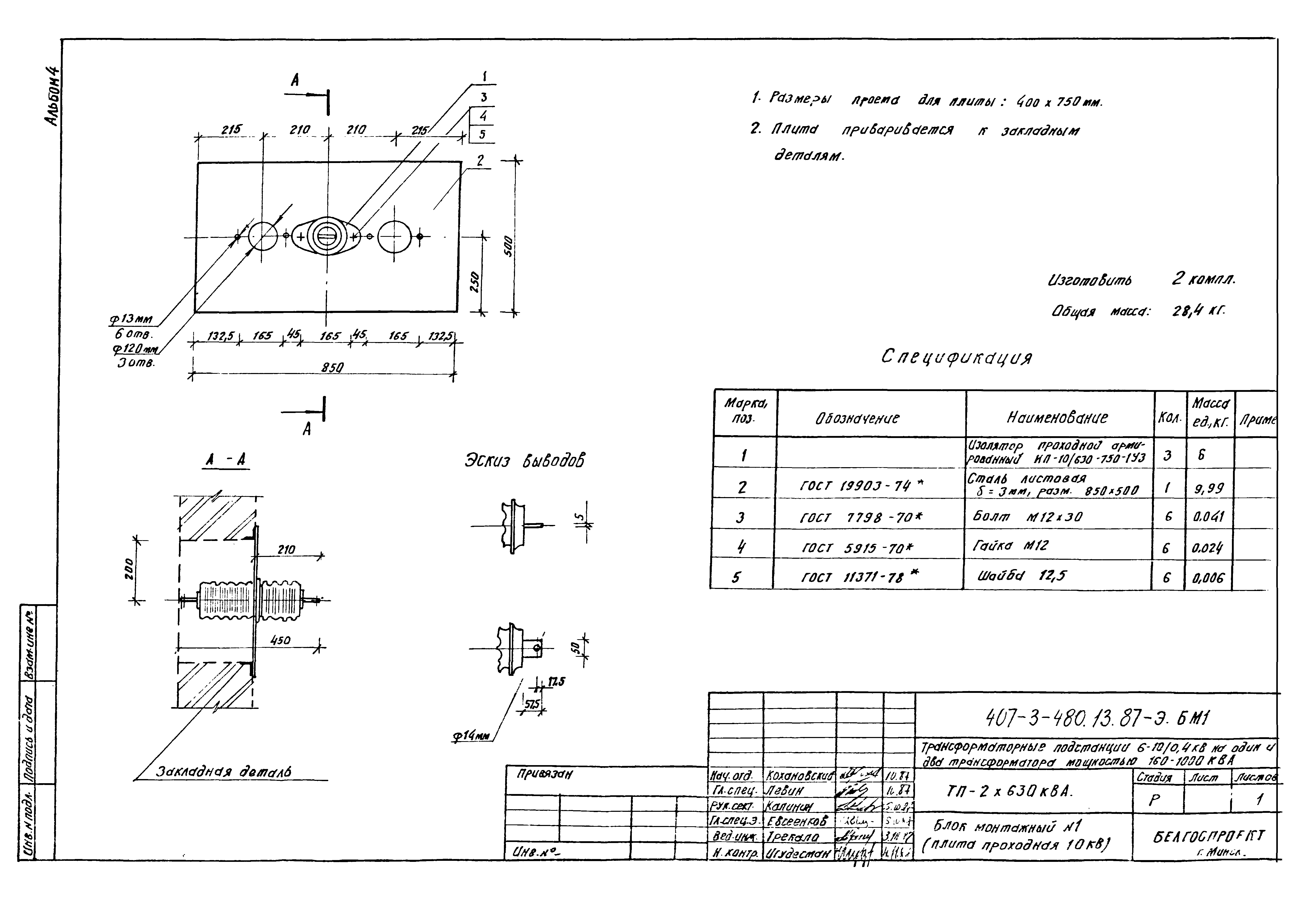
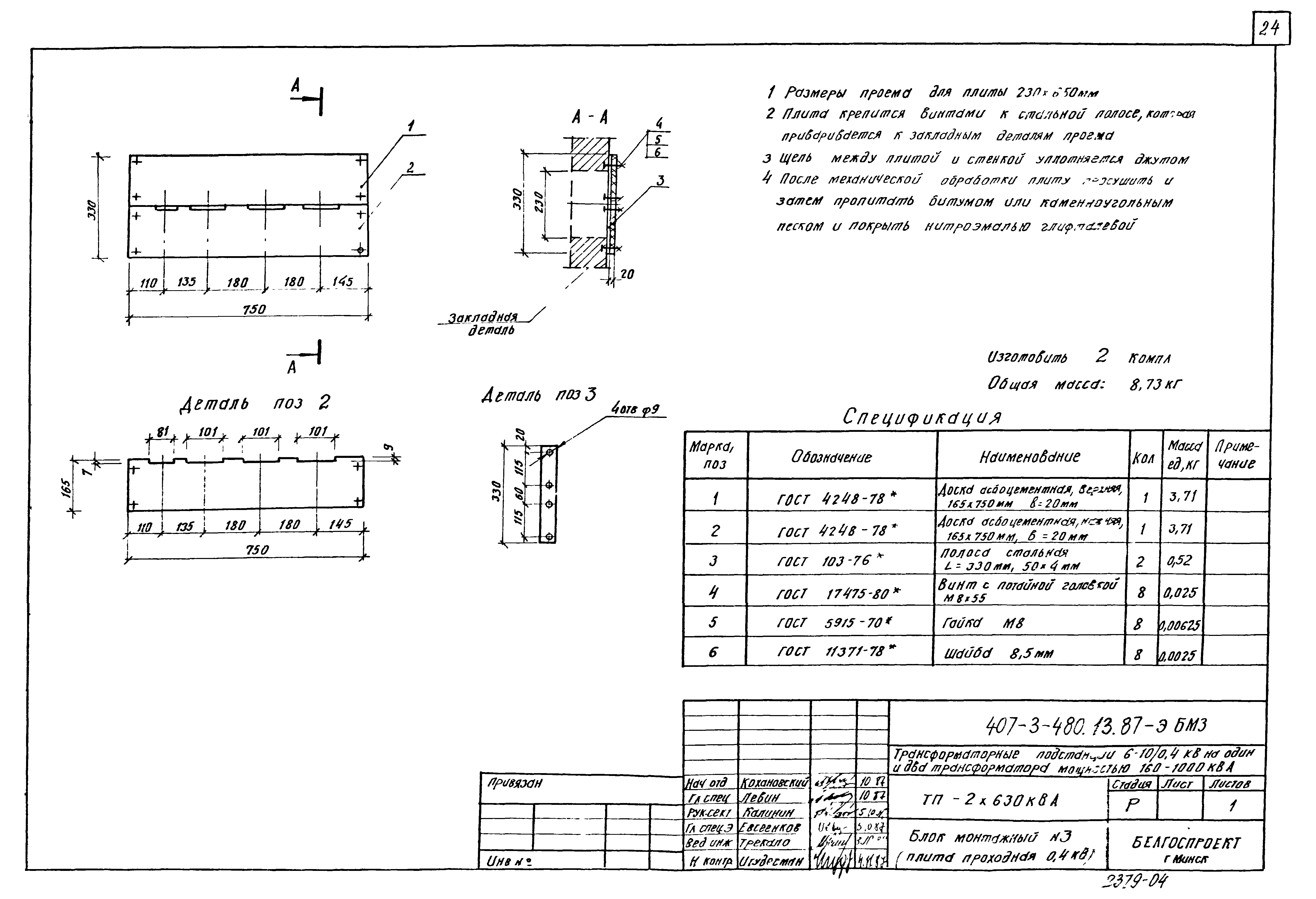
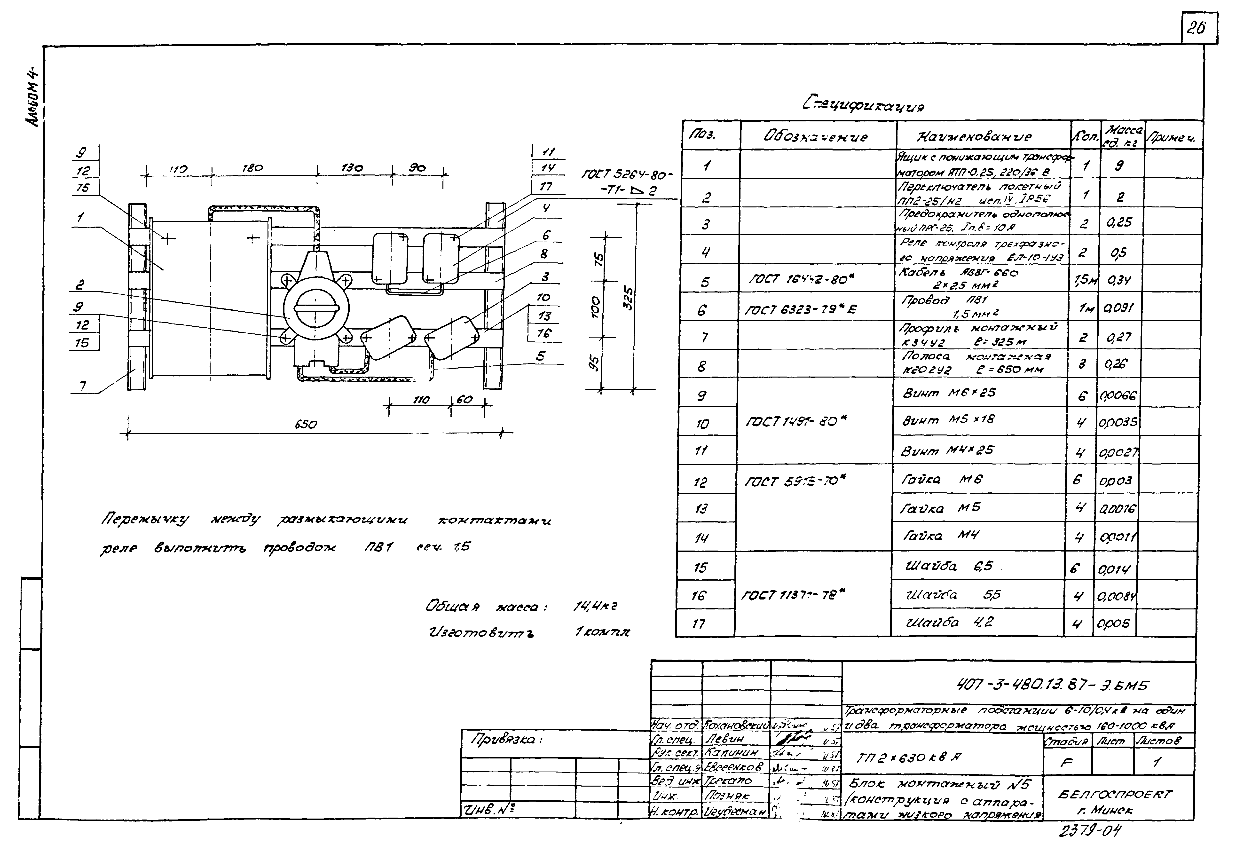
| Оглавление: | Чертежи основного комплекта марки Э Общие данные Схема принципиальная РУ6-10 кВ Схема принципиальная РУ-0,4 кВ с 8 линейными панелями Схема принципиальная РУ-0,4 кВ с 4 линейными панелями План с размещением электрооборудования (8 линейных панелей) План с размещением электрооборудования (4 линейных панели) Разрез План осветительных сетей (8 линейных панелей) План осветительных сетей (4 линейных панели) План с магистралями заземления (8 линейных панелей) План с магистралями заземления (4 линейных панели) Подключение к ОДС Барьер Опросный лист для заказа комплектного распределительного устройства из камер КСО 386 Опросный лист для заказа комплектного распределительного щита из панелей ЩО70 (8 линейных панелей) Опросный лист для заказа комплектного распределительного щита из панелей ЩО70 (4 линейных панели) Блок монтажный №1 (плита проходная 10 кВ) Блок монтажный №2 (мост шинный 6 - 10 кВ) Блок монтажный №3 (плита проходная 0,4 кВ) Блок монтажный №4 (конструкция с зеркалом) Блок монтажный №5 (конструкция с аппаратами низкого напряжения) Блок монтажный №6 (конструкция для установки светильника на панели ЩО70) Конструкция шин 0,4 кВ Спецификация оборудования |
| Разработан: | Белгоспроект |
| Утверждён: | 14.12.1987 Госстрой БССР (BSSR Gosstroy ) |
| Заменяет собой: |
|

































