Скачать Типовой проект 409-28-38 Альбом V. Часть 1. Электротехнические чертежи для варианта с релейно-контактной системой управленияДата актуализации: 01.01.2021
|
| Обозначение: | Типовой проект 409-28-38 |
| Обозначение англ: | 409-28-38 |
| Статус: | действует |
| Название рус.: | Альбом V. Часть 1. Электротехнические чертежи для варианта с релейно-контактной системой управления |
| Дата добавления в базу: | 01.09.2013 |
| Дата актуализации: | 01.01.2021 |
| Дата введения: | 17.10.1979 |
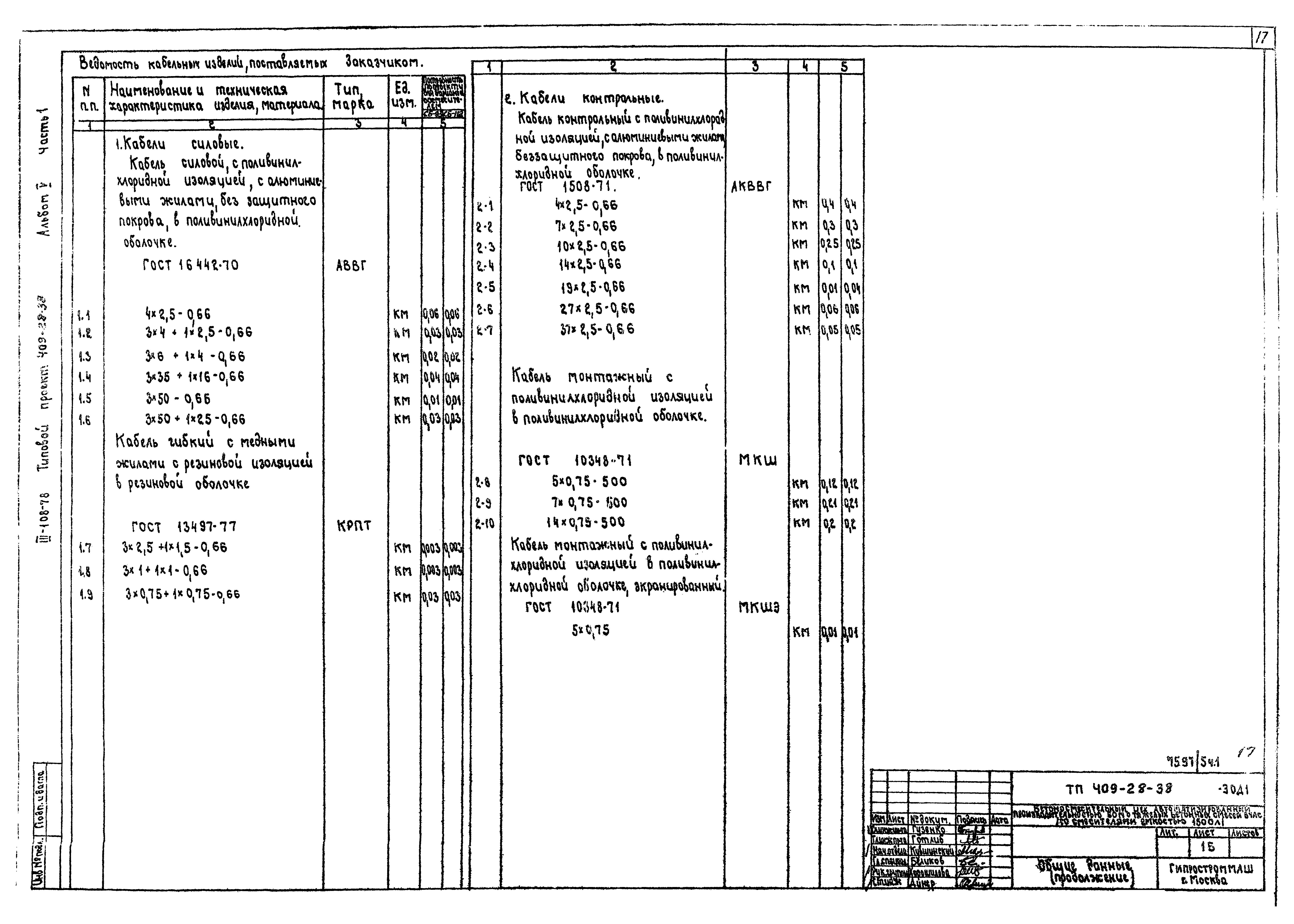
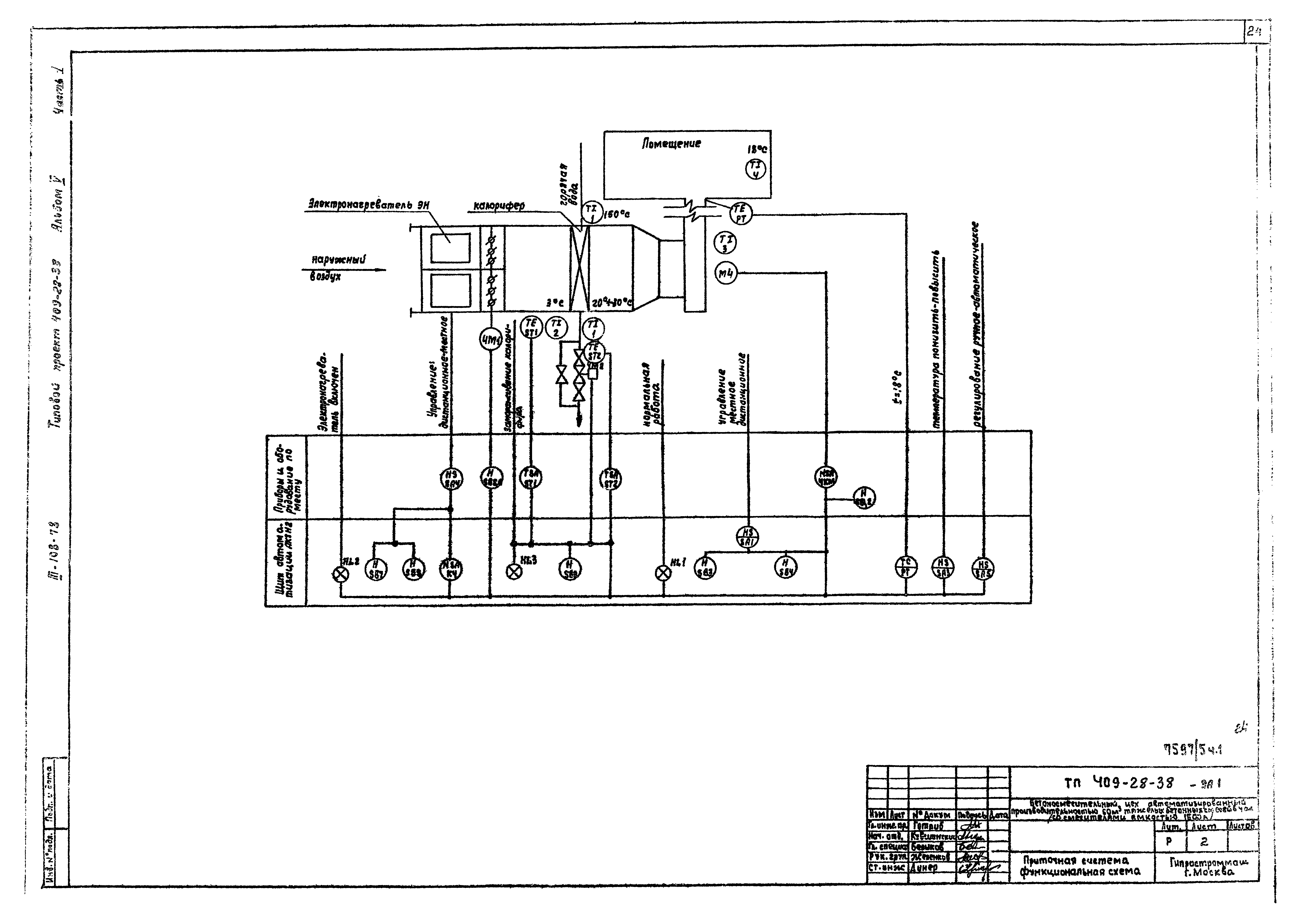
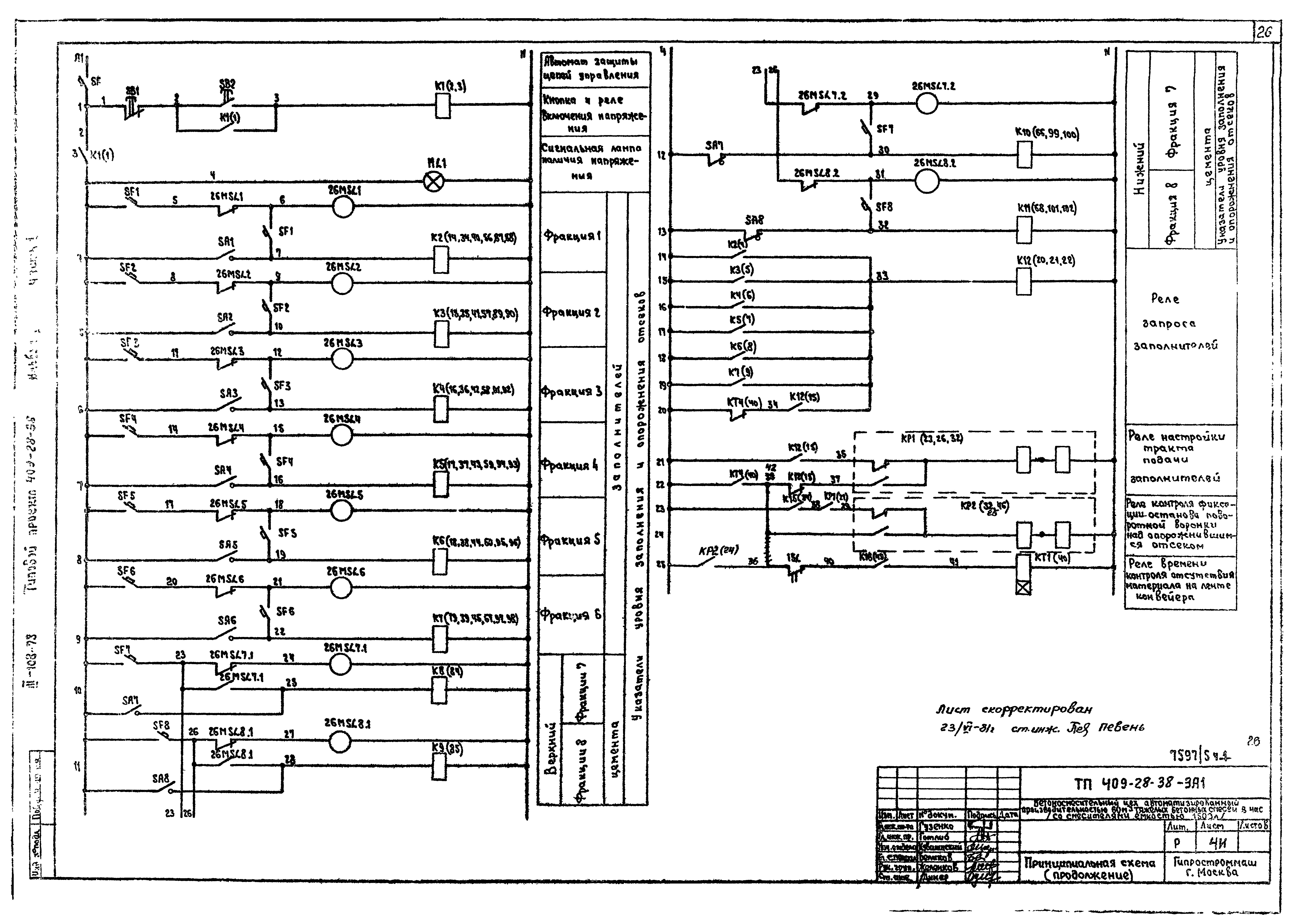
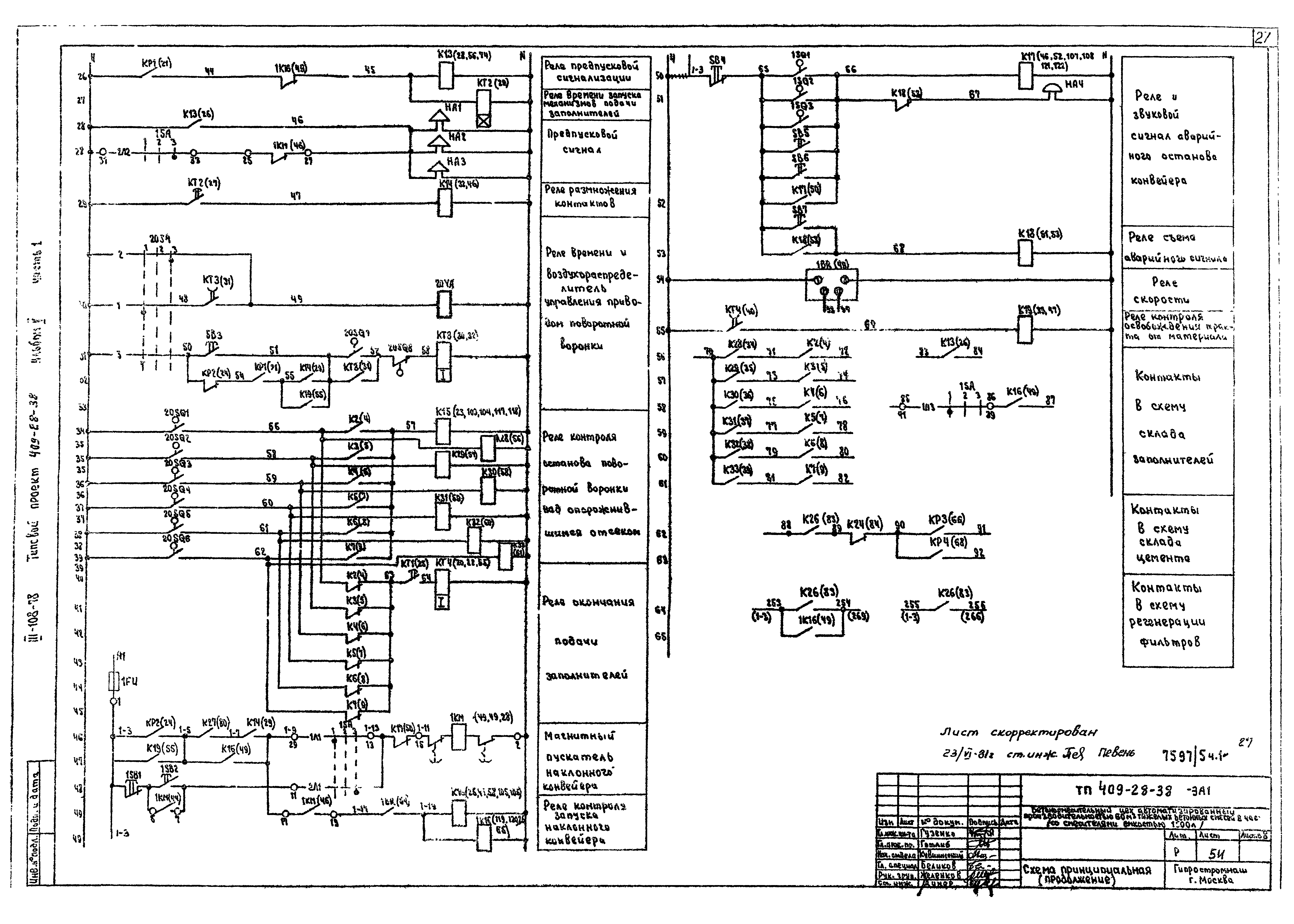
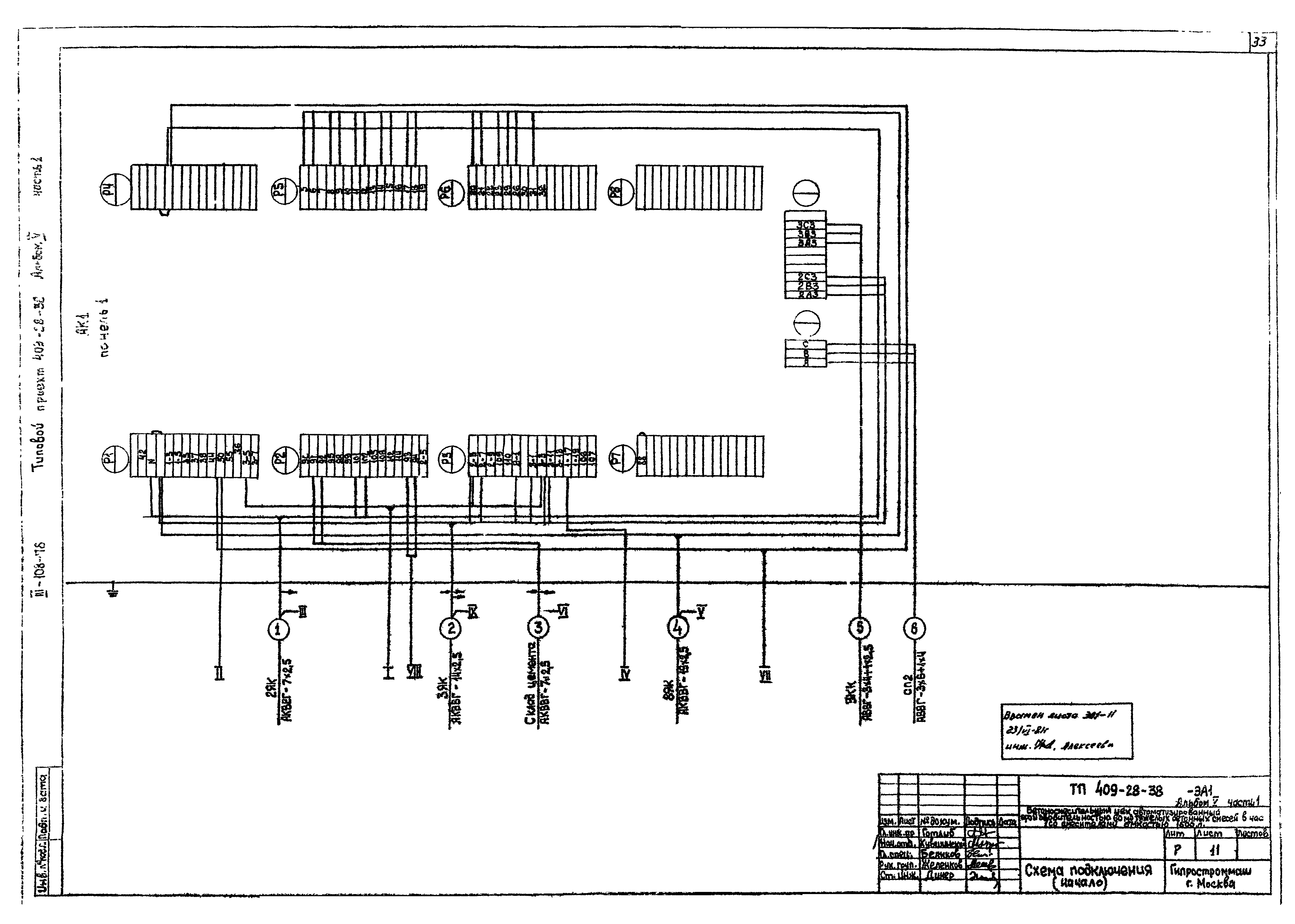
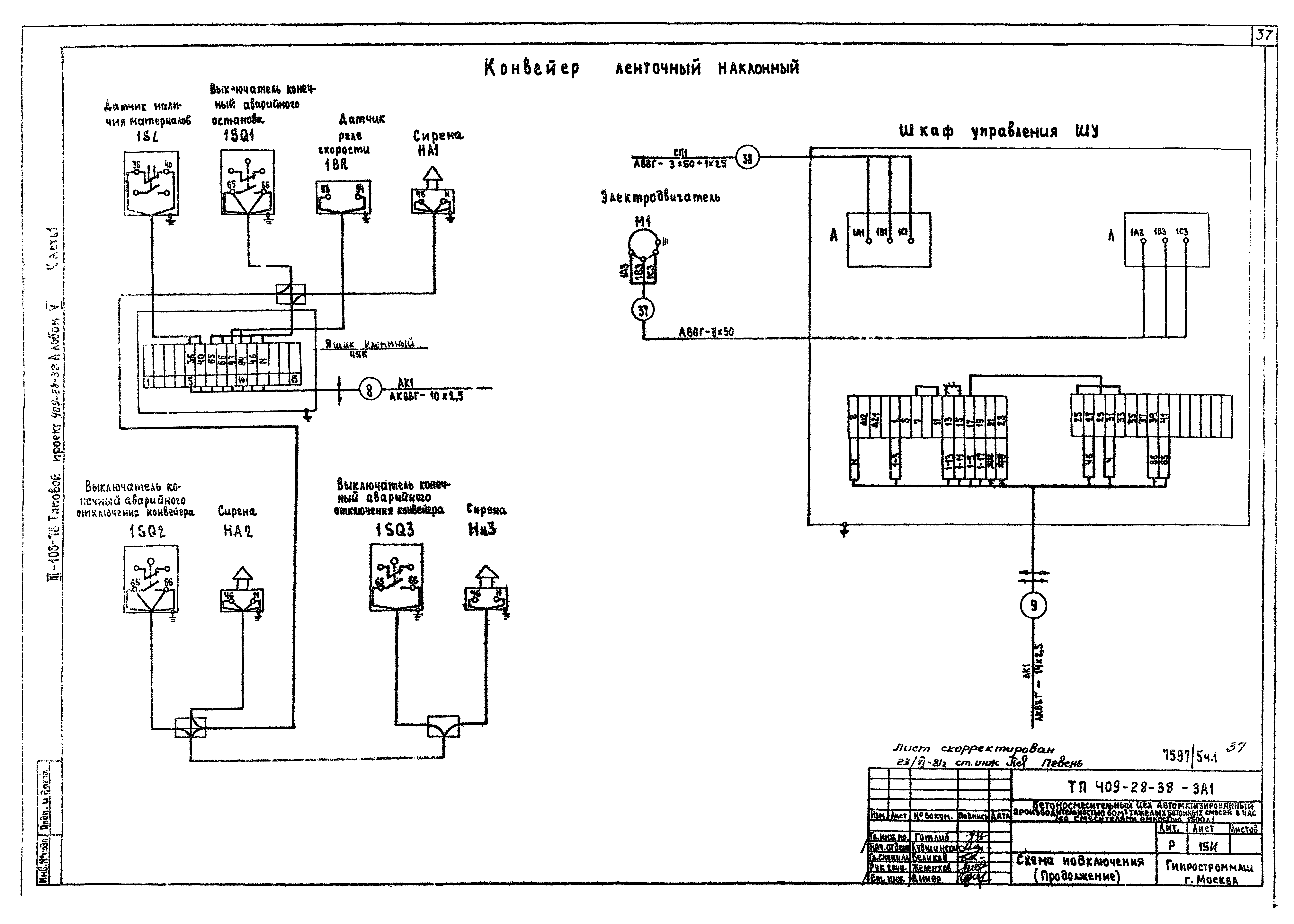
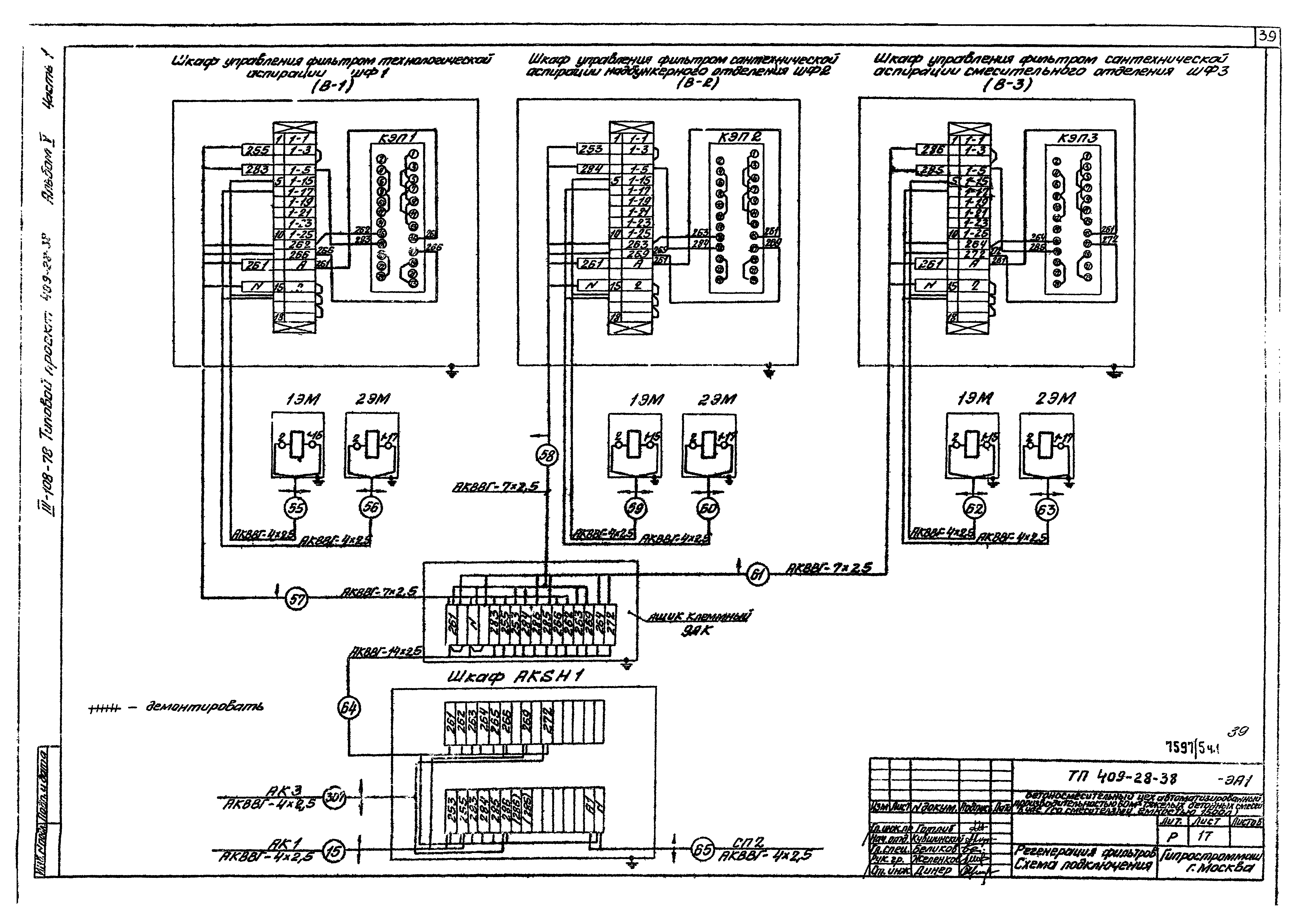
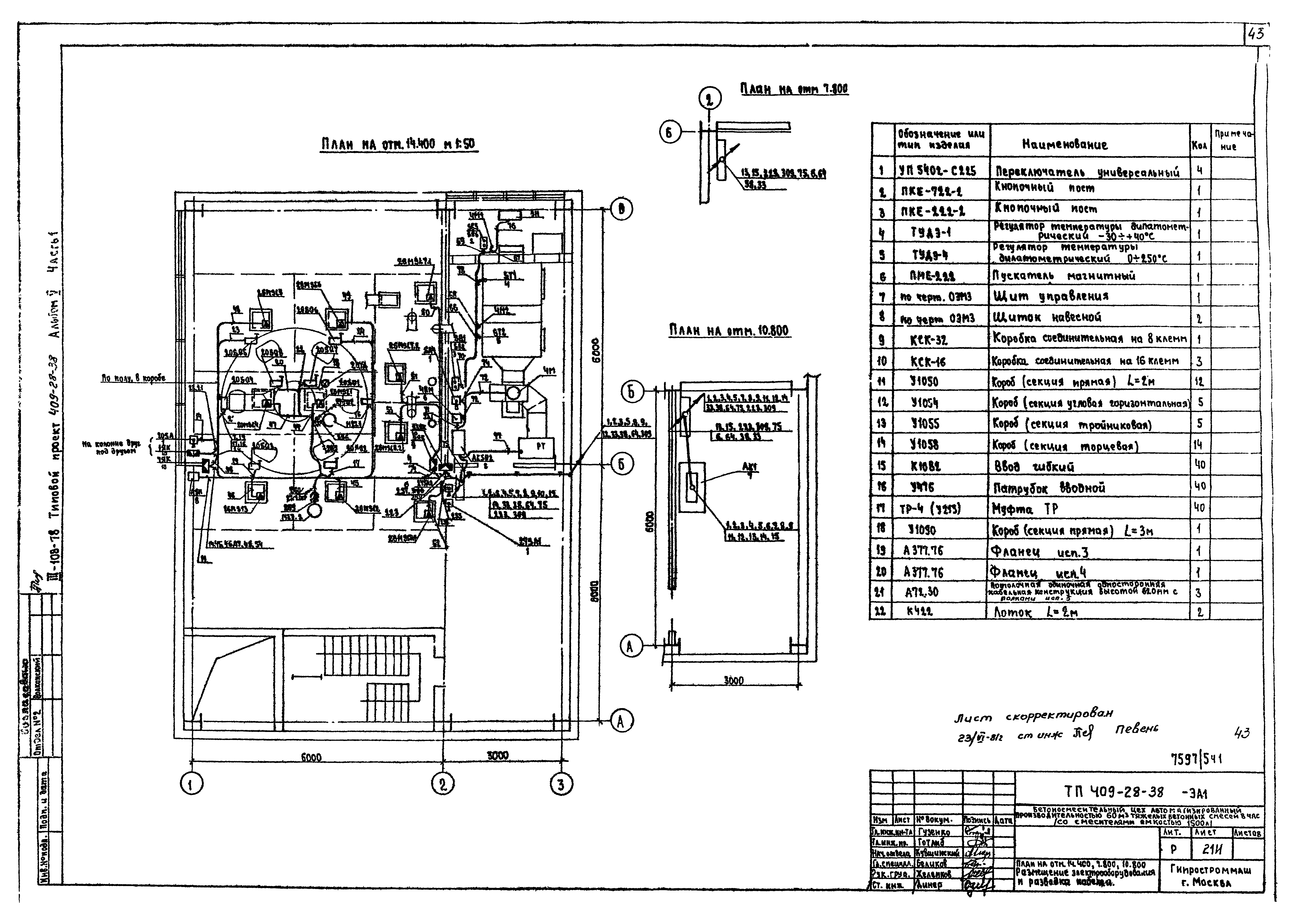
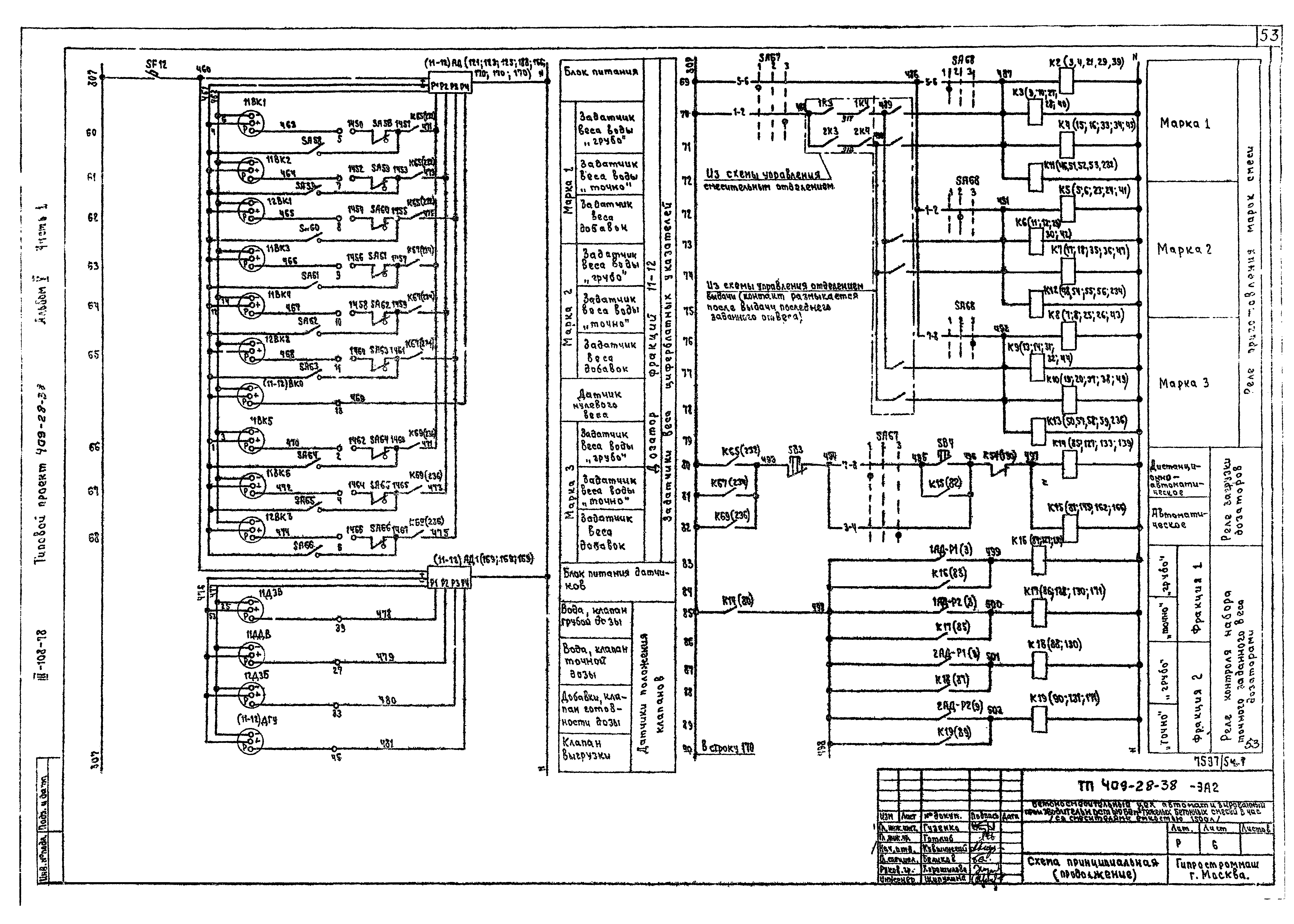
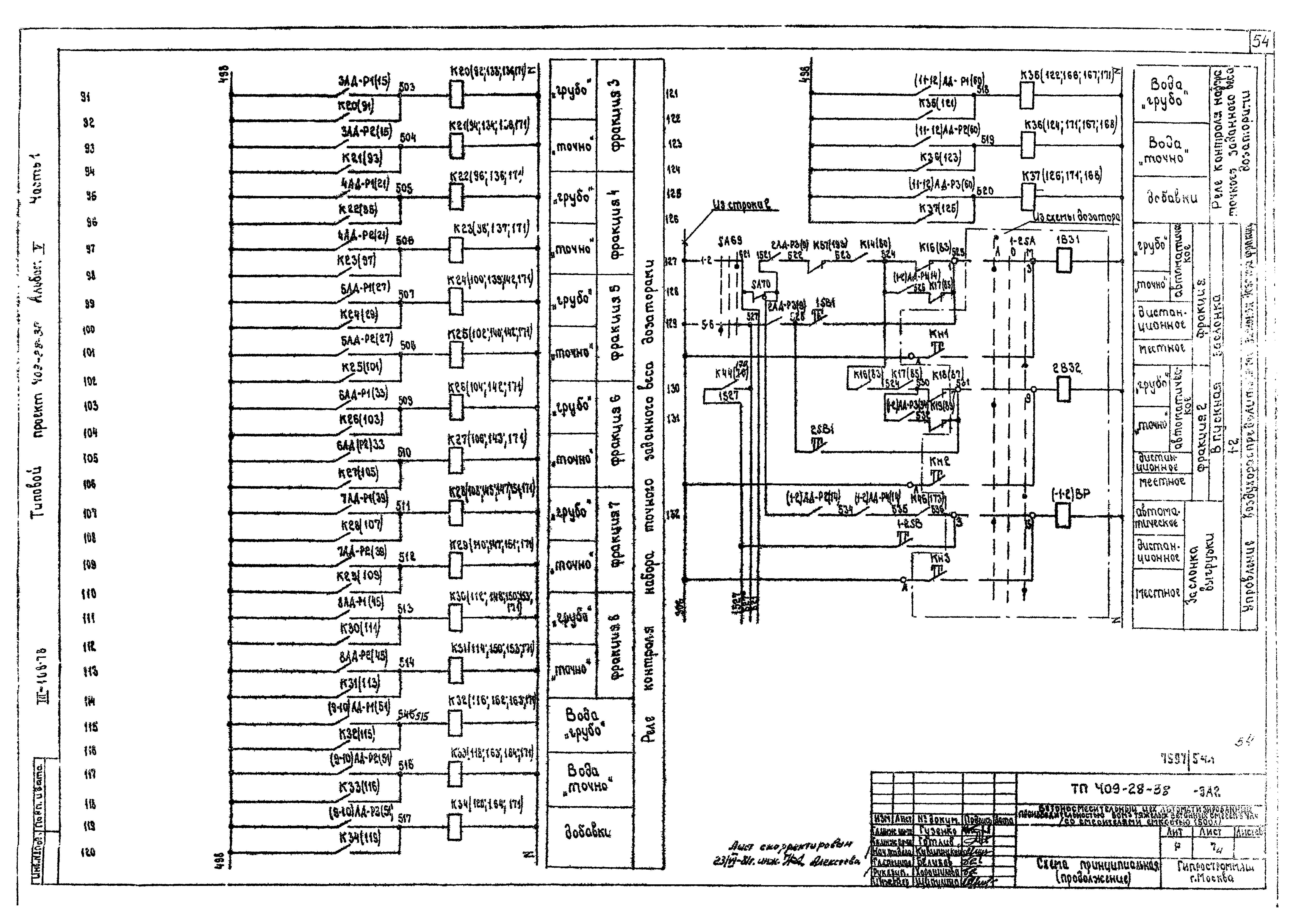
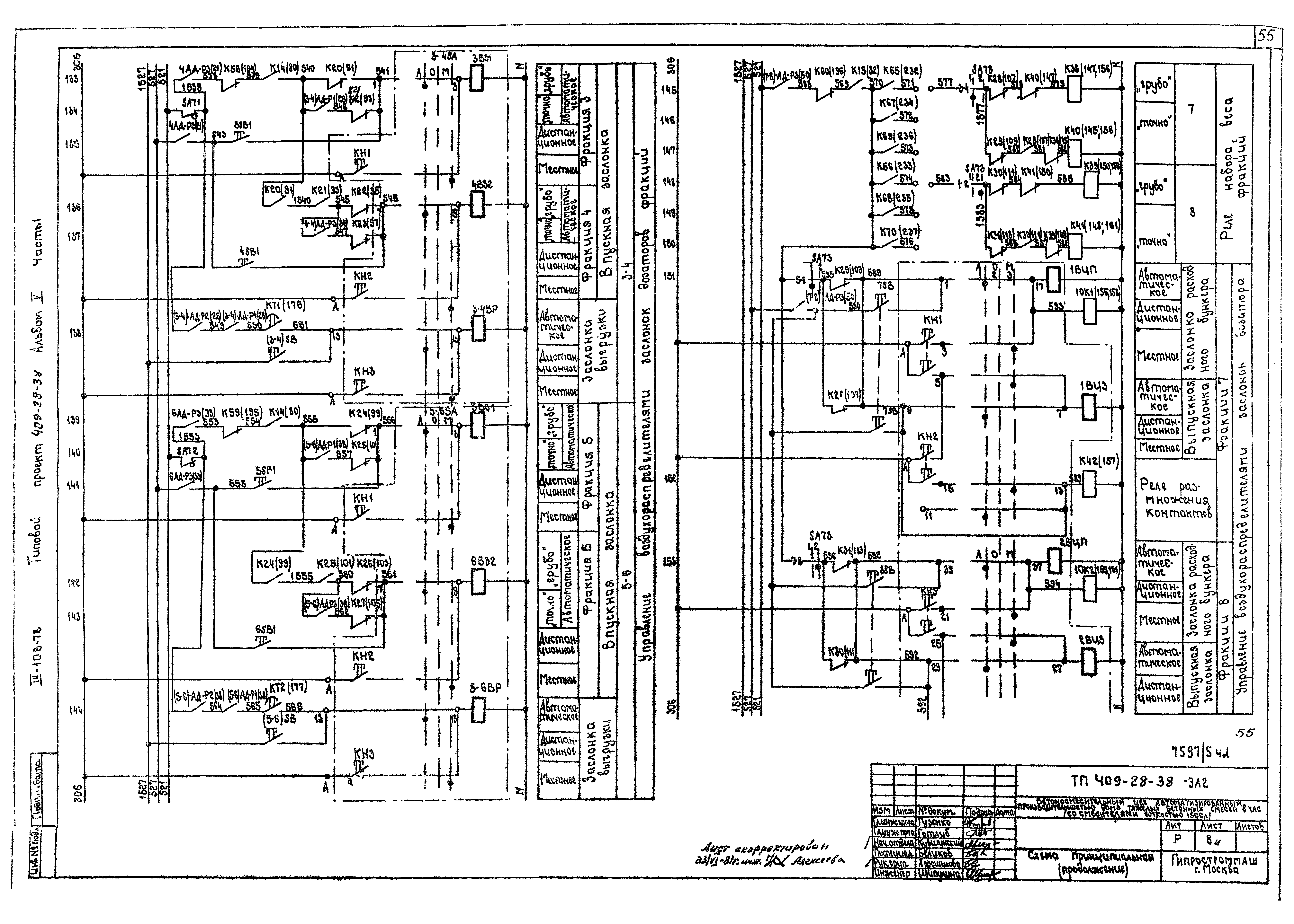
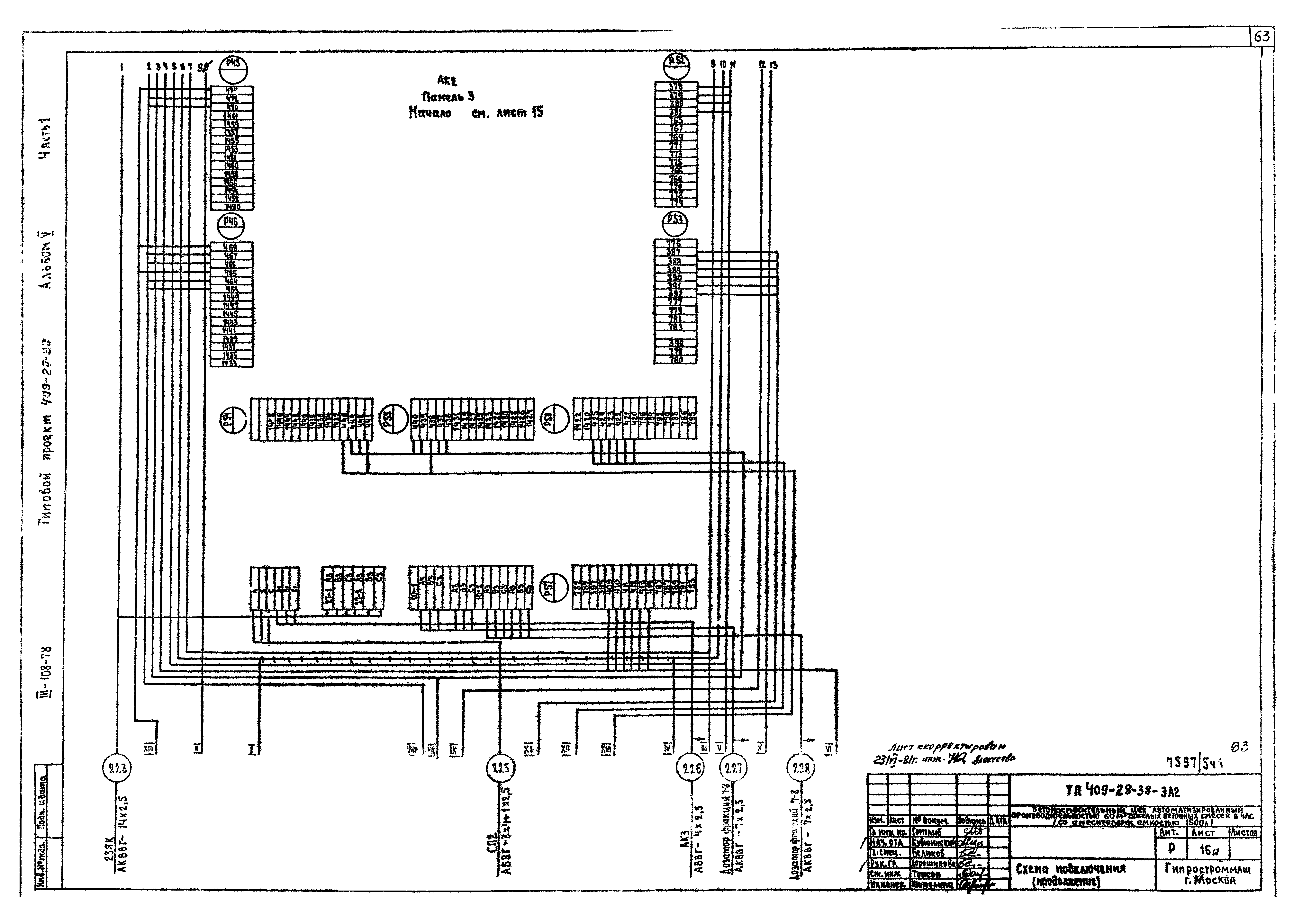
| Оглавление: | Содержание Общие данные Схемы силовой цепи Схема силовой сети Автоматизация надбункерного отделения Схема технологическая с расстановкой элементов автоматики Приточная система. Схема функциональная Схема принципиальная Регенерация фильтров. Схема принципиальная Приточная система. Схема принципиальная Схема подключения Регенерация фильтров. Схема подключения Приточная система. Схема подключения Кабельный журнал План на отм. 14.400; 7.800; 10.800. Размещение электрооборудования и разводка кабелей План на отм. 17.100. Размещение электрооборудования и разводка кабелей План расстановки шкафов и пультов Разрезы 1-1 и 2-2. Размещение электрооборудования и разводка кабелей Коробка клеммная Автоматизация дозаторного отделения Схема технологическая с расстановкой элементов автоматики Схема принципиальная Схема подключения Кабельный журнал План на отм. 4.800; 7.800. Размещение электрооборудования и разводка кабелей Разрезы 1-1 и 2-2. Размещение электрооборудования и разводка кабелей План на отм. 8.800. Разрез 3-3. Размещение электрооборудования и разводка кабелей |
| Разработан: | Гипростроммаш |
| Утверждён: | 23.09.1979 Госстрой СССР (Государственный комитет Совета Министров СССР по делам строительства) (USSR Gosstroy 43) |








































































