Скачать Типовой проект 409-28-39 Альбом I. Пояснительная записка. Технологические чертежиДата актуализации: 01.01.2021
|
| Обозначение: | Типовой проект 409-28-39 |
| Обозначение англ: | 409-28-39 |
| Статус: | действует |
| Название рус.: | Альбом I. Пояснительная записка. Технологические чертежи |
| Дата добавления в базу: | 01.09.2013 |
| Дата актуализации: | 01.01.2021 |
| Дата введения: | 17.10.1979 |
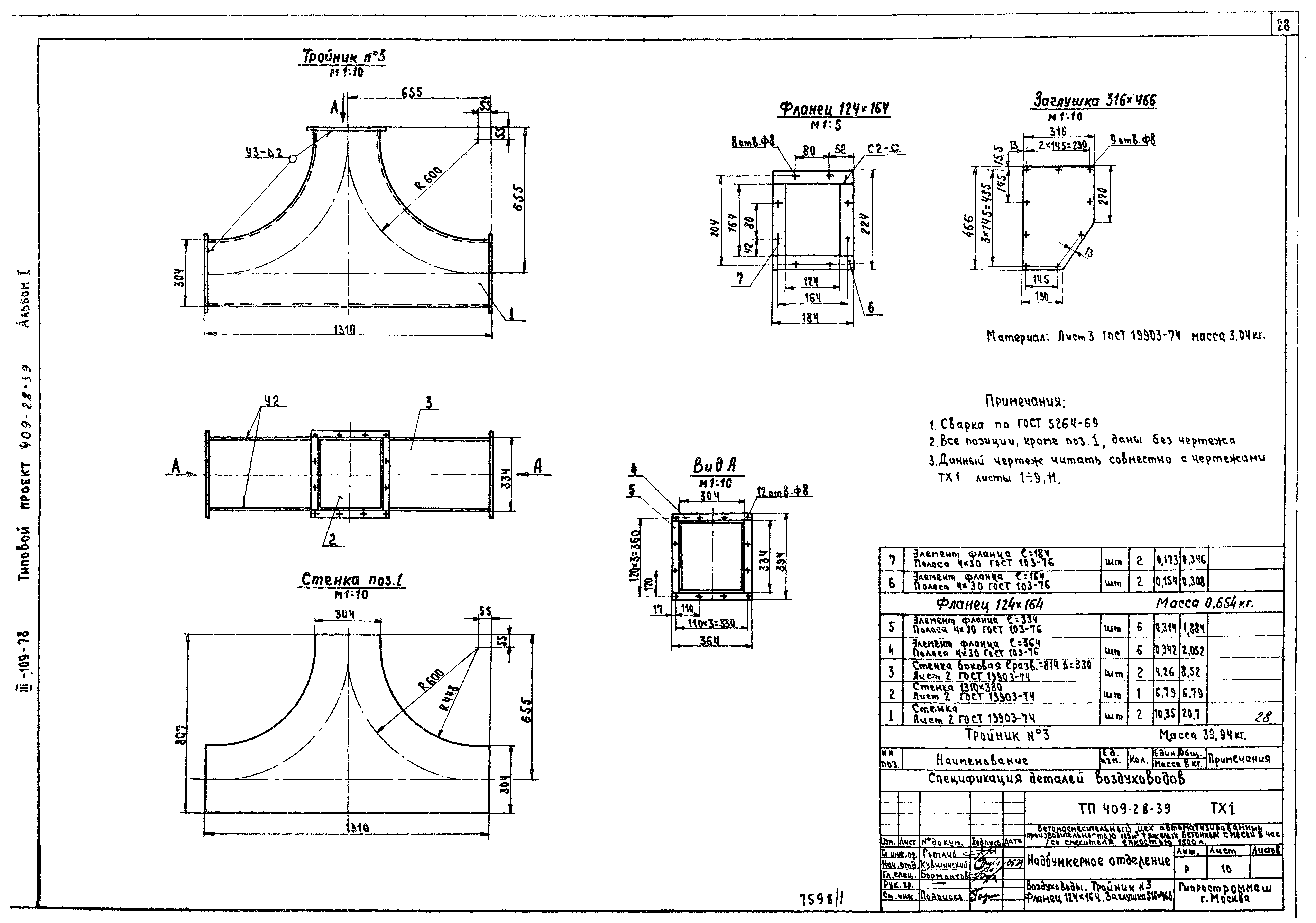
| Оглавление: | Содержание альбома Пояснительная записка Чертежи основного комплекта марки ТХ Планы на отм. 17.100; 14.400; 4.800 и 0.000. Планы по расходным бункерам Разрезы 1-1 и 2-2 Разрезы 3-3, 4-4. План на отм. 8.800 Надбункерное отделение. План на отм. 17.100. Разрезы 1-1, 2-2. Узел I Надбункерное отделение. План на отм. 14.400. Разрезы 3-3, Б-Б, В-В. Спецификация воздуховодов Надбункерное отделение. Воздуховоды. Патрубок 304х334; L = 1550. Патрубок 304х334; L = 840. Короб 304х334/304х406. Патрубок 304х334; L = 875 Надбункерное отделение. Воздуховоды. Короб Ф610/304х334. Патрубок 304х334, L = 625 Надбункерное отделение. Воздуховоды. Тройник №2. Отвод 90 градусов - 256х406 Надбункерное отделение. Воздуховоды. Диффузор 124х164/Ф315. Тройник №1 Надбункерное отделение. Воздуховоды. Тройник №3. Фланец 124х164. Заглушка 316х466 Надбункерное отделение. Воздуховоды. Отвод 90 градусов - 304х334. Патрубок 256х406; L = 790. Патрубок 304х334; L = 590 Дозаторное отделение. План на отм. 4.800. Разрезы 1-1 и 2-2 Дозаторное отделение. Разрезы 3-3 и 4-4. план по расходным бункерам и на отм. 8.800 Смесительное отделение. Вариант с бетоносмесителями СБ-93. План на отм. 0.000. Разрезы 1-1 и 2-2 Смесительное отделение. Вариант с бетоносмесителями СБ-93. Разрез 3-3. Узлы I, II, III, IV. Разрез А-А. Спецификация трубопроводов воды и жидких добавок Дозаторное отделение. Смесительное отделение. Трубопроводы воды и жидких добавок. Фланцы. Переход Ф180/Ф108. Ниппель. Полухомут Пример привязки отделения выдачи бетонных смесей самоходными бункерами. План на отм. - 2.430. Разрезы 1-1, 2-2 и 3-3 Пример привязки отделения выдачи бетонных смесей ленточными конвейерами. План на отм. - 2.800 и - 4.300. Разрезы 1-1 и 2-2 Галерея подачи заполнителей. План на отм. 17.100 и - 10.000. Разрезы 1-1, 2-2 Пример схемы генплана завода ЖБИ с типовым бетоносмесительным цехом Чертежи основного комплекта марки ТК Общие данные Планы на отм. - 9.000; 0.000; 4.800; 2.800; 14.400; 17.100 Разрез 1-1. Разрез 2-2. Присоединение рукава к ниппелю. Ниппель Аксонометрическая схема трубопроводов сжатого воздуха. Узлы I, II, III. Условные обозначения |
| Разработан: | Гипростроммаш |
| Утверждён: | 23.09.1979 Госстрой СССР (Государственный комитет Совета Министров СССР по делам строительства) (USSR Gosstroy 43) |









































