Скачать Типовой проект 501-3-10 Альбом IV. Электротехнические чертежи и автоматизация. Устройства связиДата актуализации: 01.01.2021
|
| Обозначение: | Типовой проект 501-3-10 |
| Обозначение англ: | 501-3-10 |
| Статус: | действует |
| Название рус.: | Альбом IV. Электротехнические чертежи и автоматизация. Устройства связи |
| Дата добавления в базу: | 01.09.2013 |
| Дата актуализации: | 01.01.2021 |
| Дата введения: | 28.04.1981 |
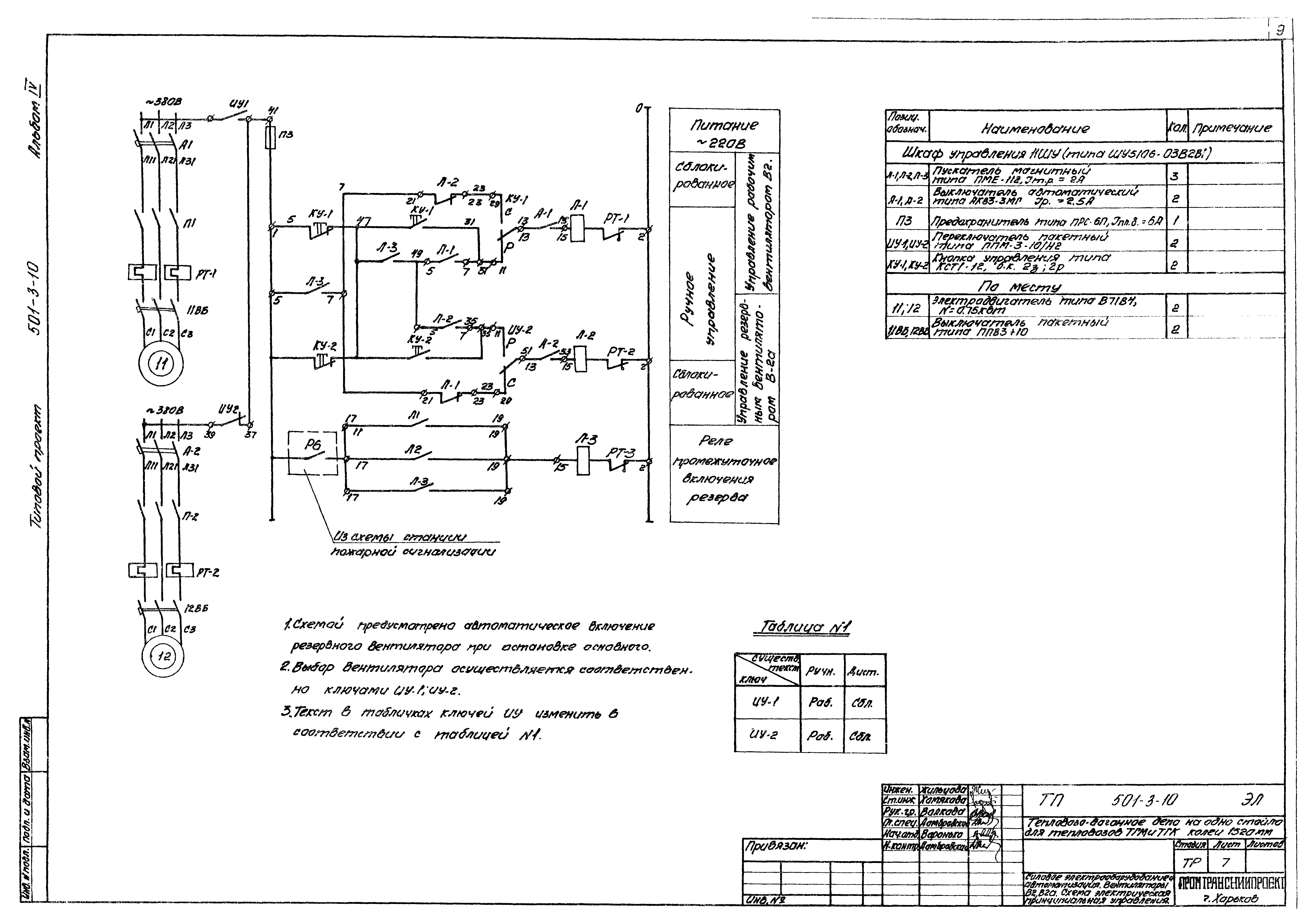
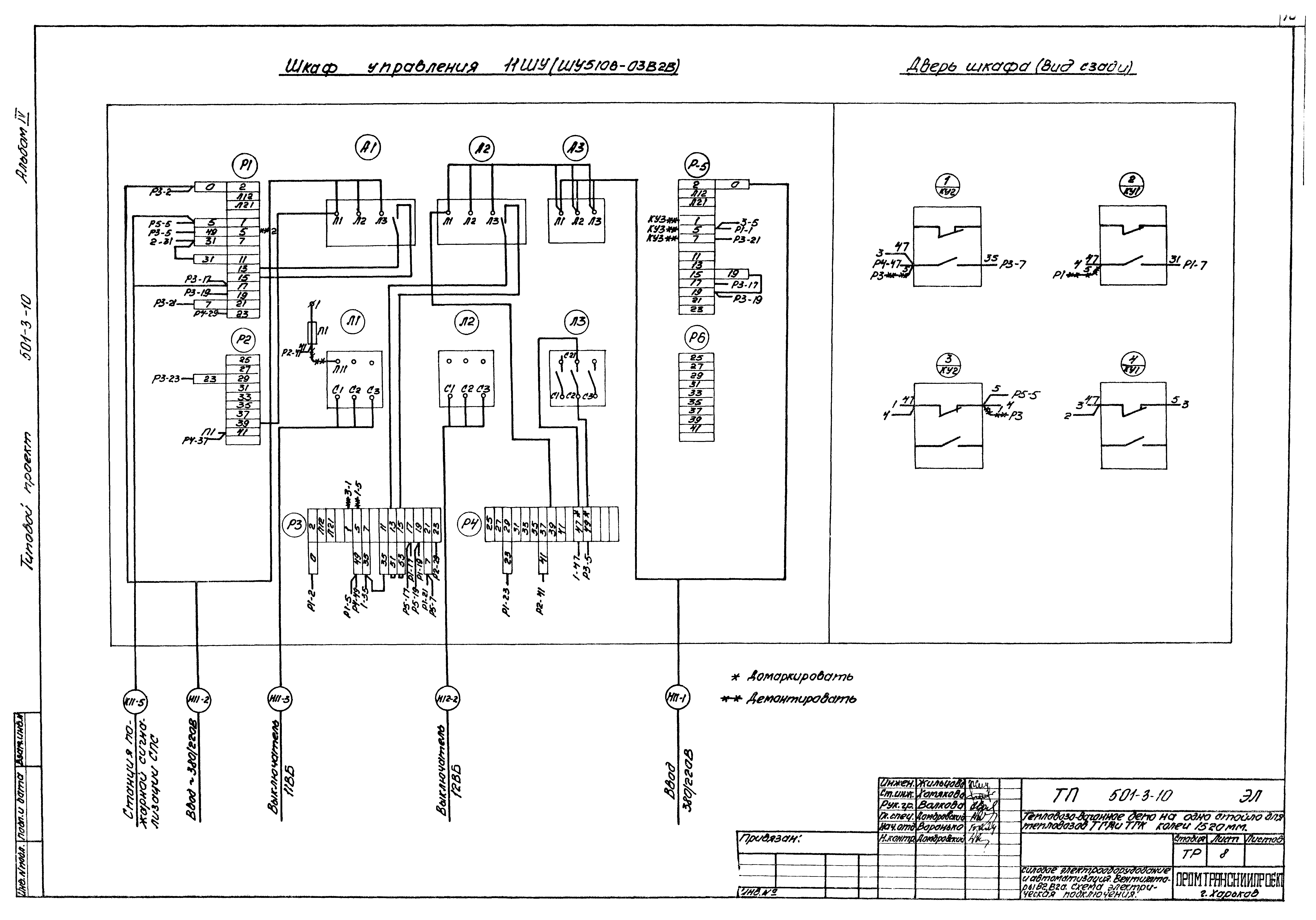
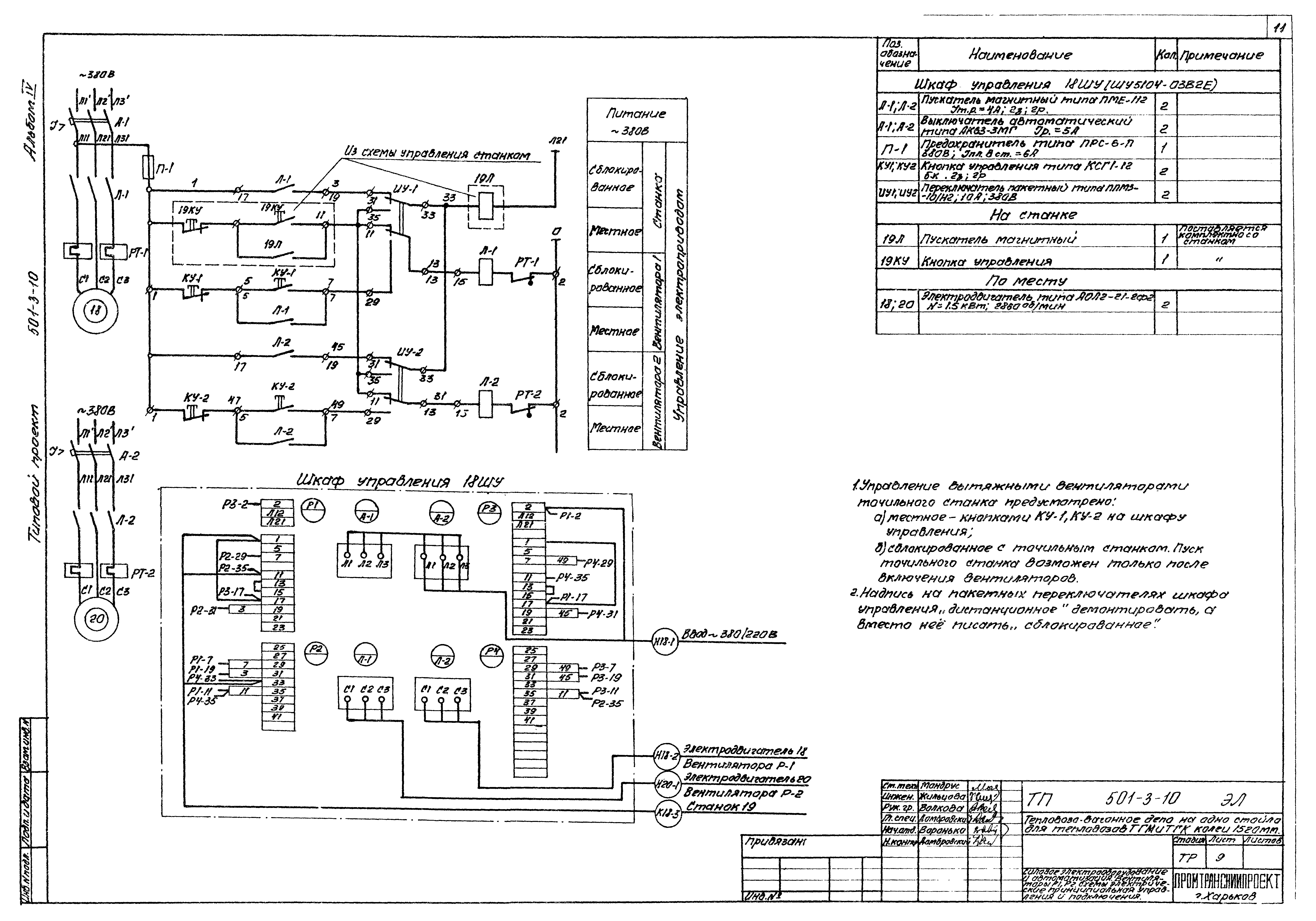
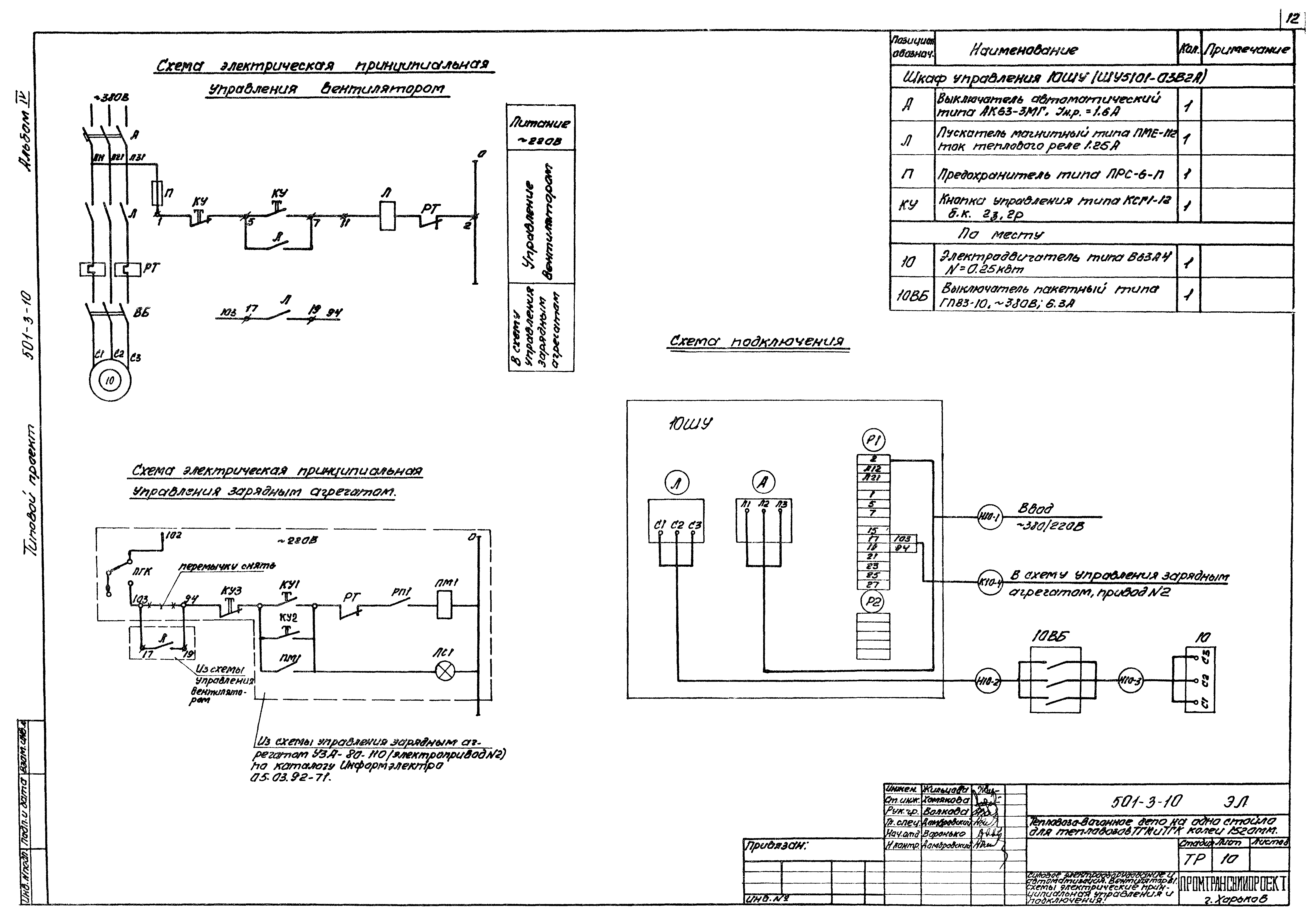
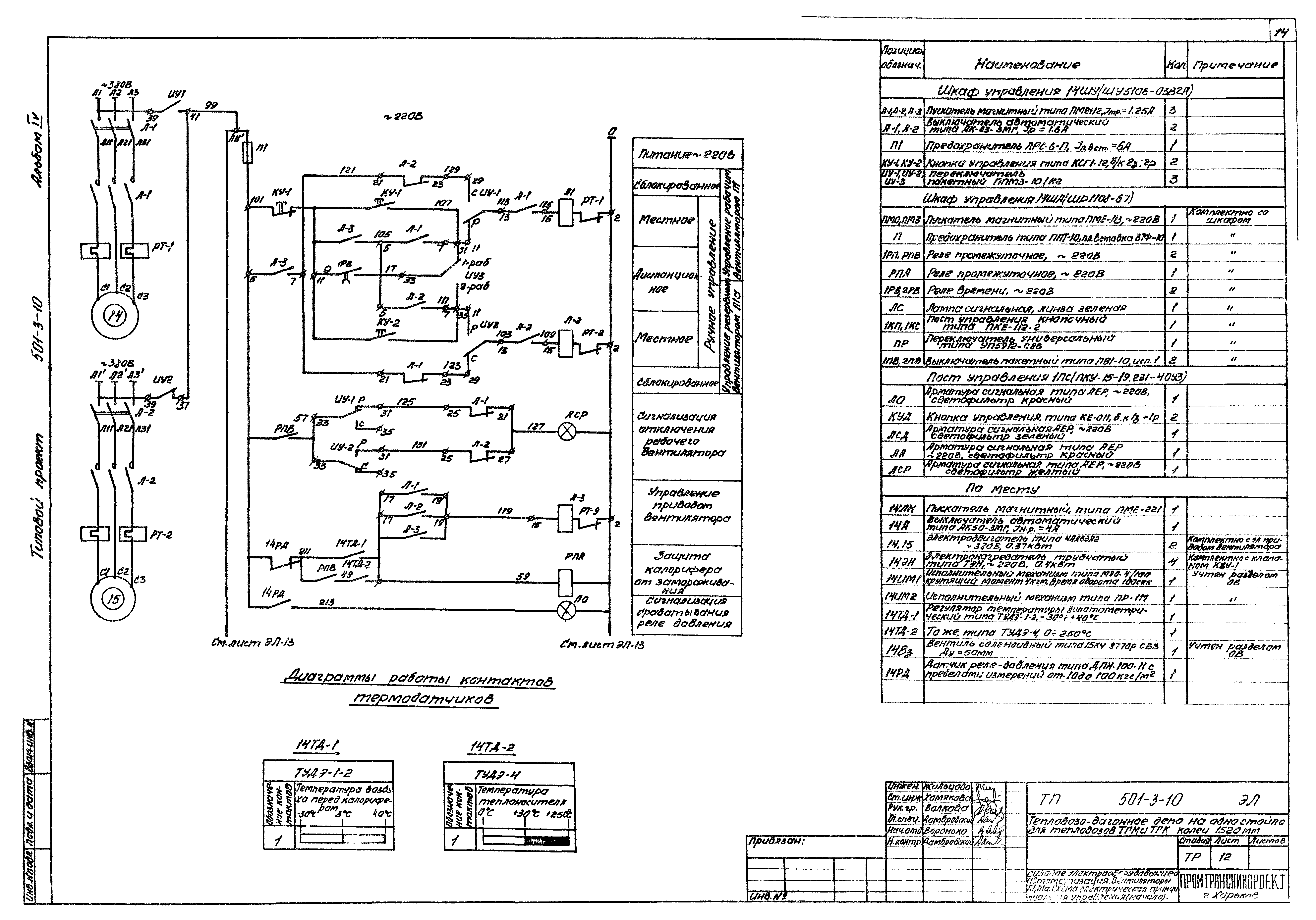
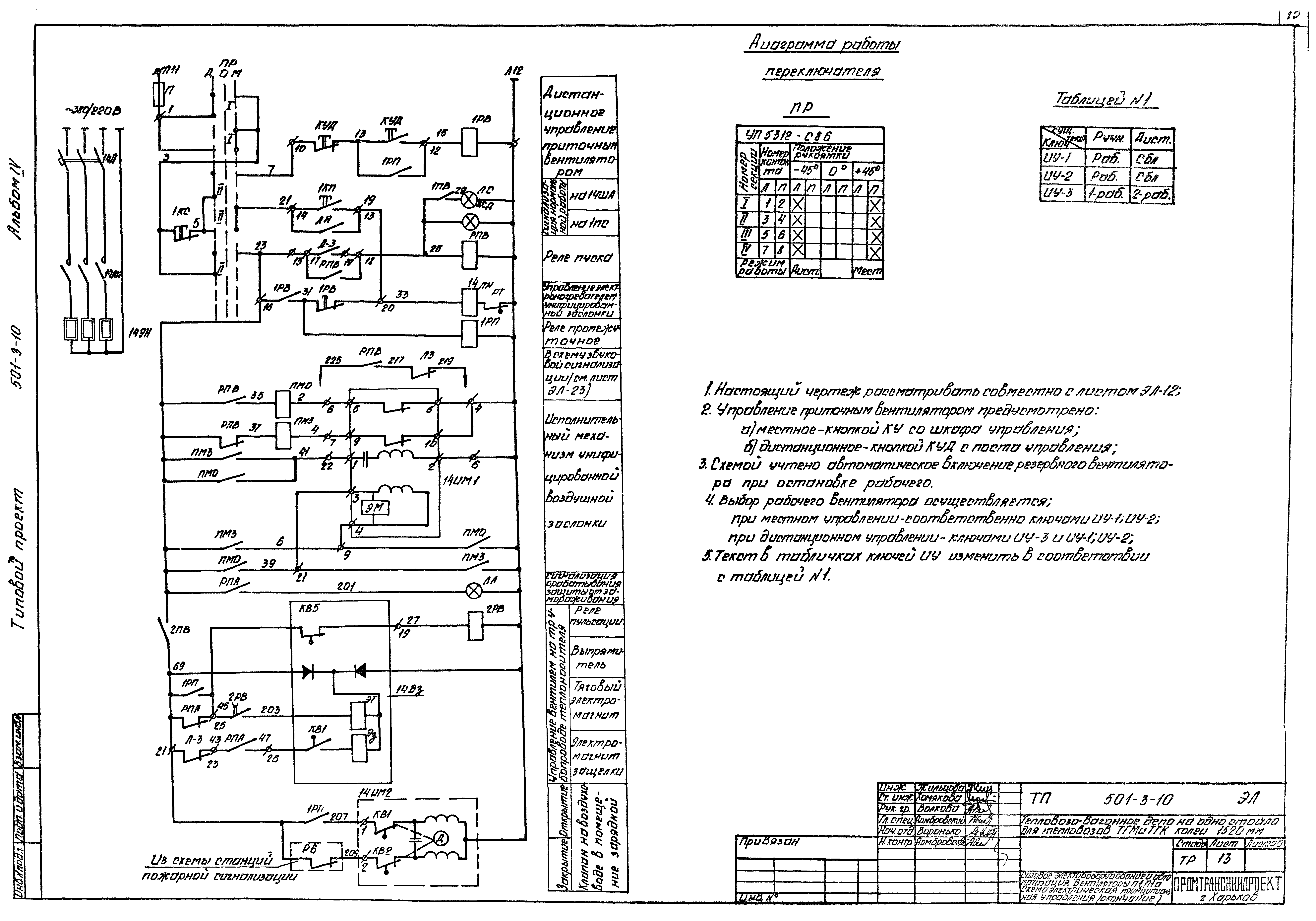
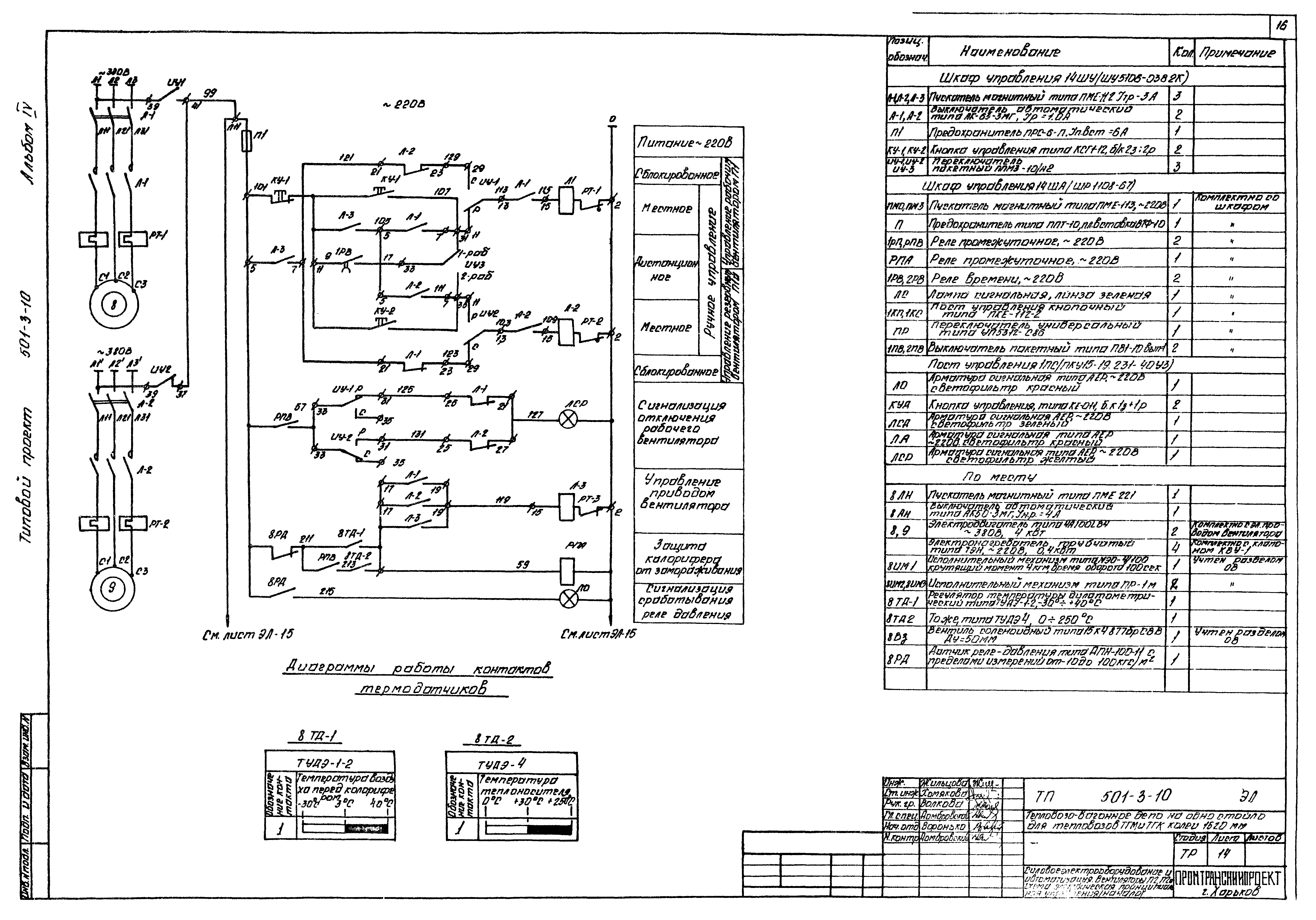
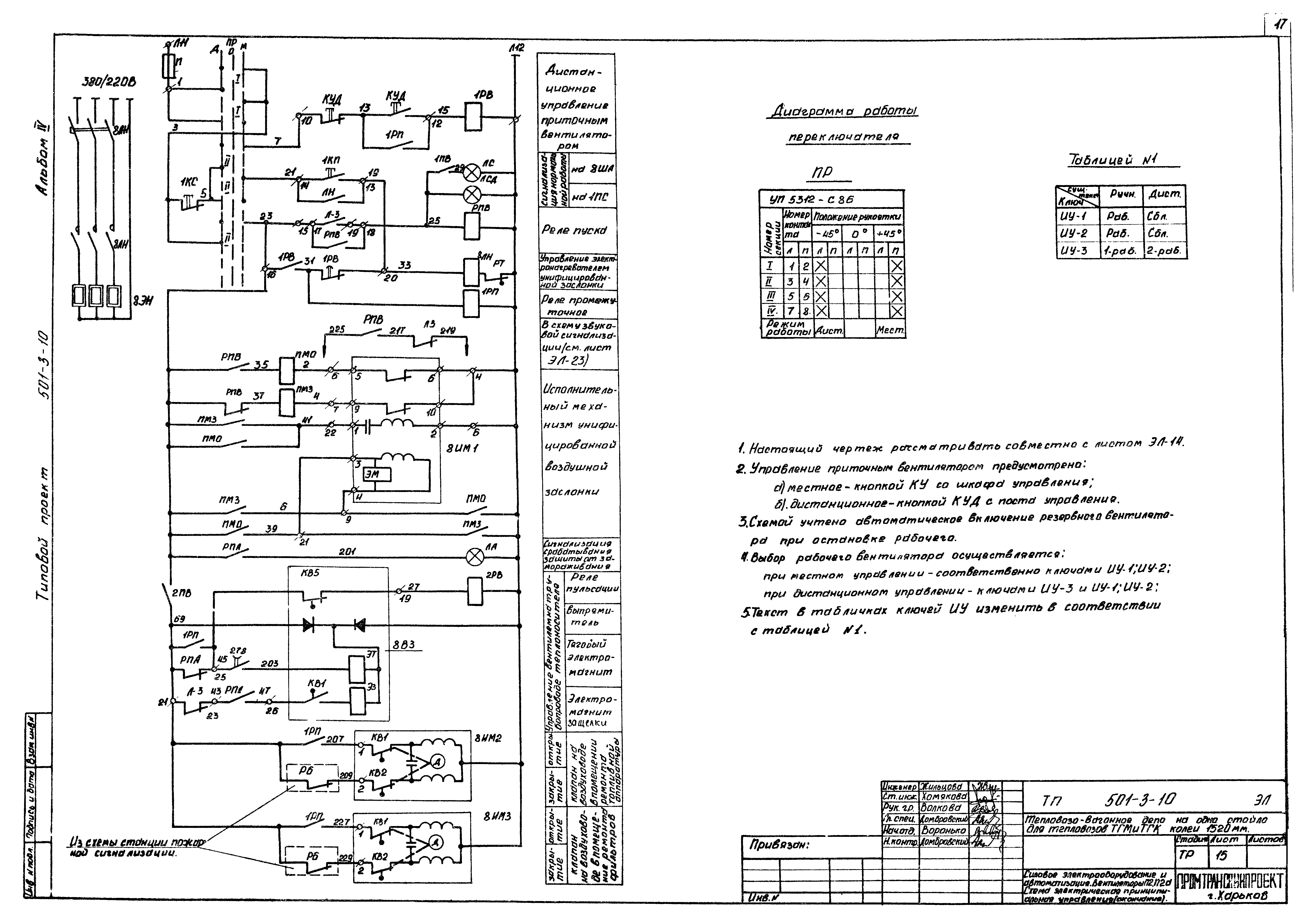
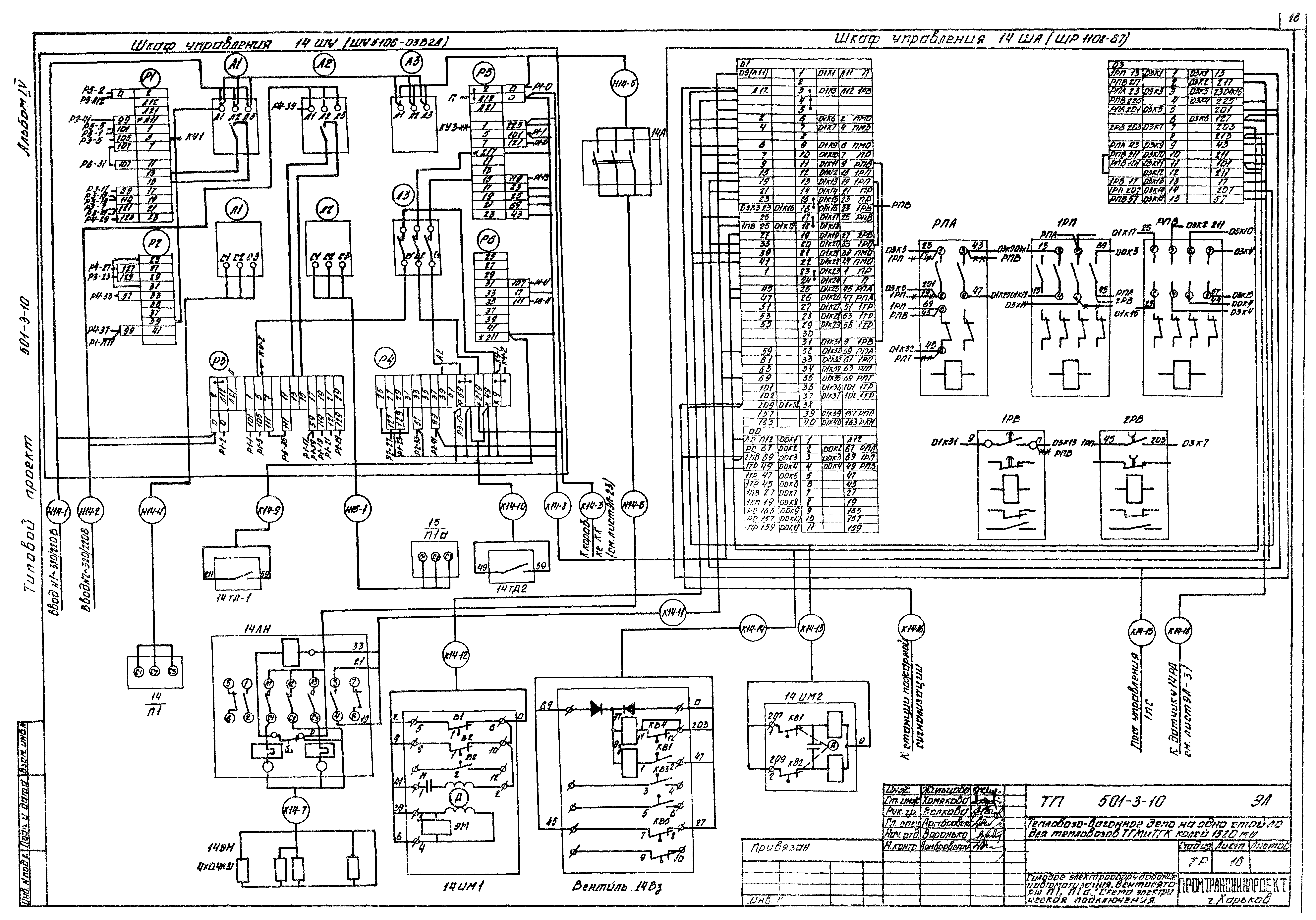
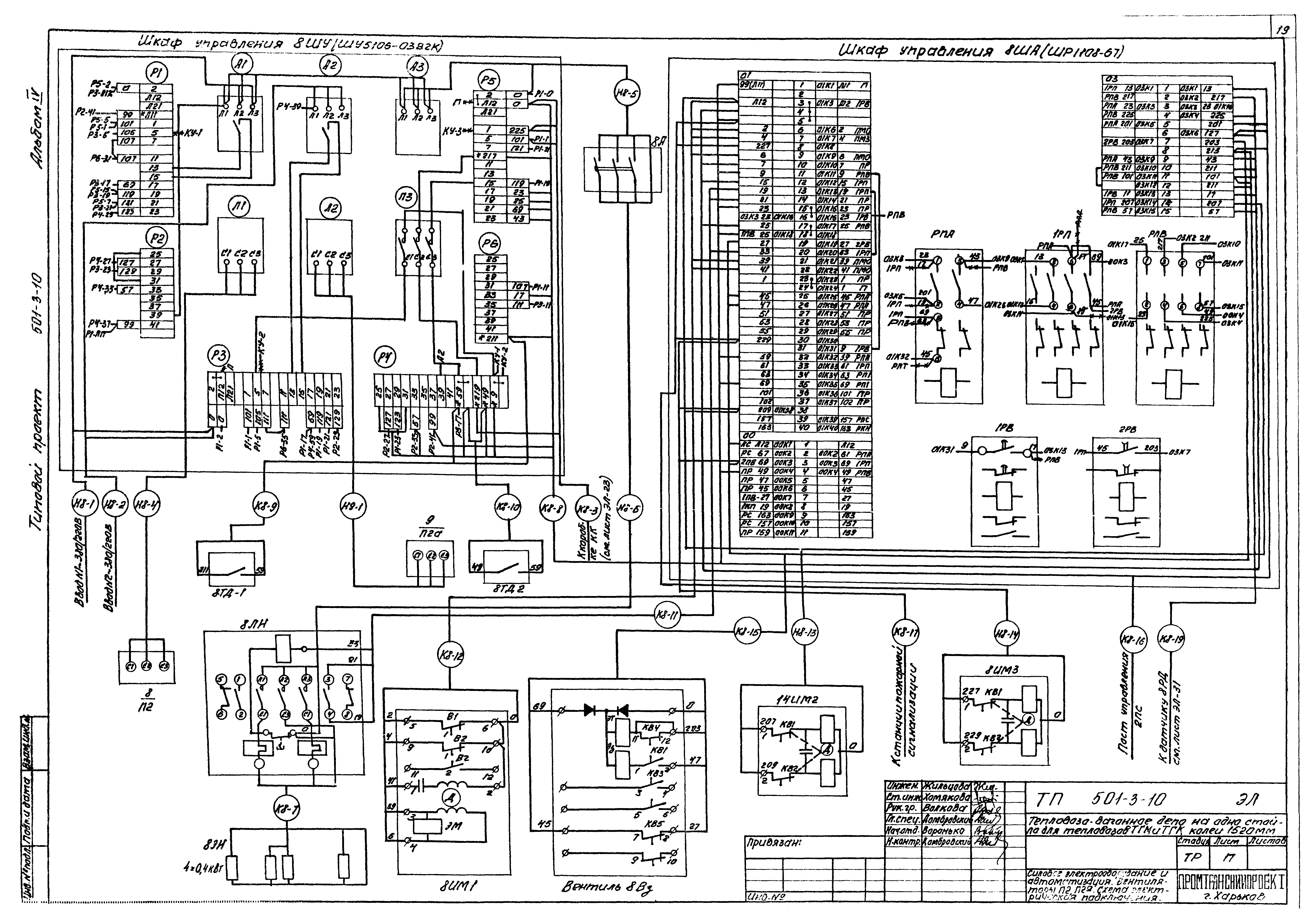
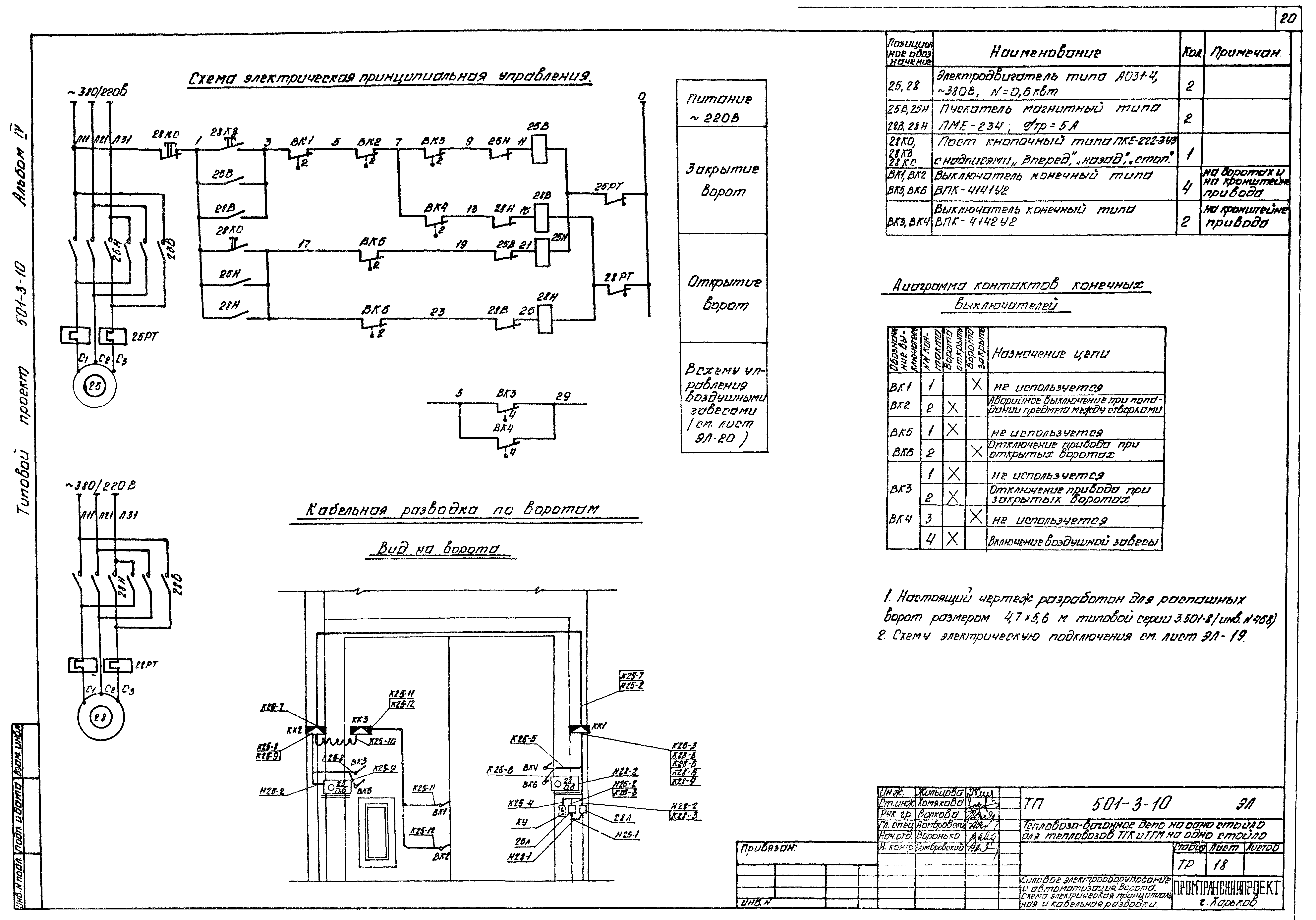
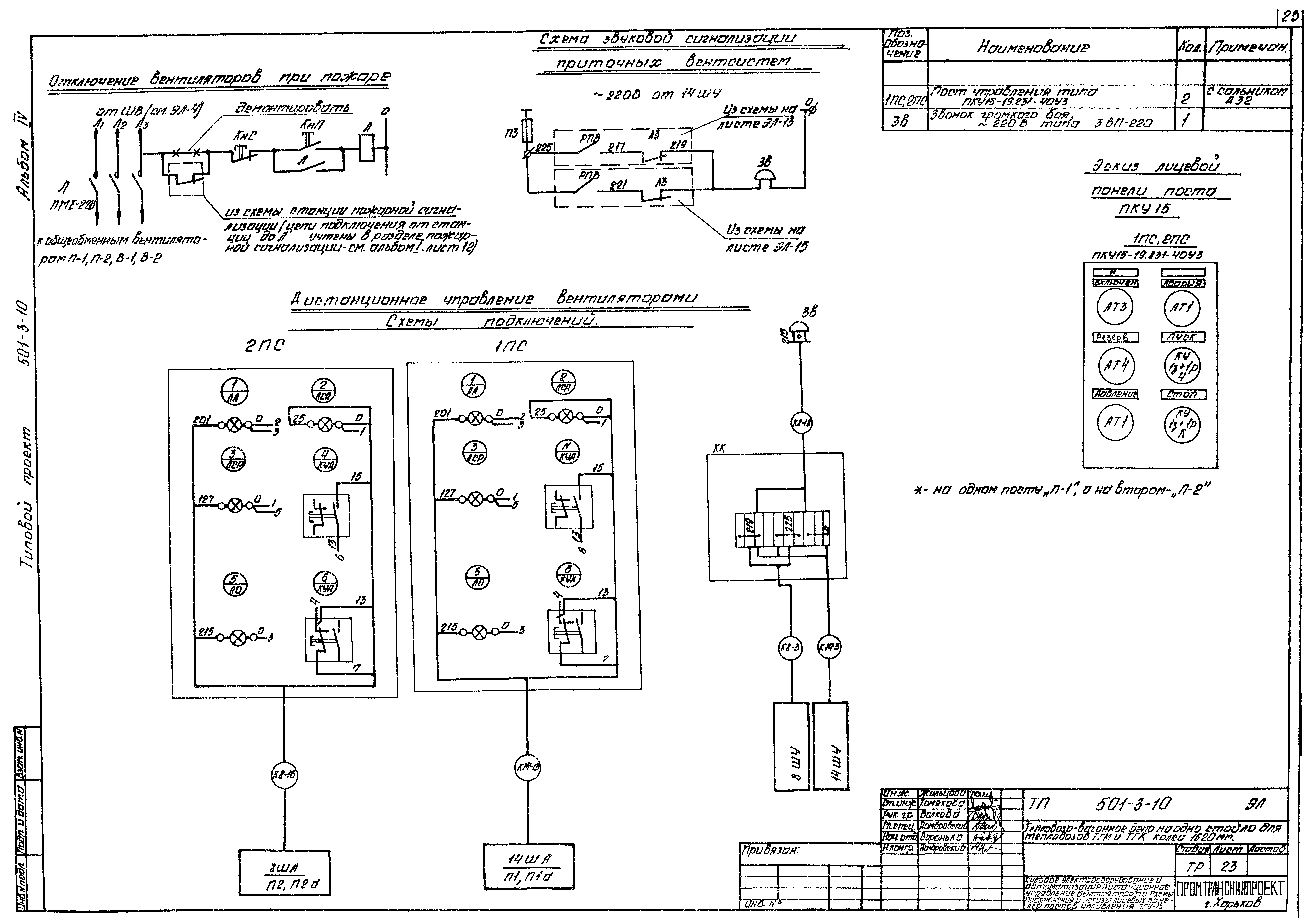
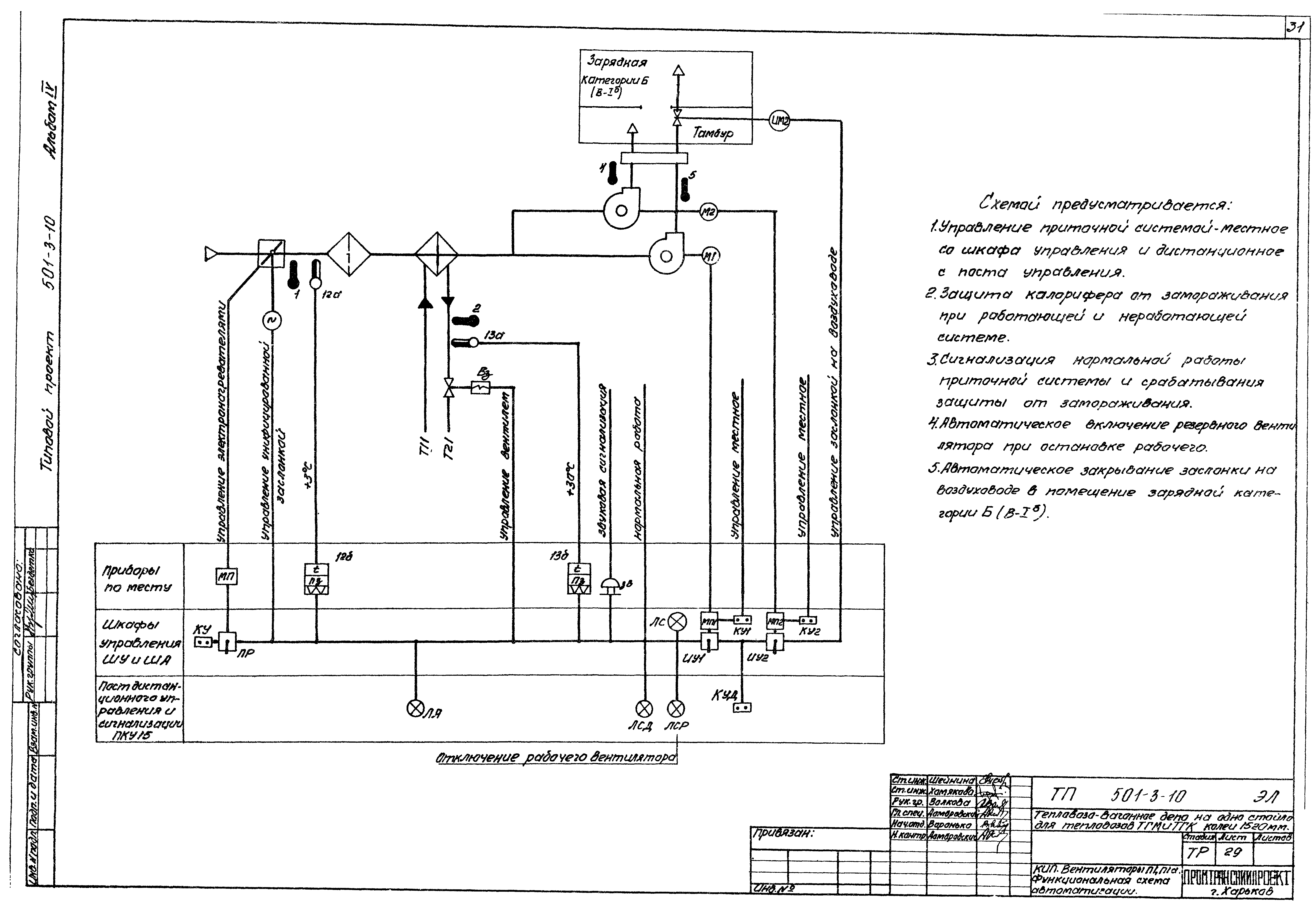
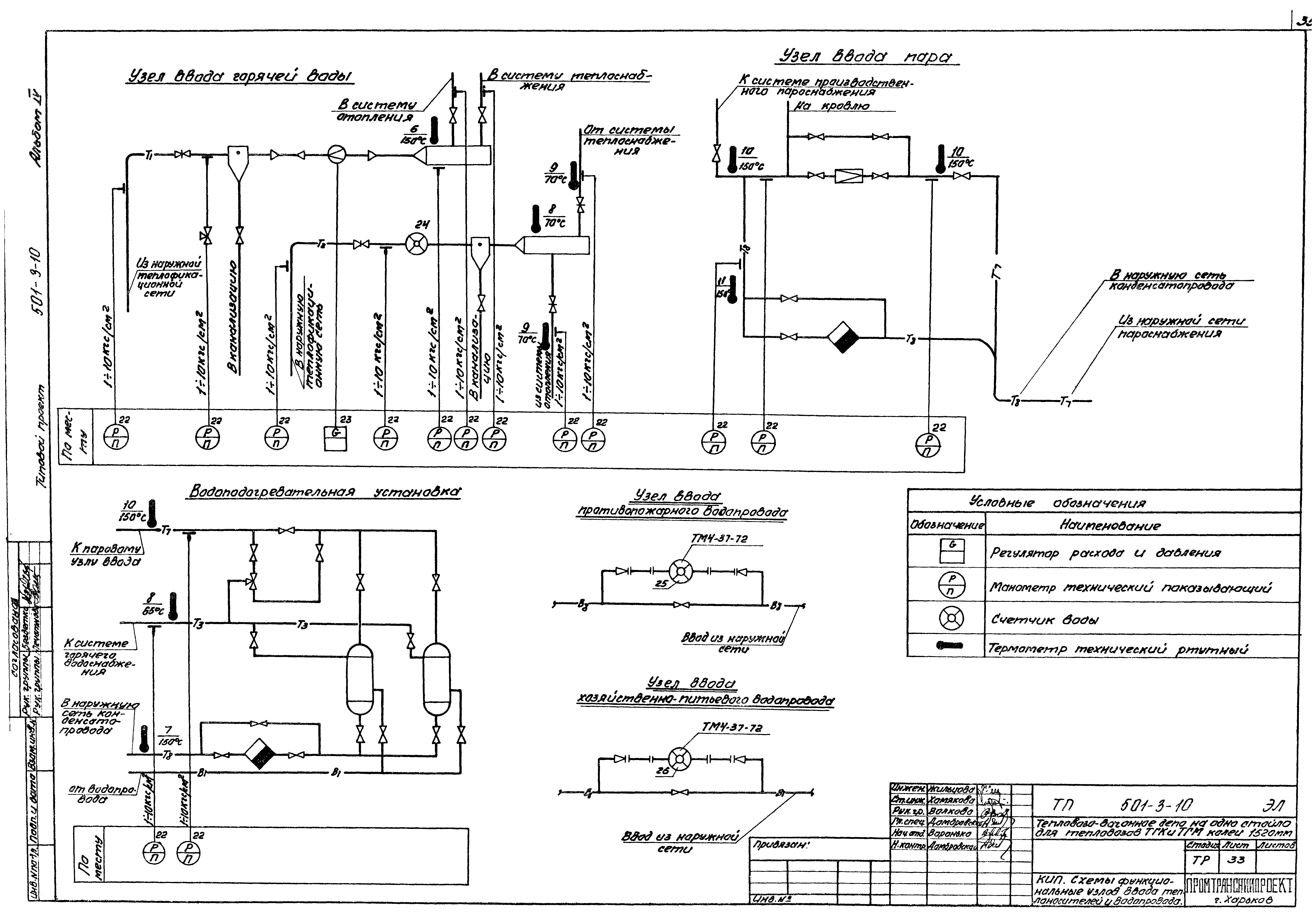
| Оглавление: | Обложка Титульный лист Содержание Перечень чертежей электрической части и автоматизации Общие данные Силовое электрооборудование и автоматизация. Схема принципиальная питающей сети 380/220 В Силовое электрооборудование и автоматизация. Схема принципиальная распределительной сети 380/220 В Силовое электрооборудование и автоматизация. Опросный лист для заказа вводно-распределительного устройства ВРУ Силовое электрооборудование и автоматизация. Вентиляторы В2, В2а. Схема электрическая принципиальная управления Силовое электрооборудование и автоматизация. Вентиляторы В2, В2а. Схема электрическая подключения Силовое электрооборудование и автоматизация. Вентиляторы Р1, Р2. Схемы электрическая принципиальная управления и подключения Силовое электрооборудование и автоматизация. Вентилятор В1. Схемы электрическая принципиальная управления и подключения Силовое электрооборудование и автоматизация. Отопительные агрегаты ОА1 - ОА4. Схемы электрические принципиальная управления и подключения Силовое электрооборудование и автоматизация. Вентиляторы П1, П1а. Схема электрическая принципиальная управления Силовое электрооборудование и автоматизация. Вентиляторы П2, П2а. Схема электрическая принципиальная управления Силовое электрооборудование и автоматизация. Вентиляторы П1, П1а. Схема электрическая подключения Силовое электрооборудование и автоматизация. Вентиляторы П2, П2а. Схема электрическая подключения Силовое электрооборудование и автоматизация. Ворота. Схема электрическая принципиальная управления и кабельная разводка Силовое электрооборудование и автоматизация. Ворота. Схема электрическая подключения Силовое электрооборудование и автоматизация. Воздушная завеса. Схемы электрические принципиальная управления и подключения Силовое электрооборудование и автоматизация. Кабельный журнал Силовое электрооборудование и автоматизация. Дистанционное управление вентиляторами. Схемы подключения и эскизы лицевых панелей ПКУ-15 Силовое электрооборудование и автоматизация. Планы на отм. 0.000 и 5.800 Силовое электрооборудование и автоматизация. Ведомости электрооборудования, материалов и объемов работ Электрическое освещение. Планы на отм. 0.000 и 5.800 Электрическое освещение. Ведомости электрооборудования, материалов, изделий МЭЗ и объемов работ Молниезащита. План кровли, ведомости материалов и объемов работ КИП. Вентиляторы П1, П1а. Функциональная схема автоматизации КИП. Вентиляторы П2, П2а. Функциональная схема автоматизации КИП. Схема внешних электрических и трубных проводок КИП. План расположения средств автоматизации и электрических проводок. Кабельный журнал КИП. Схемы функциональные узлов ввода теплоносителей и водопровода КИП. Ведомости приборов и средств автоматизации, материалов и объемов работ Перечень чертежей устройств связи Общие данные Схема связи Часофикация и телефонизация здания Радиофикация здания Оборудование здания устройствами пожарной сигнализации |
| Разработан: | Промтрансниипроект |
| Утверждён: | 12.03.1981 Госстрой СССР (Государственный комитет Совета Министров СССР по делам строительства) (USSR Gosstroy 14) |










































