Скачать Типовой проект 503-2-10.84 Альбом IV. Автоматизация сантехнических системДата актуализации: 01.01.2021
|
| Обозначение: | Типовой проект 503-2-10.84 |
| Обозначение англ: | 503-2-10.84 |
| Статус: | действует |
| Название рус.: | Альбом IV. Автоматизация сантехнических систем |
| Дата добавления в базу: | 01.09.2013 |
| Дата актуализации: | 01.01.2021 |
| Дата введения: | 01.01.1984 |
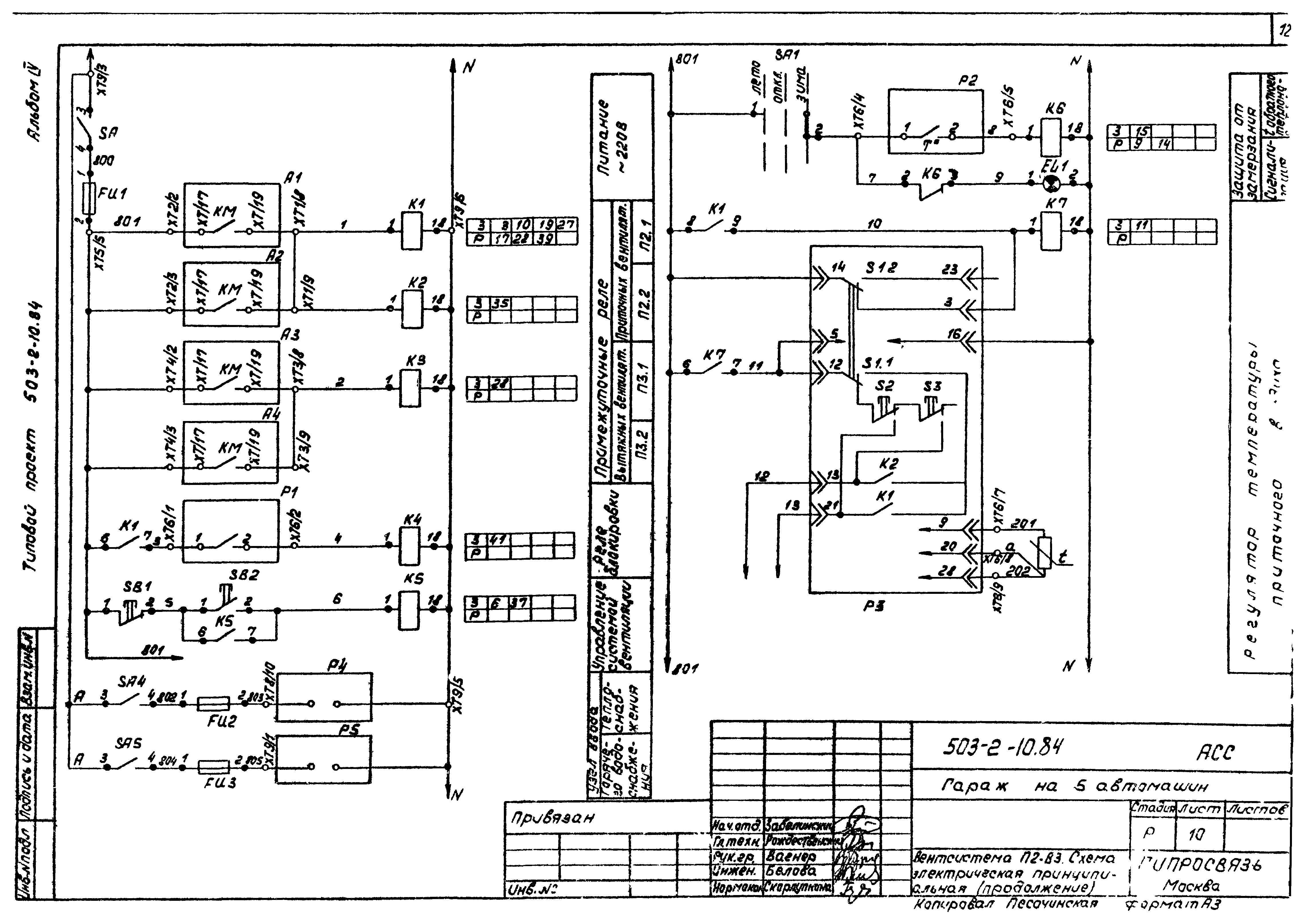
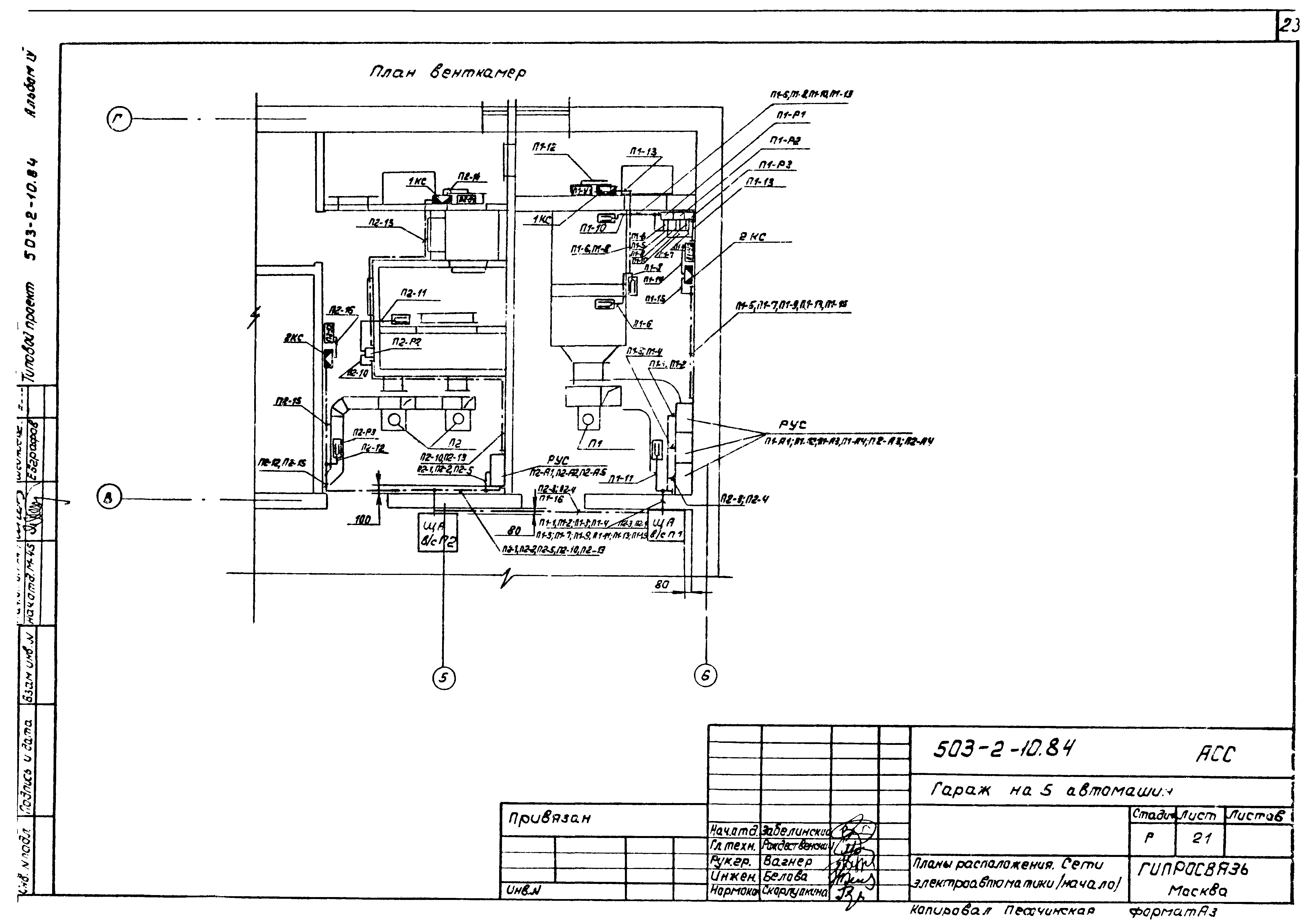
| Оглавление: | Общие данные Вентсистема П1 - В1 - В2. Схема функциональная Вентсистема П2 - В3. Схема функциональная Узел ввода. Схема функциональная Вентсистема П1 - В1 - В2. Схема электрическая принципиальная Вентсистема П2 - В3. Схема электрическая принципиальная Вентсистема П2 - В3. Автоматический ввод резерва. Схема электрическая принципиальная Вентсистема П2 - В3. Гермоклапан. Схема электрическая принципиальная. Схема внешних проводок Вентсистема П1 - В1 - В2. Схема внешних проводок Вентсистема П2 - В3. Схема внешних проводок Планы расположения. Сети электроавтоматики Спецификации оборудования |
| Разработан: | Гипросвязь |
| Утверждён: | 02.08.1983 Министерство связи СССР |































