Скачать Типовой проект 709-9-34.85 Альбом 1. Пояснительная записка. Архитектурно-строительные решения. Электрическое освещение. Связь и сигнализация. Индустриальные строительные изделия. Ведомость потребности в материалах. Спецификация оборудованияДата актуализации: 01.01.2021
|
| Обозначение: | Типовой проект 709-9-34.85 |
| Обозначение англ: | 709-9-34.85 |
| Статус: | не определен законодательством |
| Название рус.: | Альбом 1. Пояснительная записка. Архитектурно-строительные решения. Электрическое освещение. Связь и сигнализация. Индустриальные строительные изделия. Ведомость потребности в материалах. Спецификация оборудования |
| Дата добавления в базу: | 01.09.2013 |
| Дата актуализации: | 01.01.2021 |
| Дата введения: | 01.12.1983 |
| Дата окончания срока действия: | 30.06.2003 |
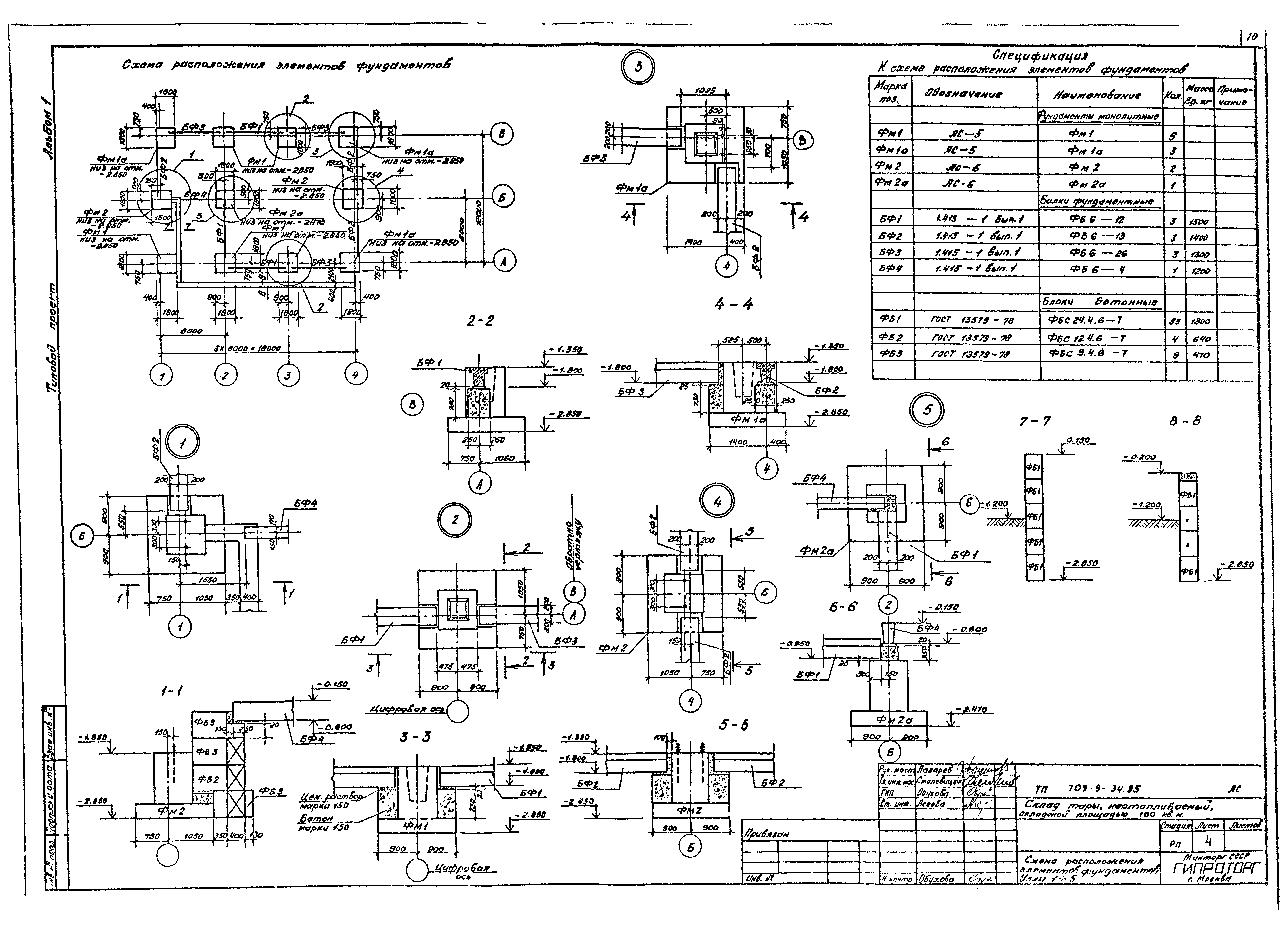
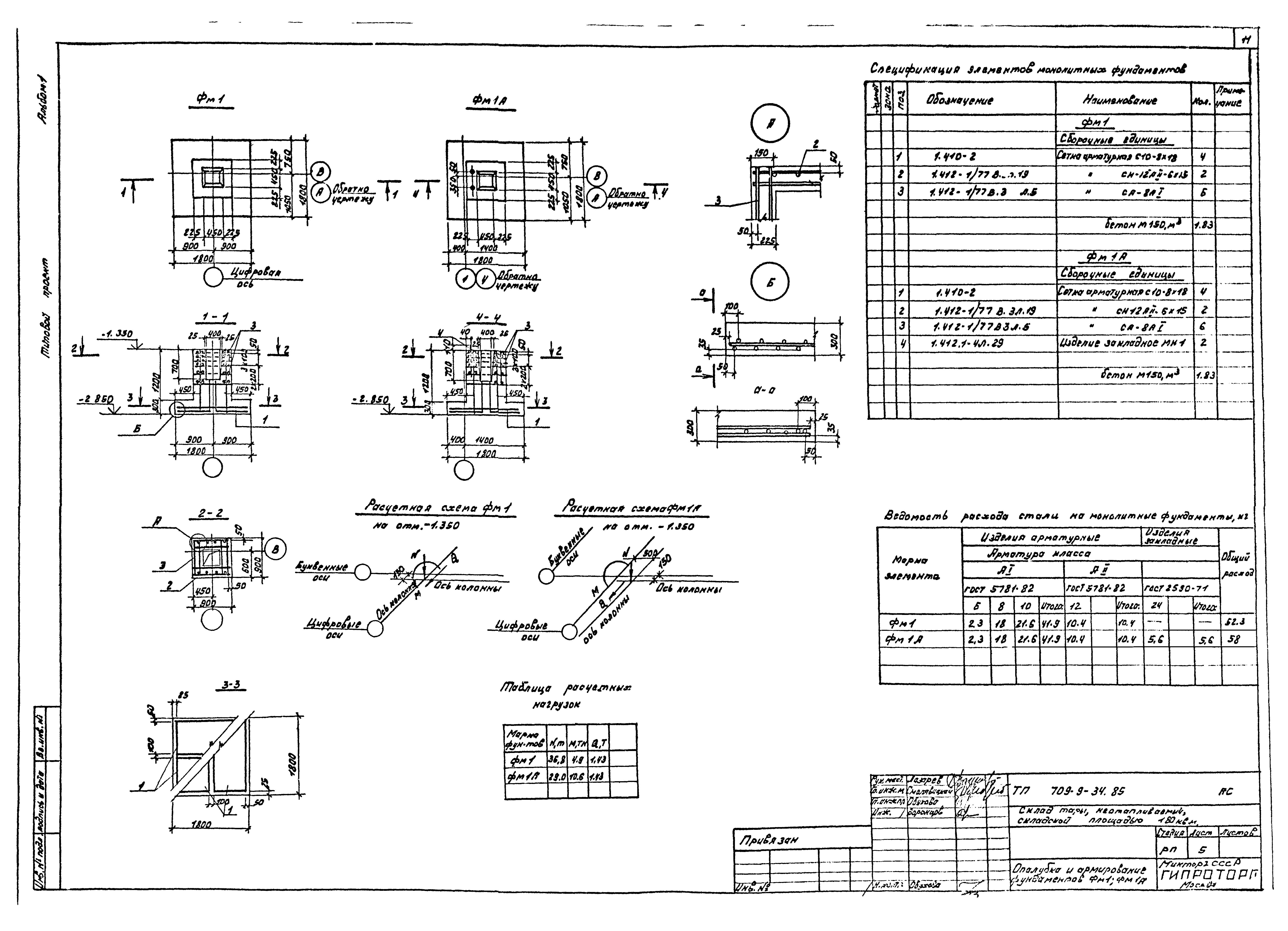
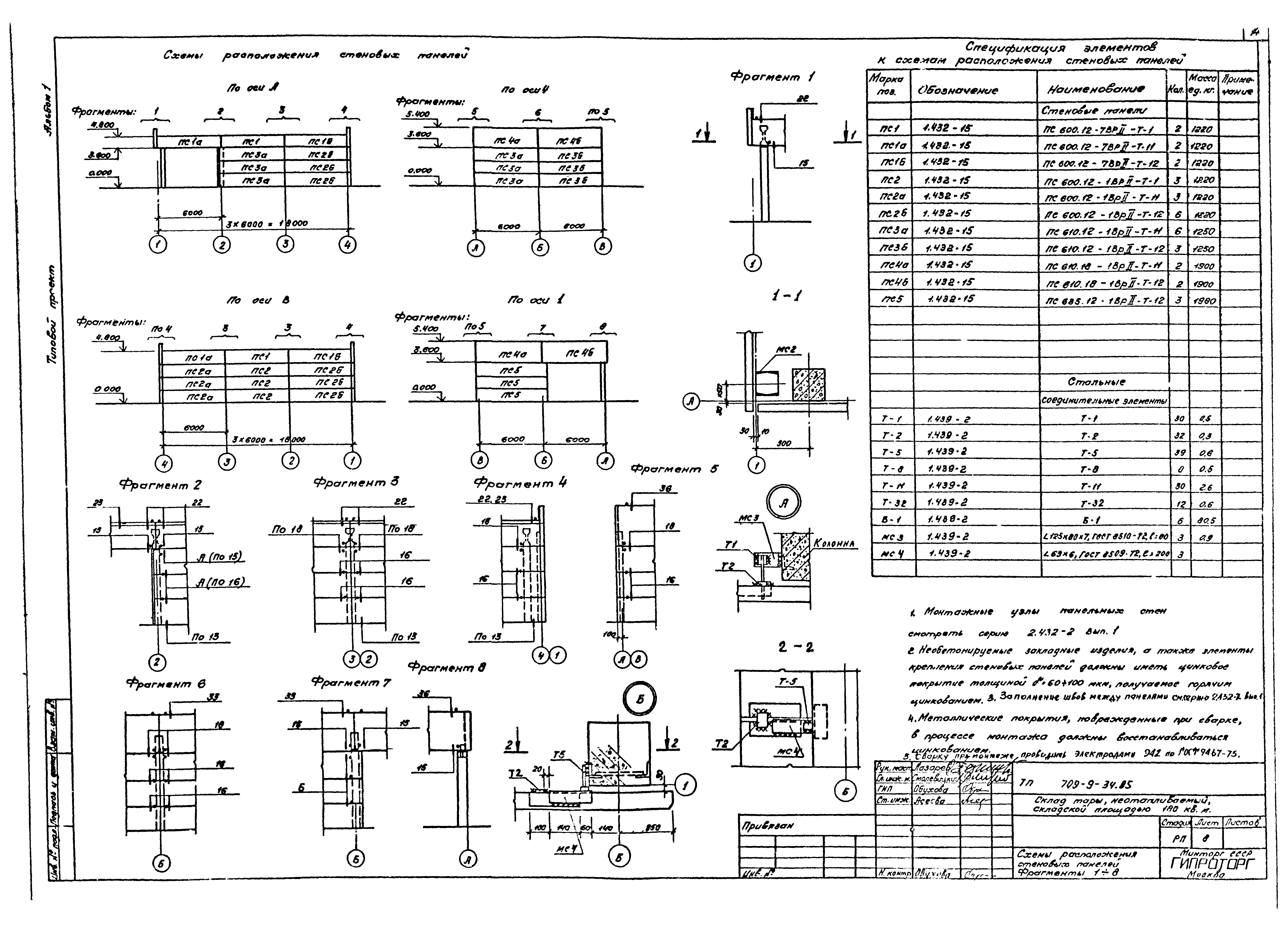
| Оглавление: | Титульный лист Содержание альбома 1 Пояснительная записка Чертежи марки АС Общие данные Фасады. План на отм. 0.000. Разрез 1-1. Узлы 1 - 5 Схема расположения элементов фундаментов. Узлы 1 - 5 Опалубка и армирование фундаментов Фм1, Фм1а Опалубка и армирование фундаментов Фм2, Фм2а Схемы расположения элементов каркаса, покрытия Схемы расположения стеновых панелей. Фрагменты 1 - 8 Чертежи марки ЭО Общие данные. План сети освещения Чертежи марки СС Общие данные. План сети пожарной сигнализации Чертежи марки КЖИ Колонна К (К48-7а) Колонна К (К48-7а). Сборочный чертеж Колонна К (К48-7б) Колонна К (К48-7б). Сборочный чертеж Колонна К (К48-7в) Колонна К (К48-7в). Сборочный чертеж Колонна К (К48-7г) Колонна К (К48-7г). Сборочный чертеж Колонна К (КФ7-1а) Колонна К (КФ7-1а). Сборочный чертеж Балка Б (1БСП12-2ВрIIа) Плита П (ПГ-2ВрIIп-1а) Плита П (ПГ-2ВрIIп-2б) Плита П (ПГ-2ВрIIп-2в) Изделие соединительное (МС-1) Изделие соединительное (МС-2) Выборка стали на дополнительные закладные изделия элемента Ведомости потребности в материалах ВМ Ведомость потребности в строительных материалах Ведомость потребности в материалах на изготовление сборных железобетонных элементов Ведомость потребности в материалах на изготовление монолитных железобетонных элементов Ведомости потребности в электромонтажных изделиях Ведомости потребности в материалах Спецификация оборудования Спецификация электротехнического оборудования Спецификация оборудования |
| Разработан: | Гипроторг |
| Утверждён: | 28.10.1983 Министерство торговли СССР (USSR Ministry of Commerce 7) |























