Скачать Типовой проект 903-4-72.13.87 Альбом IV. Раздел IV-5. Низковольтные комплектные устройства. Щит автоматики № 5. Два повысительно-циркуляционных насоса горячего водоснабжения (вариант 2)Дата актуализации: 01.01.2021
|
| Обозначение: | Типовой проект 903-4-72.13.87 |
| Обозначение англ: | 903-4-72.13.87 |
| Статус: | действует |
| Название рус.: | Альбом IV. Раздел IV-5. Низковольтные комплектные устройства. Щит автоматики № 5. Два повысительно-циркуляционных насоса горячего водоснабжения (вариант 2) |
| Дата добавления в базу: | 01.09.2013 |
| Дата актуализации: | 01.01.2021 |
| Дата введения: | 04.08.1986 |
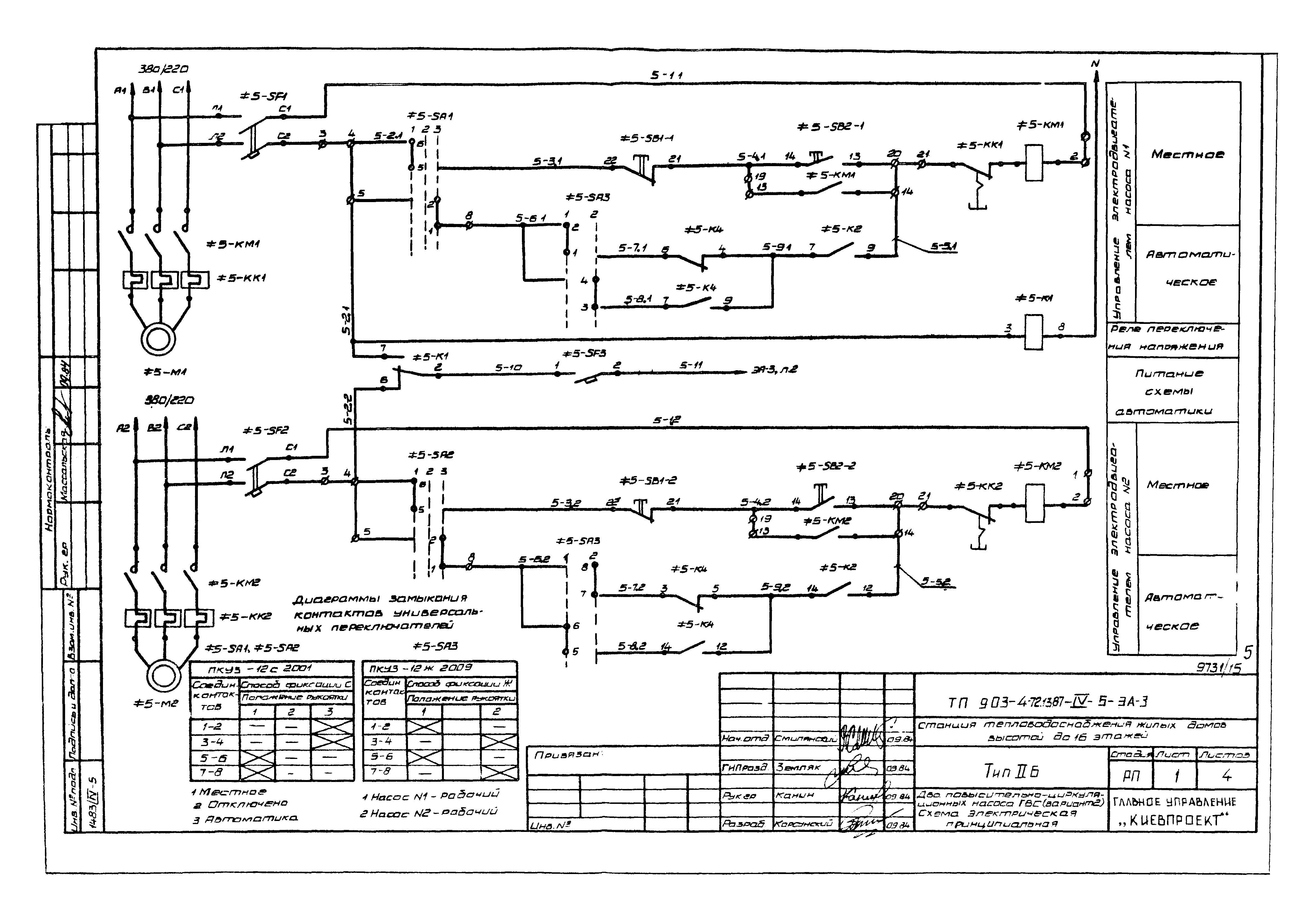
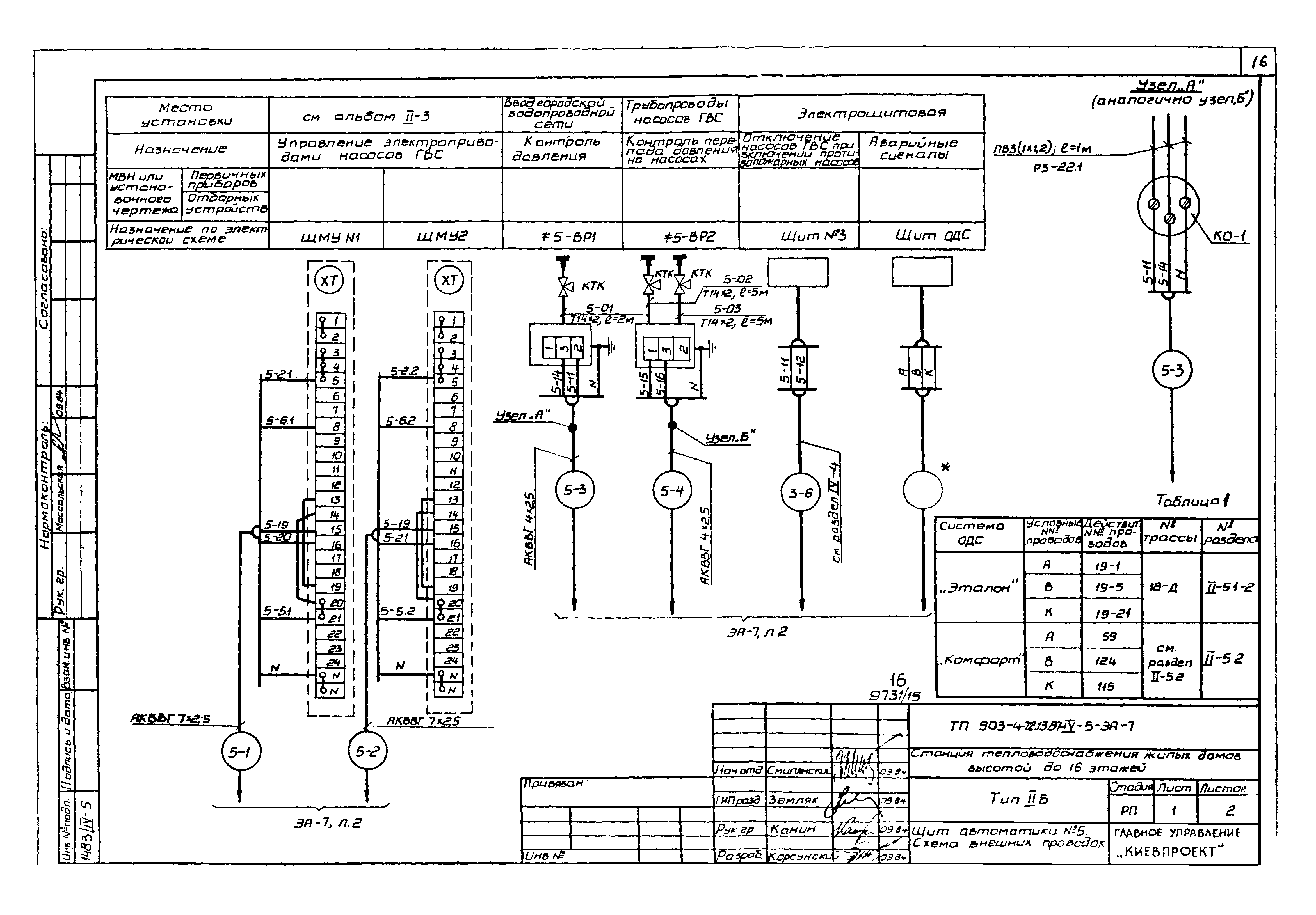
| Оглавление: | Общие данные Два повысительно-циркуляционных насоса ГВС (вариант 2). Схема функциональная Два повысительно-циркуляционных насоса ГВС (вариант 2). Схема электрическая принципиальная Щит автоматики №5. Общий вид Щит автоматики №5. Таблица соединений Щит автоматики №5. Таблица подключения Щит автоматики №5. Схема внешних проводок |
| Разработан: | Киевпроект Киевского горисполкома |
| Утверждён: | 25.07.1986 Госстрой УССР (UkrSSR Gosstroy 143) |

















