Скачать Типовой проект 903-4-72.13.87 Альбом IV. Раздел IV-15. Низковольтные комплектные устройства. Щит КИП № 16. Тепловой учет (вариант 1)Дата актуализации: 01.01.2021
|
| Обозначение: | Типовой проект 903-4-72.13.87 |
| Обозначение англ: | 903-4-72.13.87 |
| Статус: | действует |
| Название рус.: | Альбом IV. Раздел IV-15. Низковольтные комплектные устройства. Щит КИП № 16. Тепловой учет (вариант 1) |
| Дата добавления в базу: | 01.09.2013 |
| Дата актуализации: | 01.01.2021 |
| Дата введения: | 04.08.1986 |
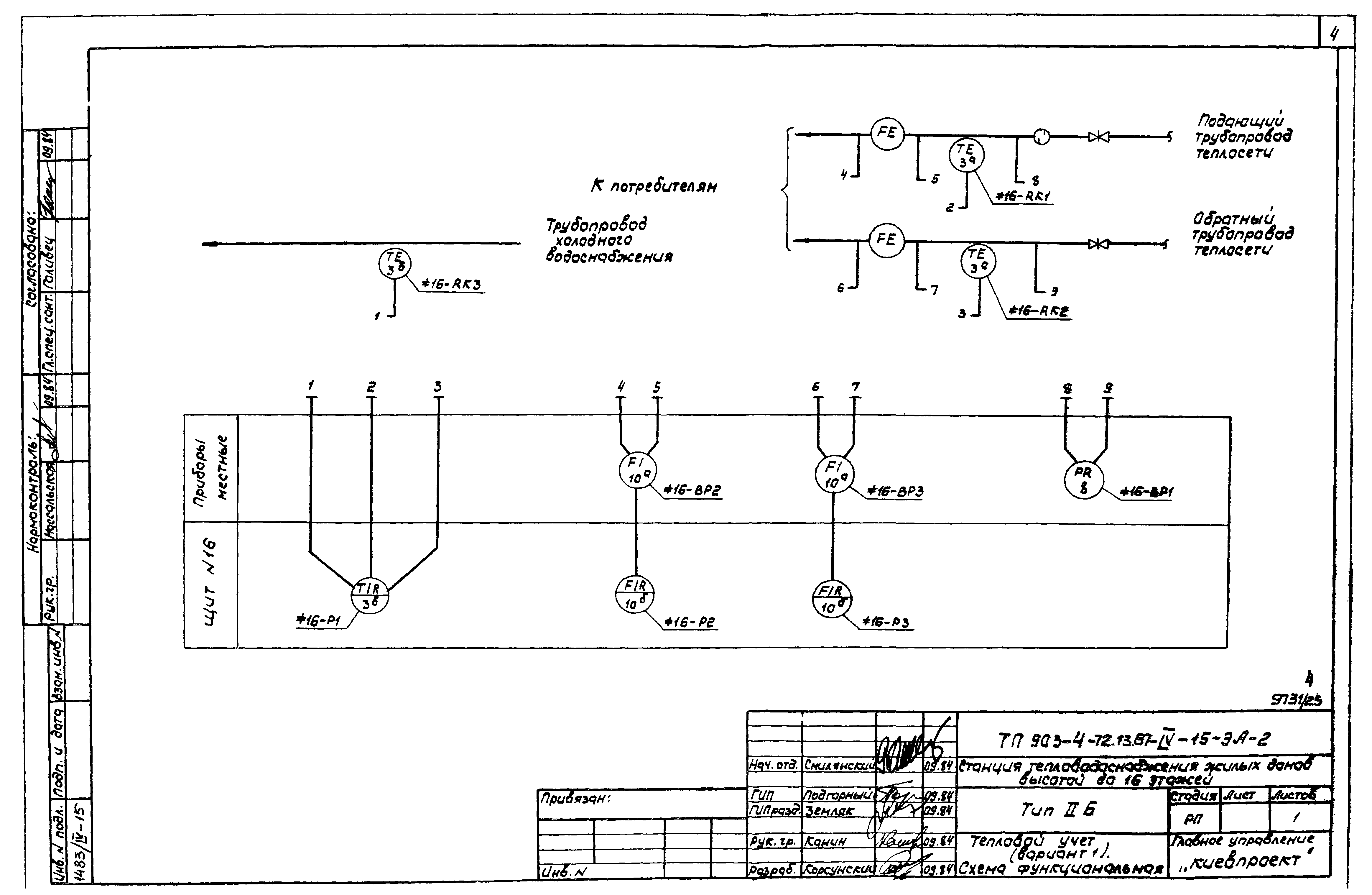
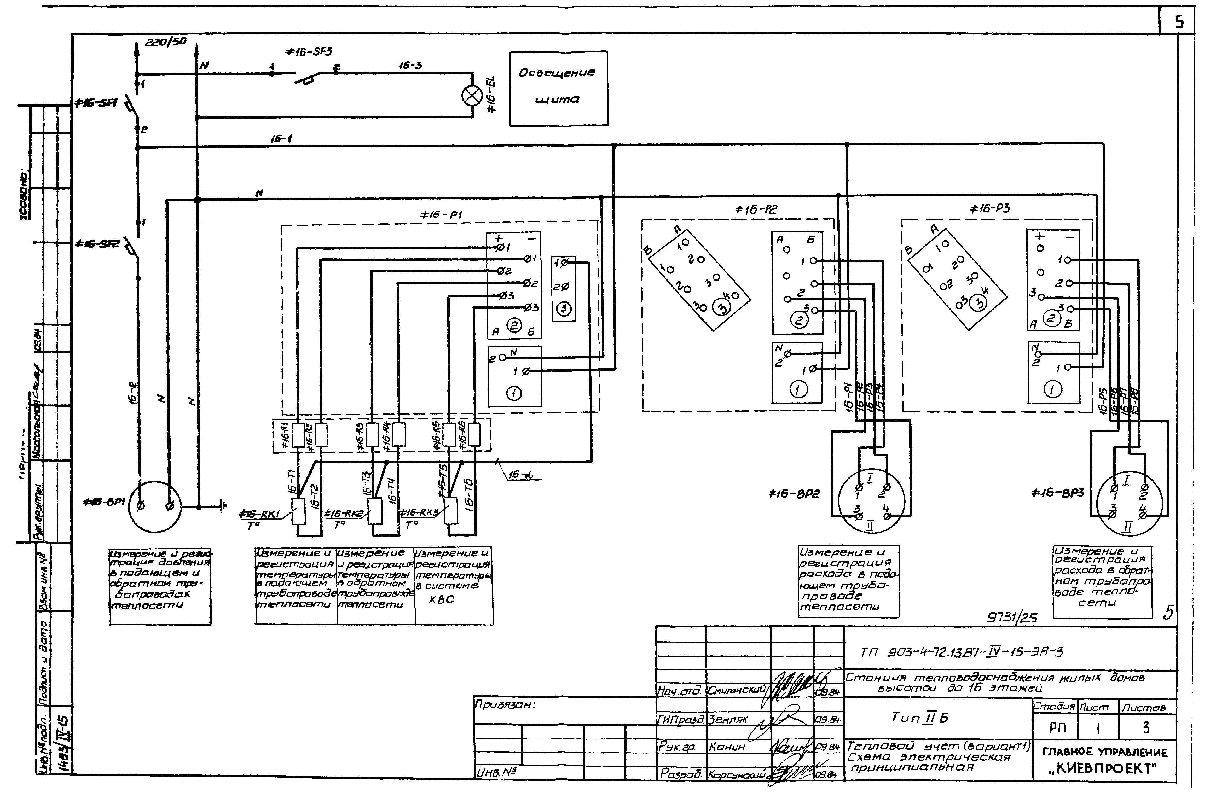
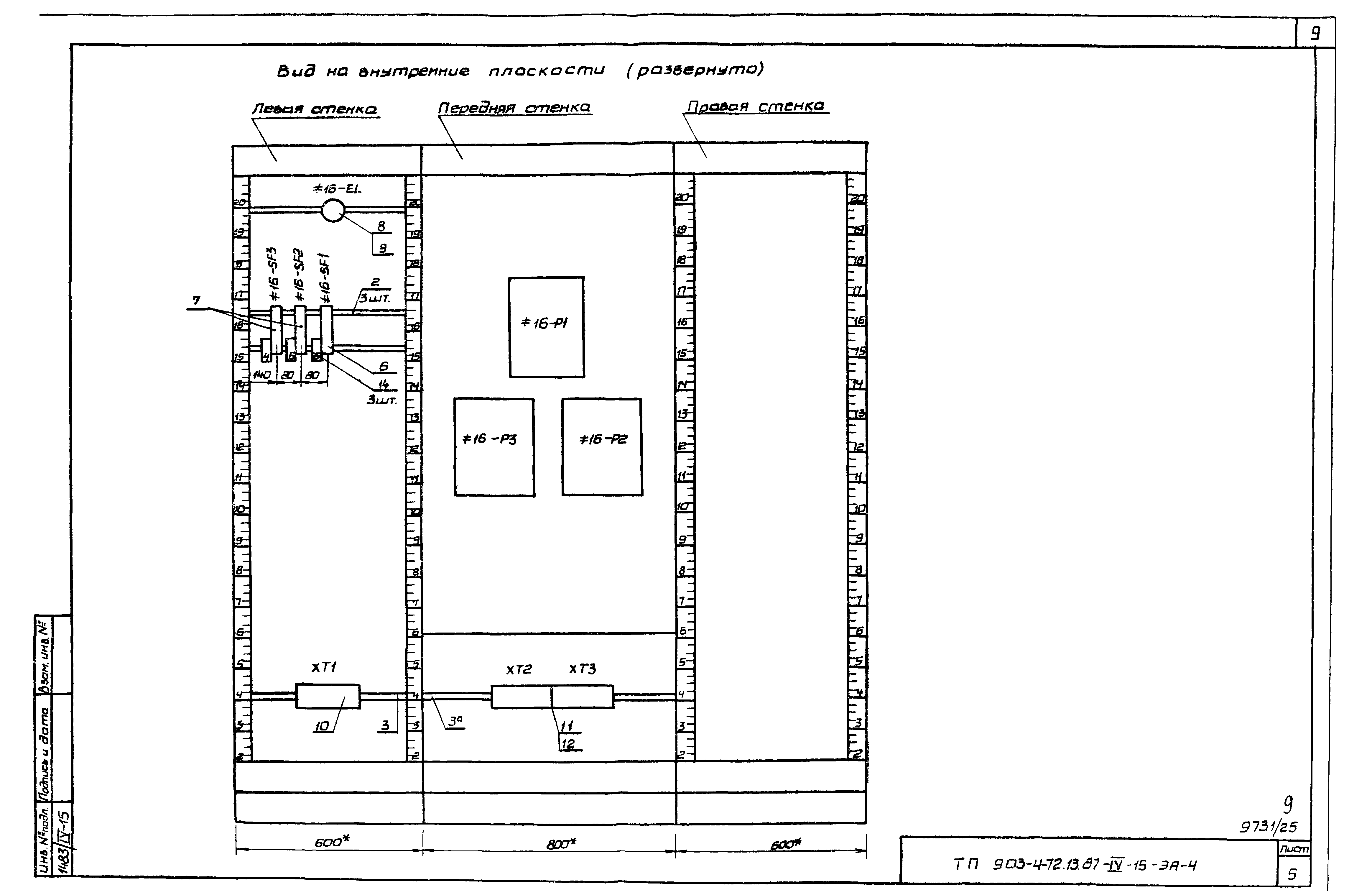
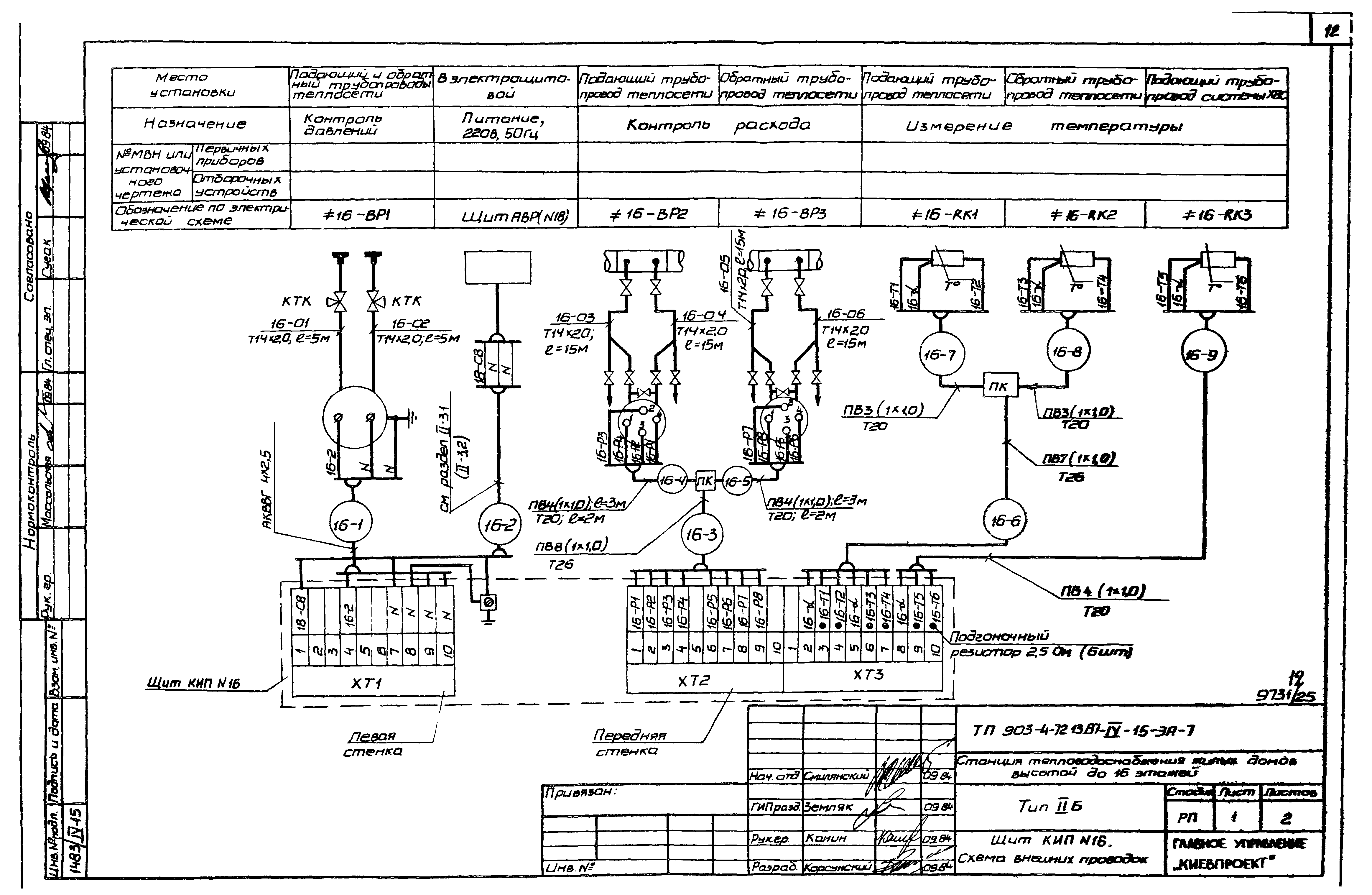
| Оглавление: | Общие данные Тепловой учет (вариант 1). Схема функциональная Тепловой учет (вариант 1). Схема электрическая принципиальная Щит КИП №16. Общий вид Щит КИП №16. Таблица соединений Щит КИП №16. Таблица подключения Щит КИП №16. Схема внешних проводок |
| Разработан: | Киевпроект Киевского горисполкома |
| Утверждён: | 25.07.1986 Госстрой УССР (UkrSSR Gosstroy 143) |













