Скачать Серия 3.505-11 Выпуск 2. Альбом I. Стальные конструкции. Общая частьДата актуализации: 01.01.2021
|
| Обозначение: | Серия 3.505-11 |
| Обозначение англ: | Series 3.505-11 |
| Статус: | не действует |
| Название рус.: | Выпуск 2. Альбом I. Стальные конструкции. Общая часть |
| Дата добавления в базу: | 01.09.2013 |
| Дата актуализации: | 01.01.2021 |
| Дата введения: | 29.03.1974 |
| Дата окончания срока действия: | 01.09.1981 |
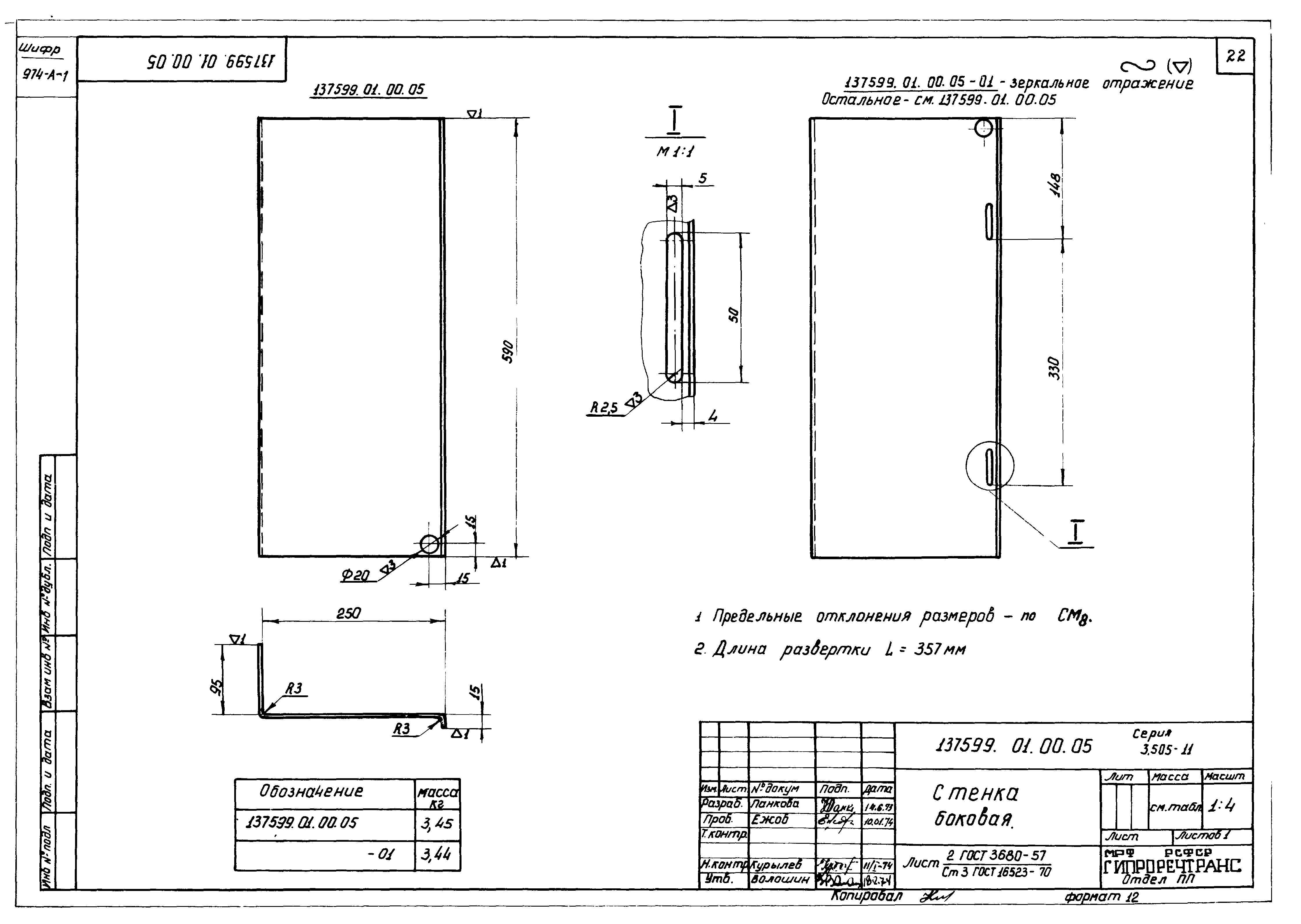
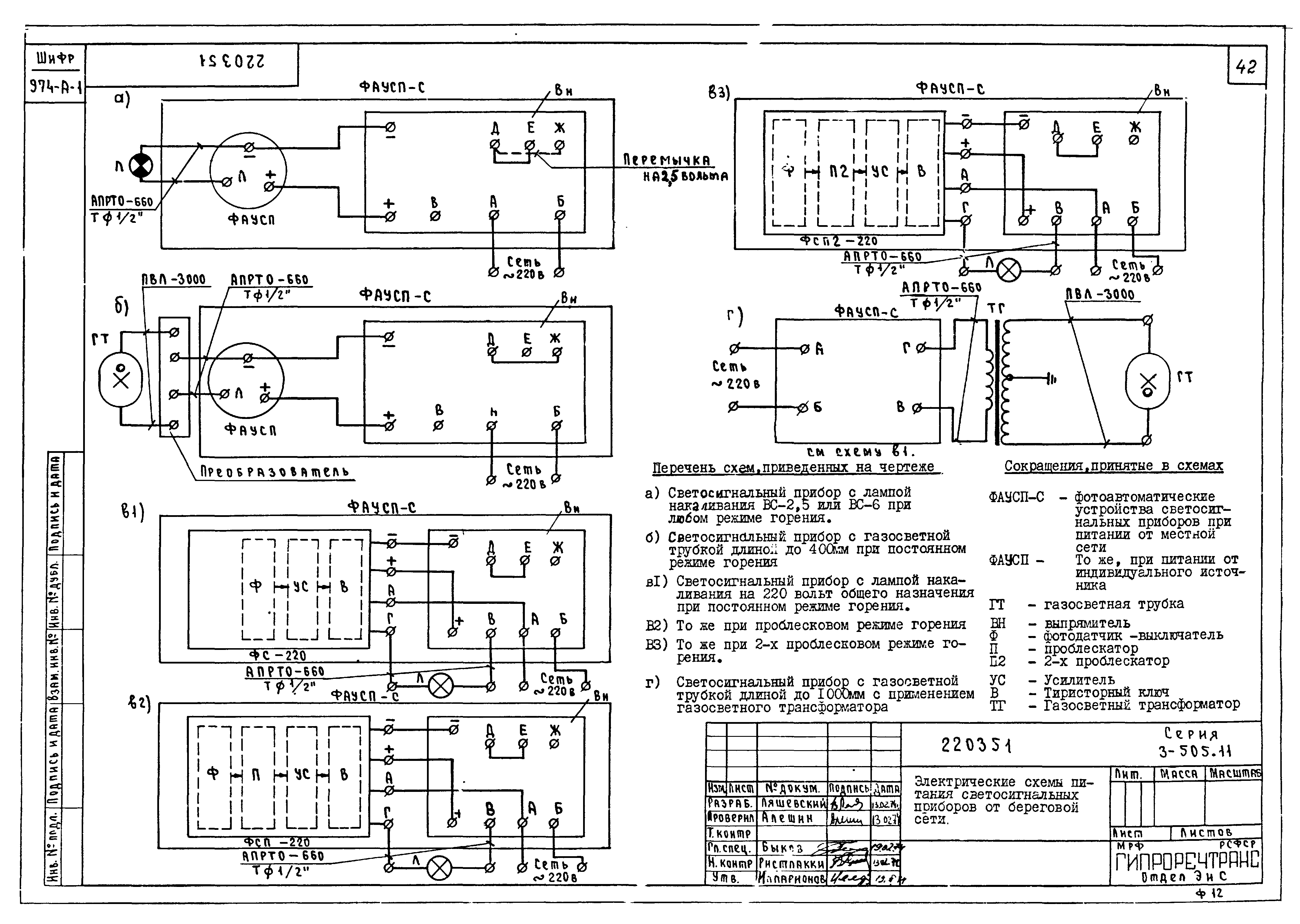
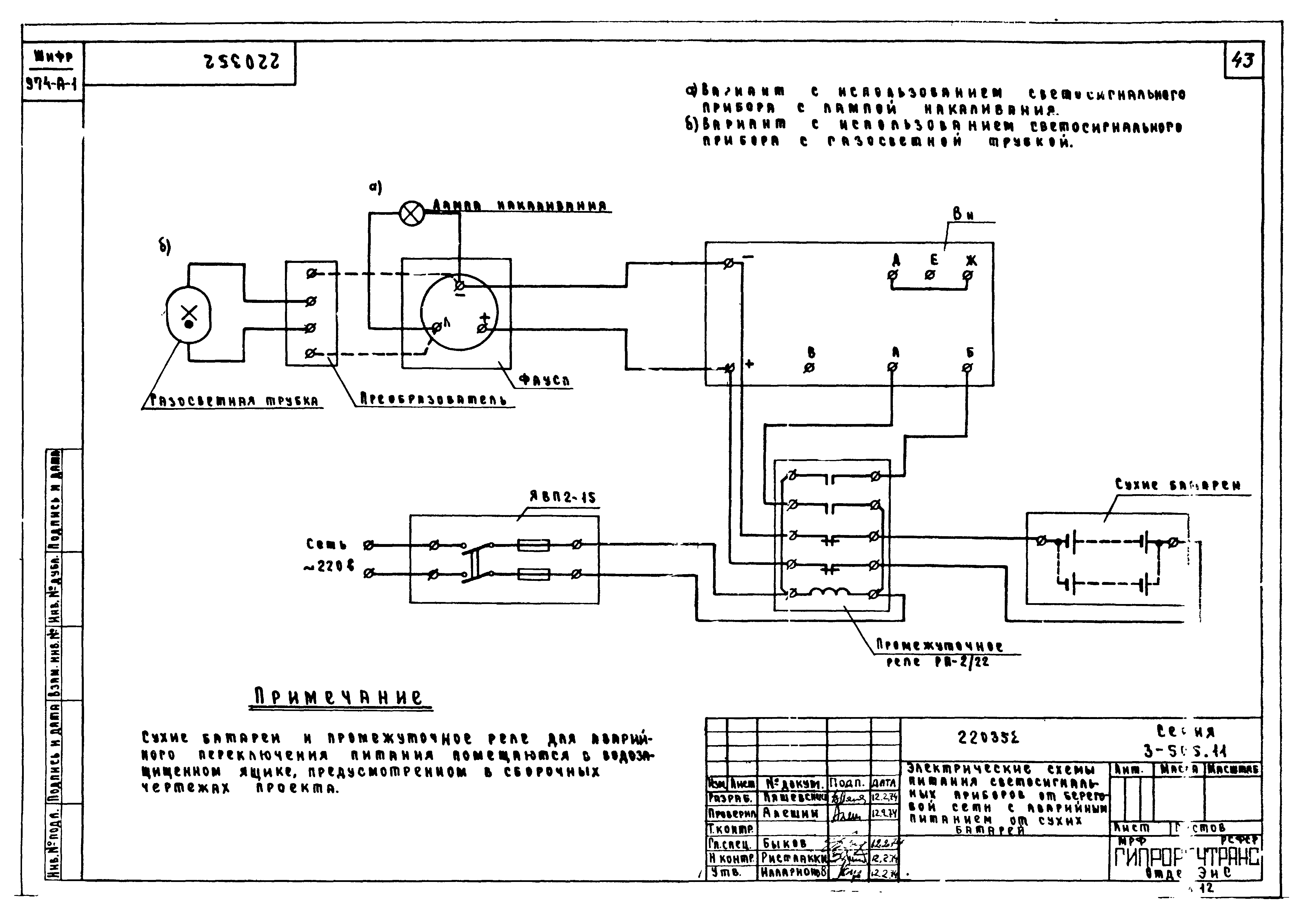
| Оглавление: | ДС Содержание альбома I ПЗ Пояснительная записка 137599.00.00.00 Шкаф (спецификация) 137599.00.00.01 Ключ 137599.00.00.00СБ Шкаф. Сборочный чертеж 137599.01.00.00 Корпус (спецификация) 137599.01.00.00СБ Корпус. Сборочный чертеж 137599.01.00.01 Уголок 137599.01.00.02 Ось 137599.01.00.03 Коробка 137599.01.00.05 Стенка боковая 137599.01.00.06 Стенка 137599.01.00.07 Полка 137599.01.00.08 Обшивка 137599.02.00.00 Крышка (спецификация) 137599.02.00.00СБ Крышка. Сборочный чертеж 137599.02.00.01 Корпус крышки 137599.02.00.02 Полупетля 137599.02.00.03 Защелка 137599.02.00.04 Палец 137599.02.00.05 Втулка 137600.00.00.00 Рычаг (спецификация) 137600.00.00.00СБ Рычаг. Сборочный чертеж 137600.01.00.00 Обойма (спецификация) 137600.01.00.03 Ухо 137600.01.00.00СБ Обойма. Сборочный чертеж 137600.00.00.01 Блок 137600.00.00.02 Втулка 137600.00.00.03 Тяга 137600.00.00.04 Крюк 137600.01.00.01 Скоба 137600.01.00.02 Ограничитель 137630.00 Стремянка (спецификация) 137630.05 Скоба 137630.00СБ Стремянка. Сборочный чертеж 220348 Таблица для выбора светосигнального оборудования знаков при питании от индивидуального источника 220349 Электрические схемы питания светосигнальных приборов от индивидуального источника. Молниезащита 220350 Таблица для выбора светосигнального оборудования знаков при питании от береговой сети 220351 Электрические схемы питания светосигнальных приборов от береговой сети 220352 Электрические схемы питания светосигнальных приборов от береговой сети с аварийным питанием от сухих батарей 220353 Молниезащита, заземление, выбор монтажных изделий оборудования знаков при питании от береговой сети 137597.ДА Створные знаки III с опорой сечением 0,5х0,5 и 0,8х0,8 м высотой 7,5 - 15,0 м. Подъем знака автокраном 137597.ДР Створные знаки III с опорой сечением 0,8х0,8 м высотой 17,5 - 32,0 м. Подъем знака ручной лебедкой 137597.ДР Створные знаки III с опорой сечением 0,8х0,8 м высотой 17,5 - 32,0 м. Вид по "А". Детали |
| Разработан: | Гипроречтранс |
| Утверждён: | 28.03.1974 Министерство речного флота РСФСР |
| Чем заменён: |
|















































