Скачать Рекомендации по прогнозу устойчивости обвально-оползневых склонов

Дата актуализации: 01.01.2021

Рекомендации по прогнозу устойчивости обвально-оползневых склонов

Статус:действует
Название рус.:Рекомендации по прогнозу устойчивости обвально-оползневых склонов
Дата добавления в базу:01.09.2013
Дата актуализации:01.01.2021
Область применения:В документе обобщены результаты многолетних исследований авторов по вопросам устойчивости оползневых-обвальных склонов и прогнозу изменения устойчивости склонов под воздействием природных и антропогенных факторов. Рассмотрены регионально-геологические и зонально-климатические закономерности (законы), предопределяющие формирование, активизацию и устойчивость оползневых-обвальных склонов, а также рассмотрены методы выполнения ориентировочных и уточненных оценок и прогнозов устойчивости склонов в зависимости от стадии инженерно-геологических изысканий
Оглавление:Предисловие
1. Регионально-геологические и зонально-климатические закономерности (законы), предопределяющие формирование, активизацию и устойчивость оползневых и обвальных склонов
   Оползневые и обвальные склоны речных долин равнинных областей
   Оползневые и обвальные склоны морских побережий равнинных областей
   Оползневые и обвальные склоны речных долин предгорных областей
   Оползневые и обвальные склоны речных долин горноскладчатых областей
   Оползневые и обвальные склоны морских побережий горноскладчатых областей
   Общие для всей территории страны закономерности формирования оползневых-обвальных склонов
2. Общие положения по оценке и прогнозу устойчивости оползневых-обвальных склонов
3. Ориентировочная оценка и прогноз устойчивости оползневых-обвальных склонов с помощью методов теории распознавания образов
4. Ориентировочная оценка устойчивости и прогноз интенсивности образования приповерхностных оползневых смещений с помощью гармонических функций
5. Ориентировочная оценка устойчивости оползневых склонов методами "обратных расчетов"
6. Ориентировочная оценка устойчивости оползневых-обвальных склонов и прогноз ее изменения с помощью вероятностно-статистических методов
7. Уточненная оценка устойчивости и прогноза развития оползневых-обвальных склонов с помощью вероятностного геологического подобия
Приложение 1. Вычисление критериев геологического подобия
Приложение 2. Решение задачи с алгоритмом дискриминантных функций для ориентировочной оценки устойчивости оползневых - обвальных склонов
Приложение 3. Пример. Решения задач с помощью алгоритма голосования по тупиковым тестам для ориентировочной оценки устойчивости оползневых - обвальных склонов
Приложение 4. Пример ориентировочного прогноза интенсивности оплывин с помощью гармонических функций
Приложение 5. Пример оценки устойчивости оползневых склонов с помощью методов "обратных расчетов"
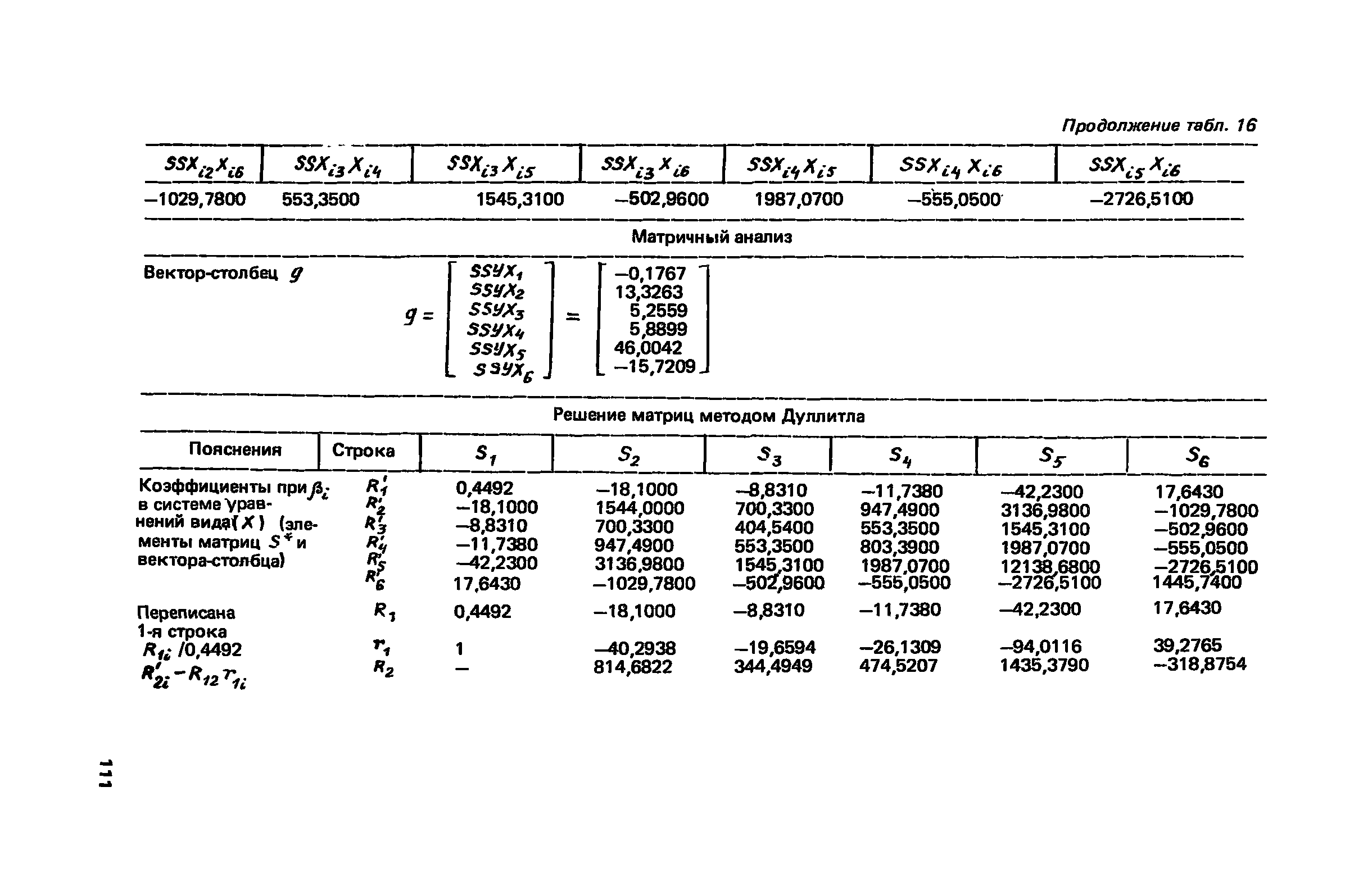
Приложение 6. Ориентировочная оценка устойчивости и прогноз развития оползневых склонов с помощью последовательного регрессионного анализа
Приложение 7. Пример определения меры подобия (или различия) представляющих показателей у объекта прогноза и его аналогов
Приложение 8. Пример уточненной оценки и прогноза развития оползневых-обвальных склонов
Разработан: ПНИИИС Госстроя СССР (PNIIS, Gosstroy (USSR) )
Утверждён: ПНИИИС Госстроя СССР (PNIIIS, USSR Gosstroy )
Издан: Стройиздат (1986 г. )