Скачать Типовой проект 901-3-254.89 Альбом 3. Строительные изделияДата актуализации: 01.01.2021
|
| Обозначение: | Типовой проект 901-3-254.89 |
| Обозначение англ: | 901-3-254.89 |
| Статус: | не определен законодательством |
| Название рус.: | Альбом 3. Строительные изделия |
| Дата добавления в базу: | 01.09.2013 |
| Дата актуализации: | 01.01.2021 |
| Дата введения: | 18.11.1985 |
| Дата окончания срока действия: | 30.06.2003 |
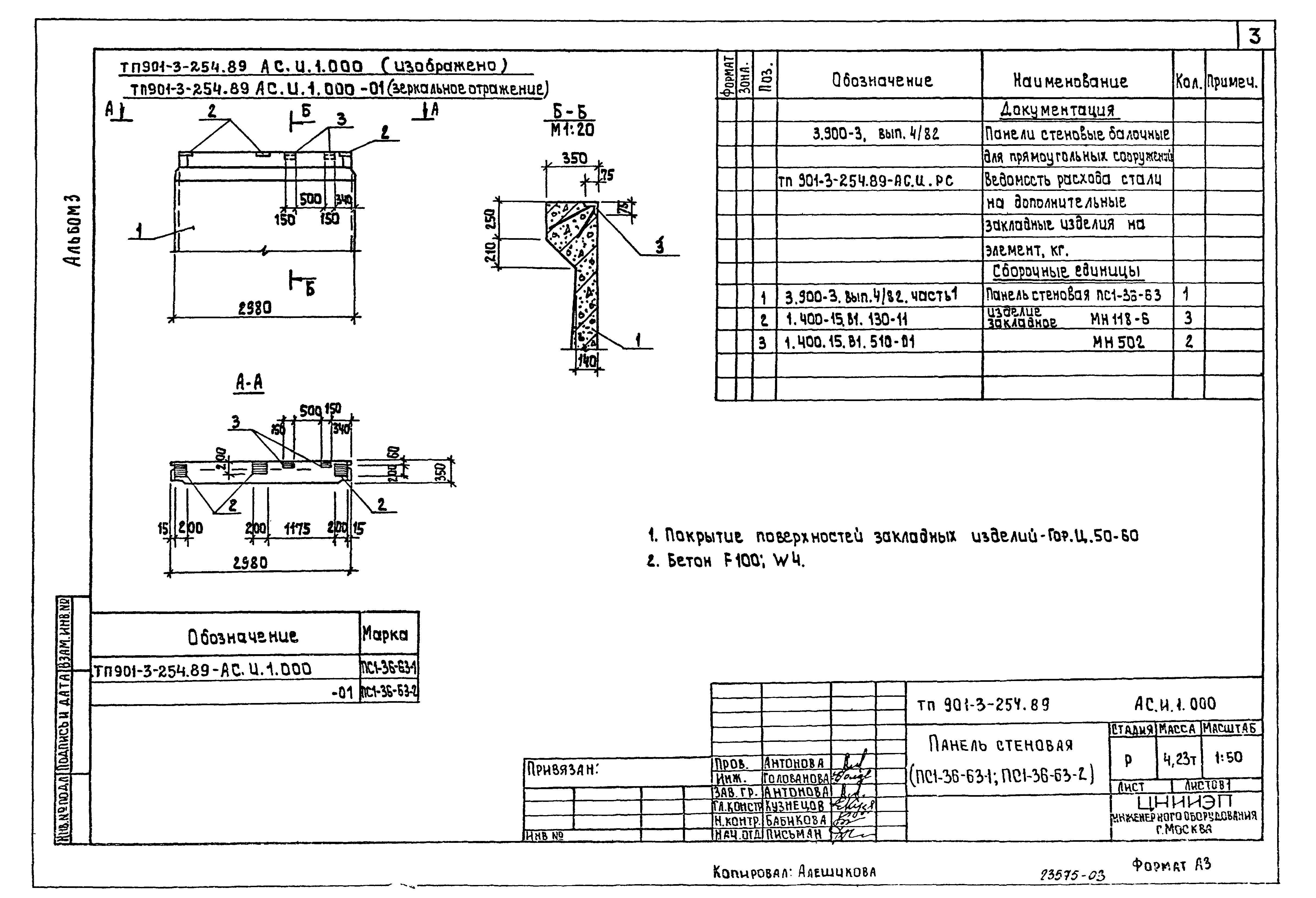
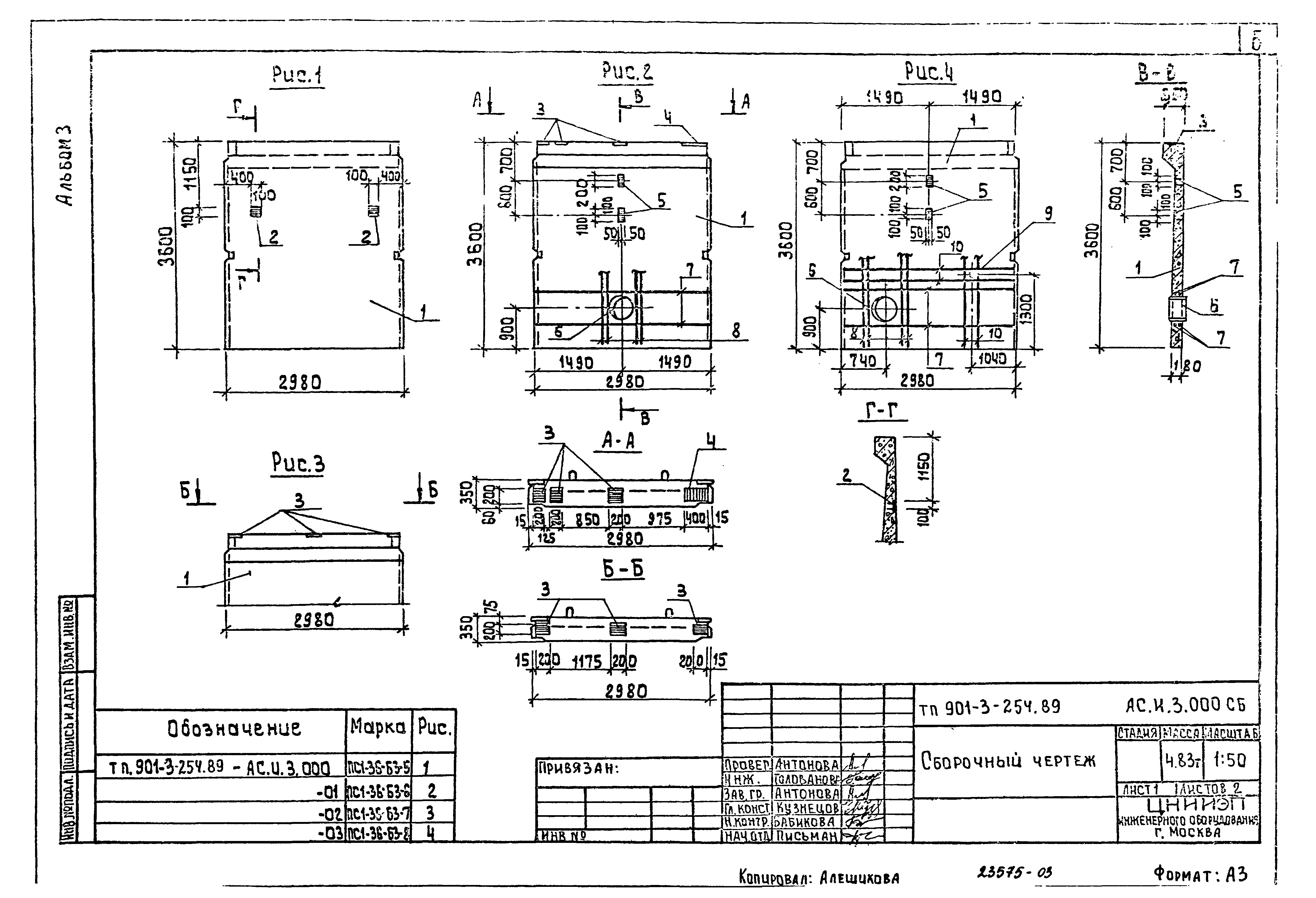
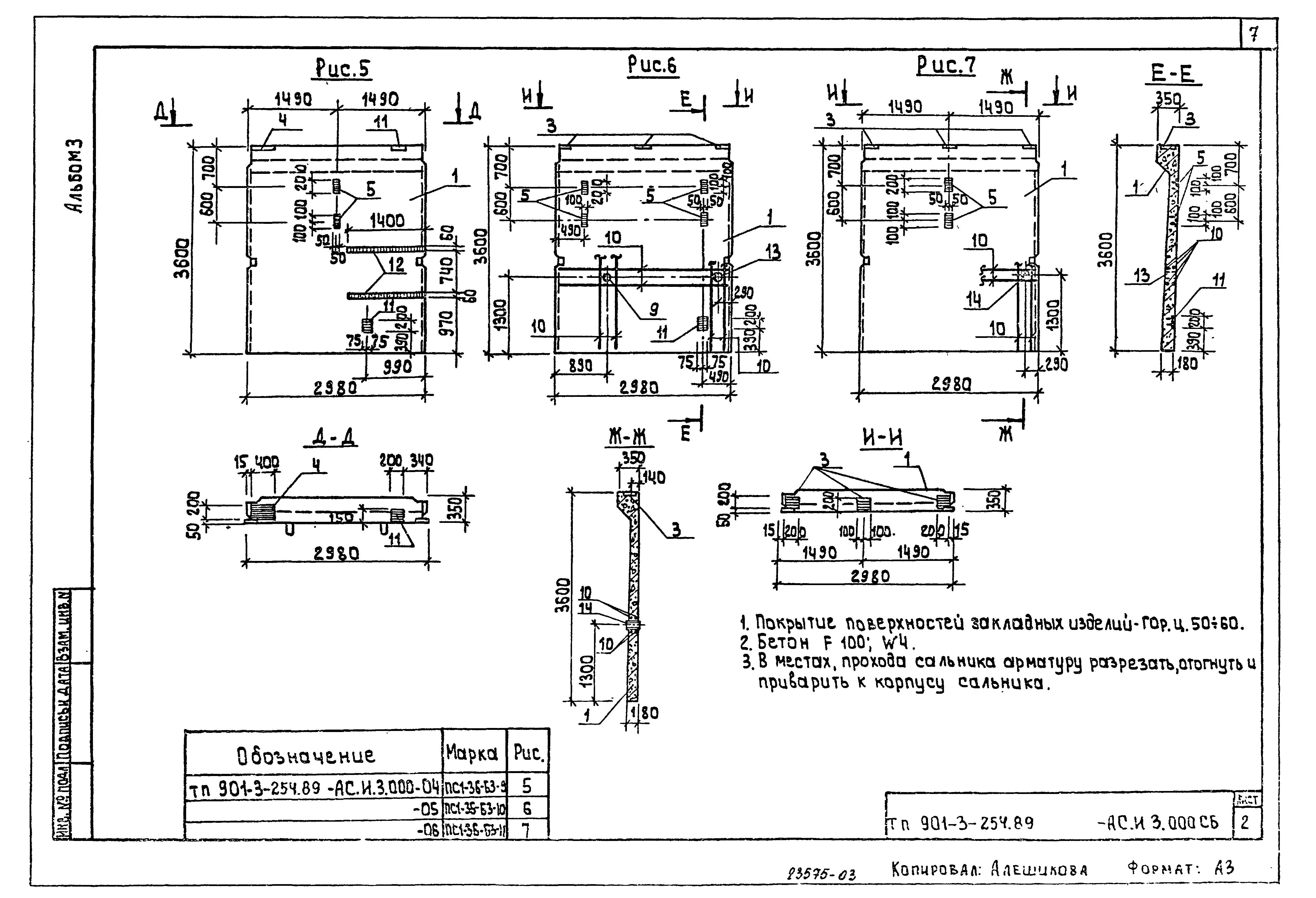
| Оглавление: | 901-3-254.89-АС.И.1.000 Панель стеновая (ПС1-36-63-1; ПС1-36-63-2) 901-3-254.89-АС.И.2.000 Панель стеновая (ПС1-36-63-1; ПС1-36-63-2) 901-3-254.89-АС.И.3.000 Панель стеновая (ПС1-36-63-5 - ПС1-36-63-11) 901-3-254.89-АС.И.3.000СБ Панель стеновая (ПС1-36-63-5 - ПС1-36-63-11). Сборочный чертеж 901-3-254.89-АС.И.РС Ведомость расхода стали на дополнительные закладные изделия на элемент, кг 901-3-254.89-АС.И.4.000 Панель стеновая (ПС1-36-63-12; ПС1-36-63-13) 901-3-254.89-АС.И.5.000 Плита (2П1-3АIV-Т-1; 2П1-3АIV-Т-2) 901-3-254.89-АС.И.6.000 Балка обвязочная (БОВ-3Т-1) 901-3-254.89-АС.И.7.100 Каркас пространственный (КП1) 901-3-254.89-АС.И.7.110 Каркас плоский (КР1) 901-3-254.89-АС.И.7.200 Каркас пространственный (КП2) 901-3-254.89-АС.И.7.210 Каркас плоский (КР4) 901-3-254.89-АС.И.7.300 Каркас пространственный (КП3, КП4) 901-3-254.89-АС.И.7.310 Каркас плоский (КР2) 901-3-254.89-АС.И.7.400 Каркас пространственный (КП5, КП6) 901-3-254.89-АС.И.7.410 Каркас плоский (КР3) 901-3-254.89-АС.И.7.010 Каркас плоский (КР5, КР6) 901-3-254.89-АС.И.7.020 Каркас плоский (КР7, КР8) 901-3-254.89-АС.И.7.030 Сетка арматурная (С1) 901-3-254.89-АС.И.7.040 Сетка арматурная (С2) 901-3-254.89-АС.И.7.050 Сетка арматурная (С3) 901-3-254.89-АС.И.7.060 Сетка арматурная (С4) 901-3-254.89-АС.И.7.070 Сетка арматурная (С5, С6) 901-3-254.89-АС.И.7.080 Каркас плоский (КР9) 901-3-254.89-АС.И.8.010 Изделие соединительное (МС1) 901-3-254.89-АС.И.8.020 Щит стальной (Щ1) |
| Разработан: | ЦНИИЭП инженерного оборудования Госгражданстроя |
| Утверждён: | 18.11.1985 Госгражданстрой (Gosgrazhdanstroy 346) |
| Издан: | ЦИТП Госстроя СССР (CITP, Gosstroy (USSR) 1988 г. ) |





















