Скачать Типовой проект 409-28-61.92 Альбом 3. Строительные изделияДата актуализации: 01.01.2021
|
| Обозначение: | Типовой проект 409-28-61.92 |
| Обозначение англ: | 409-28-61.92 |
| Статус: | не определен законодательством |
| Название рус.: | Альбом 3. Строительные изделия |
| Дата добавления в базу: | 01.09.2013 |
| Дата актуализации: | 01.01.2021 |
| Дата введения: | 11.06.1992 |
| Дата окончания срока действия: | 30.06.2003 |
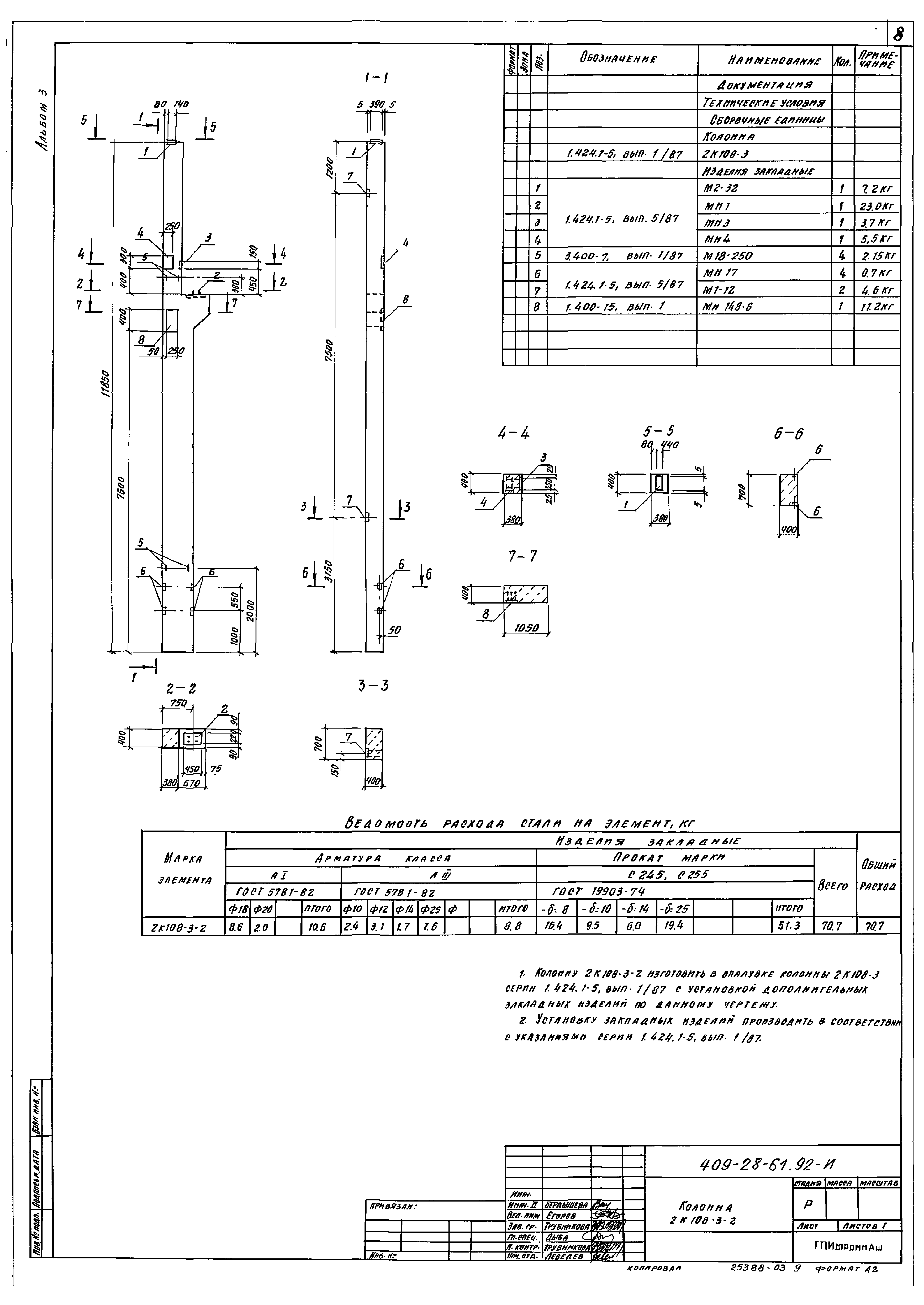
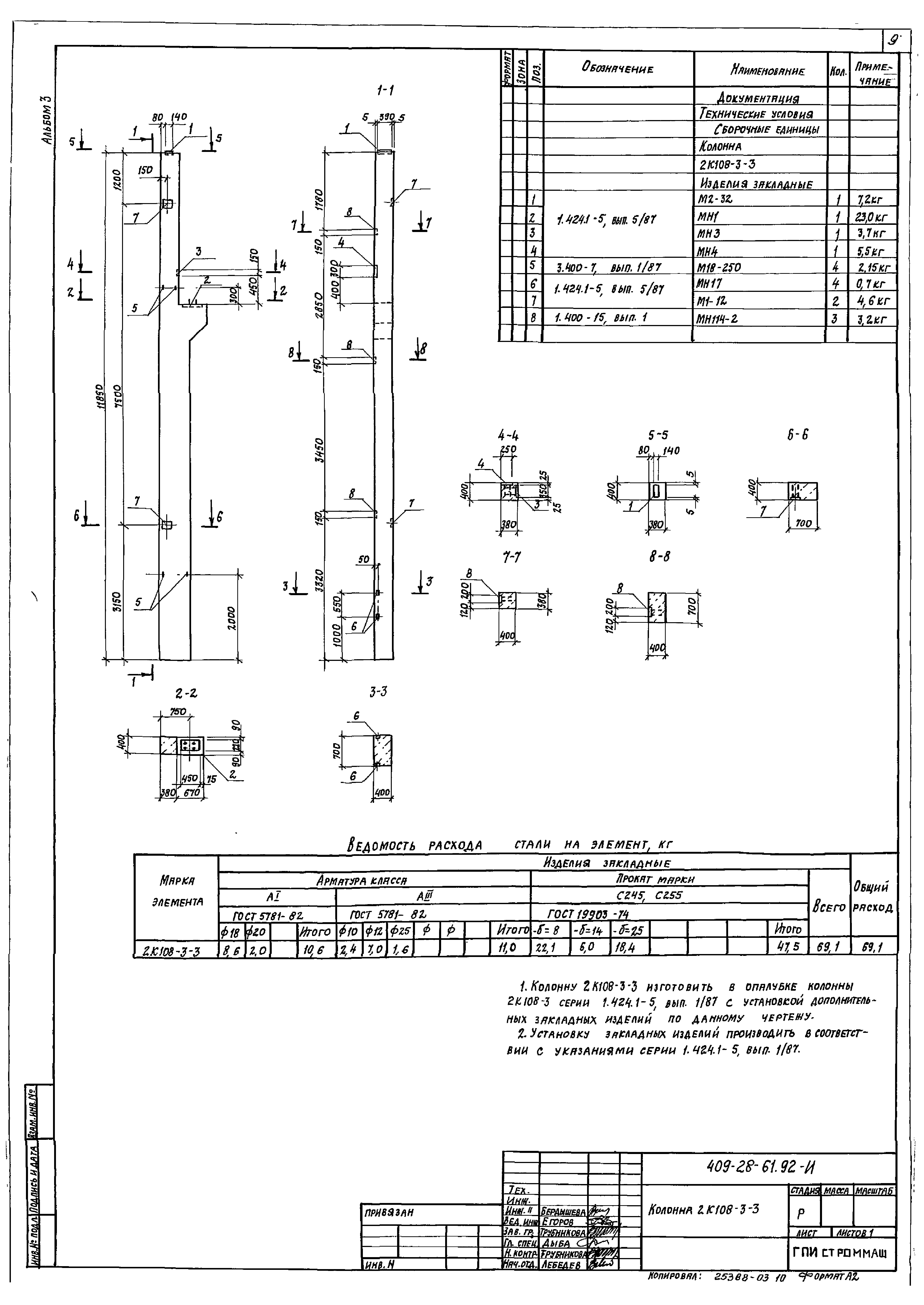
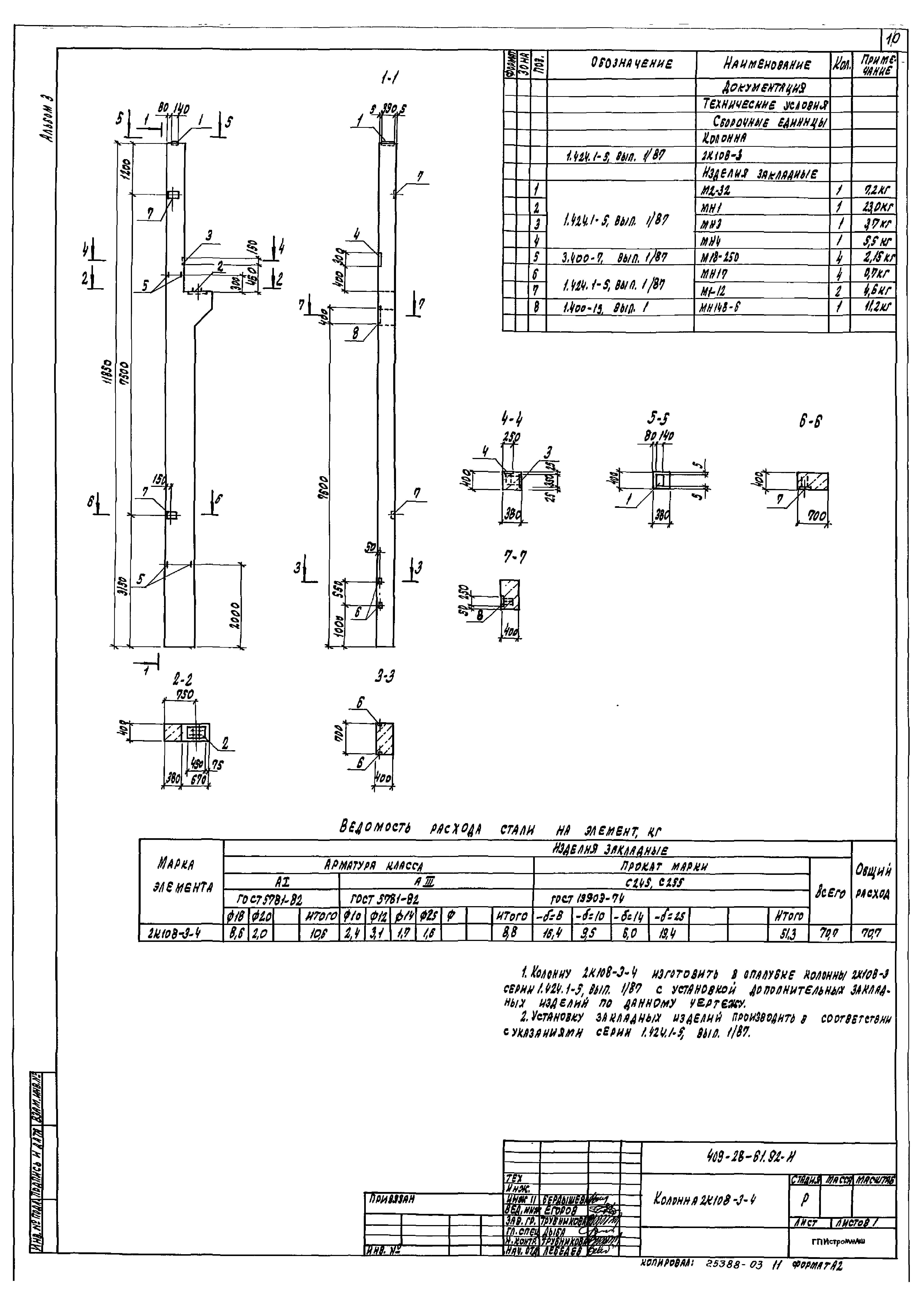
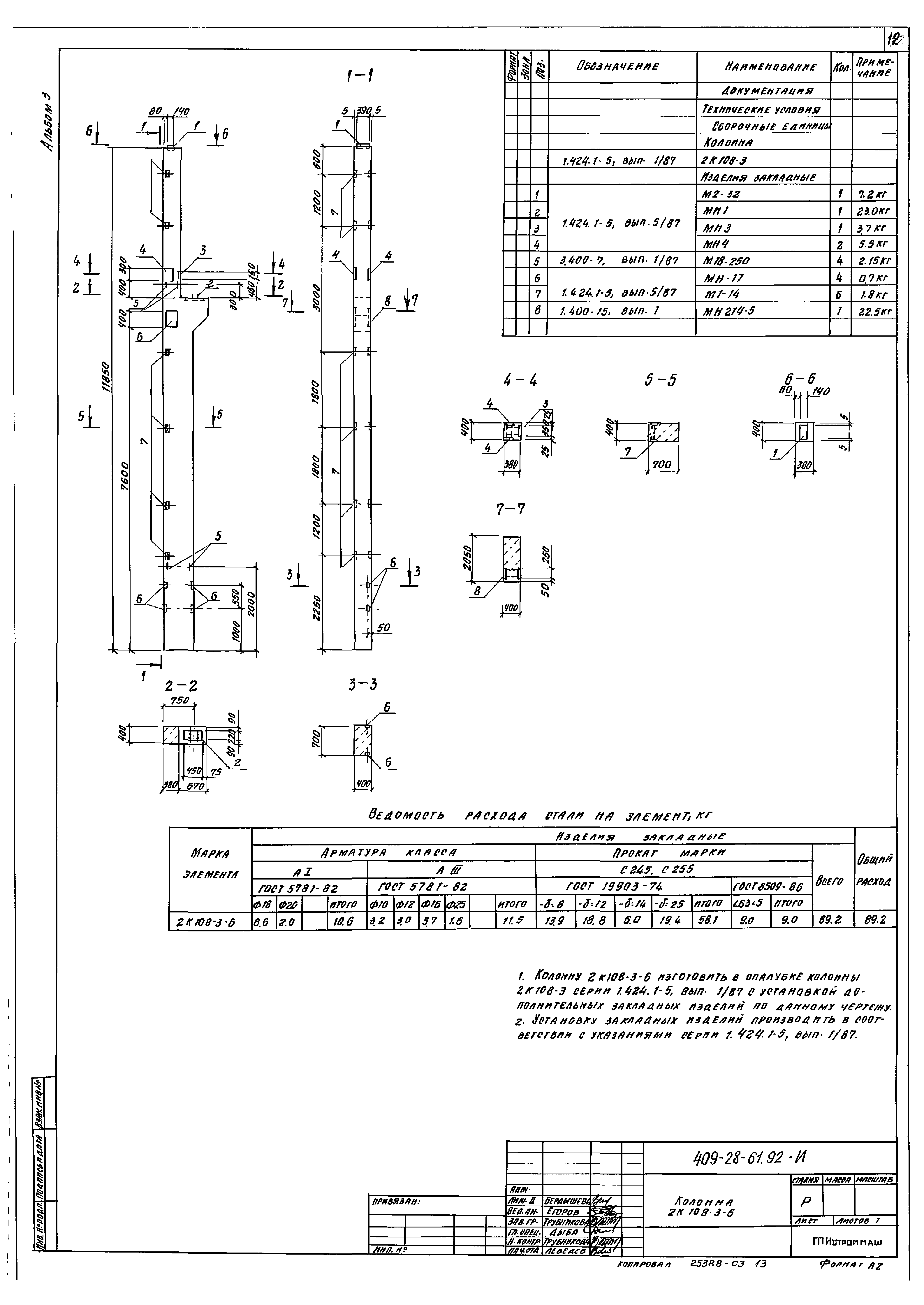
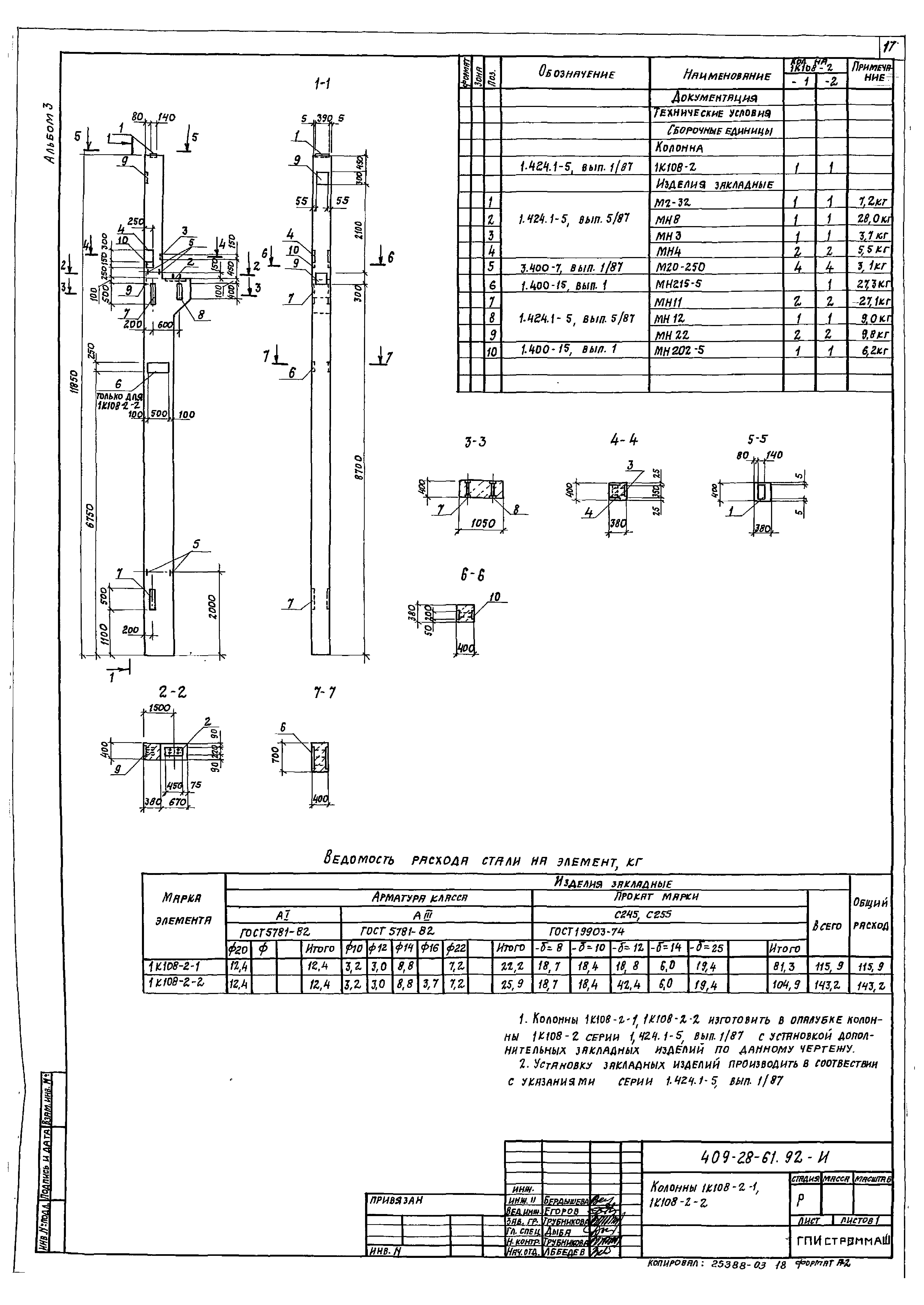
| Оглавление: | Технические условия Сетка С2 Сетка С3 Сетка С4 Сетка С5 Сетка С6 Сетка С7 Сетка С8 Сетка С9 Сетка С10 Сетка С11 Сетка С12 Сетка С13 Щит Щ1 Щит Щ2 Сетка С1 Колонна 2К108-3-1 Колонна 2К108-3-2 Колонна 2К108-3-3 Колонна 2К108-3-4 Колонна 2К108-3-5 Колонна 2К108-3-6 Колонны 2К108-3-7, 2К108-3-8 Колонны 2К108-3-9, 2К108-3-12 Колонна 2К108-3-10 Колонна 2К108-3-11 Колонны 1К108-2-1, 1К108-2-2 Колонна 1К108-2-3 Колонна фахверка 8КФ121-1-Н1 Колонна фахверка 8КФ121-1-Н2 Колонна 1КО3.33-1 Колонна 1КО3.33-2 Колонна 1КО3.33-3 Колонна 1КД3.33-1 Колонна 1КД3.33-2 Балка Бм1 Балка Бм2 Балки 1БДР18-3АIV-1; 1БДР18-5АIV-1 Балка 1БДР18-2АIV-1 Плиты ПГ-3АIVт-1, ПГ-3АIVт-2, ПГ-3АIVт-3, ПВ7-3АIVт-1, ПВ4-3АIVт-1 Плита ПРС56.15-8АIV-1 Рама Р1 Панели стеновые ПС63.5.18.3.0-2л-1.31а, ПО63.5.18.3.0-2л-2.31а Панели стеновые ПС30.12.3.0-6л-31а, 2ПС15.12.3.0-л-58а Изделия закладные МН1…МН4 Решетка архитектурная РА-1 Элемент фасонный ЭФ-1 Элемент фасонный ЭФ-2 Элемент крепления ЭК-1 |
| Разработан: | ГПИ Строммаш |
| Утверждён: | 13.05.1992 МО Строммаш (17) |































