Скачать Типовой проект 903-4-169.90 Альбом 4. Строительные изделия (из ТП 903-4-167.90)Дата актуализации: 01.01.2021
|
| Обозначение: | Типовой проект 903-4-169.90 |
| Обозначение англ: | 903-4-169.90 |
| Статус: | не определен законодательством |
| Название рус.: | Альбом 4. Строительные изделия (из ТП 903-4-167.90) |
| Дата добавления в базу: | 01.09.2013 |
| Дата актуализации: | 01.01.2021 |
| Дата введения: | 12.11.1990 |
| Дата окончания срока действия: | 30.06.2003 |
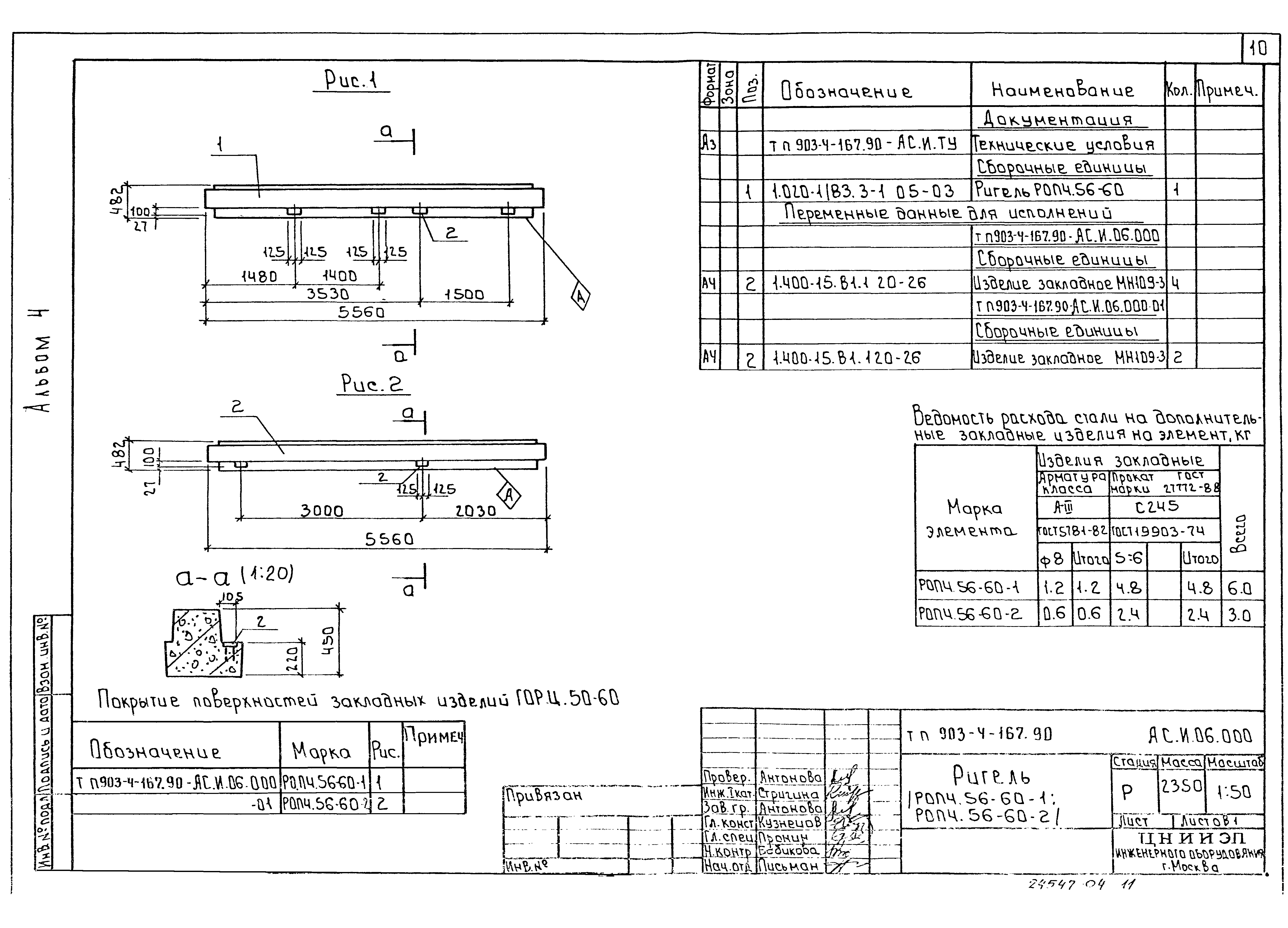
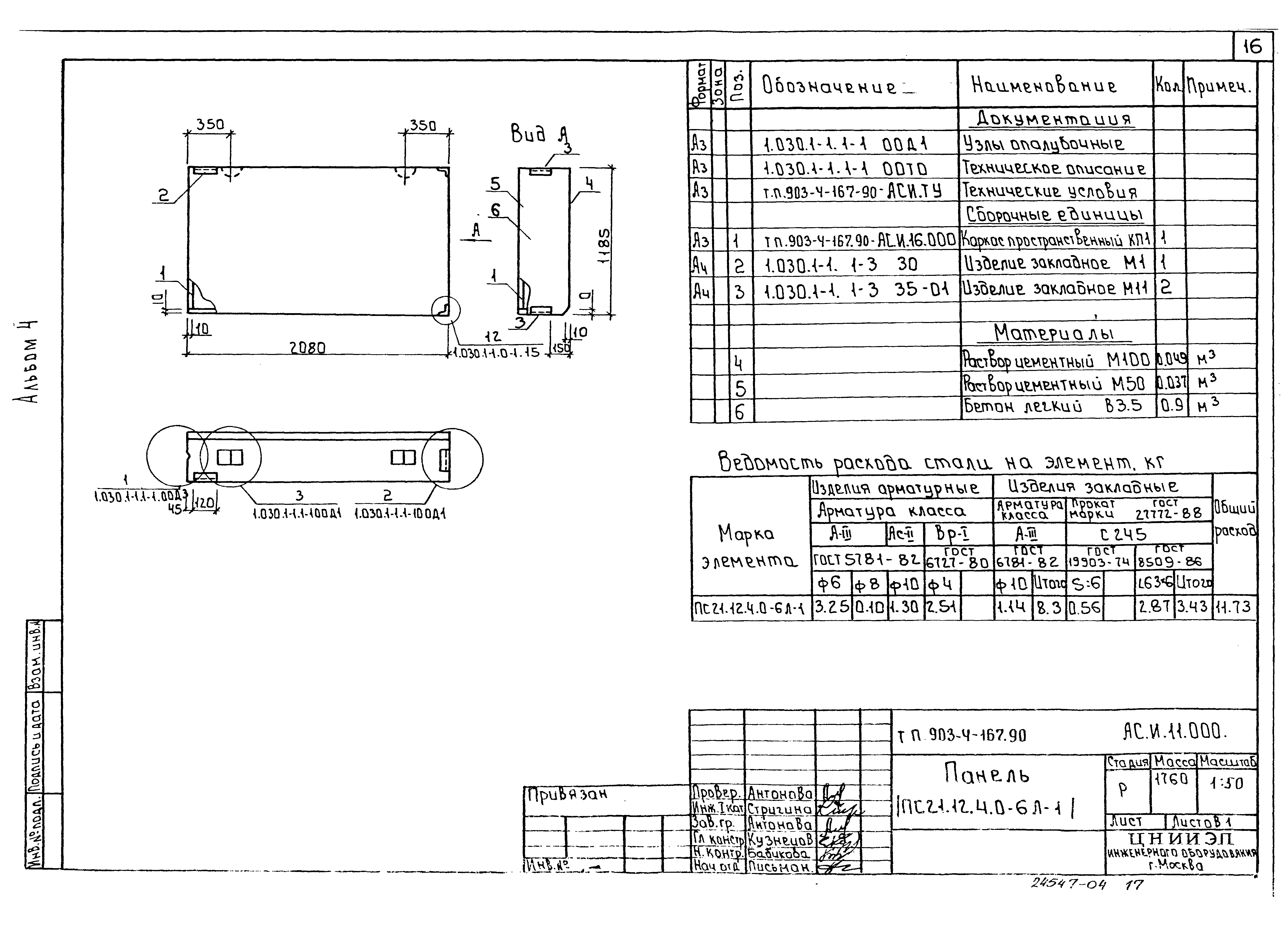
| Оглавление: | 903-4-169.90 АС.И.ТУ Технические условия 903-4-169.90 АС.И.01.000 Балка цокольная (БЦ60.5.3,5-л1; БЦ60.5.3,5-л2) 903-4-169.90 АС.И.02.000 Балка цокольная (БЦ30.5.3,5-л1) 903-4-169.90 АС.И.03.000 Колонна (2КВД4.36-1.1-1; 2КВД4.36-1.1-2) 903-4-169.90 АС.И.04.000 Колонна (2КВО4.36-1.1-1; 2КВО4.36-1.1-4) 903-4-169.90 АС.И.04.000СБ Колонна (2КВО4.36-1.1-1; 2КВО4.36-1.1-4). Сборочный чертеж 903-4-169.90 АС.И.05.000 Ригель (РДП4.56-90АтV-1; РДП4.56-90АтV-2) 903-4-169.90 АС.И.06.000 Ригель (РОП4.56-60-1; РОП4.56-60-2) 903-4-169.90 АС.И.07.000 Ригель (РОП4.56-60-3) 903-4-169.90 АС.И.08.000 Ригель (РДП4.56-90АтV-3) 903-4-169.90 АС.И.09.000 Панель стеновая (ПС60.12.4.0-6л-2.1; ПС60.12.4.0-6л-2.2; ПС60.12.4.0-6л-1.2) 903-4-169.90 АС.И.09.000СБ Панель стеновая (ПС60.12.4.0-6л-2.1; ПС60.12.4.0-6л-2.2; ПС60.12.4.0-6л-1.2). Сборочный чертеж 903-4-169.90 АС.И.10.000 Панель (ПС60.12.4.0-6л-1.1) 903-4-169.90 АС.И.11.000 Панель (ПС21.12.4.0-6л-1) 903-4-169.90 АС.И.12.000 Панель (ПС30.12.4.0-6л-1.1; ПС30.12.4.0-6л-2.1) 903-4-169.90 АС.И.13.000 Панель (3ПС61.120.4.0-л-2.1) 903-4-169.90 АС.И.14.000 Панель (2ПС12.12.4.0-л-1.1; 2ПС12.12.4.0-л-1.2) 903-4-169.90 АС.И.15.000 Панель (2ПС12.12.4.0-л-1.3; 2ПС12.12.4.0-л-1.4) 903-4-169.90 АС.И.16.000 Каркас пространственный (КП1, КП2-1, КП2-2) 903-4-169.90 АС.И.16.100 Каркас пространственный (КП3) 903-4-169.90 АС.И.16.110 Каркас плоский (КР1 - КР4) 903-4-169.90 АС.И.17.000 Плита (ПРС56.15-8АтIVс-1) 903-4-169.90 АС.И.18.010 Решетка 903-4-169.90 АС.И.18.020 Щит (Щ1, Щ2) 903-4-169.90 АС.И.18.030 Изделие закладное (МС1) 903-4-169.90 АС.И.18.040 Изделие закладное (МС2) |
| Разработан: | ЦНИИЭП инженерного оборудования |
| Утверждён: | 12.11.1990 Госкомархитектура (200) |
| Издан: | ГП ЦПП (1995 г. ) |
| Заменяет собой: |
|


























