Скачать Серия 1.273.9-4 Выпуск 2. Облицовки на металлическом каркасе. Материалы для проектирования. Рабочие чертежиДата актуализации: 01.01.2021
|
| Обозначение: | Серия 1.273.9-4 |
| Обозначение англ: | Series 1.273.9-4 |
| Статус: | не действует |
| Название рус.: | Выпуск 2. Облицовки на металлическом каркасе. Материалы для проектирования. Рабочие чертежи |
| Дата добавления в базу: | 01.09.2013 |
| Дата актуализации: | 01.01.2021 |
| Дата введения: | 01.10.1983 |
| Дата окончания срока действия: | 01.07.1986 |
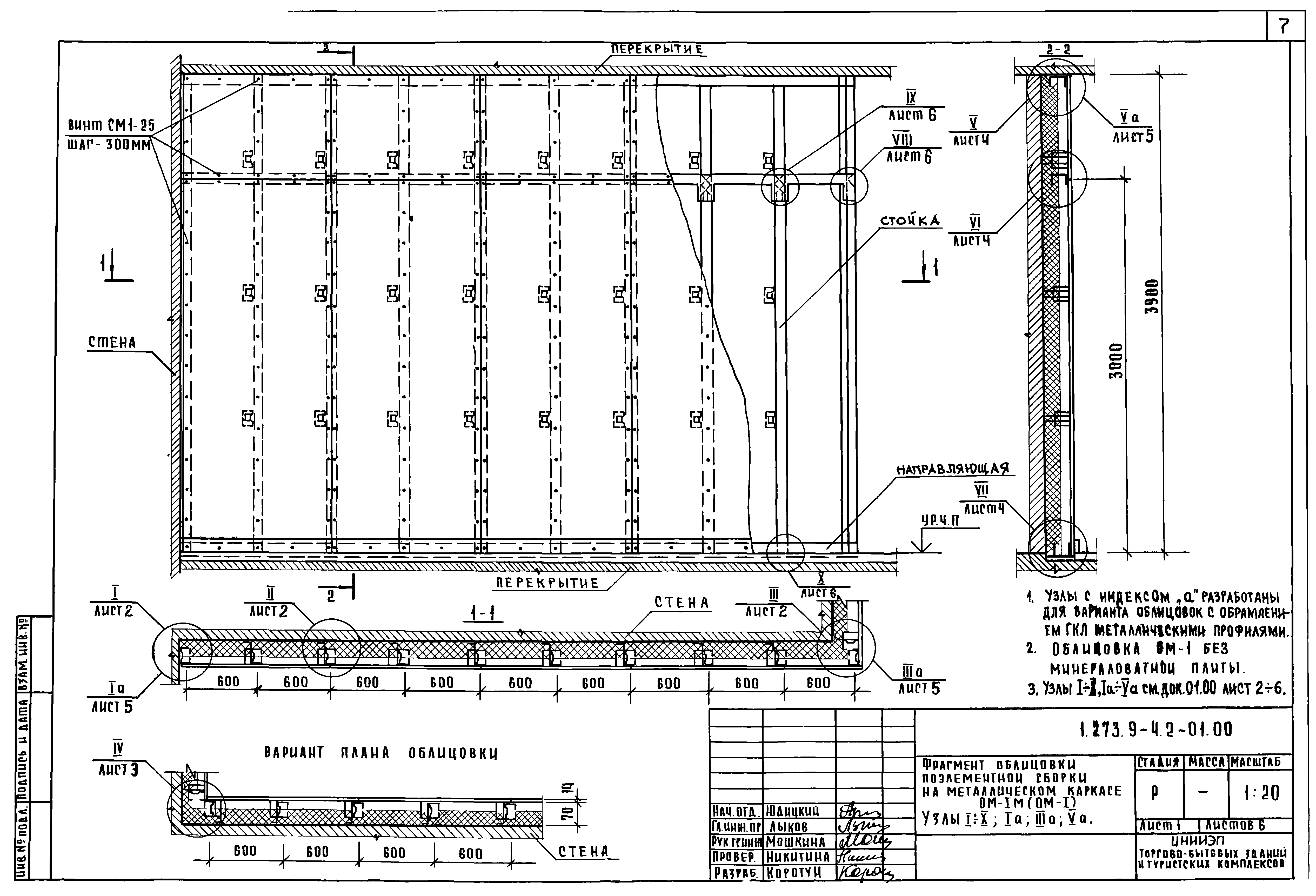
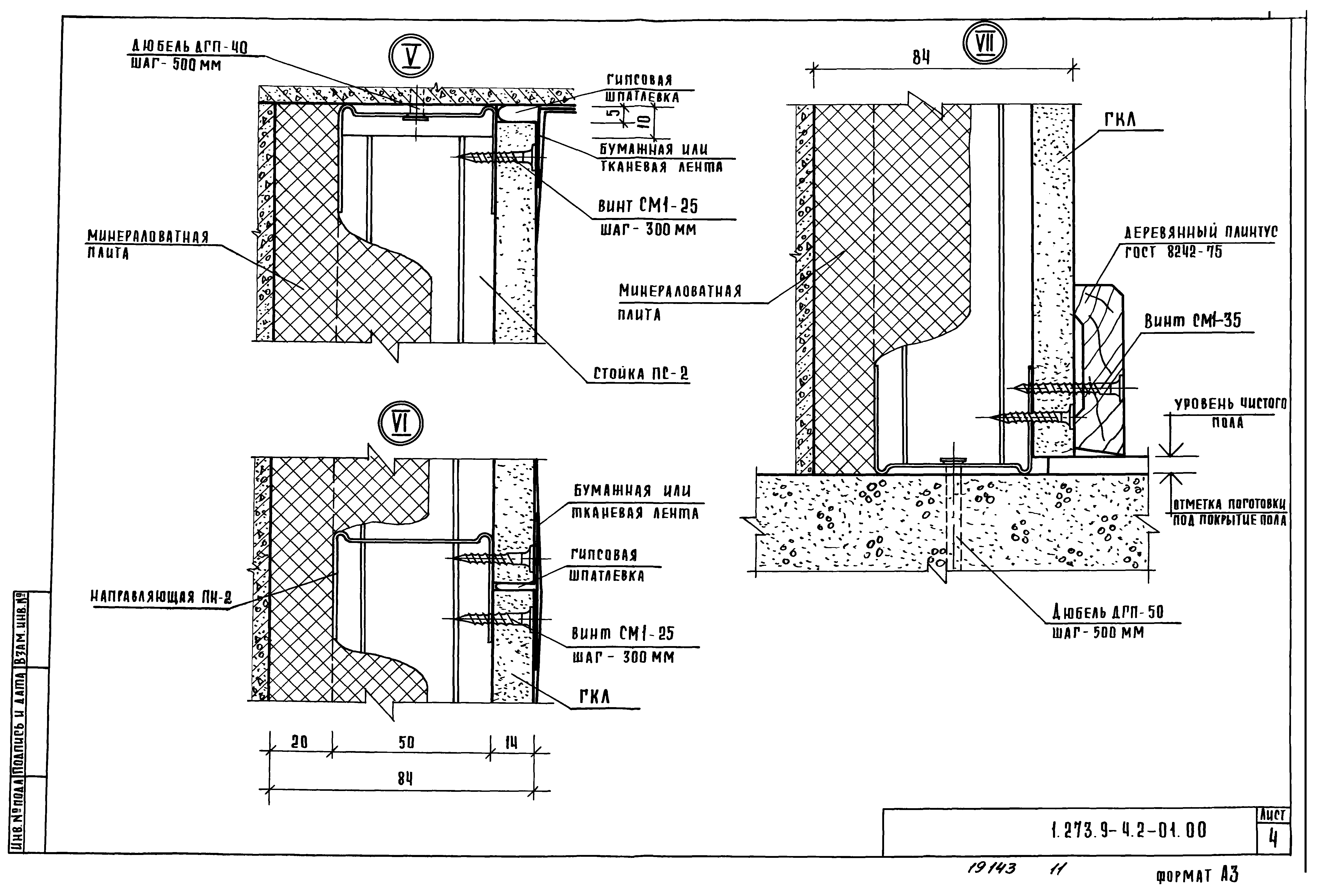
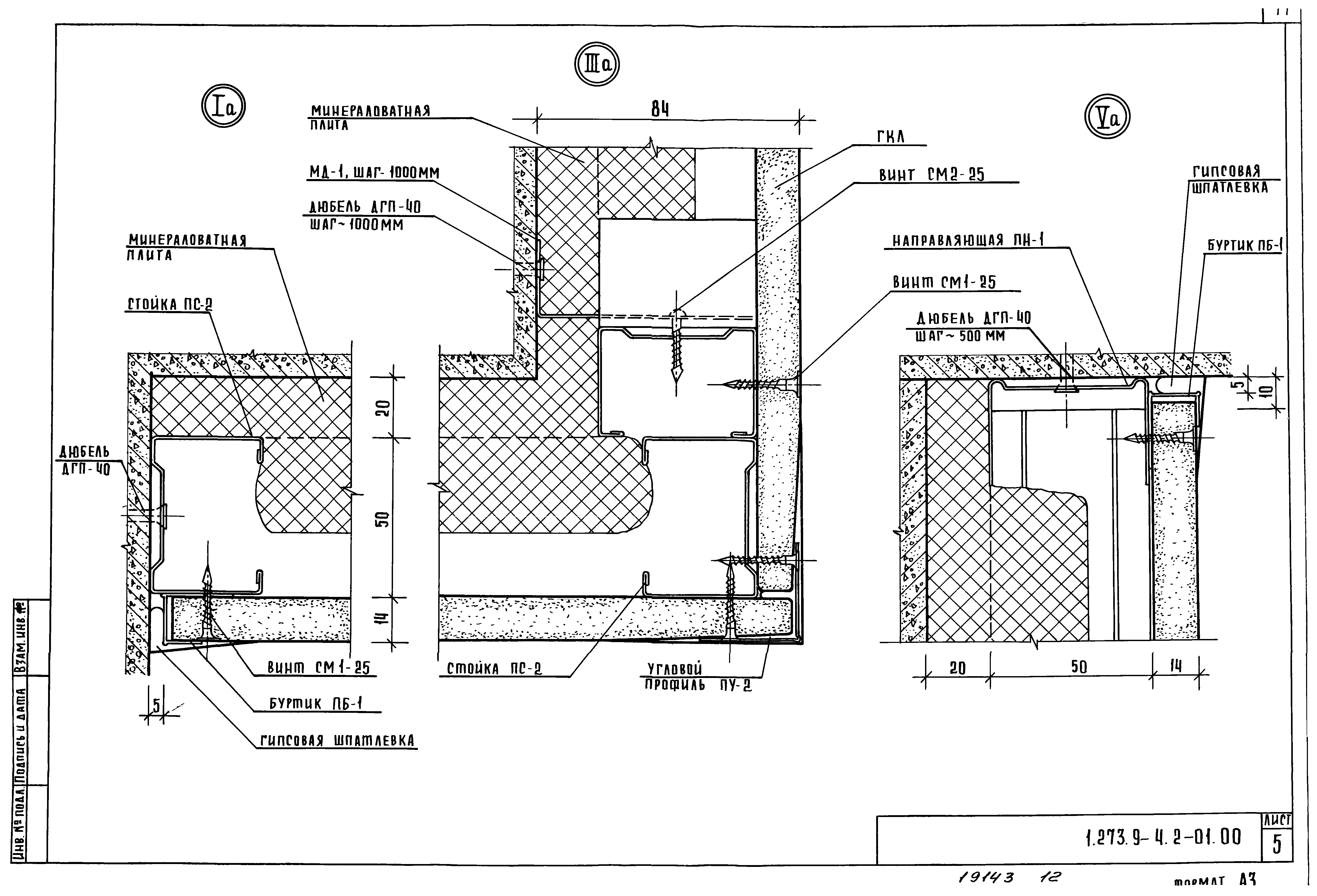
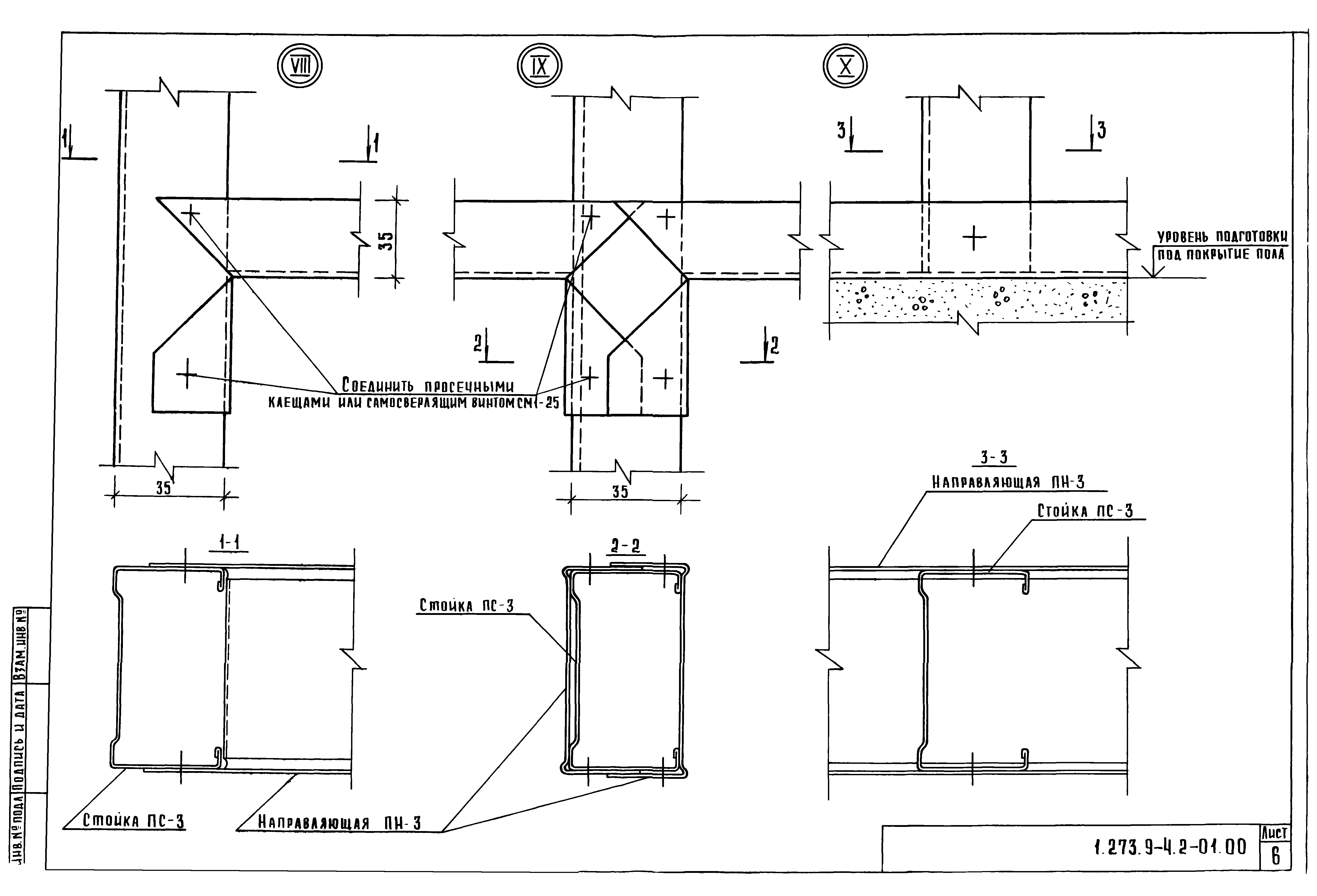
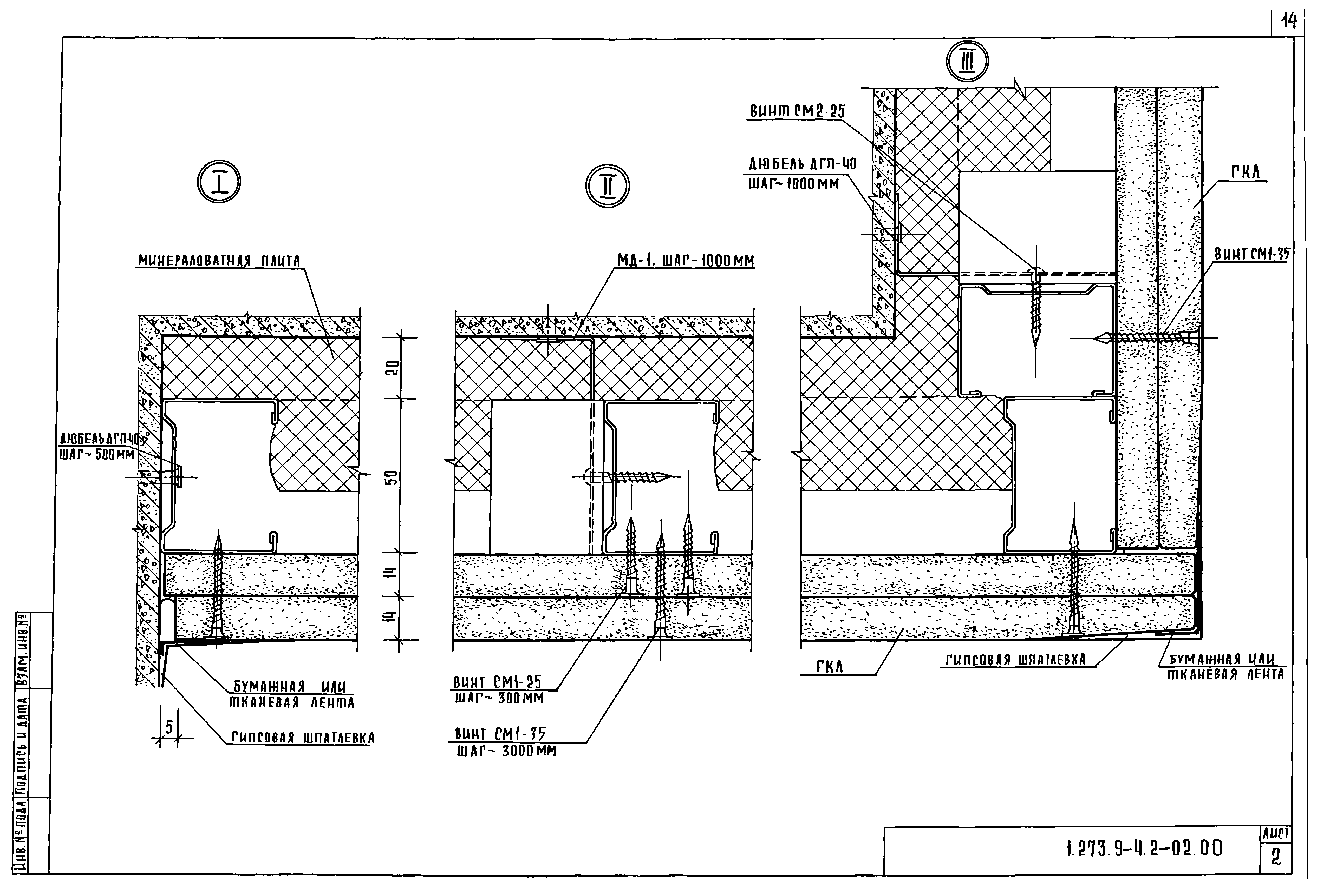
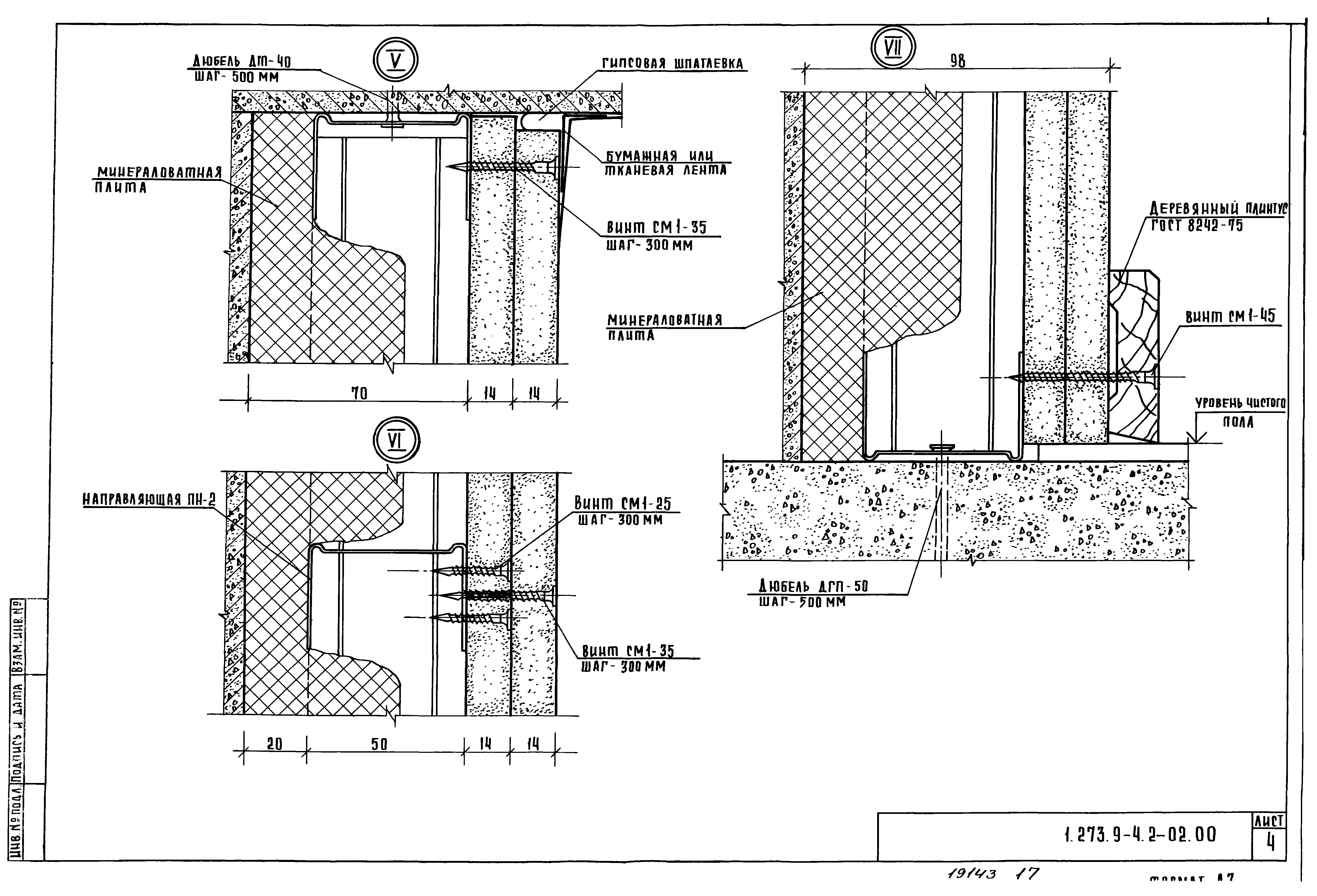
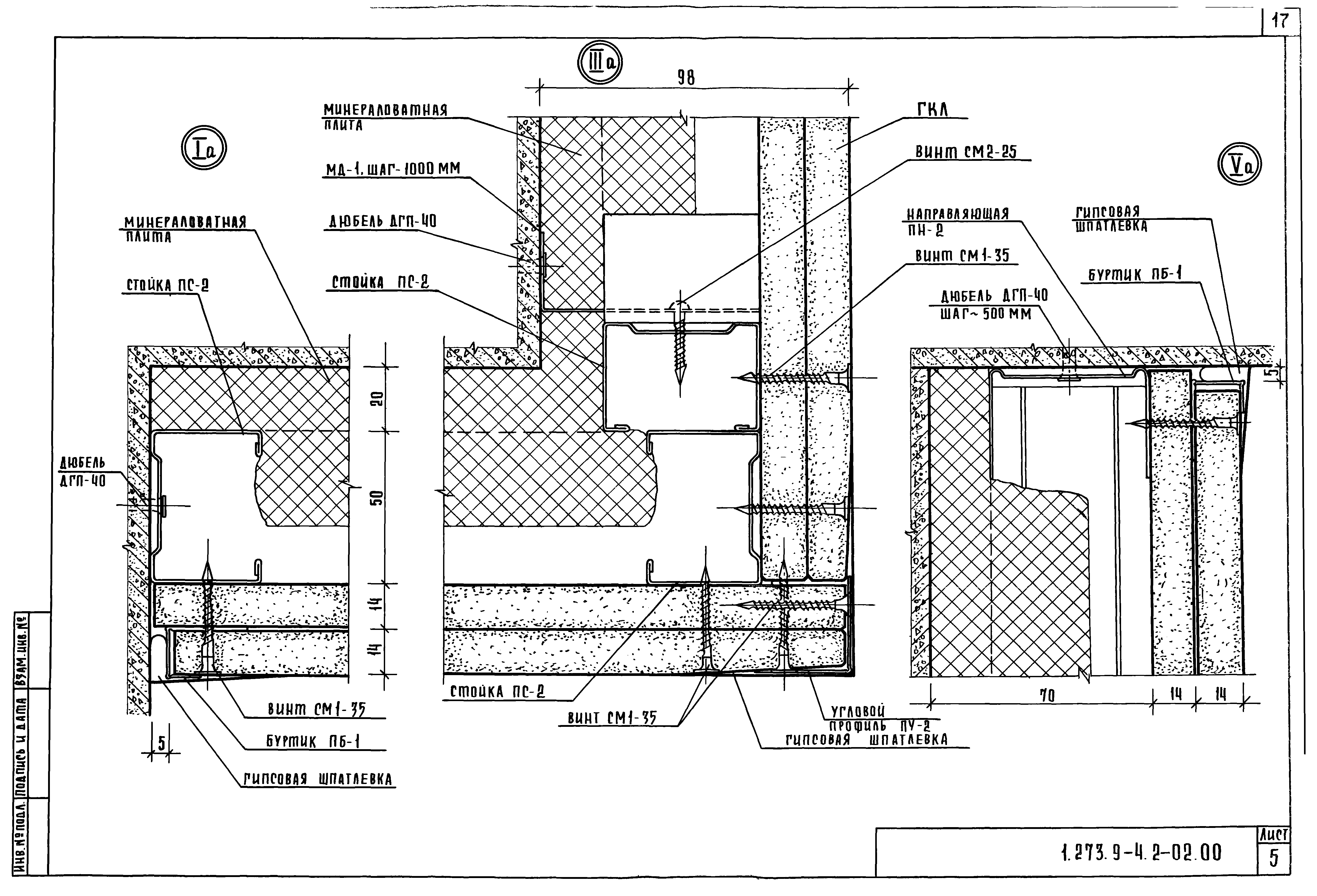
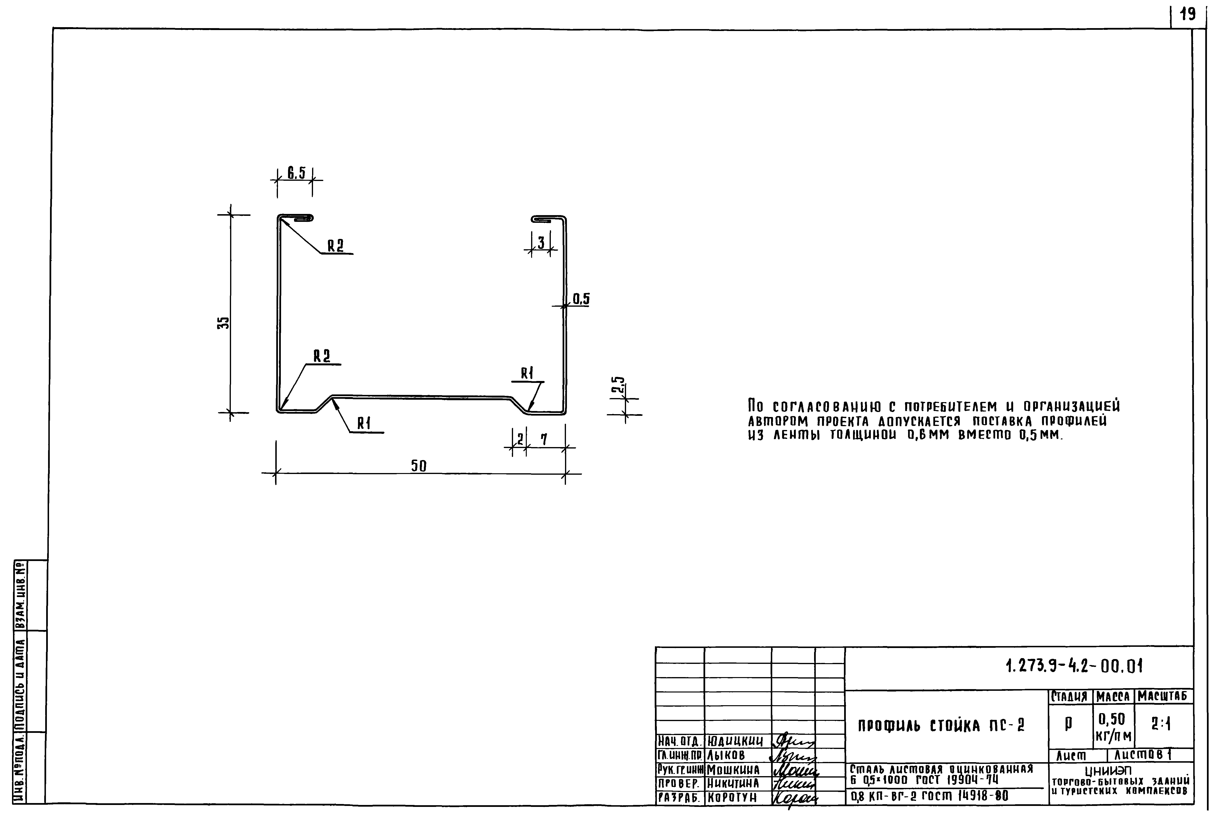
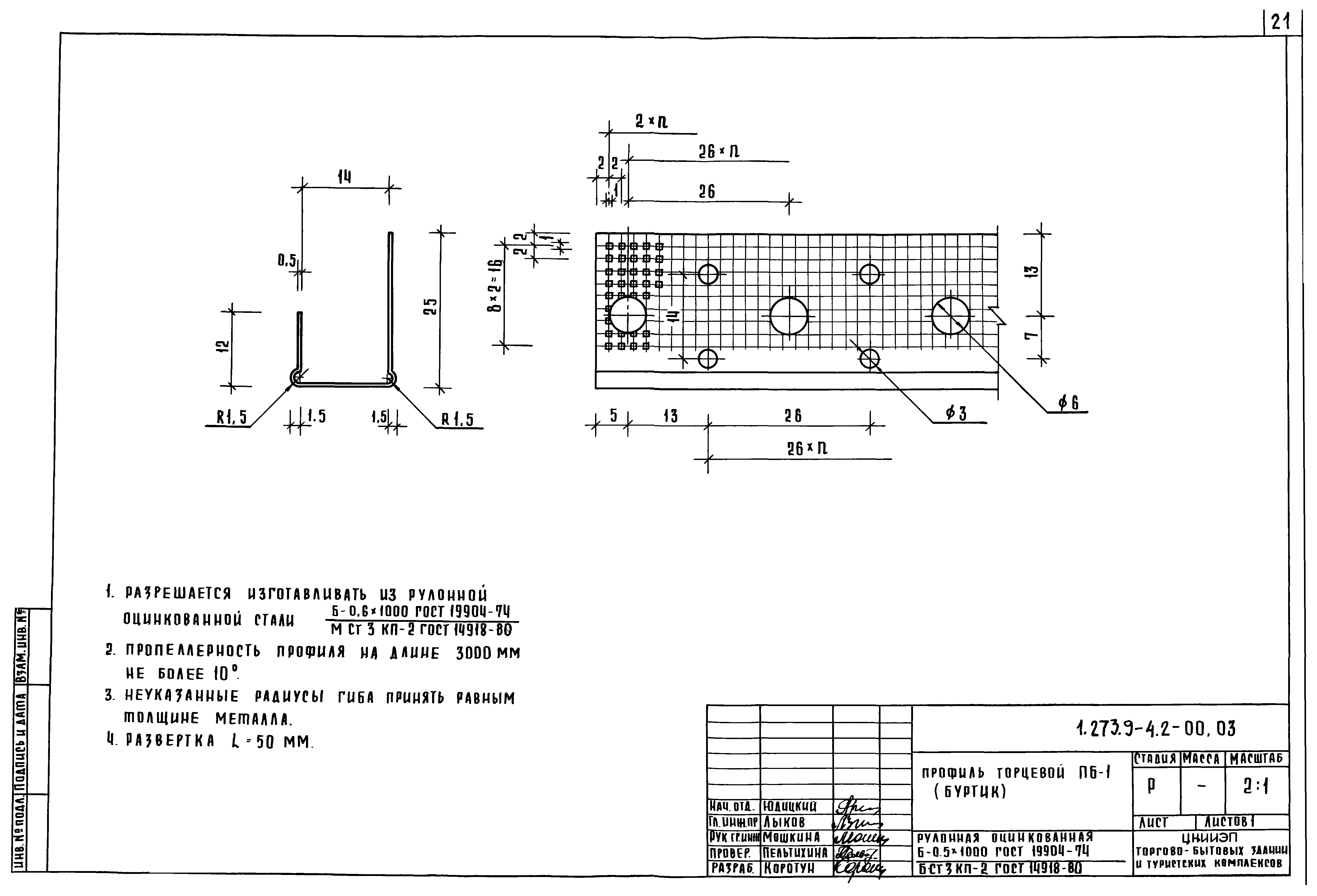
| Оглавление: | 1.273.9-4.2-00.00 Содержание 1.273.9-4.2-00.00ПЗ Пояснительная записка 1.273.9-4.2-00.00ВД Ведомость ссылочных документов 1.273.9-4.2-01.00 Фрагмент облицовки поэлементной сборки на металлическом каркасе ОМ-1м (ОМ-1). Узлы I - X, Iа, IIIа, Vа, VIIа 1.273.9-4.2-02.00 Фрагмент облицовки поэлементной сборки на металлическом каркасе ОМ-2м (ОМ-2). Узлы I - X, Iа, IIIа, Vа 1.273.9-4.2-03.00 Примеры установки анкера падающего, крючка, анкера проходного и дюбеля разжимного 1.273.9-4.2-00.01 Профиль стойка ПС-2 1.273.9-4.2-00.02 Профиль направляющий ПН-2 1.273.9-4.2-00.03 Профиль торцевой ПБ-1 (буртик) 1.273.9-4.2-00.04 Профиль угловой ПУ-2 1.273.9-4.2-00.05 Монтажная деталь МД-1 (обрезок ПС-2, L = 100 мм) 1.273.9-4.2-00.06 Винт самосверлящий СМ1 1.273.9-4.2-00.07 Винт самосверлящий СМ2 1.273.9-4.2-00.08 Дюбель-гвоздь пистолетный 1.273.9-4.2-00.09 Анкер падающий, дюбель разжимной 1.273.9-4.2-00.10 Крючок, анкер проходной |
| Разработан: | ЦНИИЭП торгово-бытовых зданий и туристских комплексов |
| Утверждён: | 29.08.1983 Государственный комитет по гражданскому строительству и архитектуре при Госстрое СССР (253) |





























