Скачать Типовой проект 221-1-335 Альбом V. Электротехнические чертежиДата актуализации: 01.01.2021
|
| Обозначение: | Типовой проект 221-1-335 |
| Обозначение англ: | 221-1-335 |
| Статус: | действует |
| Название рус.: | Альбом V. Электротехнические чертежи |
| Дата добавления в базу: | 01.09.2013 |
| Дата актуализации: | 01.01.2021 |
| Дата введения: | 13.04.1979 |
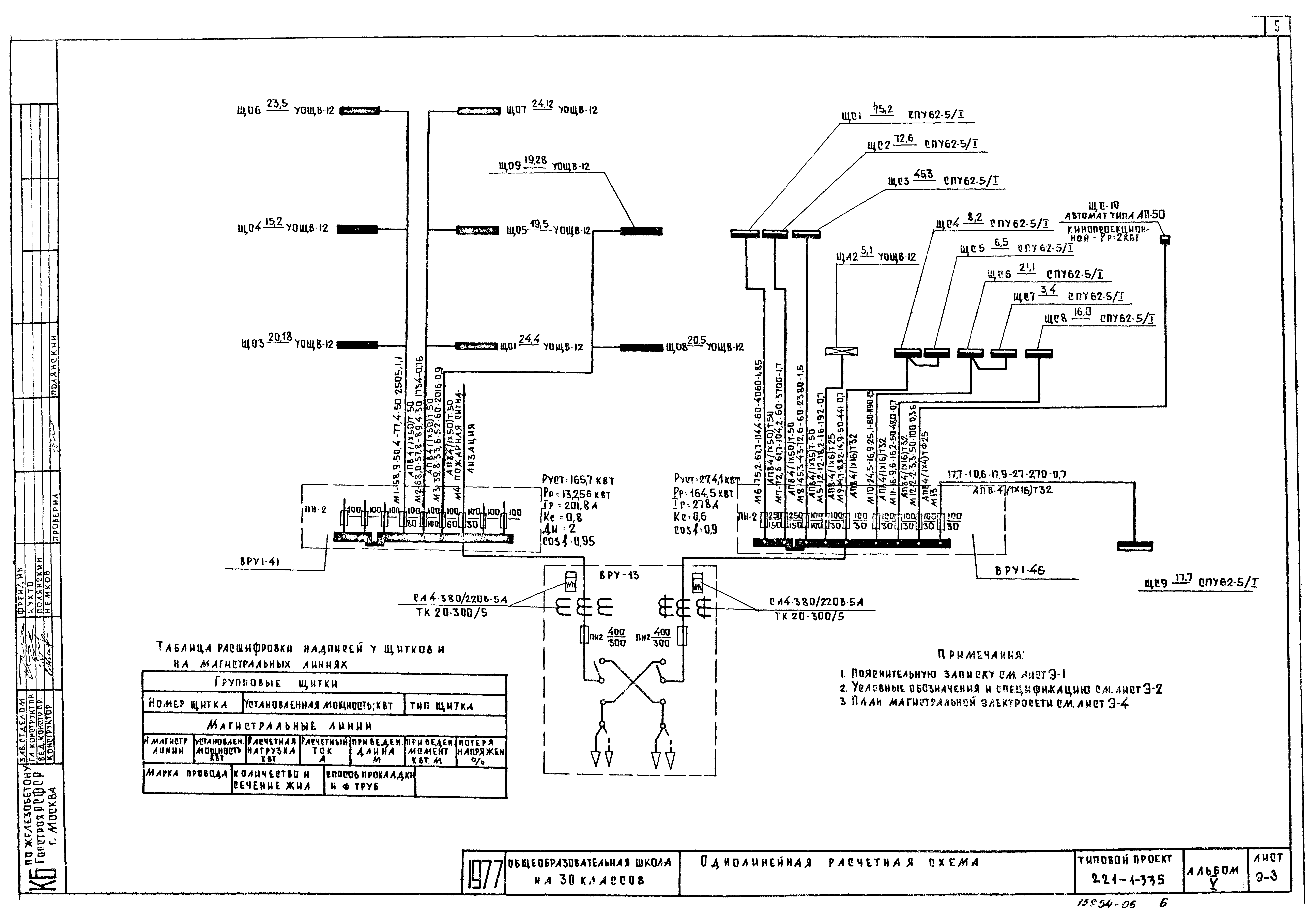
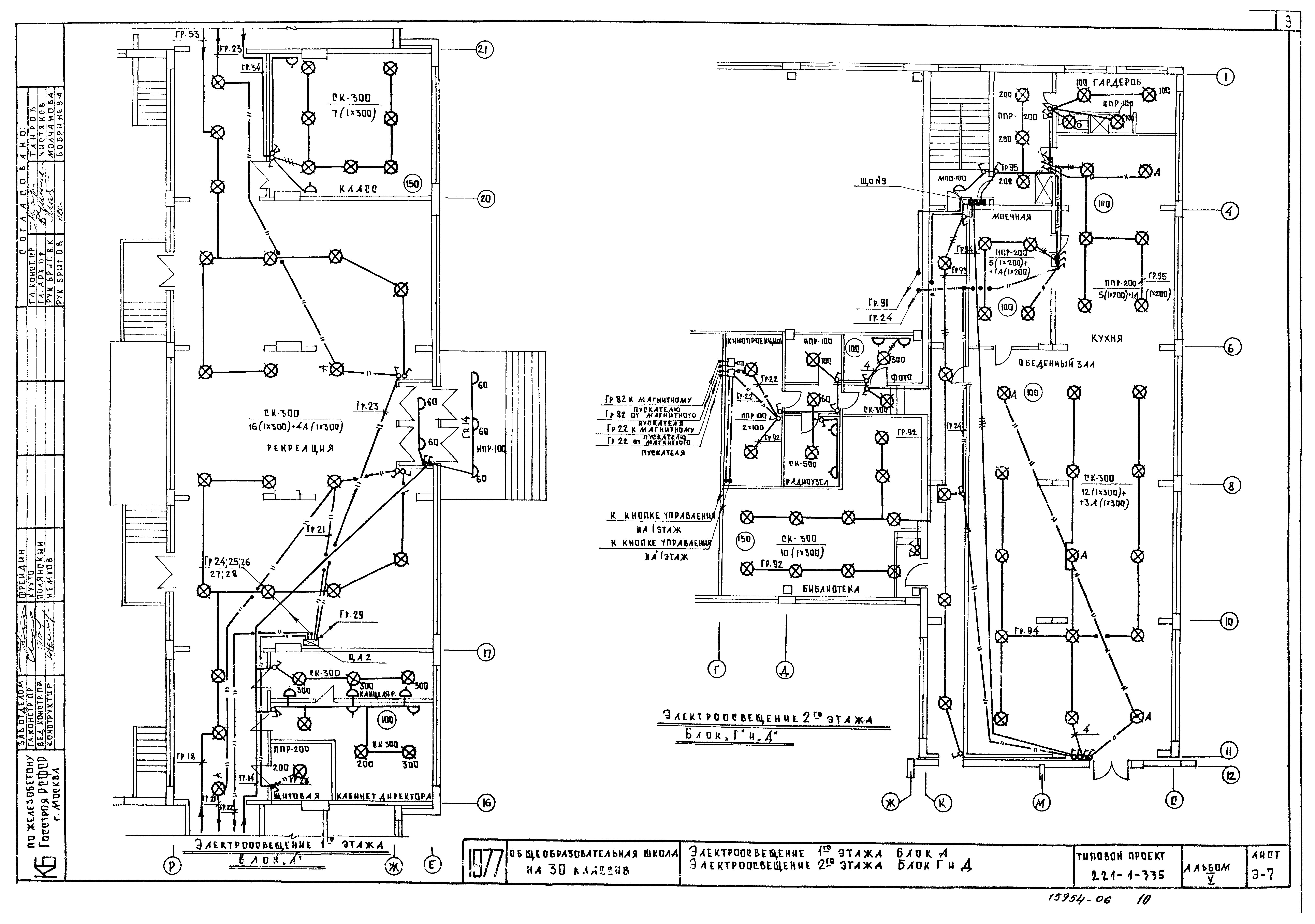
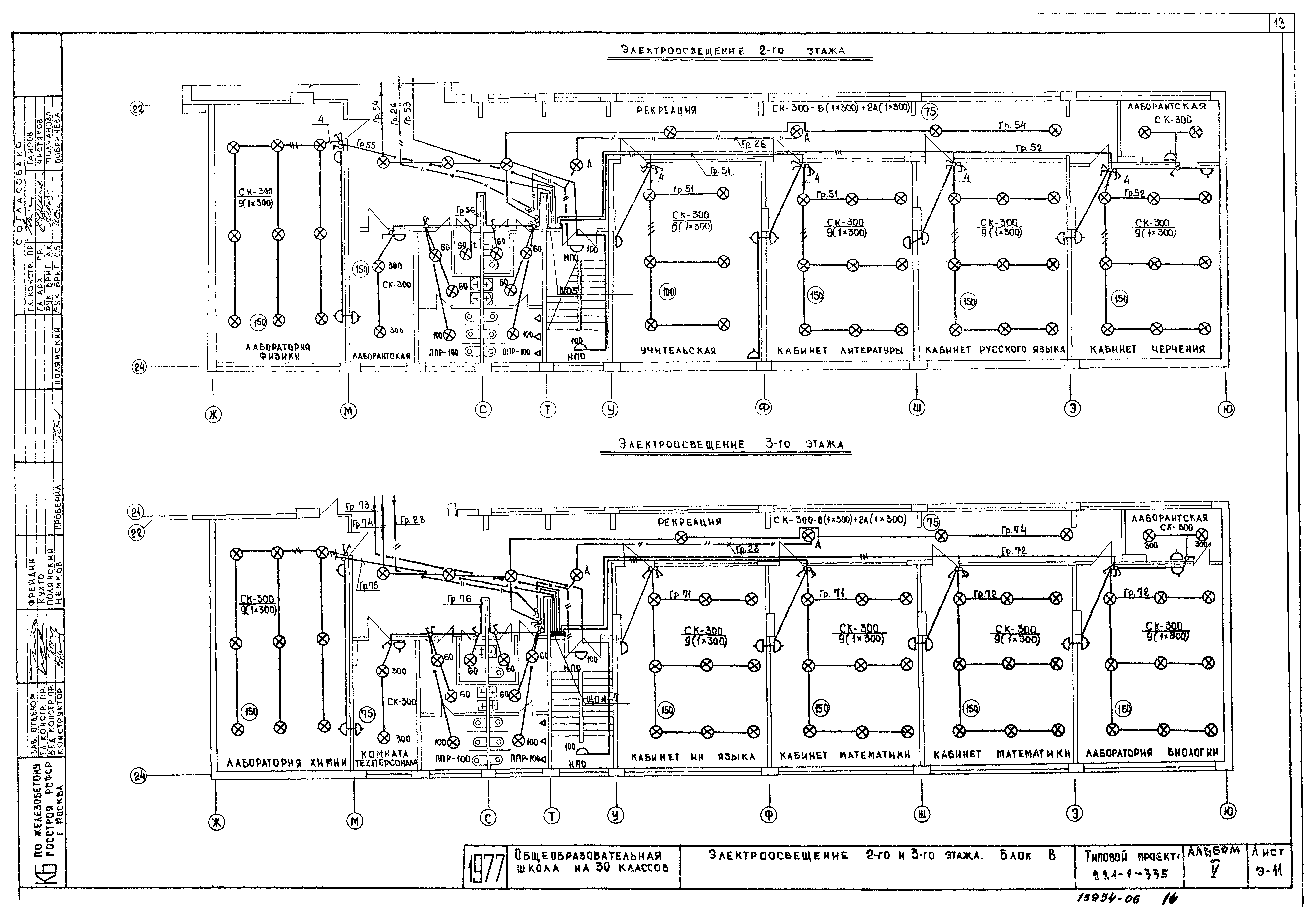
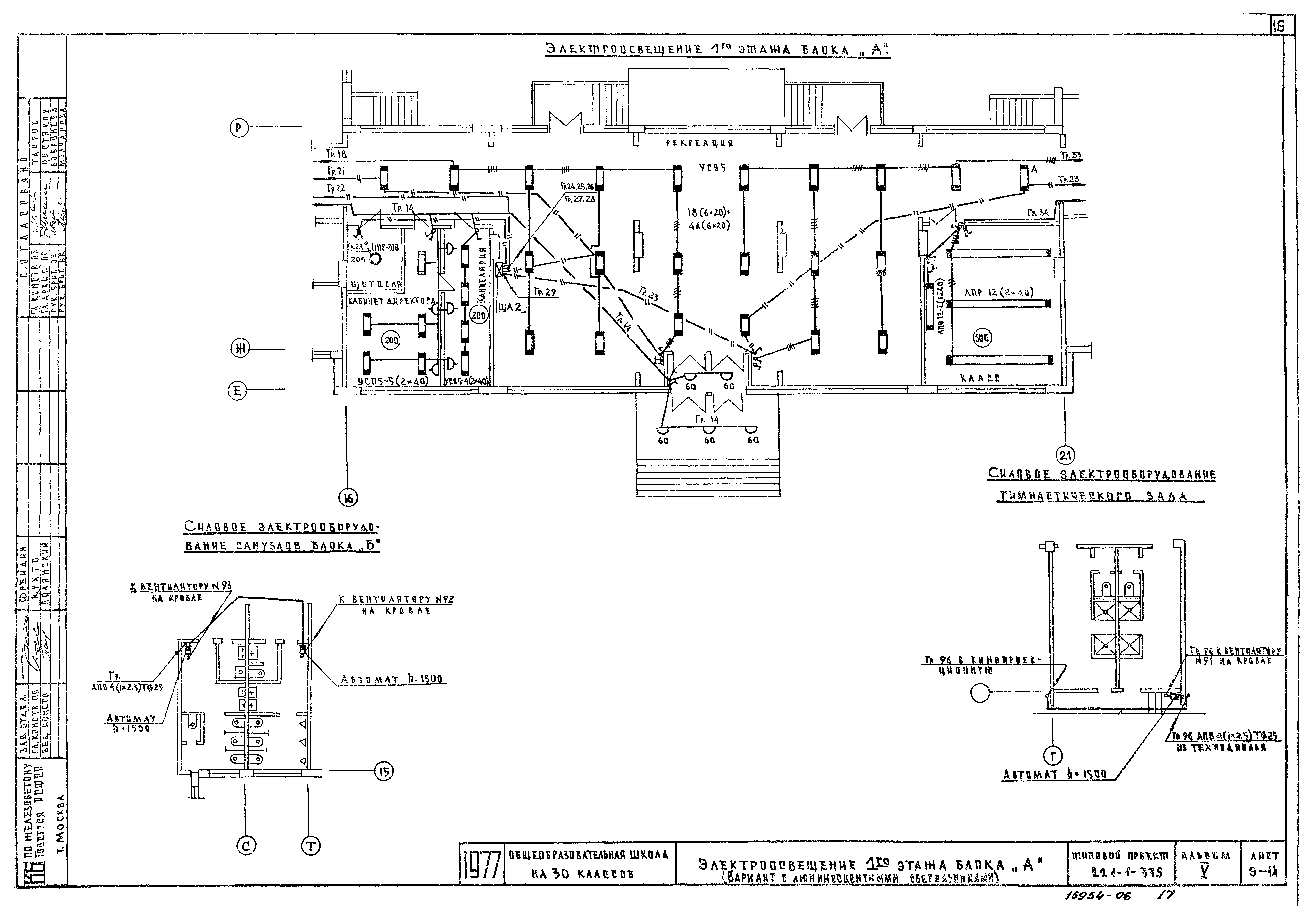
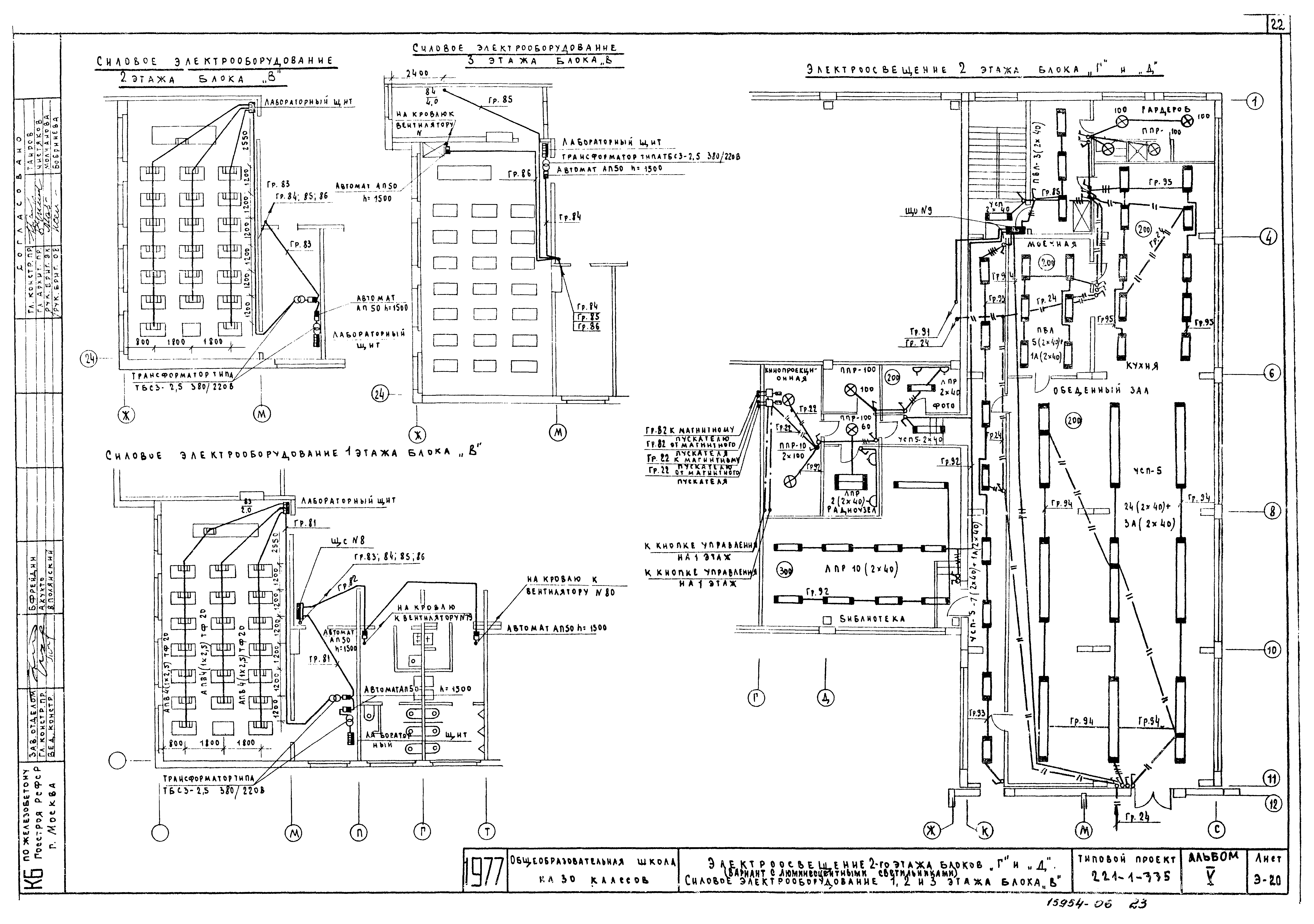
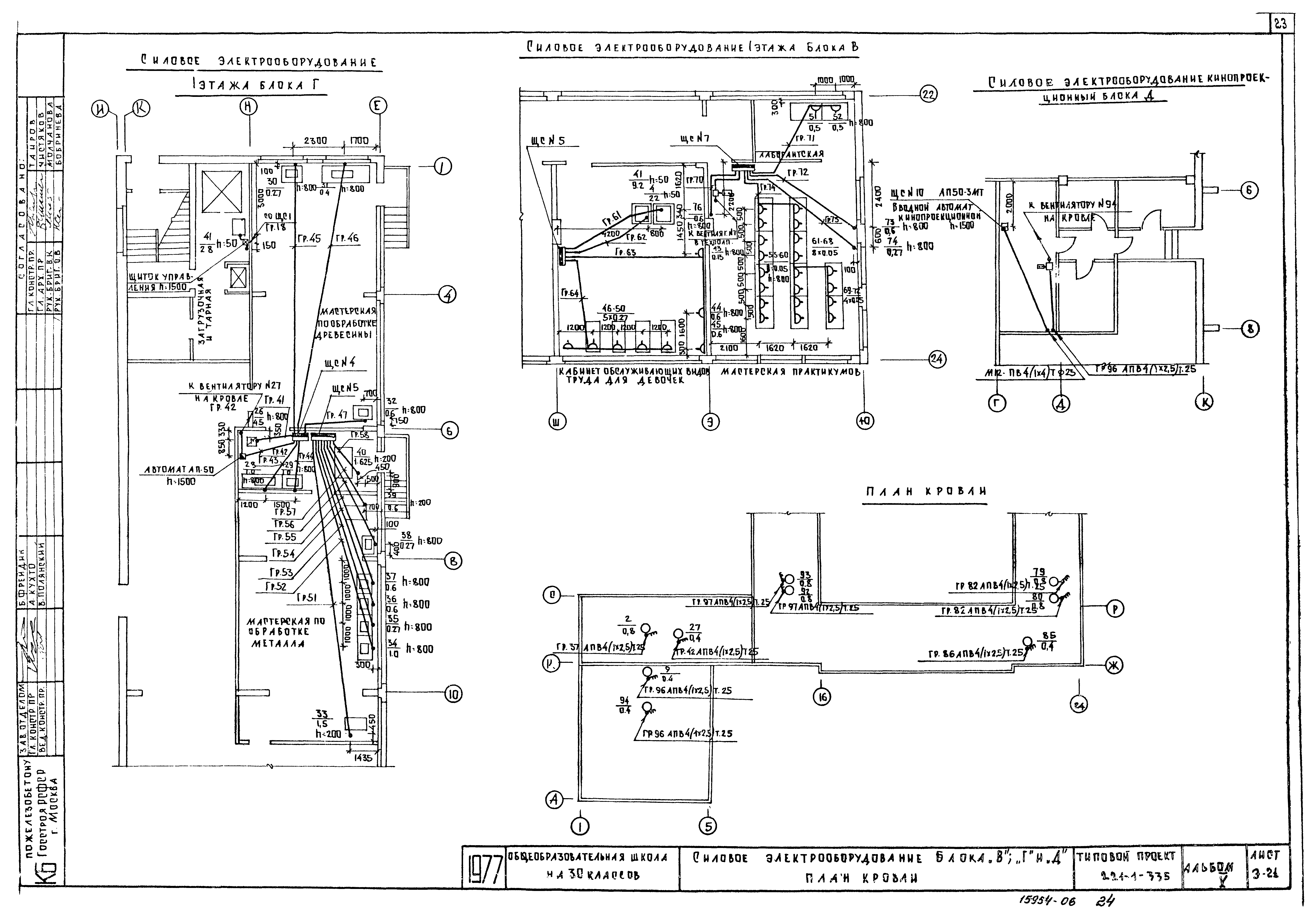
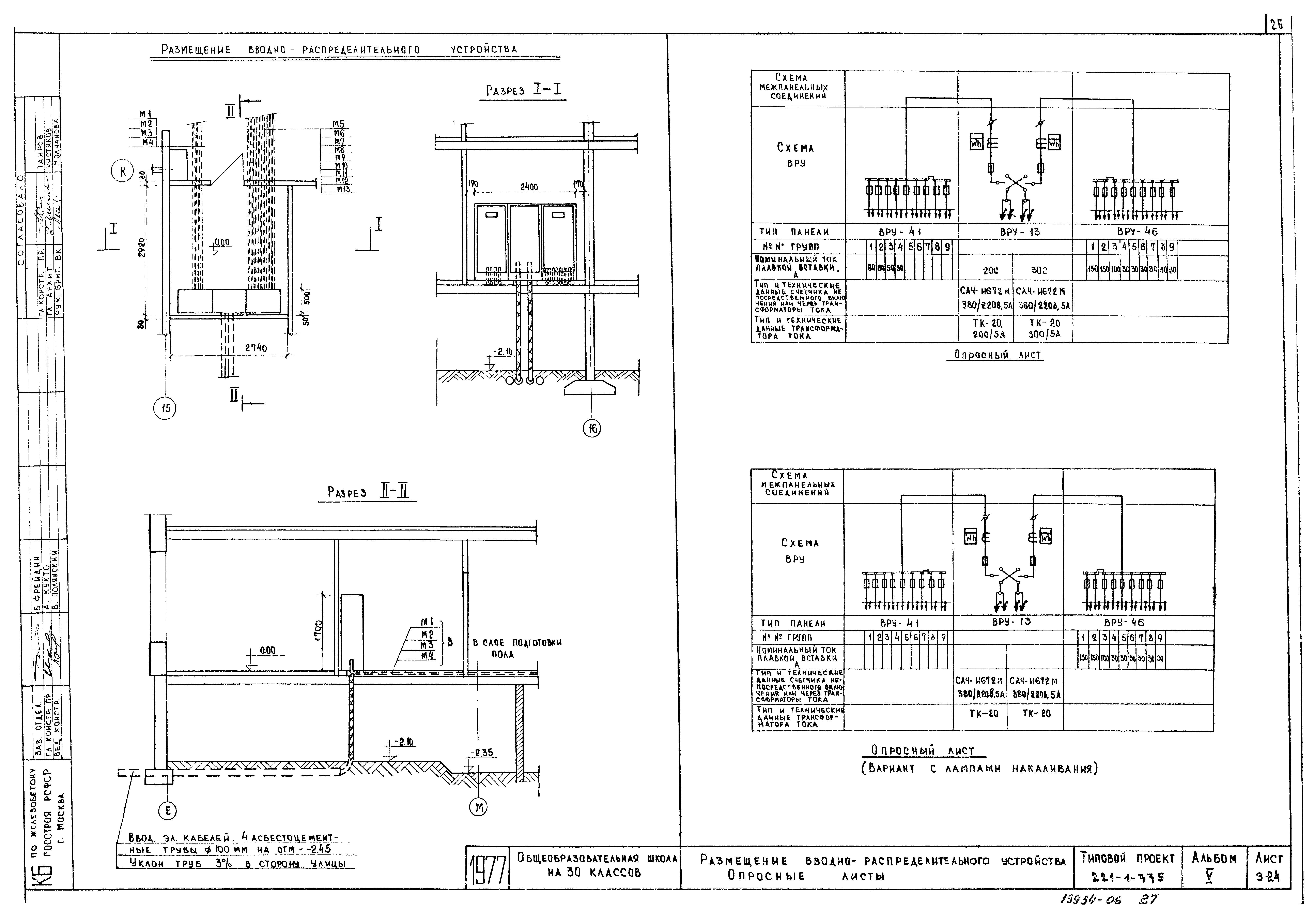
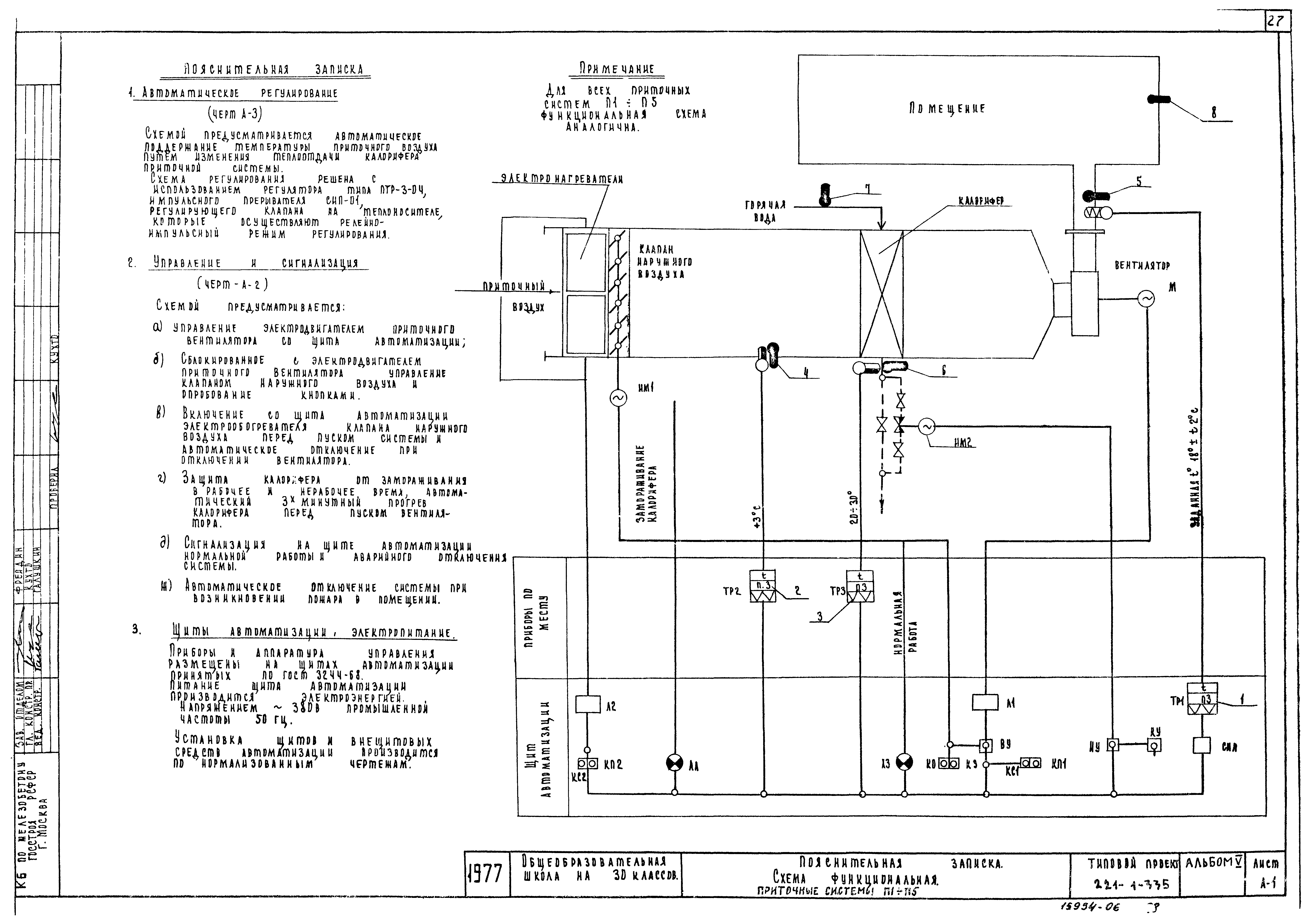
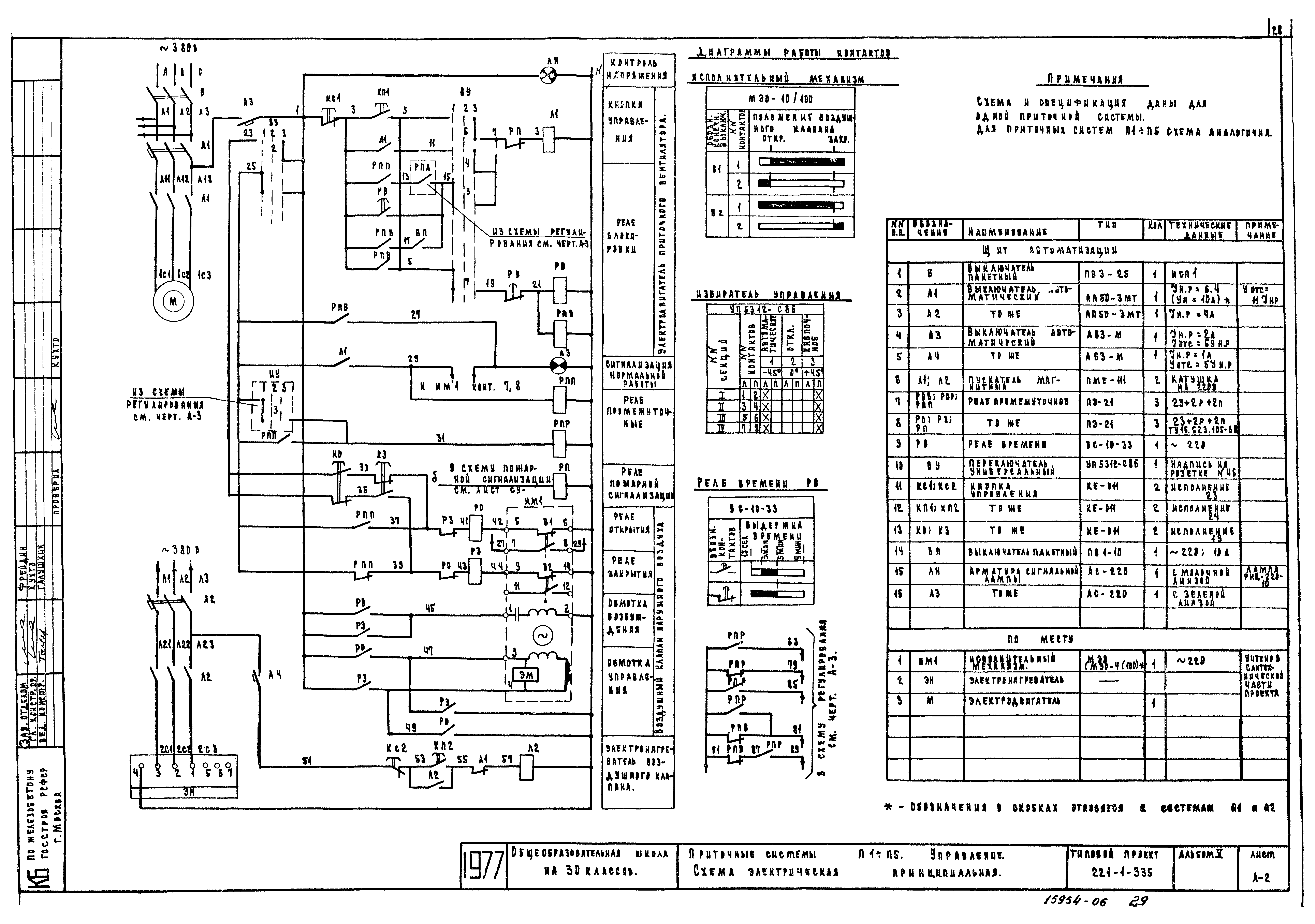
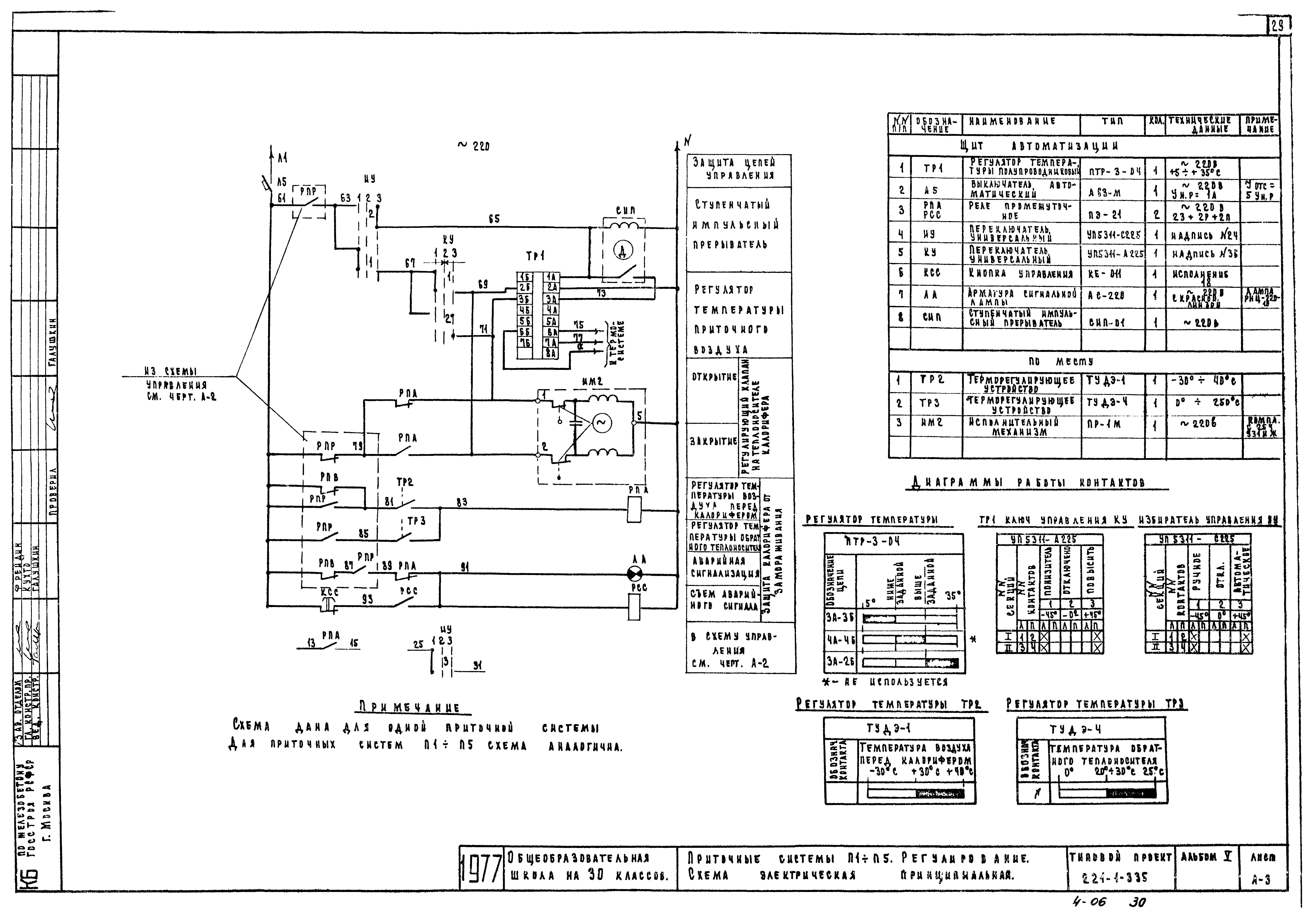
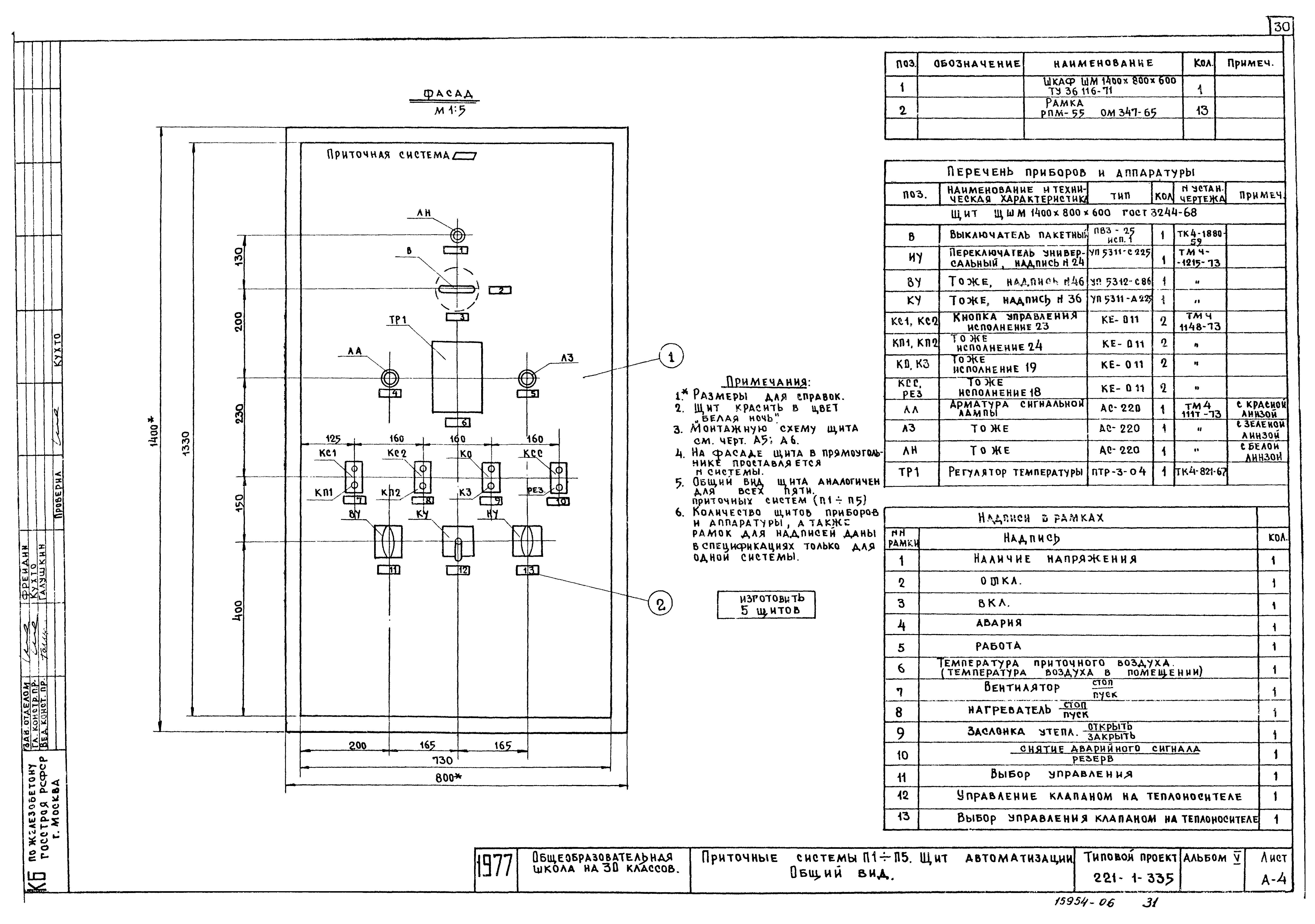
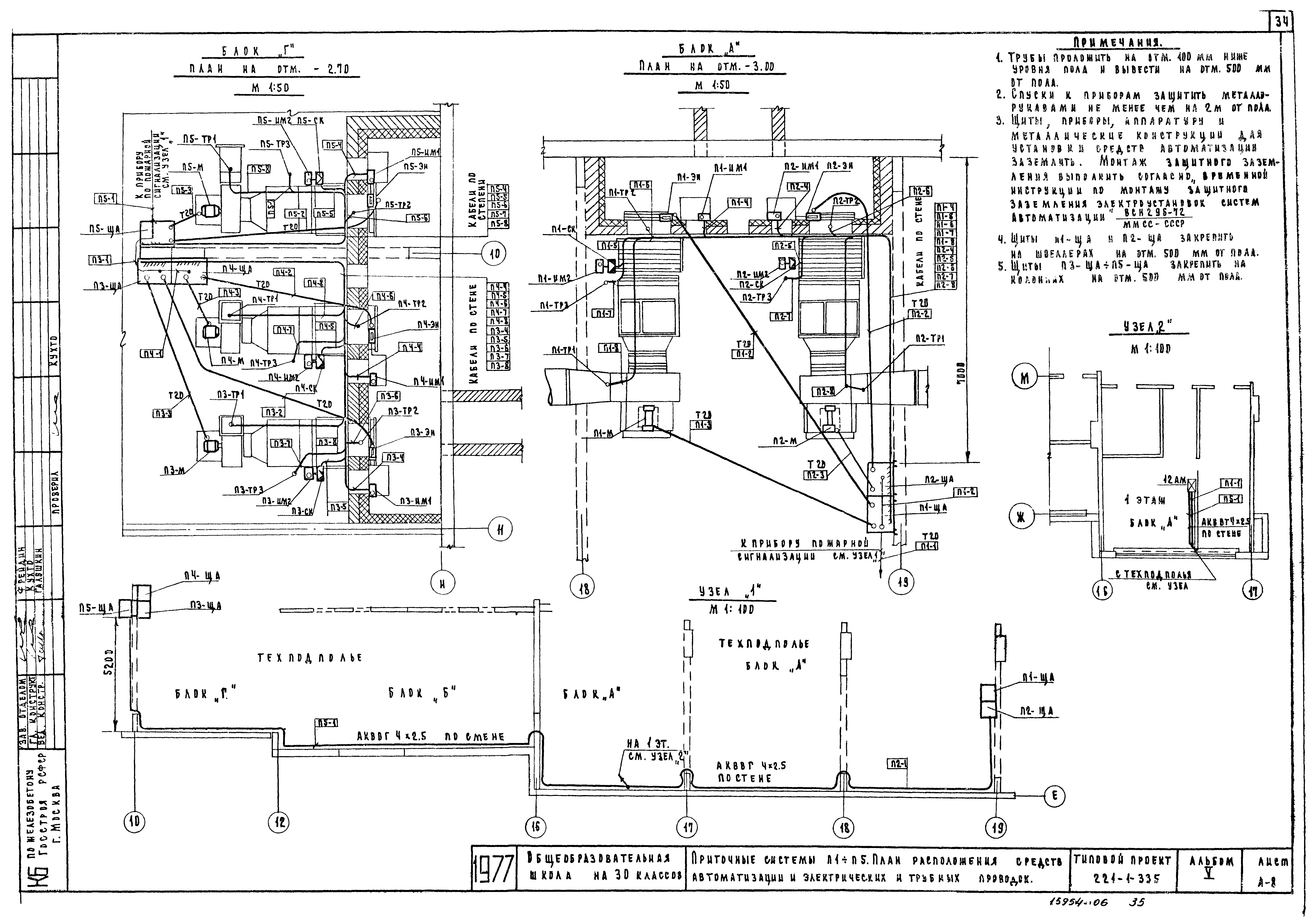
| Оглавление: | Содержание альбома Электрооборудование Основные данные проекта Спецификация и условные обозначения Однолинейная расчетная схема План магистральных электросетей Электроосвещение и силовое оборудование техподполья блоков "А" и "Г" Электроосвещение техподполья блока "Б" и "В" Электроосвещение 1-го этажа. Блок "А". Электроосвещение 2-го этажа. Блоки "Г" и "Д" Электроосвещение 2-го и 3-го этажа. Блок "А" Электроосвещение 1-го этажа. Блоки "В", "Б" Электроосвещение 2-го и 3-го этажей блока "Б" Электроосвещение 2-го и 3-го этажа. Блок "В" Электроосвещение 1-го этажа блоков "Г" и "Д" Однолинейная расчетная схема (вариант с люминесцентными светильниками) Электроосвещение 1-го этажа блока "А" (вариант с люминесцентными светильниками) Электроосвещение 2-го и 3-го этажа блока "А" (вариант с люминесцентными светильниками) Электроосвещение 1-го этажа блоков "В" и "Б" (вариант с люминесцентными светильниками) Электроосвещение 2-го и 3-го этажа блока "Б" (вариант с люминесцентными светильниками) Электроосвещение 2-го и 3-го этажа блока "В" (вариант с люминесцентными светильниками) Электроосвещение 1-го этажа блоков "Г" и "Д" (вариант с люминесцентными светильниками) Электроосвещение 2-го этажа блоков "Г" и "Д" (вариант с люминесцентными светильниками). Силовое электрооборудование 1, 2, 3 этажа блока "В" Силовое электрооборудование блока "В", "Г", "Д". План кровли Расчетная схема силовой сети Силовое электрооборудование пищеблока Расчетная схема электрооборудования пищеблока Размещение вводно-распределительного устройства. Опросные листы Автоматика Пояснительная записка. Схема функциональная. Приточные системы П1 - П5 Приточные системы П1 - П5. Управление. Схема электрическая принципиальная Приточные системы П1 - П5. Регулирование. Схема электрическая принципиальная Приточные системы П1 - П5. Щит автоматизации. Общий вид Приточные системы П1 - П5. Щит автоматизации. Схема монтажная Приточные системы П1 - П5. Схема внешних электрических проводок Приточные системы П1 - П5. План расположения средств автоматизации и электрических и трубных проводок Воздушно-тепловая завеса. Схема электрическая принципиальная Воздушно-тепловая завеса. Щит автоматизации. Общий вид. Схема монтажная Воздушно-тепловая завеса. Схема функциональная. Схема внешних электрических проводок. План расположения средств автоматизации и электрических и трубных проводок |
| Разработан: | КБ по железобетону Госстроя РСФСР |
| Утверждён: | 29.09.1977 Госстрой РСФСР (Russian Federation Gosstroy 70, 72) |






































