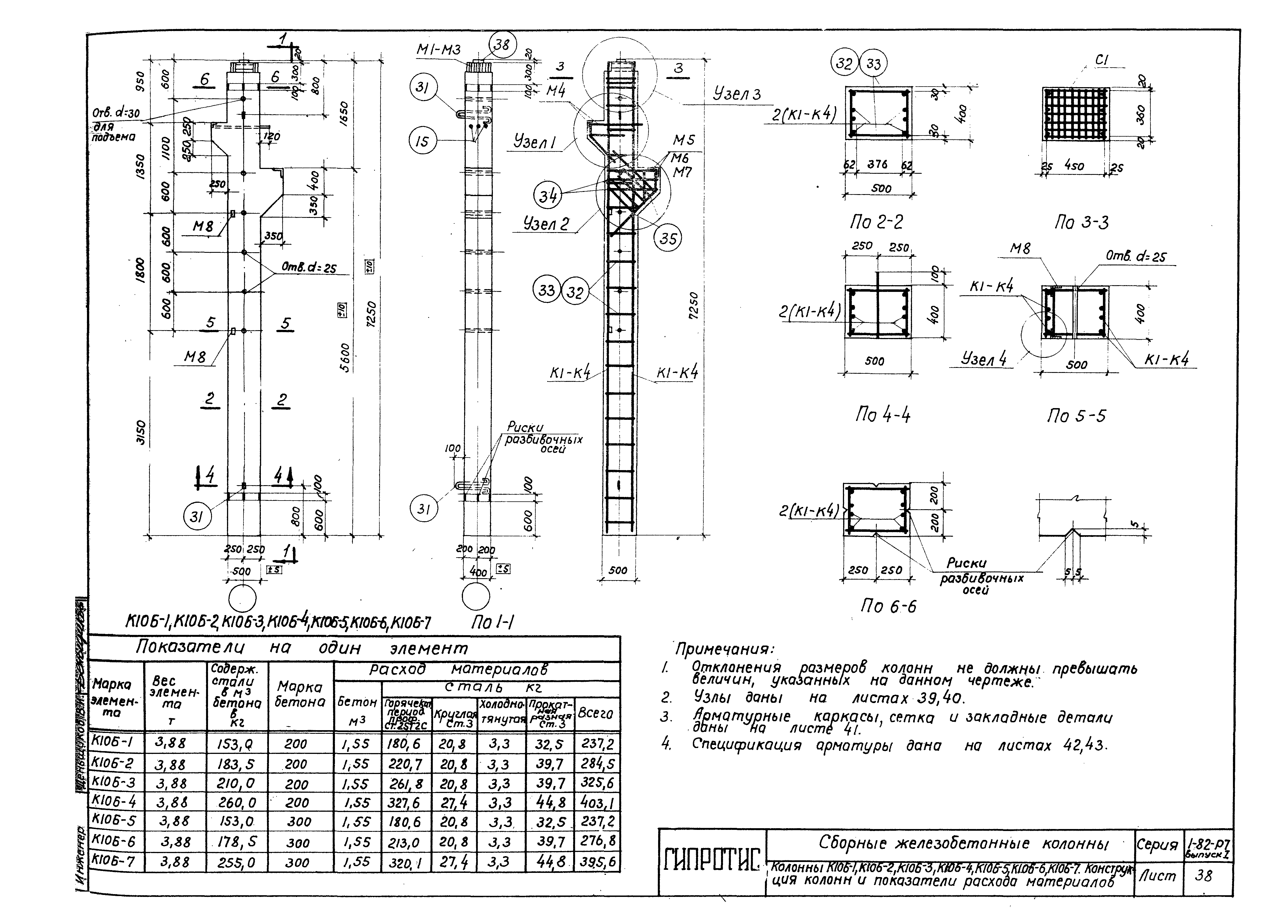
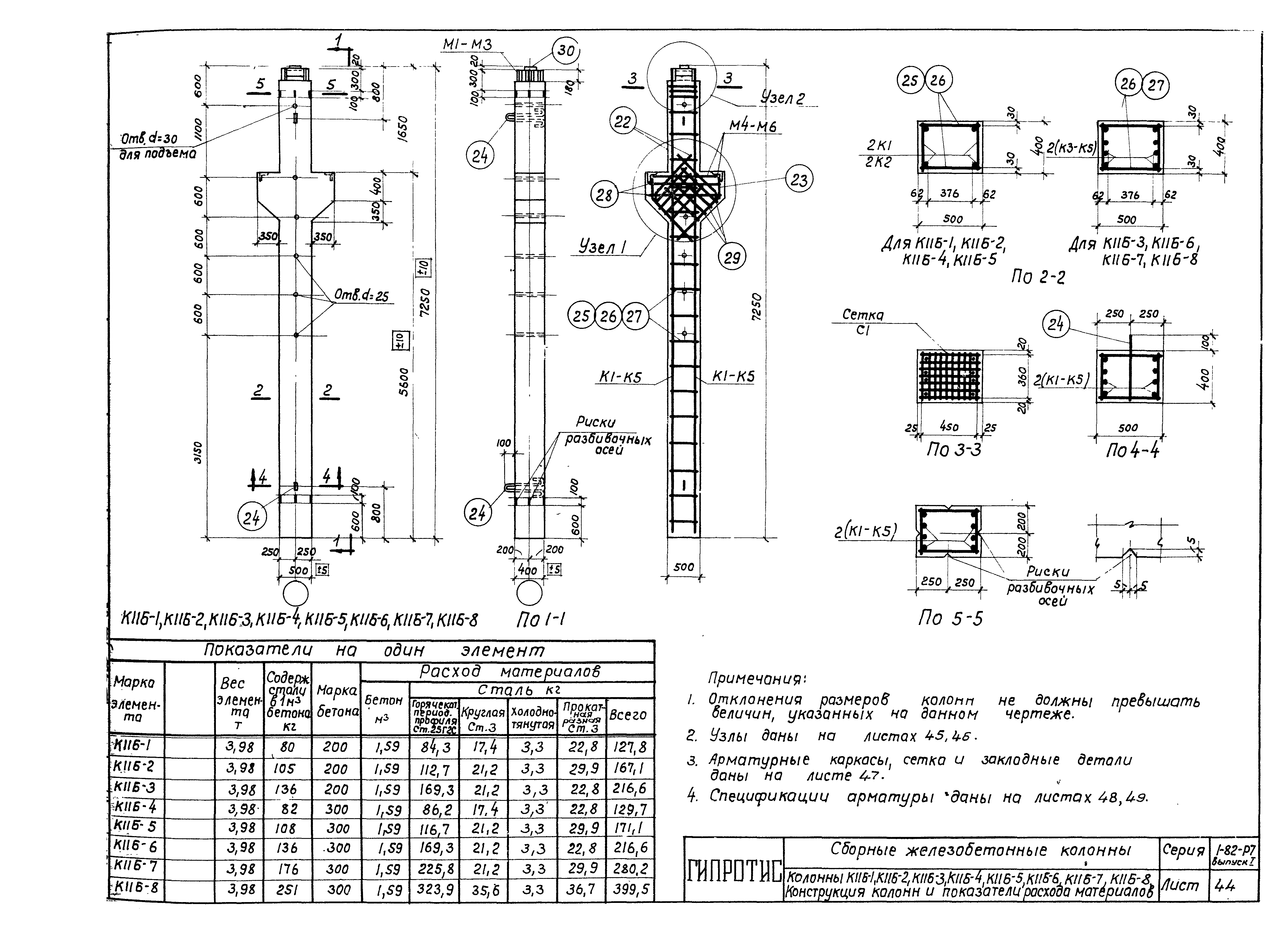
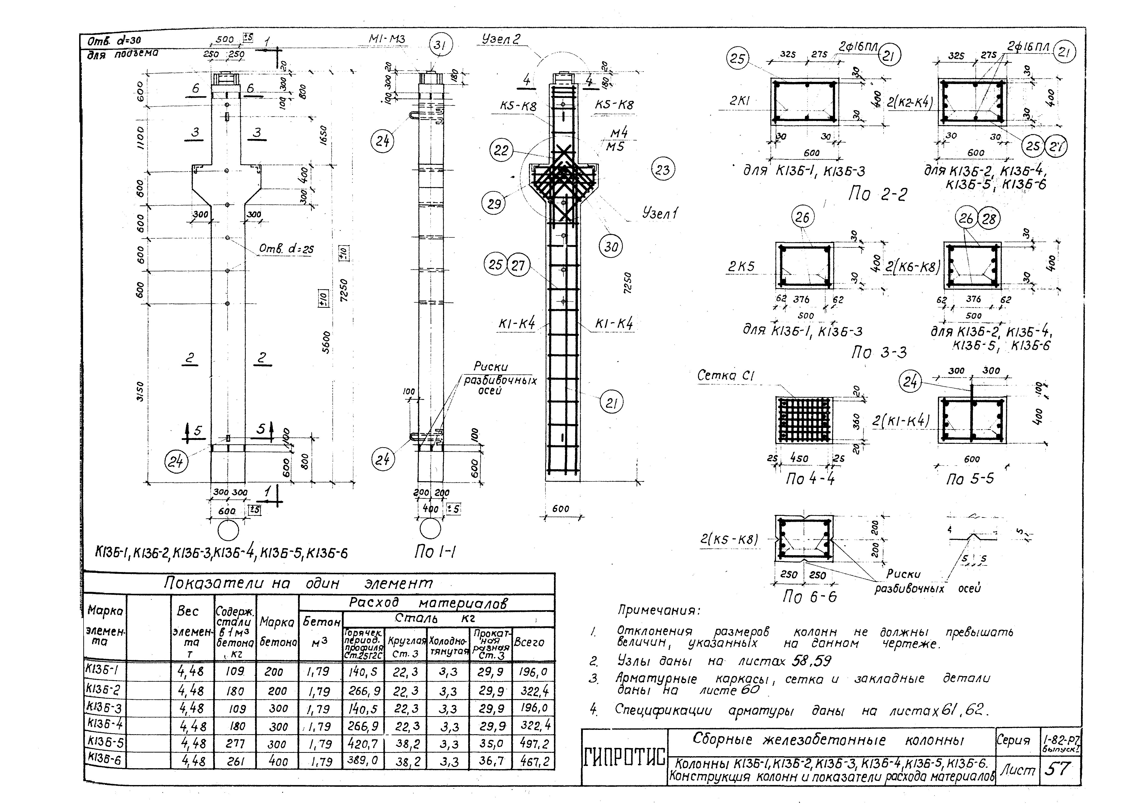
Скачать Серия 1-82-Р7 Альбом VII. Выпуск 1. Сборные железобетонные колонны высотой этажей 6 м. Рабочие чертежиДата актуализации: 01.01.2021 Серия 1-82-Р7
Альбом VII. Выпуск 1. Сборные железобетонные колонны высотой этажей 6 м. Рабочие чертежи| Обозначение: | Серия 1-82-Р7 | | Обозначение англ: | Series 1-82-Р7 | | Статус: | не действует | | Название рус.: | Альбом VII. Выпуск 1. Сборные железобетонные колонны высотой этажей 6 м. Рабочие чертежи | | Дата добавления в базу: | 01.09.2013 | | Дата актуализации: | 01.01.2021 | | Разработан: | Гипротис
| | Утверждён: | 01.01.1958 Главстройпроект Госстроя СССР
|
                                                                  
|