Скачать Часть II Коммунальное обслуживаниеДата актуализации: 01.01.2021
|
| Обозначение: | Часть II |
| Обозначение англ: | Часть II |
| Статус: | не действует |
| Название рус.: | Коммунальное обслуживание |
| Дата добавления в базу: | 01.09.2013 |
| Дата актуализации: | 01.01.2021 |
| Область применения: | В документе содержатся типовые нормы времени и расценки на ремонт и монтаж прачечного оборудования, а также на изготовление предметов похоронного ритуала; нормы времени на обслуживание и нормативы численности рабочих кладбищ; нормативы численности рабочих бань, рабочих по обслуживанию гостиниц. Предназначен для инженерно-технических работников. |
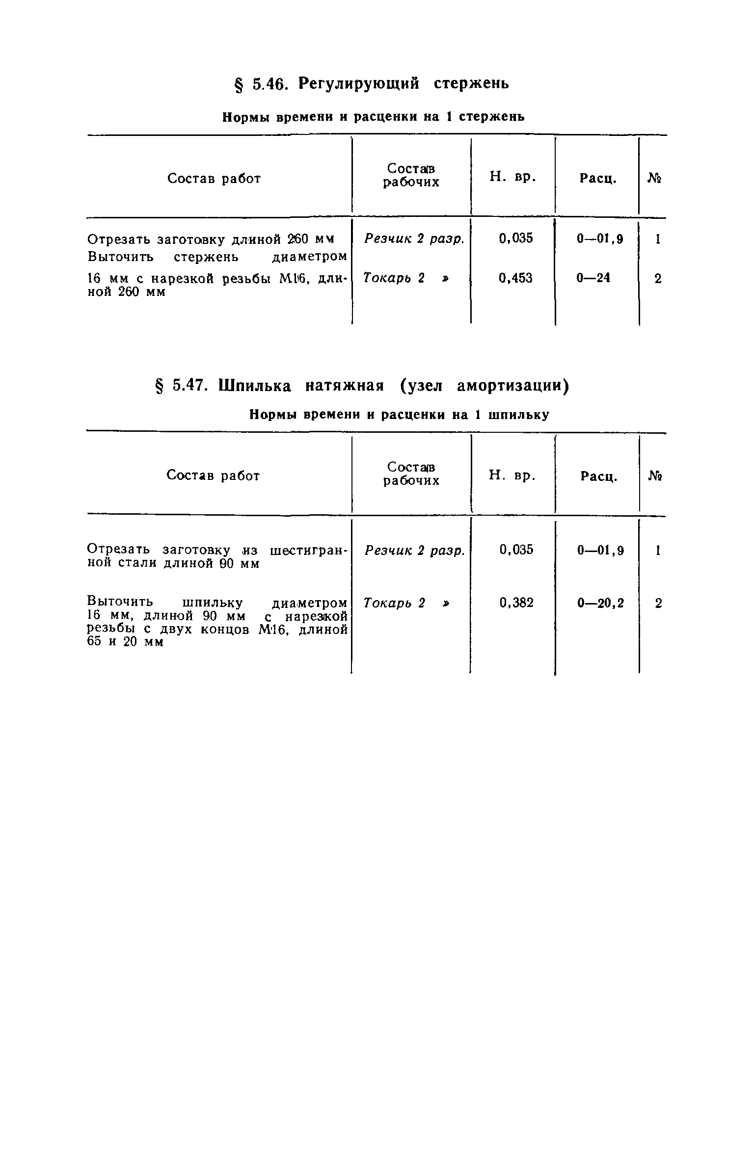
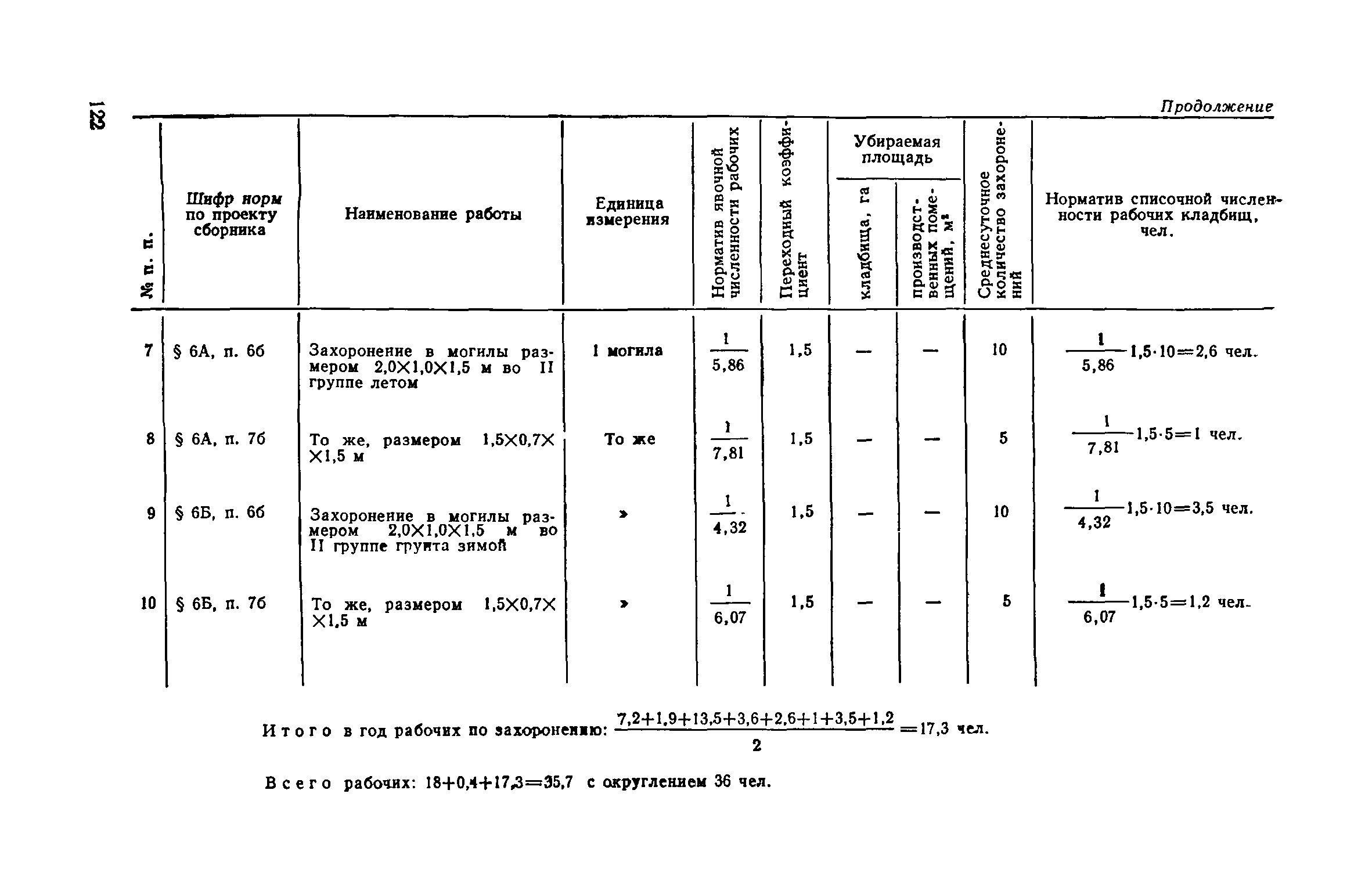
| Оглавление: | Предисловие Типовые нормы времени и расценки на ремонт прачечного оборудования Общая часть Раздел I. Ремонт прачечного оборудования Глава 1. Ремонт стиральных машин 1.1. Разработка стиральных машин 1.2. Ремонт внутренних и наружных барабанов и спускных клапанов 1.3. Сборка стиральных машин 1.4. Ремонт редукторов стиральных машин 1.5. Регулировка и опробование машин после ремонта Глава 2. Ремонт центрифуг 2.6. Разработка центрифуг 2.7. Ремонт деталей центрифуг 2.8. Сборка центрифуг 2.9. Регулирование и опробование центрифуг после ремонта Глава 3. Ремонт сушильных барабанов 3.10. Разработка сушильных барабанов 3.11. Ремонт деталей сушильных барабанов 3.12. Сборка сушильных барабанов 3.13. Регулирование и опробование сушильных барабанов Глава 4. Сушильно-гладильные машины А. Сушильно-гладильные катки 4.14. Разработка катков 4.15. Ремонт деталей катков 4.16. Сборка катков 4.17. Регулирование и опробование катков Б. Ремонт сушильно-гладильных каландров 4.18. Разработка сушильно-гладильных каландров 4.19. Ремонт деталей сушильно-гладильных каландров 4.20. Сборка сушильно-гладильных каландров 4.21. Регулирование и опробование сушильно-гладильных каландров В. Ремонт прессов 4.22. Разработка прессов 4.23. Сборка прессов 4.24. Разработка прессов РОМО (KZS-02) и ПК-4 для глажения рукавов мужских сорочек 4.25. Сборка прессов РОМО и ПК-30 для глажения рукавов мужских сорочек с заменой изношенных деталей 4.26. Разработка прессов РОМО (KZS-01) и ПК-30 для глажения воротничков и манжет мужских сорочек 4.27. Сборка прессов РОМО и ПК-30 для глажения воротничков и манжет мужских сорочек 4.28. Разработка прессов РОМО (KZS-03) и ПК-29 для глажения корпусов мужских сорочек 4.29. Сборка прессов РОМО и ПК-29 для глажения корпусов мужских сорочек 4.30. Разработка стола для складывания мужских сорочек 4.31. Сборка стола для складывания мужских сорочек с заменой изношенных деталей Техническая часть Раздел II. Изготовление деталей и узлов прачечного оборудования Глава 5. Изготовление деталей центрифуг 5.32. Валы 5.33. Амортизационные болты 5.34. Корончатая гайка 5.35. Шайбы 5.36. Тяги 5.37. Специальный болт 5.38. Винты 5.39. Валики 5.40. Втулки 5.41. Фланцы 5.42. Узел тормоза 5.43. Педаль тормоза 5.44. Центробежная муфта 5.45. Детали монтажной рамы 5.46. Регулирующий стержень 5.47. Шпилька натяжная (узел амортизации) Глава 6. Изготовление деталей для стиральных машин А.С Торцевой загрузкой 6.48. Полуось с фланцем 6.49. Ось вилки и клапана 6.50. Шкив ведущий 6.51. Втулки 6.52. Прокладки Б. С боковой загрузкой 6.53. Полуоси с фланцем 6.54. Детали спускного клапана 6.55. Детали узла редуктора 6.56. Узел-центробежно-фрикционная муфта 6.57. Замок крышки внутреннего барабана 6.58. Крышки внутреннего барабана 6.59. Ручка крышки наружного барабана 6.60. Детали внутреннего барабана и опор Глава 7. Изготовление деталей для сушильно-гладильных каландров 7.61. Вал (узел) 7.62. Валок облегающего транспортера 7.63. Валок вводного транспортера 7.64. Детали транспортеров и привода транспортеров 7.65. Детали валков и механизма амортизации 7.66. Втулки полуосей 7.67. Подшипники скольжения полуосей парового цилиндра 7.68. Прокладка для парового цилиндра 7.69. Винт регулирующий 7.70. Тяга Типовые нормы времени и расценки на монтаж прачечного оборудования Общая часть 1. Монтаж стиральных машин 2. Монтаж центрифуг 3. Монтаж сушильных барабанов 4. Монтаж сушильно-гладильных катков 5. Монтаж вакуум-катка марки 11220/3 (ГДР) 6. Монтаж сушильно-гладильных каландров 7. Монтаж прессов Типовые нормы времени и расценки на изготовление предметов похоронного ритуала Общая часть Техническая часть Глава 1. Изготовление и отделка гробов 1. Сборка гробов из готовых элементов 2. Сборка гробов с заготовкой и обработкой пиломатериалов 3. Окраска гробов водными составами 4. Масляная окраска гробов 5. Обивка гробов 6. Крепление к гробам ножек и ручек 7. Крепление к гробам картонажных изделий 8. Изготовление ножек к гробам и варварок для кистей на токарном станке 9. Изготовление кистей к гробам 10. Приготовление окрасочных составов Глава 2. Обработка пиломатериалов 11. Распиловка пиломатериалов на маятниковой пиле 12. Продольное распиливание пиломатериалов на круглопильном станке с ручной подачей 13. Обработка пиломатериалов на фуговальном станке 14. Обработка пиломатериалов на рейсмусовом станке 15. Перестановка режущего инструмента 16. Обработка пиломатериалов электроинструментом 17. Ручная обработка пиломатериалов 18. Разметка и маркировка деталей Глава 3. Точка и правка инструмента 19. Точка пил 20. Точка инструмента 21. Смена топорищ Глава 4. Изготовление искусственных цветов 22. Изготовление искусственных цветов из древесной стружки 23. Изготовление искусственных цветов из бумаги 24. Изготовление искусственных цветов из ткани 25. Изготовление искусственных цветов из тонколистовой стали Глава 5. Изготовление венков и гирлянд 26. Изготовление остовов из проволоки 27. Изготовление остовов из ивовых прутьев 28. Сборка венков с цветами из стружки и бумаги 29. Сборка венков с металлическими цветами 30. Изготовление основ гирлянд 31. Сборка гирлянд 32. Изготовление листьев из бумаги 33. Изготовление листьев из картона 34. Изготовление листьев из тонколистовой стали 35. Окраска бумаги, парафинирование цветов Глава 6. Изготовление покрывал, тапочек, нарукавников, орденских подушек и траурных лент 36. Изготовление покрывал 37. Изготовление тапочек 38. Изготовление нарукавников 39. Изготовление орденских подушек 40. Изготовление траурных лент 41. Написание букв на траурных лентах и табличках Глава 7. Высечка букв, эмблем на памятниках и плитах и написание букв красками 42. Высечка букв на граните и мраморе 43. Высечка эмблем 44. Бронзировка и позолота букв, эмблем на памятниках и плитах Типовые нормы времени, нормы обслуживания и нормативы численности рабочих кладбищ I. Общая часть II. Организация труда III. Нормативная часть 1. Норма обслуживания и норматив численности рабочих по уходу за территориями кладбищ и надгробиями 2. Норма обслуживания и норматив численности уборщиков производственных помещений 3. Норма обслуживания и норматив численности катафальщиков 4. Нормы времени и нормы обслуживания на рытье могил вручную 5. Нормы времени и нормы обслуживания на рытье могил одноковшовым экскаватором-обратная лопата 6. Нормы времени и нормы обслуживания на захоронение Приложение 1. Пример расчета списочной численности рабочих кладбищ Приложение 2. Температурные зоны Приложение 3. Распределение грунтов на группы в зависимости от трудности их разработки вручную Нормативы численности рабочих бань Общая часть Нормативная часть 1. Гардеробщики 2. Дежурные раздевального отделения 3. Банщики А. При обслуживании мыльно-парильных отделений Б. При обслуживании ванно-душевых отделений 4. Кастелянши 5. Слесари-сантехники 6. Электромонтеры по обслуживанию электрооборудования 7. Истопники 8. Машинисты (кочегары) котельной 9. Уборщики служебных помещений 10. Педикюрши Приложение. Перечень оборудования и категории ремонтной сложности Нормативы численности рабочих по обслуживанию гостиниц Общая часть Нормативная часть 1. Нормативы численности гардеробщиков 2. Нормативы численности кастелянш 3. Нормативы численности кладовщиков 4. Нормы обслуживания и нормативы численности горничных 5. Нормативы численности слесарей-сантехников 6. Нормативы численности электромонтеров по обслуживанию электрооборудования 7. Нормативы численности столяров 8. Нормативы численности швейцаров 9. Нормативы численности лифтеров Приложение. Классификатор для обсчета основного работающего оборудования в единицах ремонтной сложности |
| Разработан: | Центральная нормативно-исследовательская станция |
| Утверждён: | Министерство жилищно-коммунального хозяйства РСФСР |
| Издан: | Стройиздат (1980 г. ) |

































































































































































































