Скачать Типовой проект 905-40 Альбом V. СметыДата актуализации: 01.01.2021
|
| Обозначение: | Типовой проект 905-40 |
| Обозначение англ: | 905-40 |
| Статус: | действует |
| Название рус.: | Альбом V. Сметы |
| Дата добавления в базу: | 01.09.2013 |
| Дата актуализации: | 01.01.2021 |
| Дата введения: | 30.11.1975 |
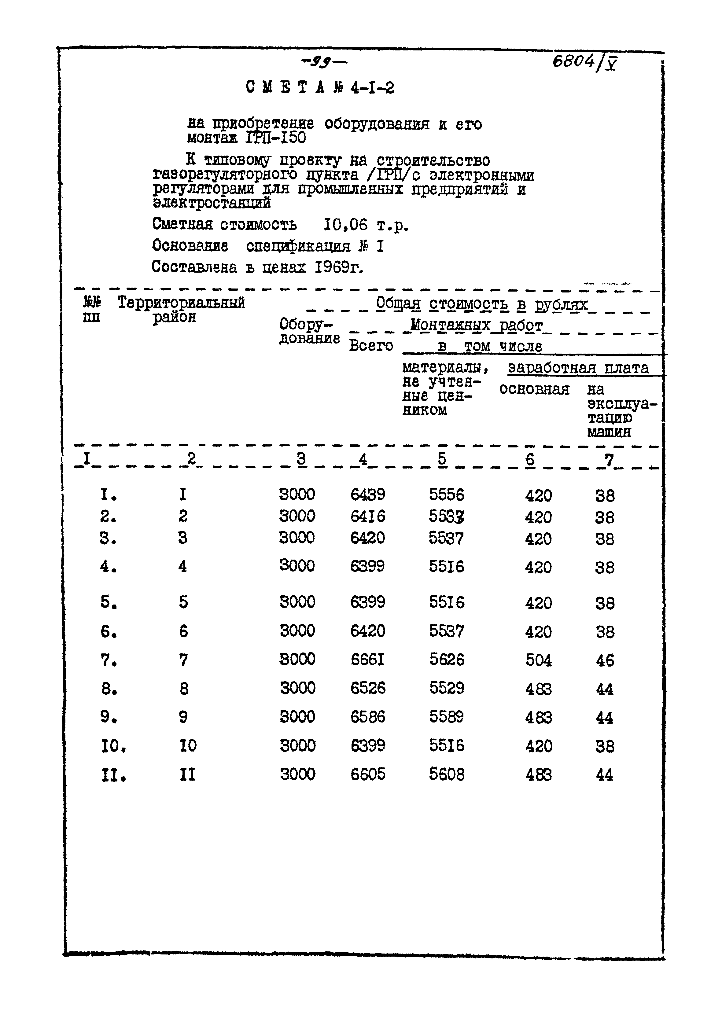
| Оглавление: | Пояснительная записка Объектная схема №1 на ГРП-150 Объектная схема №2 на ГРП-200 Объектная схема №3 на ГРП-250 Объектная схема №4 на ГРП-300 Сводка объемов и стоимость работ ГРП-150 Сводка объемов и стоимость работ ГРП-200 Сводка объемов и стоимость работ ГРП-250 Сводка объемов и стоимость работ ГРП-300 Локальная смета №1-1-1. Земляные работы Локальная смета №1-1-2. Фундаменты Локальная смета №1-1-3. Стены Локальная смета №1-1-4. Покрытия Локальная смета №1-1-5. Кровля Локальная смета №1-1-6. Проемы Локальная смета №1-1-7. Полы Локальная смета №1-1-8. Отделочные работы Локальная смета №1-1-9. Прочие работы Локальная смета №2-1-1. Отопление (теплоноситель пар), санитарно-технические работы Локальная смета №2-1-2. Отопление (теплоноситель пар), общестроительные работы Локальная смета №2-1-3. Вентиляция (теплоноситель пар) Локальная смета №2-1-4. Отопление (теплоноситель вода), санитарно-технические работы Локальная смета №2-1-5. Отопление (теплоноситель вода), общестроительные работы Локальная смета №2-1-6. Вентиляция (теплоноситель вода) Локальная смета №3-1-1. Электроосвещение и силовое электрооборудование Локальная смета №3-1-2. Телефонизация Локальная смета №3-1-3. Грозозащита и заземление (общестроительные работы) Локальная смета №3-1-4. Грозозащита и заземление (монтажные работы) Локальная смета №4-1-1. Технологическое оборудование ГРП-150 (строительная часть) Локальная смета №4-1-2. Технологическое оборудование ГРП-150 (технологическая часть) Локальная смета №4-1-3. Технологическое оборудование ГРП-200 (строительная часть) Локальная смета №4-1-4. Технологическое оборудование ГРП-200 (технологическая часть) Локальная смета №4-1-5. Технологическое оборудование ГРП-250 (строительная часть) Локальная смета №4-1-6. Технологическое оборудование ГРП-250 (технологическая часть) Локальная смета №4-1-7. Технологическое оборудование ГРП-300 (строительная часть) Локальная смета №4-1-8. Технологическое оборудование ГРП-300 (технологическая часть) Локальная смета №4-1-9. Технологическое оборудование ГРП-150 - нитки малого расхода (строительная часть) Локальная смета №4-1-10. Технологическое оборудование ГРП-150 - нитки малого расхода (технологическая часть) Локальная смета №4-1-11. Технологическое оборудование ГРП-200 - нитки малого расхода (строительная часть) Локальная смета №4-1-12. Технологическое оборудование ГРП-200 - нитки малого расхода (технологическая часть) Локальная смета №4-1-13. Технологическое оборудование ГРП-250 - нитки малого расхода (строительная часть) Локальная смета №4-1-14. Технологическое оборудование ГРП-250 - нитки малого расхода (технологическая часть) Локальная смета №4-1-15. Технологическое оборудование ГРП-300 - нитки малого расхода (строительная часть) Локальная смета №4-1-16. Технологическое оборудование ГРП-300 - нитки малого расхода (технологическая часть) Локальная смета №4-1-17. Подземные газопроводы ГРП-150 Локальная смета №4-1-18. Подземные газопроводы ГРП-200 Локальная смета №4-1-19. Подземные газопроводы ГРП-250 Локальная смета №4-1-20. Подземные газопроводы ГРП-300 Локальная смета №4-1-21. Опоры под газопровод Локальная смета №4-1-22. Металлические площадки для обслуживания Локальная смета №4-1-23. Фундаменты под оборудование Локальная смета №4-1-24. Протекторная защита Локальная смета №5-1-1. КИП и автоматика (строительная часть) Локальная смета №5-1-2. КИП и автоматика (технологическая часть) Локальная смета №5-1-3. КИП и автоматика нитки малого расхода (строительная часть) Локальная смета №5-1-4. КИП и автоматика нитки малого расхода (технологическая часть) Сводная ведомость потребности в производственных ресурсах Ведомость объемов строительных работ |
| Разработан: | Укргипроинжпроект МКХ УССР |
| Утверждён: | 28.11.1975 Укргипроинжпроект (168) |







































































































































































