Скачать Методическое руководство по планированию развития производственных мощностей строительно-монтажных организаций

Дата актуализации: 01.01.2021

Методическое руководство по планированию развития производственных мощностей строительно-монтажных организаций

Статус:не действует
Название рус.:Методическое руководство по планированию развития производственных мощностей строительно-монтажных организаций
Дата добавления в базу:01.09.2013
Дата актуализации:01.01.2021
Область применения:Документ освещает основные положения по планированию развития и определению наличных и потребных производственных мощностей строительно-монтажных организаций. Излагается порядок расчета необходимых производственных фондов и капитальных вложений для наращивания производственных мощностей. Руководство может быть использовано при планировании развития производственных мощностей в строительных министерствах, главках, объединениях, комбинатах, строительно-монтажных трестах и предназначено для инженерно-технических работников строительных организаций.
Оглавление:Введение
1. Общая часть
   Основные положения по планированию развития производственных мощностей строительно-монтажных организаций
   Формирование планов развития производственных мощностей строительно-монтажных организаций
2. Определение производственных мощностей строительно-монтажных организаций на основе прогрессивного показателя фондоотдачи
   Методы расчета производственных мощностей строительно-монтажных организаций
   Пример расчета производственной мощности строительно-монтажного объединения и разработки плана ее развития
3. Определение производственной мощности строительных объединений на основе динамических нормативов фондооснащенности (система "основные производственные фонды-труд")
   Методы расчета производственной мощности строительных объединений на основе нормативов фондооснащенности
   Примеры расчета производственных мощностей строительных объединений
4. Особенности нормативного комплекса фондооснащенности строительных объединений
   Назначение, состав и структура нормативов
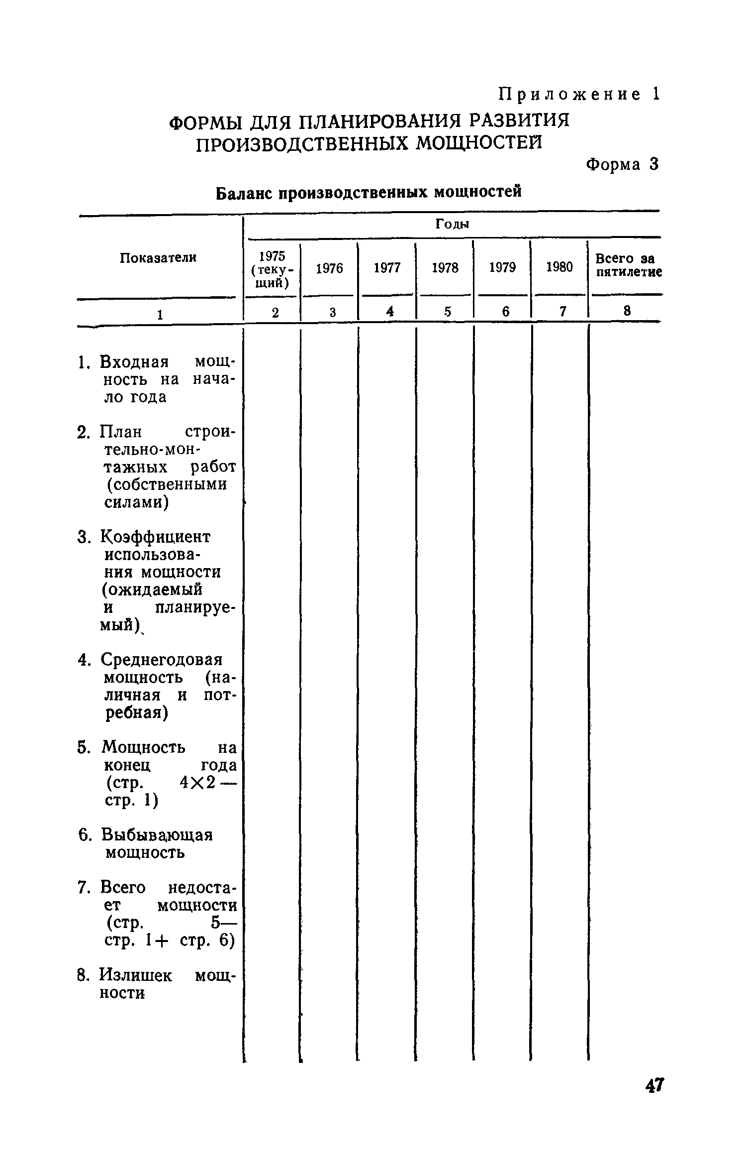
Приложение 1. Формы для планирования развития производственных мощностей
Разработан: Научно-исследовательский институт экономики строительства Госстроя
ГНИВЦ Мосгорисполкома
Утверждён: НИИЭС Госстроя СССР
Издан: Стройиздат (1978 г. )