Скачать Серия 03.005-7 Выпуск 0-1. Часть II. Конструктивные решения входов и аварийных выходов защитных сооружений в сухих грунтах. Материалы для проектированияДата актуализации: 01.01.2021
|
| Обозначение: | Серия 03.005-7 |
| Обозначение англ: | Series 03.005-7 |
| Статус: | не определен законодательством |
| Название рус.: | Выпуск 0-1. Часть II. Конструктивные решения входов и аварийных выходов защитных сооружений в сухих грунтах. Материалы для проектирования |
| Дата добавления в базу: | 01.09.2013 |
| Дата актуализации: | 01.01.2021 |
| Дата введения: | 01.09.1990 |
| Дата окончания срока действия: | 30.06.2003 |
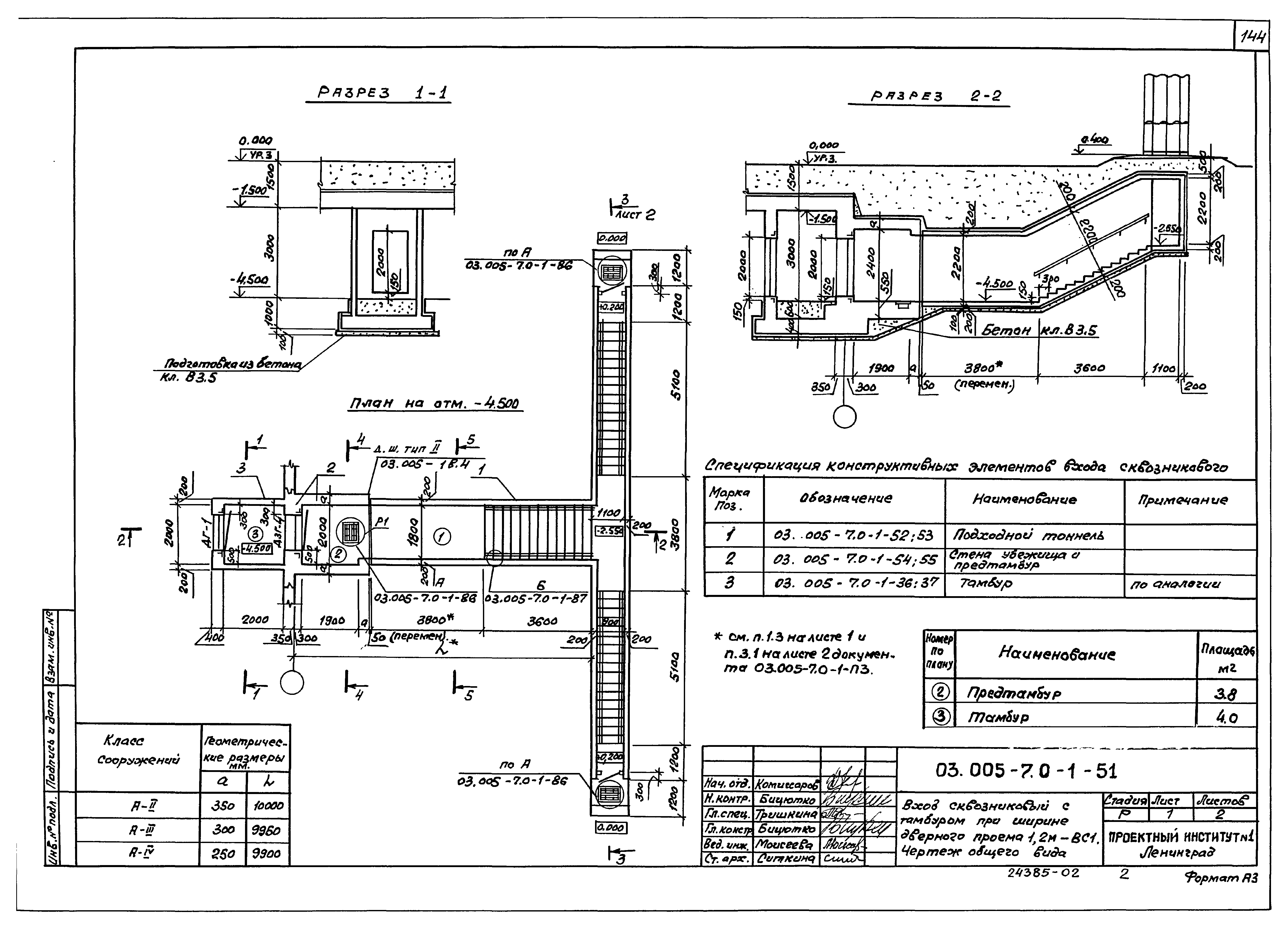
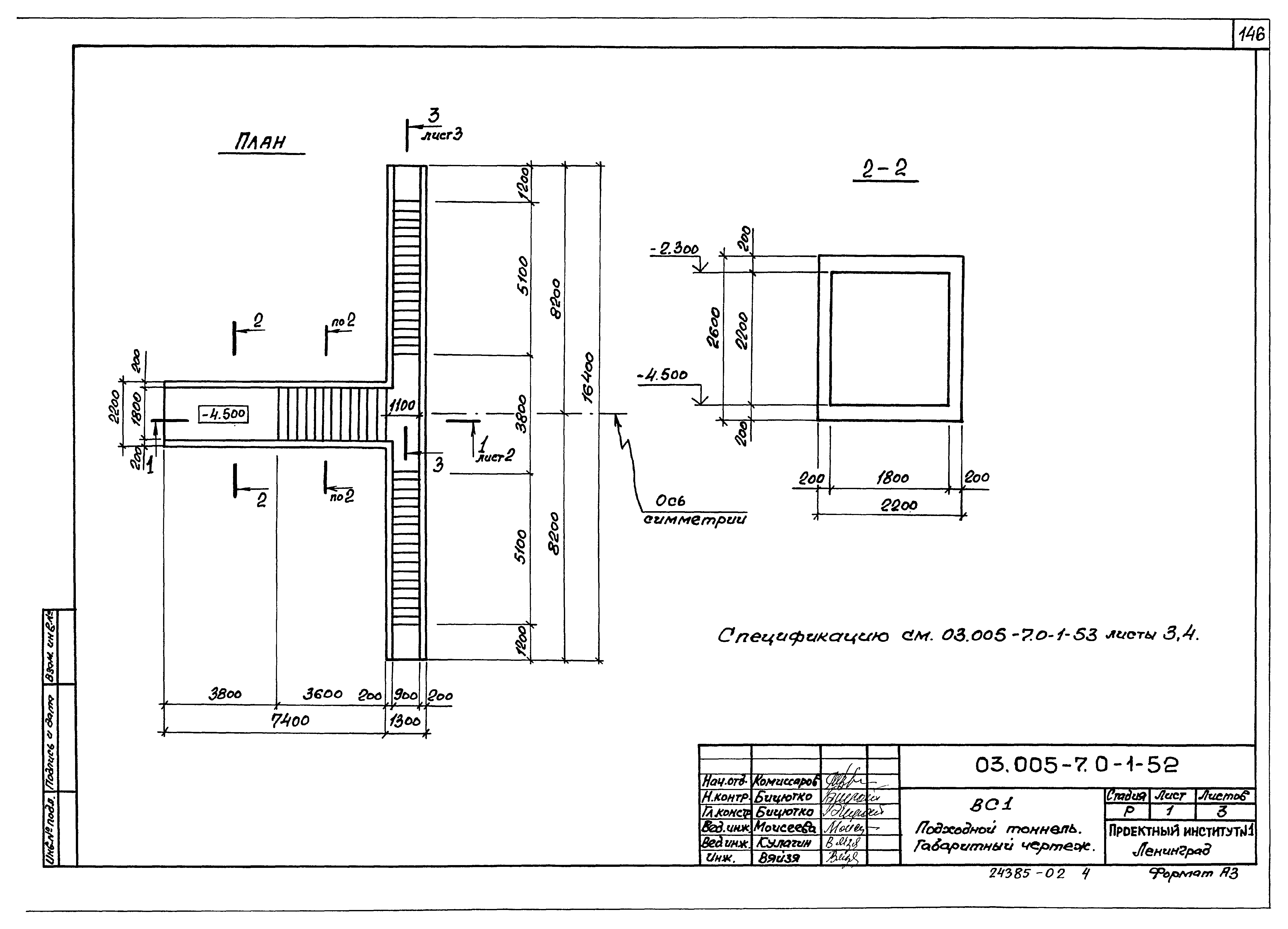
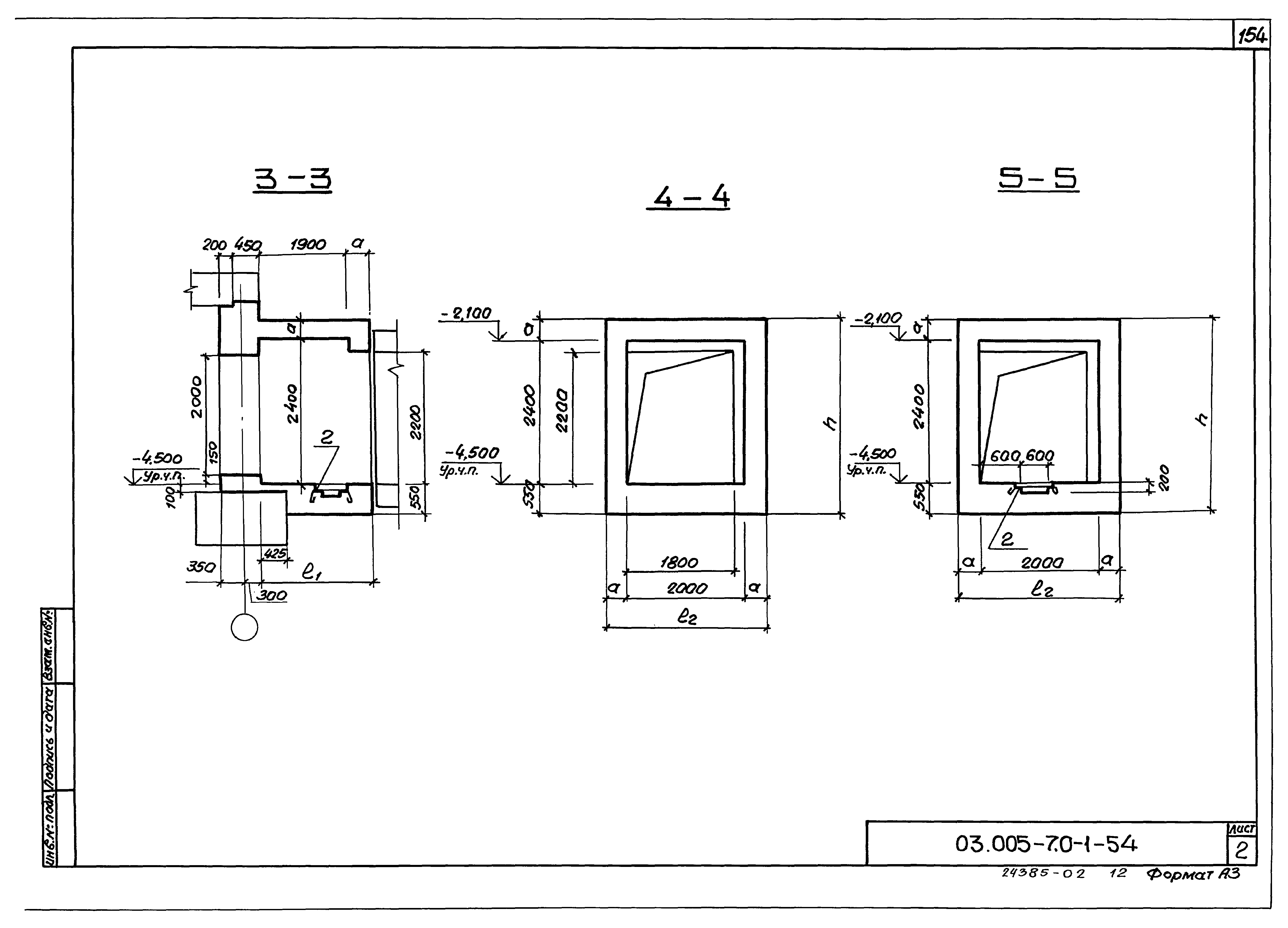
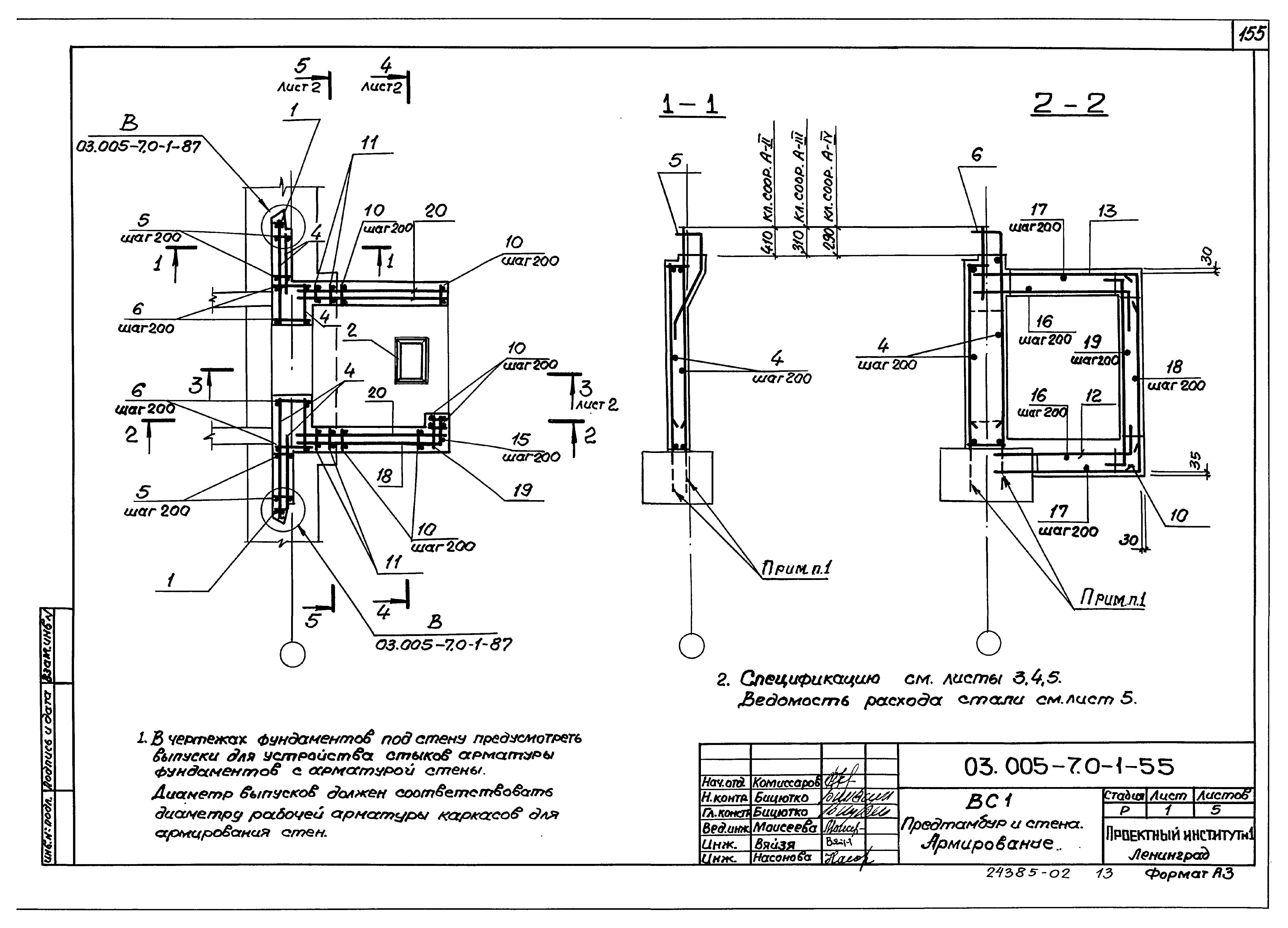
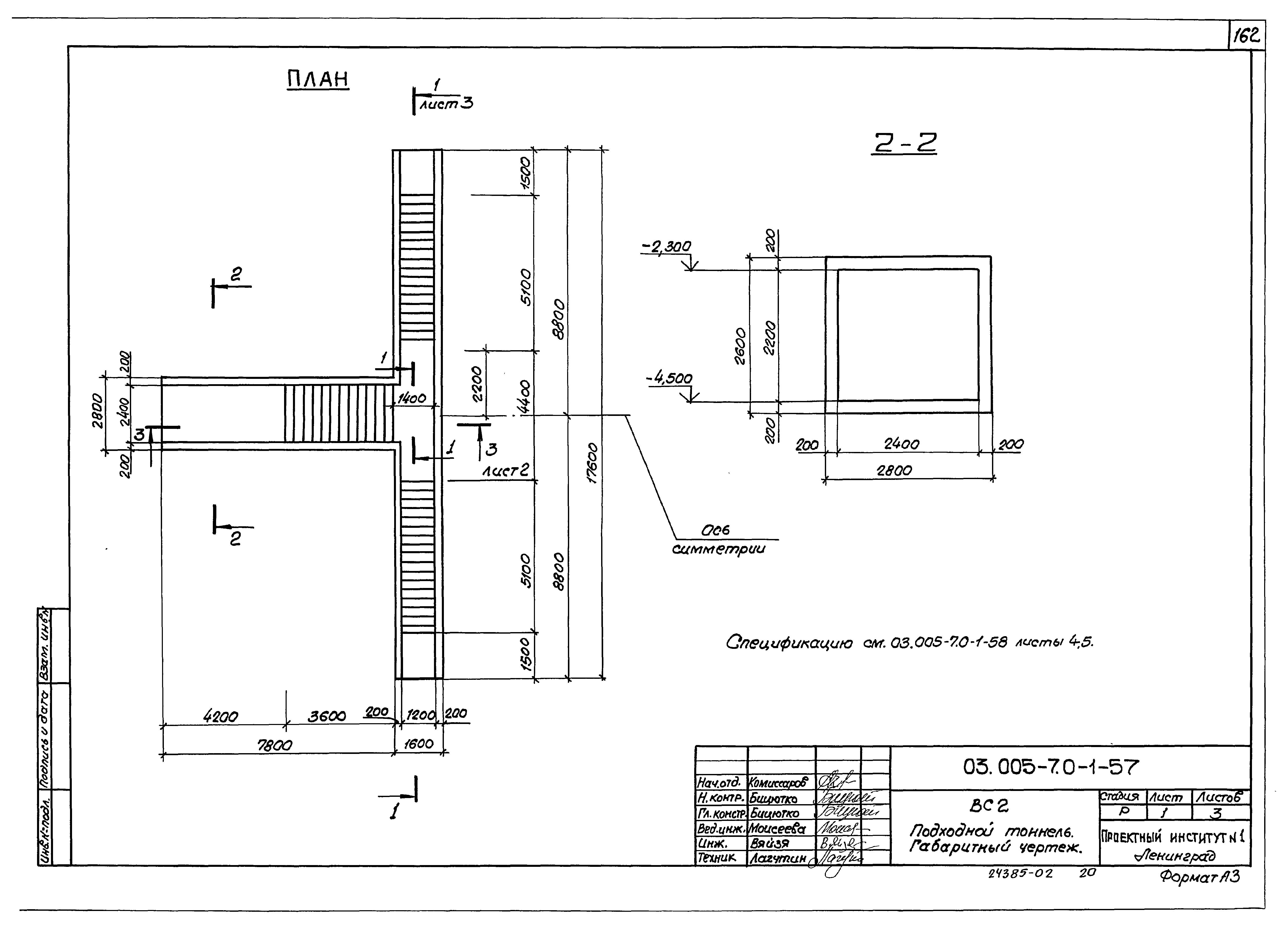
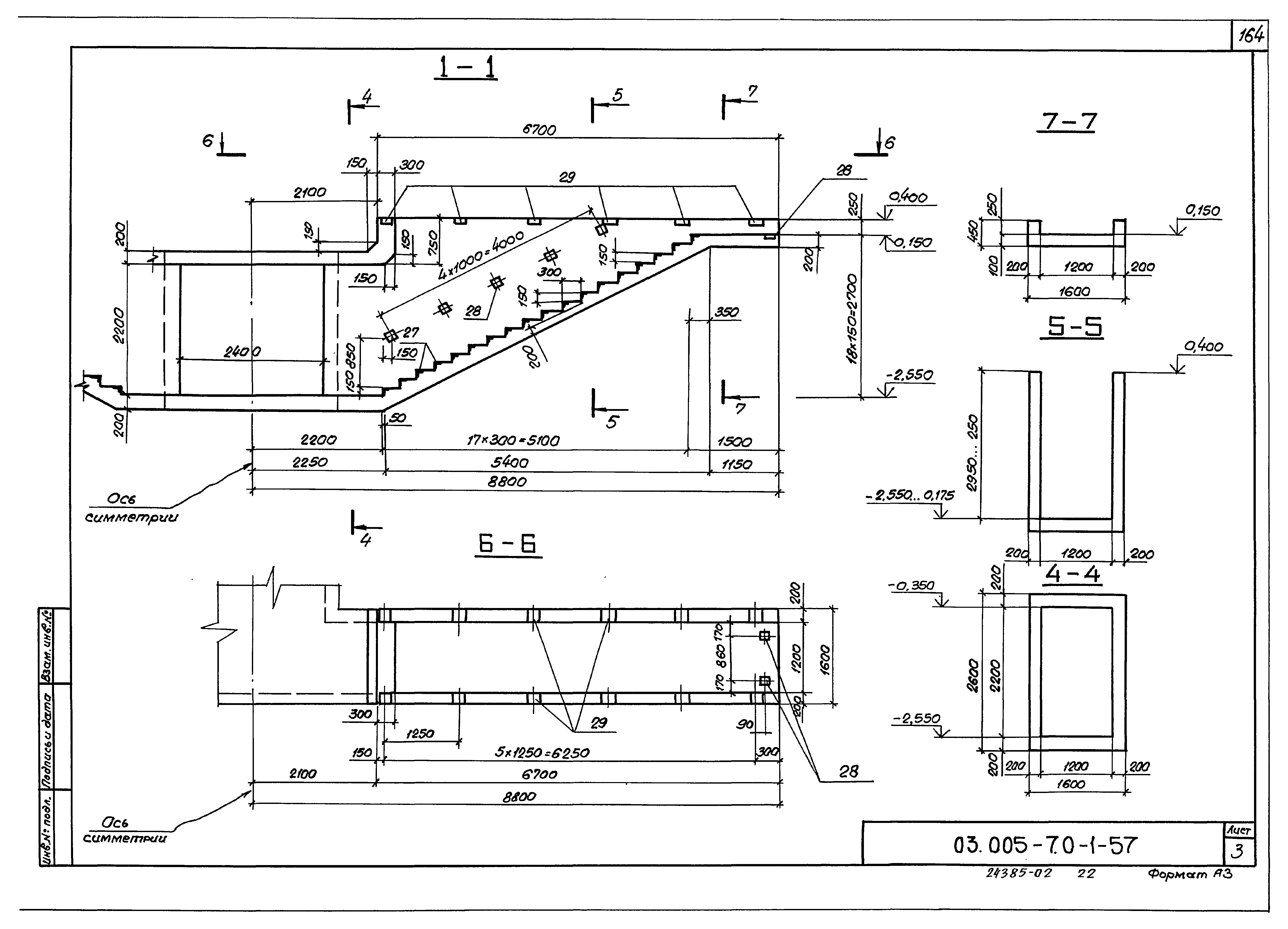
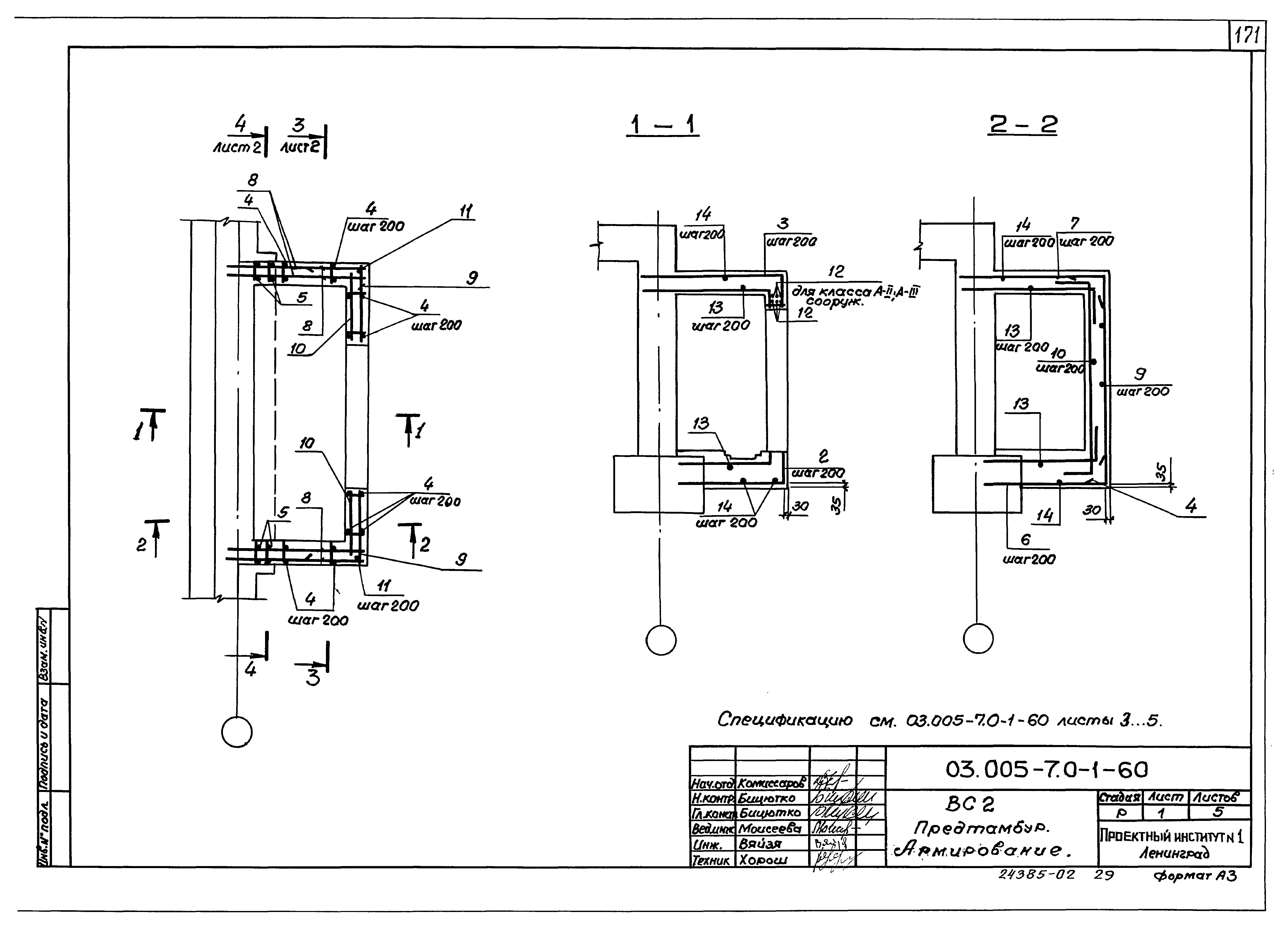
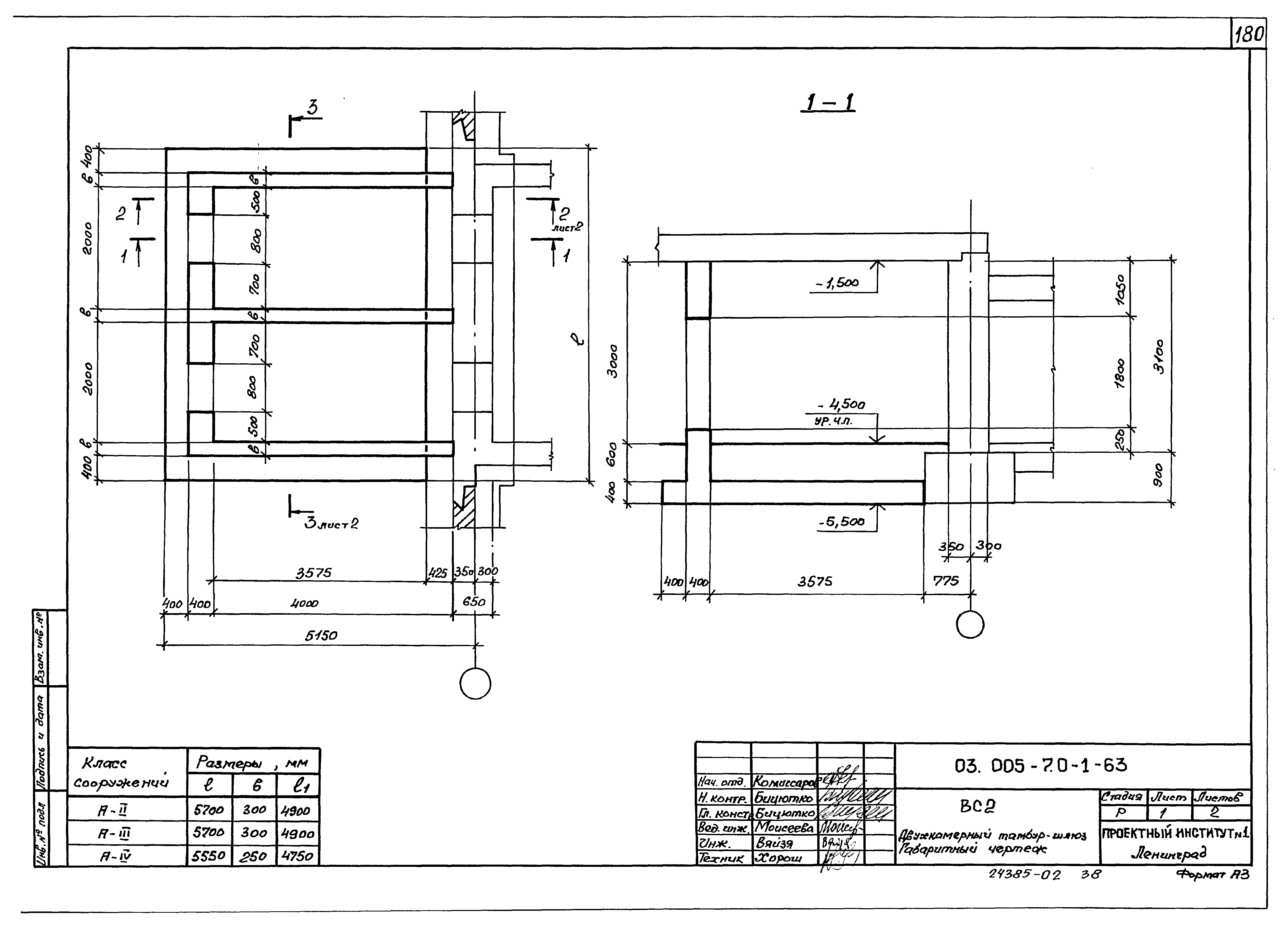
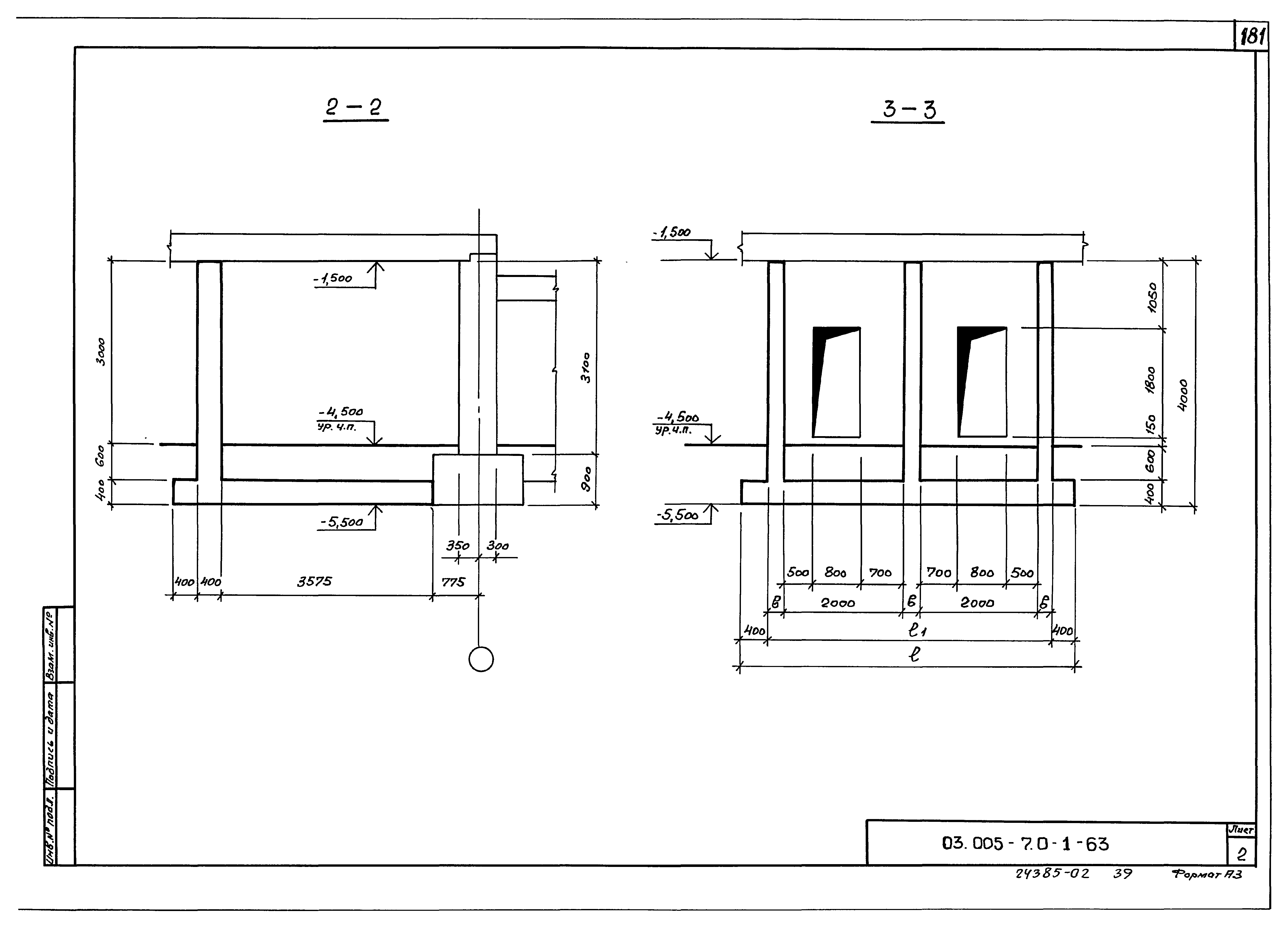
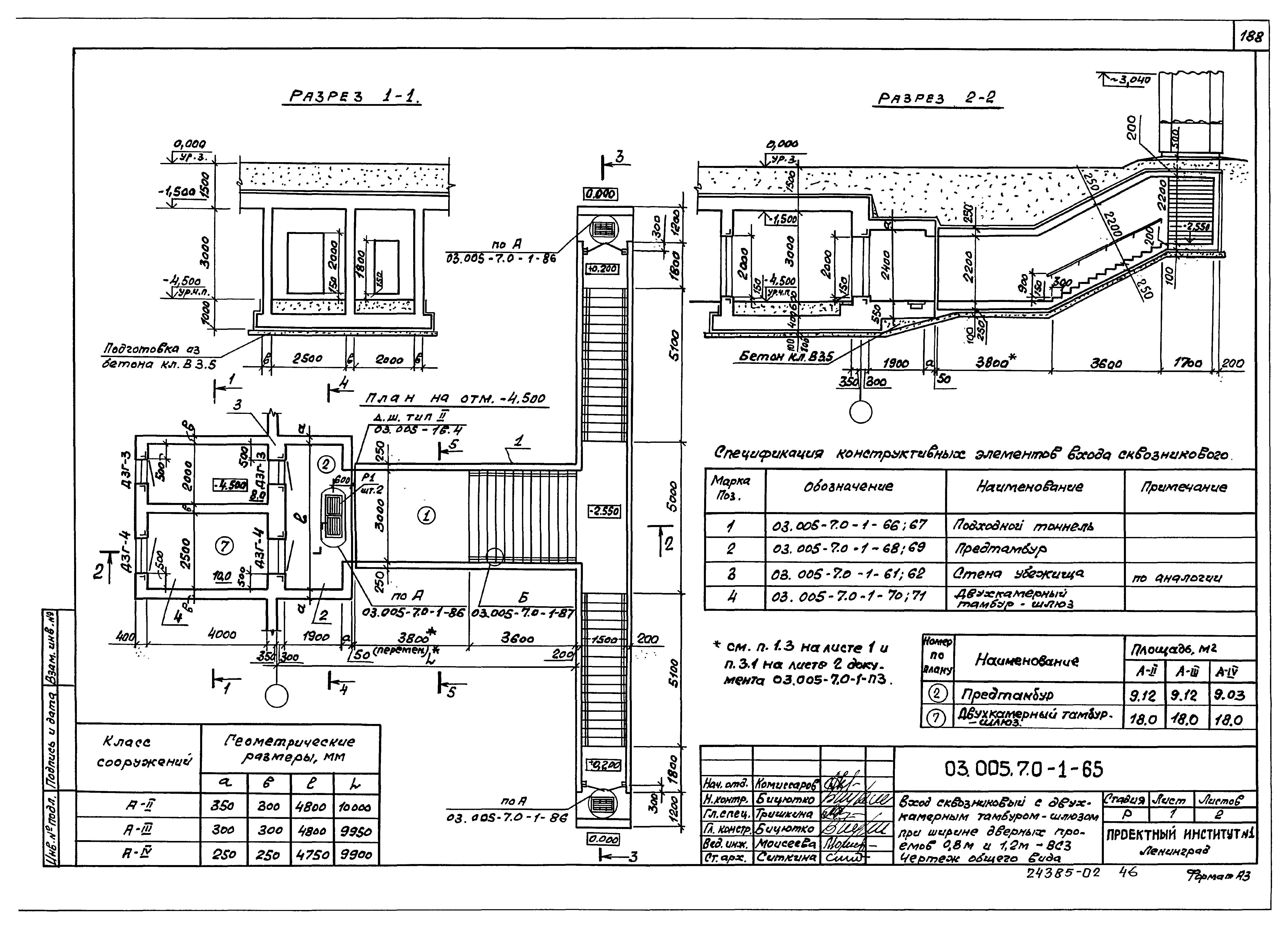
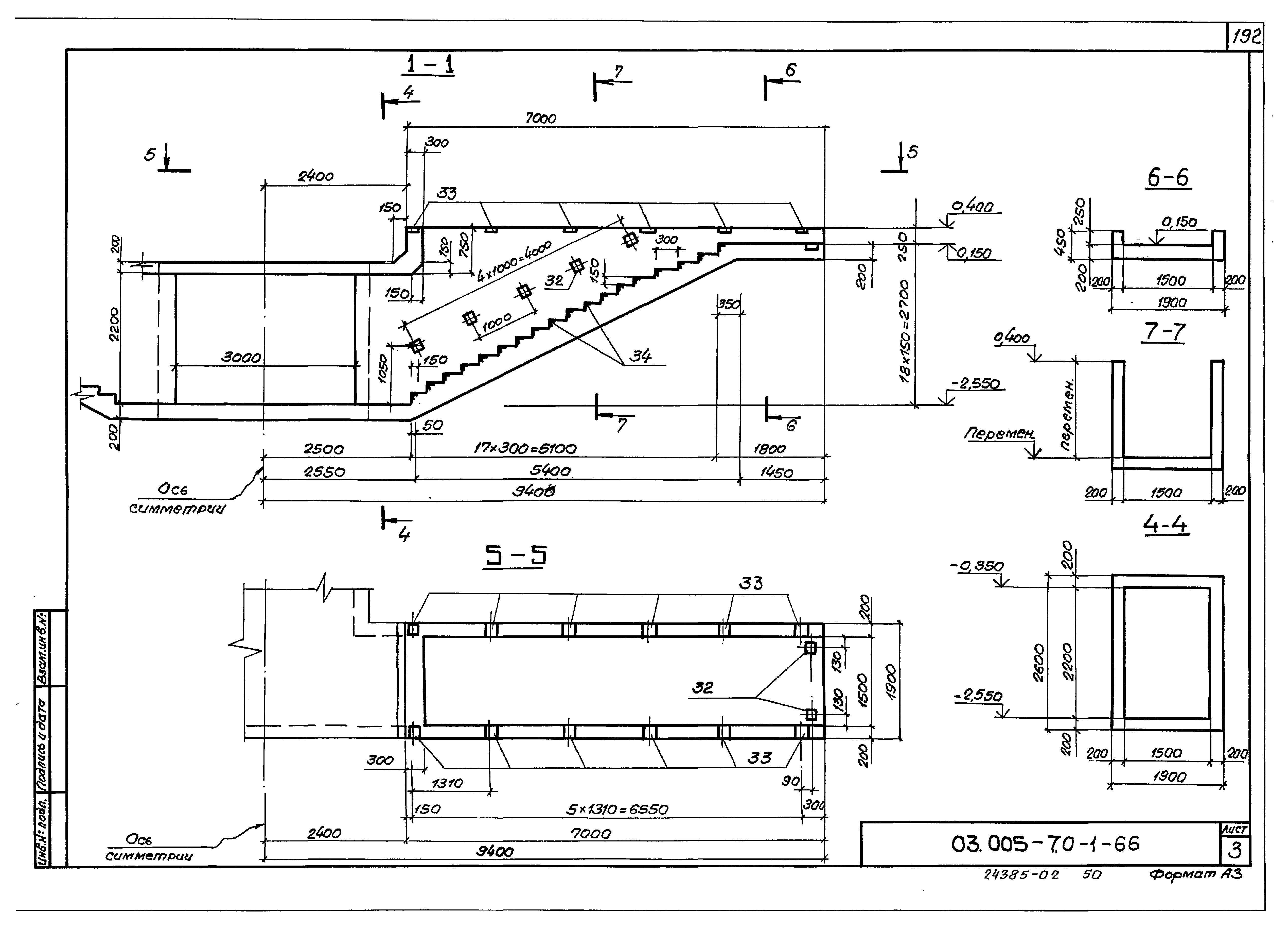
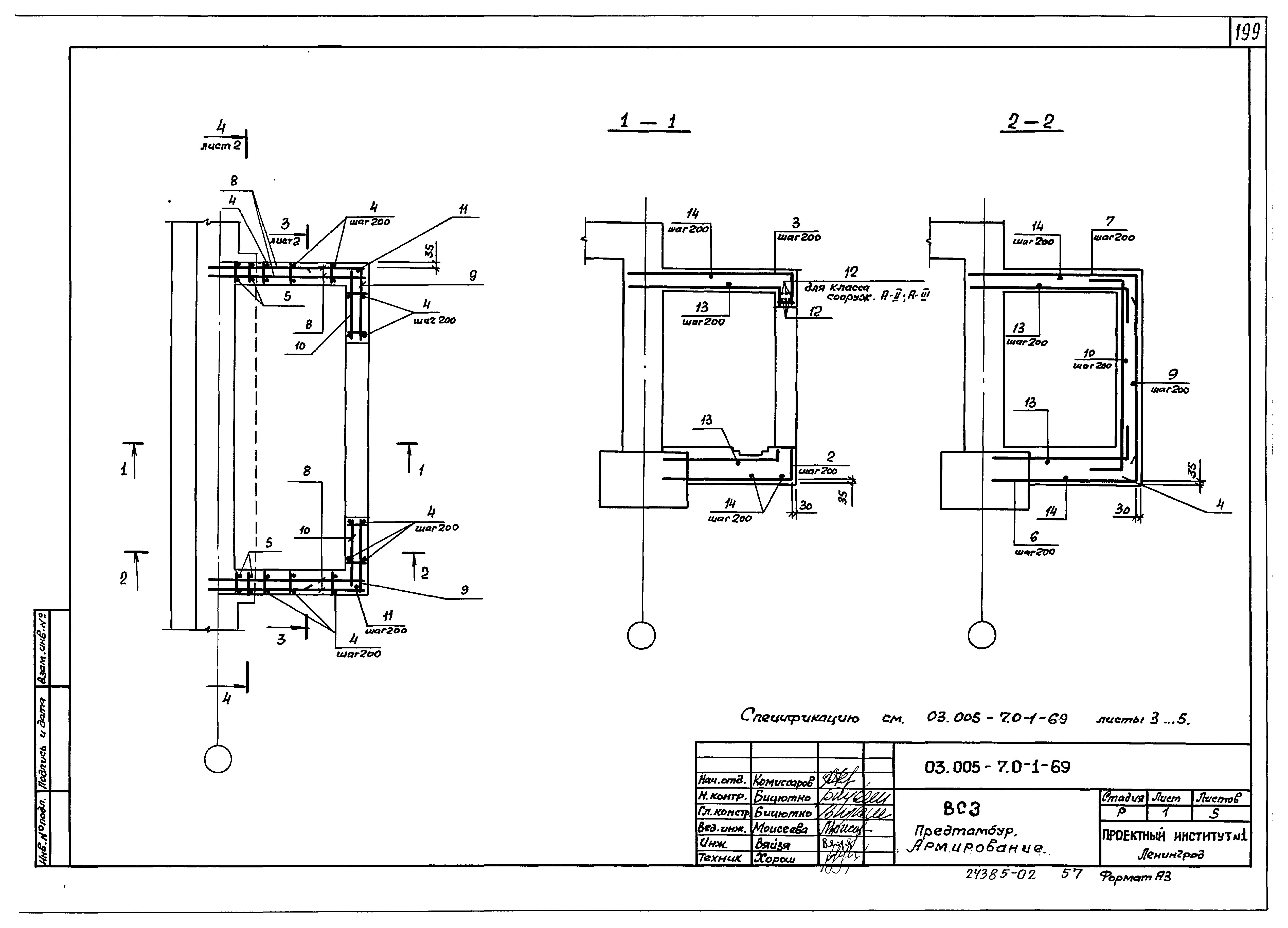
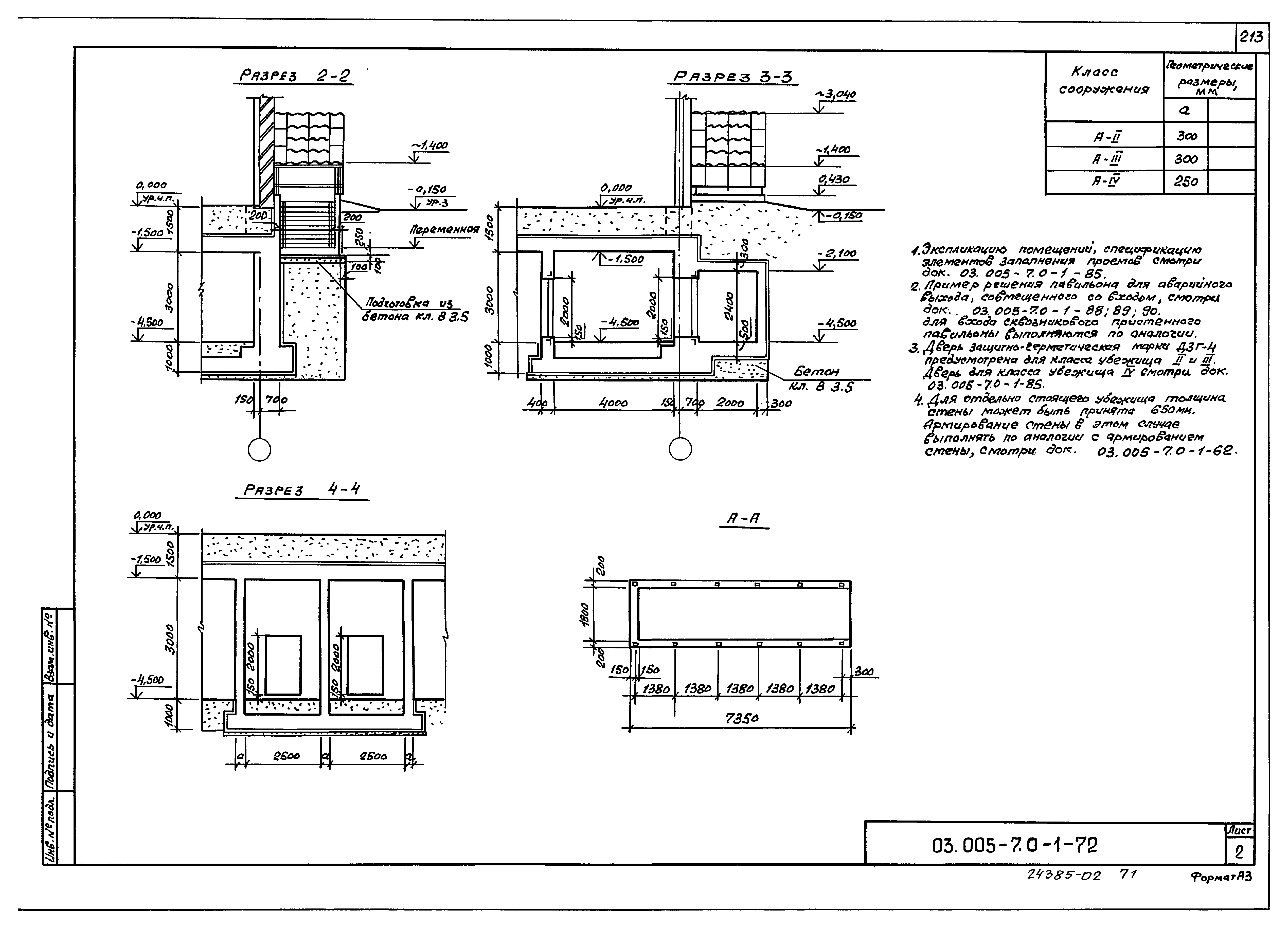
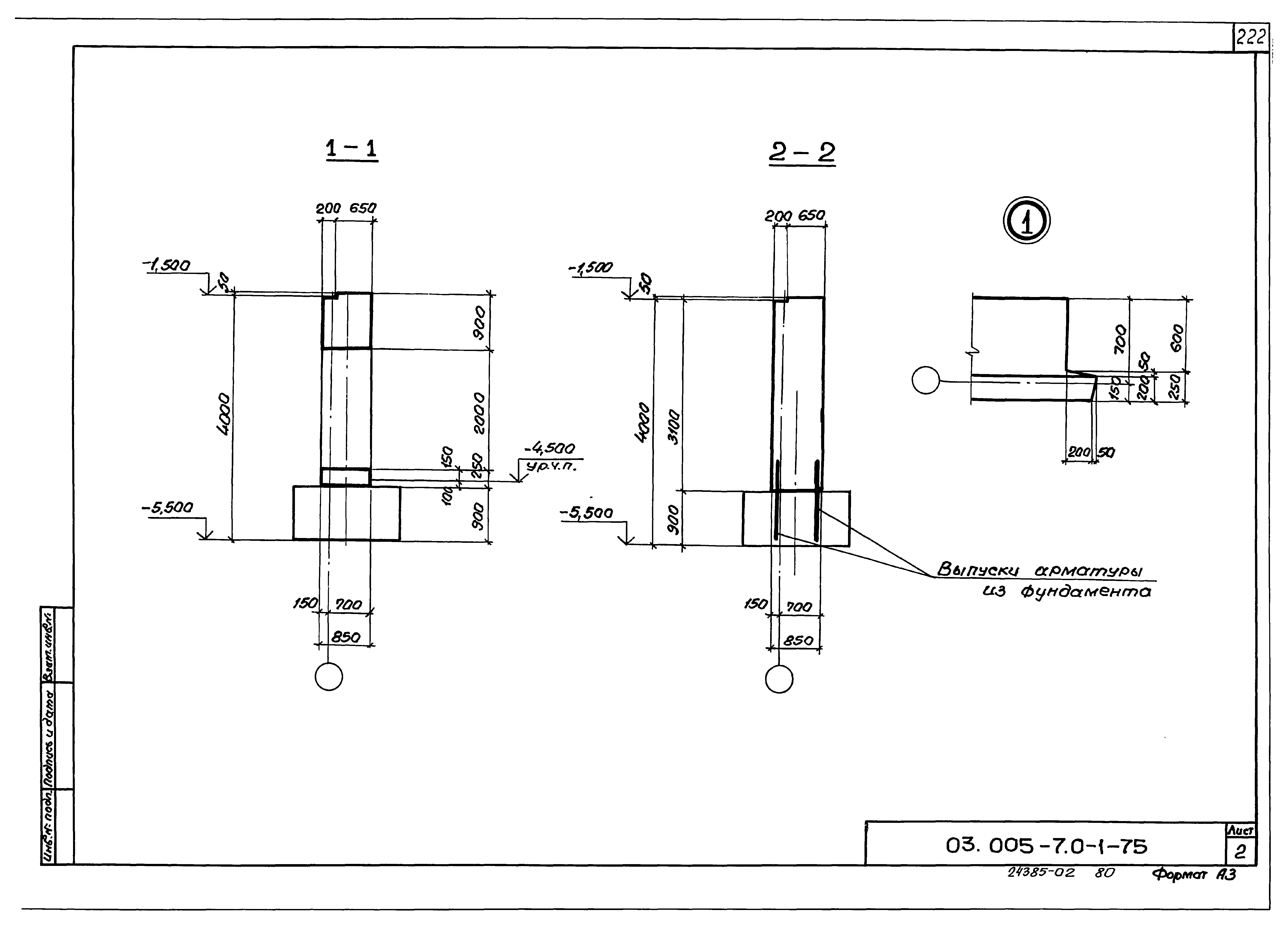
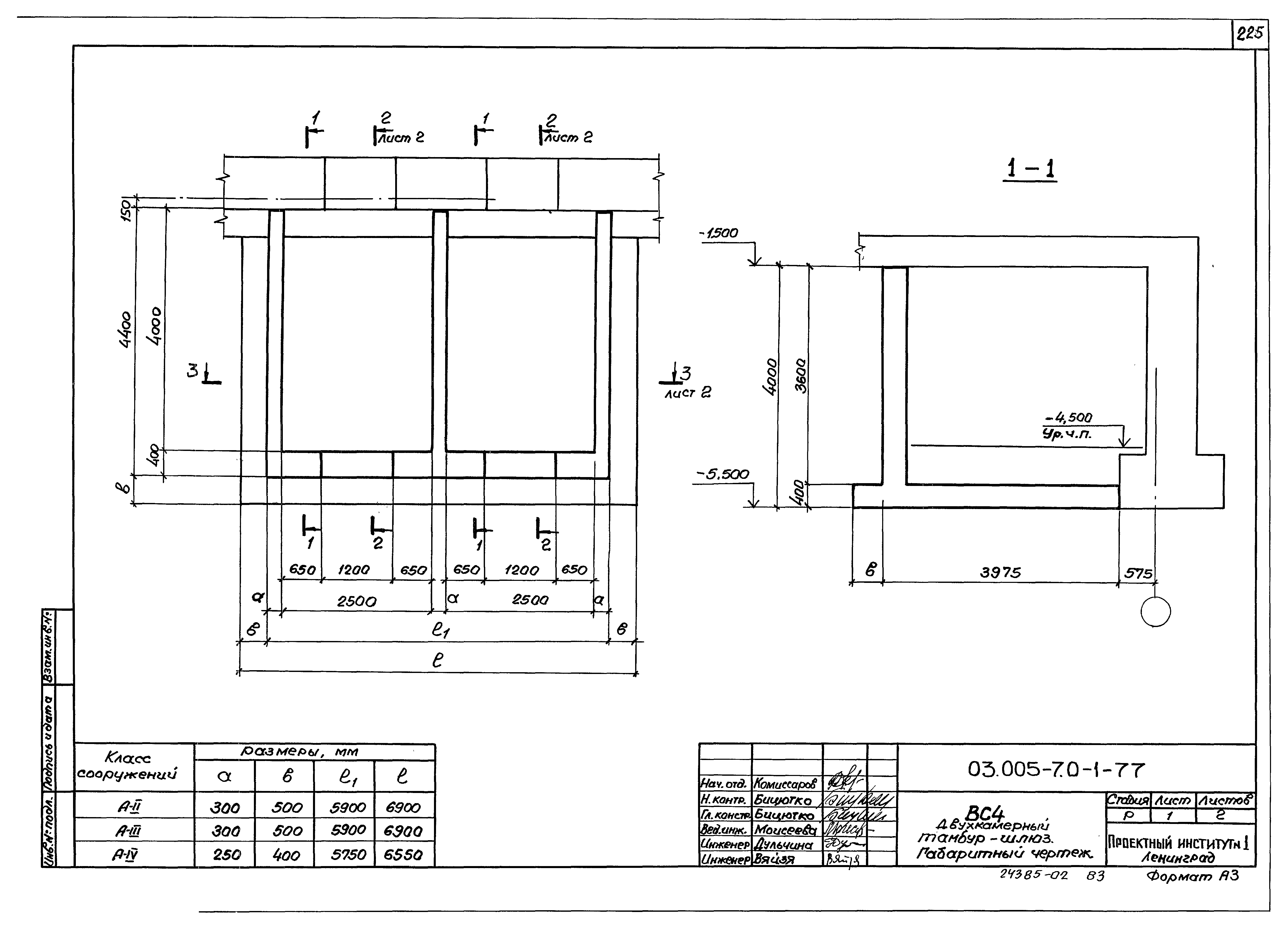
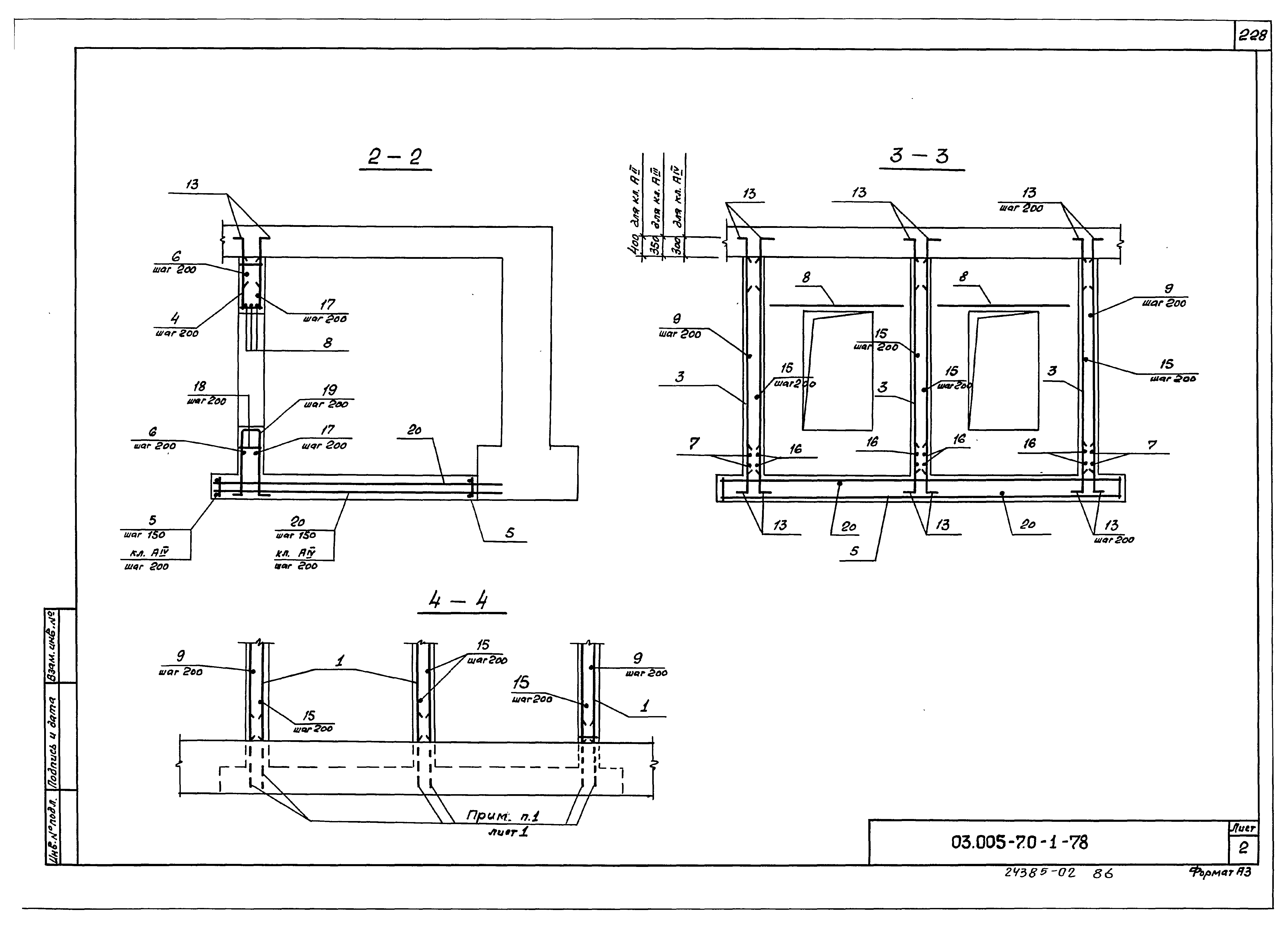
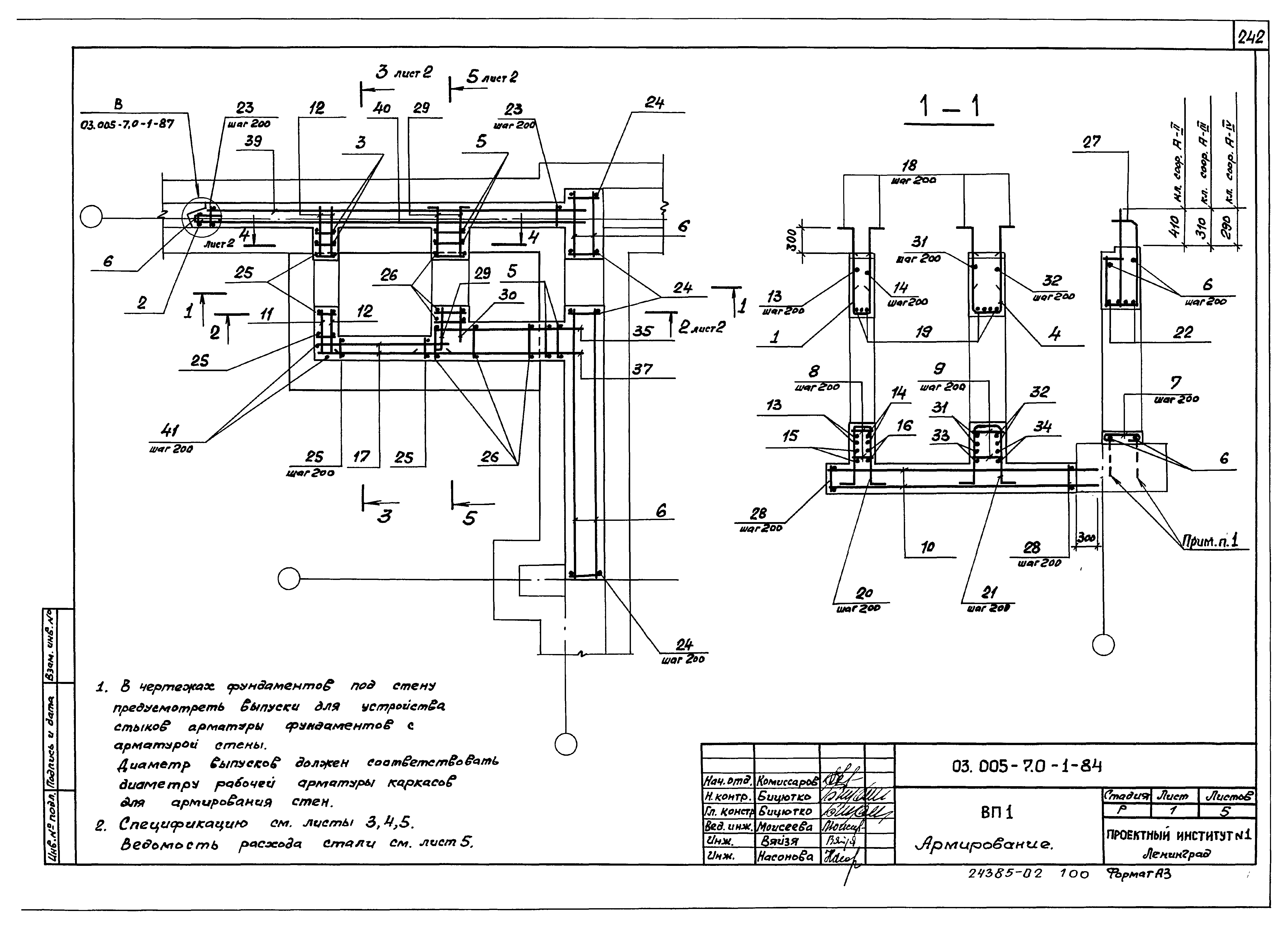
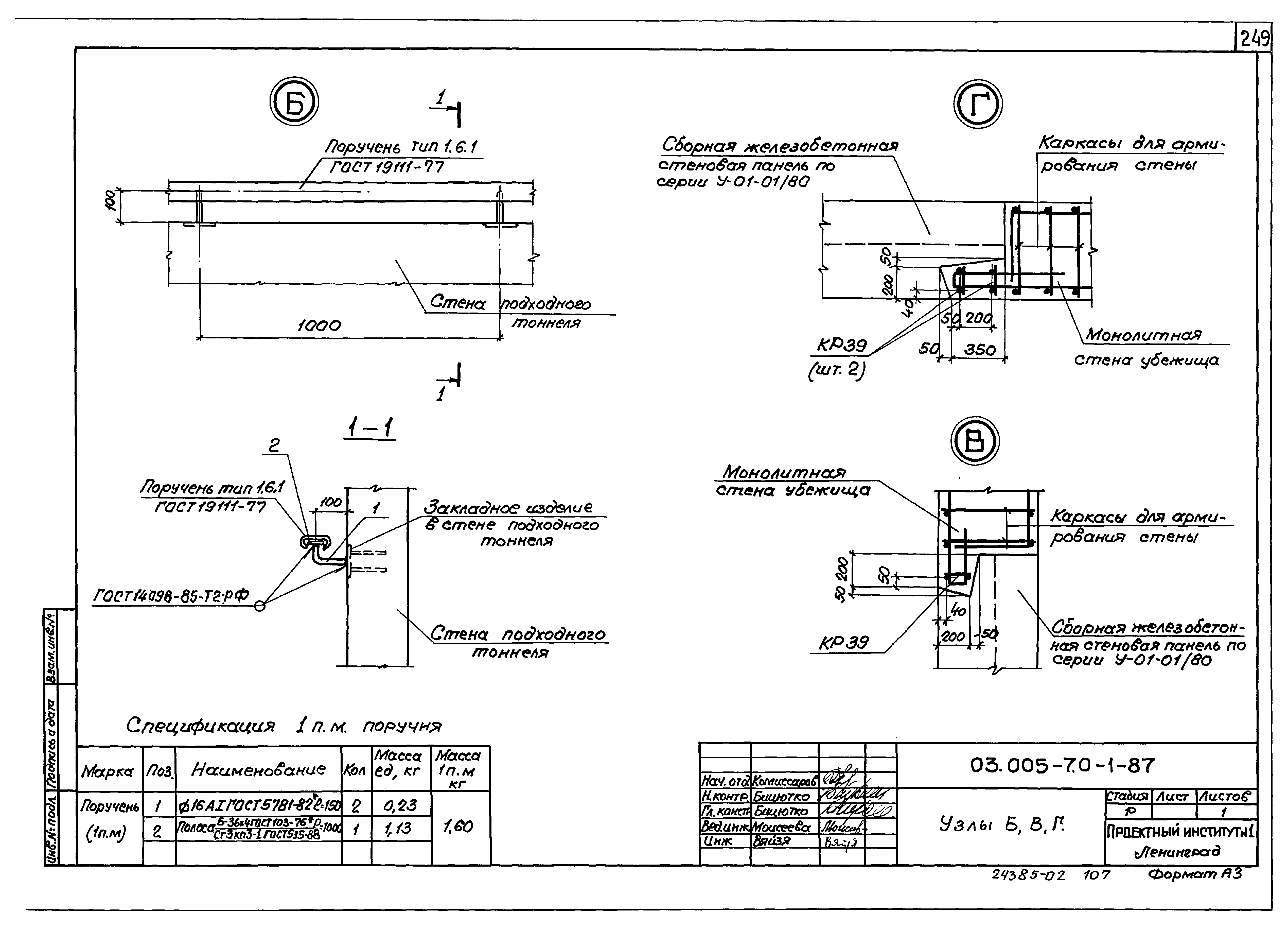
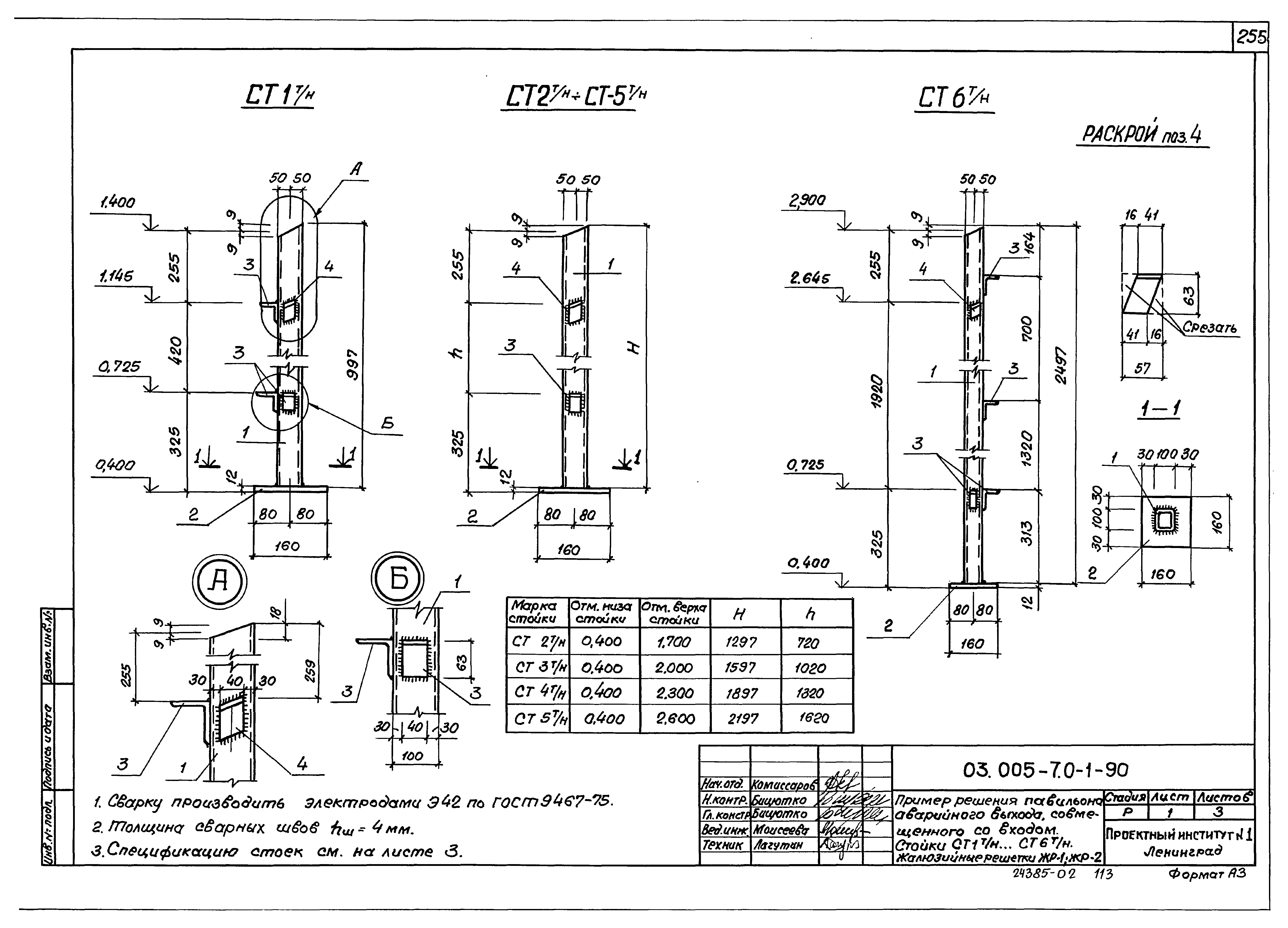
| Оглавление: | 03.005-7.0-1-51 Вход сквозниковый с тамбуром при ширине дверного проема 1,2 м - ВС1. Чертеж общего вида 03.005-7.0-1-52 ВС1. Подходной тоннель. Габаритный чертеж 03.005-7.0-1-53 ВС1. Подходной тоннель. Армирование 03.005-7.0-1-54 ВС1. Стена убежища и предтамбур. Габаритный чертеж 03.005-7.0-1-55 ВС1. Стена убежища и предтамбур. Армирование 03.005-7.0-1-56 Вход сквозниковый с двухкамерным тамбуром-шлюзом при ширине дверных проемов 0,8 м - ВС2. Чертеж общего вида 03.005-7.0-1-57 ВС2. Подходной тоннель. Габаритный чертеж 03.005-7.0-1-58 ВС2. Подходной тоннель. Армирование 03.005-7.0-1-59 ВС2. Предтамбур. Габаритный чертеж 03.005-7.0-1-60 ВС2. Предтамбур. Армирование 03.005-7.0-1-61 ВС2. Стена убежища. Габаритный чертеж 03.005-7.0-1-62 ВС2. Стена убежища. Армирование 03.005-7.0-1-63 ВС2. Двухкамерный тамбур-шлюз. Габаритный чертеж 03.005-7.0-1-64 ВС2. Двухкамерный тамбур-шлюз. Армирование 03.005-7.0-1-65 Вход сквозниковый с двухкамерным тамбуром-шлюзом при ширине дверных проемов 0,8 м и 1,2 м - ВС3. Чертеж общего вида 03.005-7.0-1-66 ВС3. Подходной тоннель. Габаритный чертеж 03.005-7.0-1-67 ВС3. Подходной тоннель. Армирование 03.005-7.0-1-68 ВС3. Предтамбур. Габаритный чертеж 03.005-7.0-1-69 ВС3. Предтамбур. Армирование 03.005-7.0-1-70 ВС3. Двухкамерный тамбур-шлюз. Габаритный чертеж 03.005-7.0-1-71 ВС3. Двухкамерный тамбур-шлюз. Армирование 03.005-7.0-1-72 Вход сквозниковый с двухкамерным тамбуром-шлюзом, пристенный - ВС4. Чертеж общего вида 03.005-7.0-1-73 ВС4. Подходной тоннель и предтамбур. Габаритный чертеж 03.005-7.0-1-74 ВС4. Подходной тоннель и предтамбур. Армирование 03.005-7.0-1-75 ВС4. Стена убежища. Габаритный чертеж 03.005-7.0-1-76 ВС4. Стена убежища. Армирование 03.005-7.0-1-77 ВС4. Тамбур-шлюз. Габаритный чертеж 03.005-7.0-1-78 ВС4. Тамбур-шлюз. Армирование 03.005-7.0-1-79 Вход из лестничной клетки многоэтажного здания с тамбуром и предтамбуром - ВЛ1. Чертеж общего вида 03.005-7.0-1-80 ВЛ1. Габаритный чертеж 03.005-7.0-1-81 ВЛ1. Армирование 03.005-7.0-1-82 Вход из подвала, не защищенного от ударной волны, с тамбуром и предтамбуром - ВП1. Чертеж общего вида 03.005-7.0-1-83 ВП1. Габаритный чертеж 03.005-7.0-1-84 ВП1. Армирование 03.005-7.0-1-85 Экспликация помещений. Спецификация заполнения проемов 03.005-7.0-1-86 Узел А. Решетка Р1 03.005-7.0-1-87 Узлы Б, В, Г 03.005-7.0-1-88 Пример решения павильона аварийного выхода, совмещенного со входом. План, разрезы, фасады 03.005-7.0-1-89 Пример решения павильона аварийного выхода, совмещенного со входом. Схема расположения конструкций павильона 03.005-7.0-1-90 Пример решения павильона аварийного выхода, совмещенного со входом. Стойки СТ1т/н…СТ6т/н. Жалюзийные решетки ЖР-1, ЖР-2 |
| Разработан: | Проектный институт № 1 |
| Утверждён: | 27.04.1990 Штаб гражданской обороны СССР (USSR Civil Defense Headquarters 14) |


















































































































