Скачать Руководство по выбору рациональных строительных систем жилых зданий для массового строительства в различных условияхДата актуализации: 01.01.2021
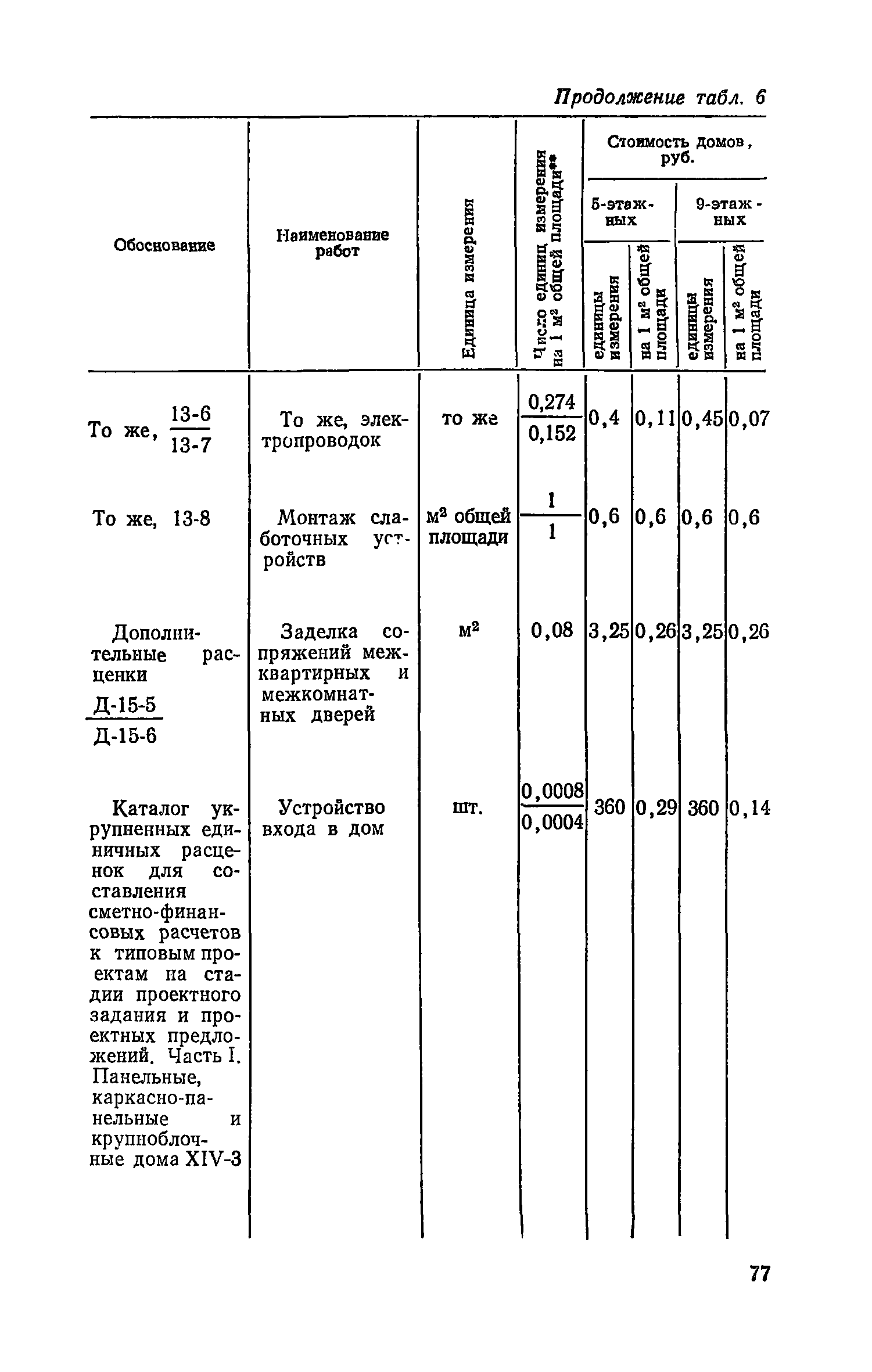
Руководство по выбору рациональных строительных систем жилых зданий для массового строительства в различных условиях| Статус: | действует | | Название рус.: | Руководство по выбору рациональных строительных систем жилых зданий для массового строительства в различных условиях | | Дата добавления в базу: | 01.09.2013 | | Дата актуализации: | 01.01.2021 | | Область применения: | Документ содержит технические требования к строительным системам различных климатических и инженерно-геологических условиях строительства, общие положения по рациональной области применения строительных систем, методику технико-экономической оценки и выбора рациональных строительных систем и методов возведения домов в конкретных условиях строительства и примеры расчета. | | Оглавление: | Предисловие 1. Технические характеристики строительных систем жилых домов и технические требования к ним для различных природно-климатических и градостроительных условиях Строительные системы для обычных условий строительства Городское строительство Сельское строительство Строительство системы и конструкции зданий для строительства в районах с особыми грунтовыми условиями Общие положения Конструкции зданий для строительства на просадочных грунтах Конструкции зданий для строительства на подрабатываемых территориях Конструкции зданий для строительства на вечномерзлых грунтах Конструкции зданий для сейсмостойкого строительства 2. Технико-экономическая оценка строительных систем жилых домов, применяемых в различных природно-климатических условиях Районы с обычными инженерно-геологическими условиями Городское строительство Сельское строительство Районы с просадочными грунтами Районы с подрабатываемыми территориями Районы с вечномерзлыми грунтами Районы с сейсмическими условиями строительства 3. Методические положения оценки и выбора рациональных строительных систем жилых домов в конкретных условиях строительства 4. Порядок использования результатов технико-экономического анализа различных строительных систем жилых домов в конкретных условиях строительства Приложение 1. Сравнительные технико-экономические показатели по строительным системам жилых домов, возводимых в районах умеренного климата с обычными инженерно-геологическими условиями (для городского строительства) Приложение 2. Сравнительные технико-экономические показатели по строительным системам жилых домов, возводимых в районах умеренного климата с обычными инженерно-геологическими условиями (для сельского строительства) Приложение 3. Сравнительные технико-экономические показатели по строительным системам жилых домов, возводимых на просадочных грунтах II типа Приложение 4. Сравнительные технико-экономические показатели по строительным системам жилых домов, возводимых на подрабатываемых территориях Приложение 5. Сравнительные технико-экономические показатели по строительным системам жилых домов, возводимых в районах повышенной сейсмичности (7-8 баллов) Приложение 6. Сравнительные технико-экономические показатели по строительным системам 5-этажных жилых домов, возводимых в районах вечномерзлых грунтов Приложение 7. Удельные значения основных конструктивных элементов в домах различных строительных систем Приложение 8. Расчетные показатели массы отдельных конструктивных элементов зданий Приложение 9. Расчетные коэффициенты к сметной стоимости объектов жилищного строительства, учитывающие лимитированные затраты Приложение 10. Пример расчета Порядок расчета технико-экономических показателей Таблица 1. Технико-экономические показатели по жилым домам различных строительных систем, возводимым в Рязани Таблица 2. Расчет сметной стоимости строительства Таблица 3. Определение расчетной стоимости строительства при фактической себестоимости производства строительных материалов н конструкций Таблица 4. Показатели условно-постоянных затрат по жилым домам различных строительных систем Таблица 5. Расчет транспортных затрат Таблица 6. Расчет стоимости возведения изменяемых конструктивных элементов зданий Таблица 7. Расчет капитальных вложений в предприятия строительной индустрии и промышленности строительных материалов Таблица 8. Расчет годовых эксплуатационных затрат по панельным жилым домам Таблица 9. Расчет приведенных затрат | | Разработан: | ЦНИИЭП граждансельстрой ТбилЗНИИЭП КиевЗНИИЭП СибЗНИИЭП Госгражданстроя ЦНИИЭП жилища
| | Утверждён: | ЦНИИЭП жилища (TsNIIEPzhilishcha )
| | Издан: | Стройиздат (1978 г. )
|
                                                                            
|