Скачать Типовой проект 902-2-471.89 Альбом 2. Технологические решения. Отопление и вентиляция. Внутренний водопровод и канализацияДата актуализации: 01.01.2021
|
| Обозначение: | Типовой проект 902-2-471.89 |
| Обозначение англ: | 902-2-471.89 |
| Статус: | не определен законодательством |
| Название рус.: | Альбом 2. Технологические решения. Отопление и вентиляция. Внутренний водопровод и канализация |
| Дата добавления в базу: | 01.09.2013 |
| Дата актуализации: | 01.01.2021 |
| Дата введения: | 12.05.1989 |
| Дата окончания срока действия: | 30.06.2003 |
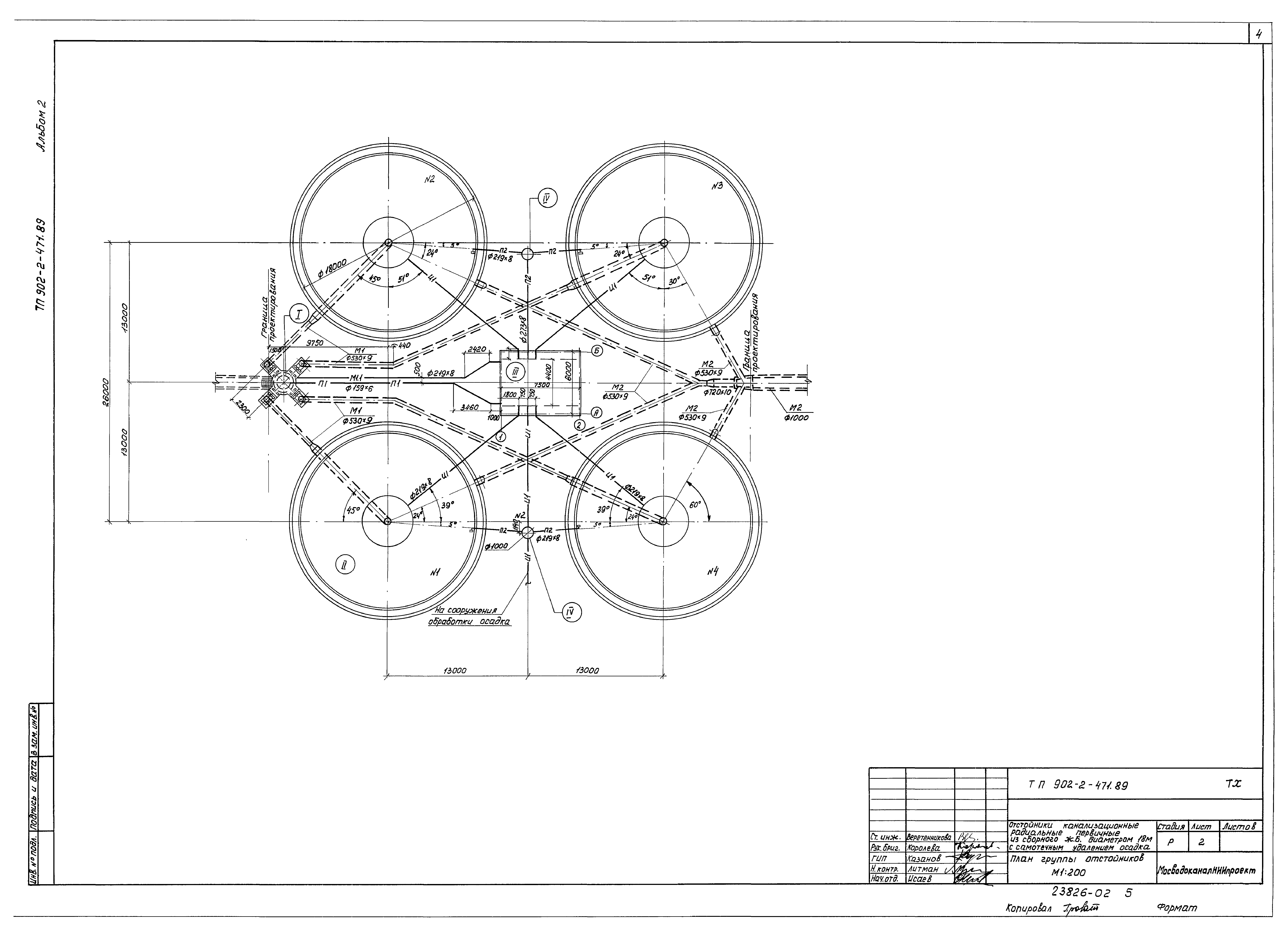
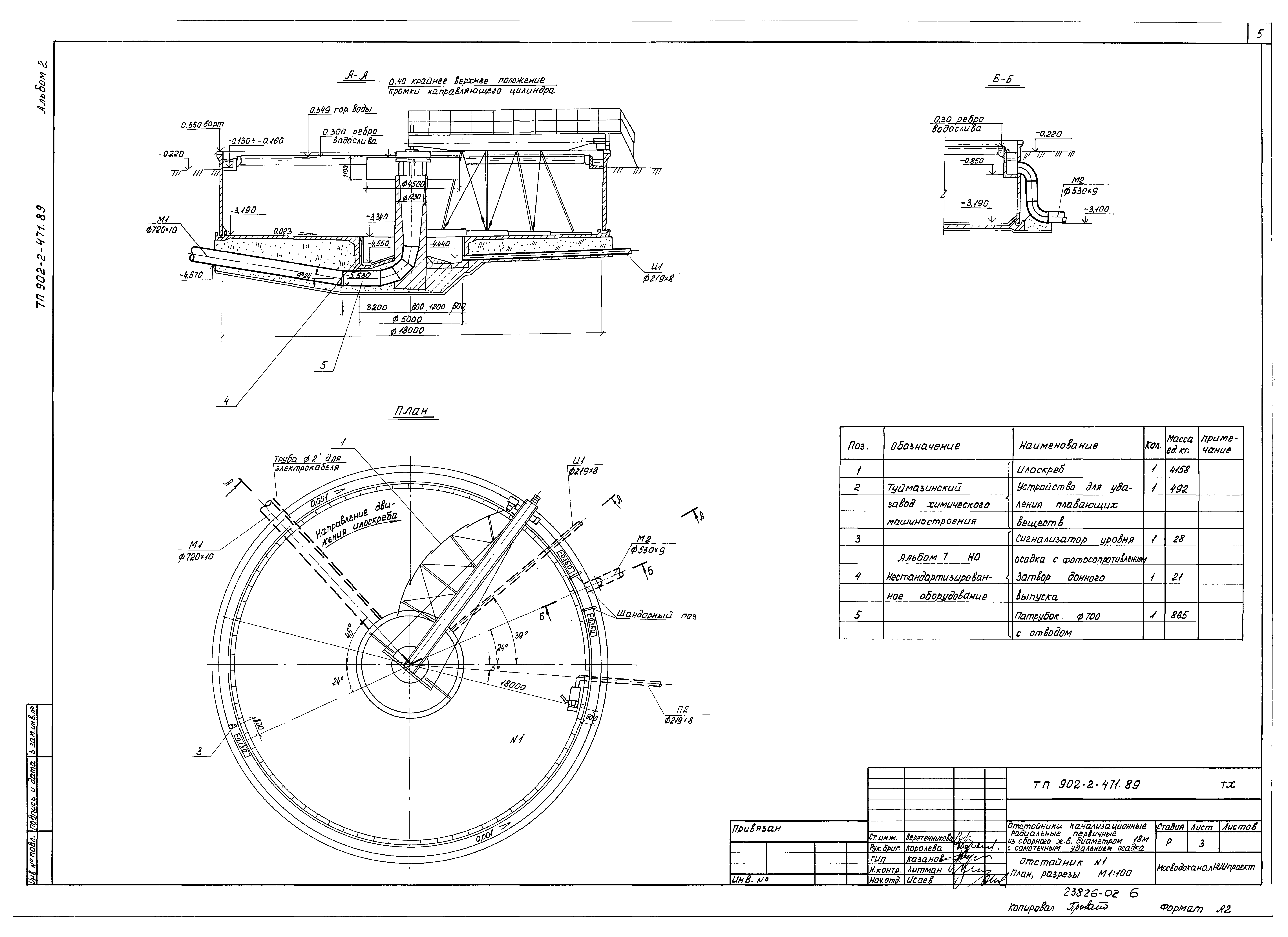
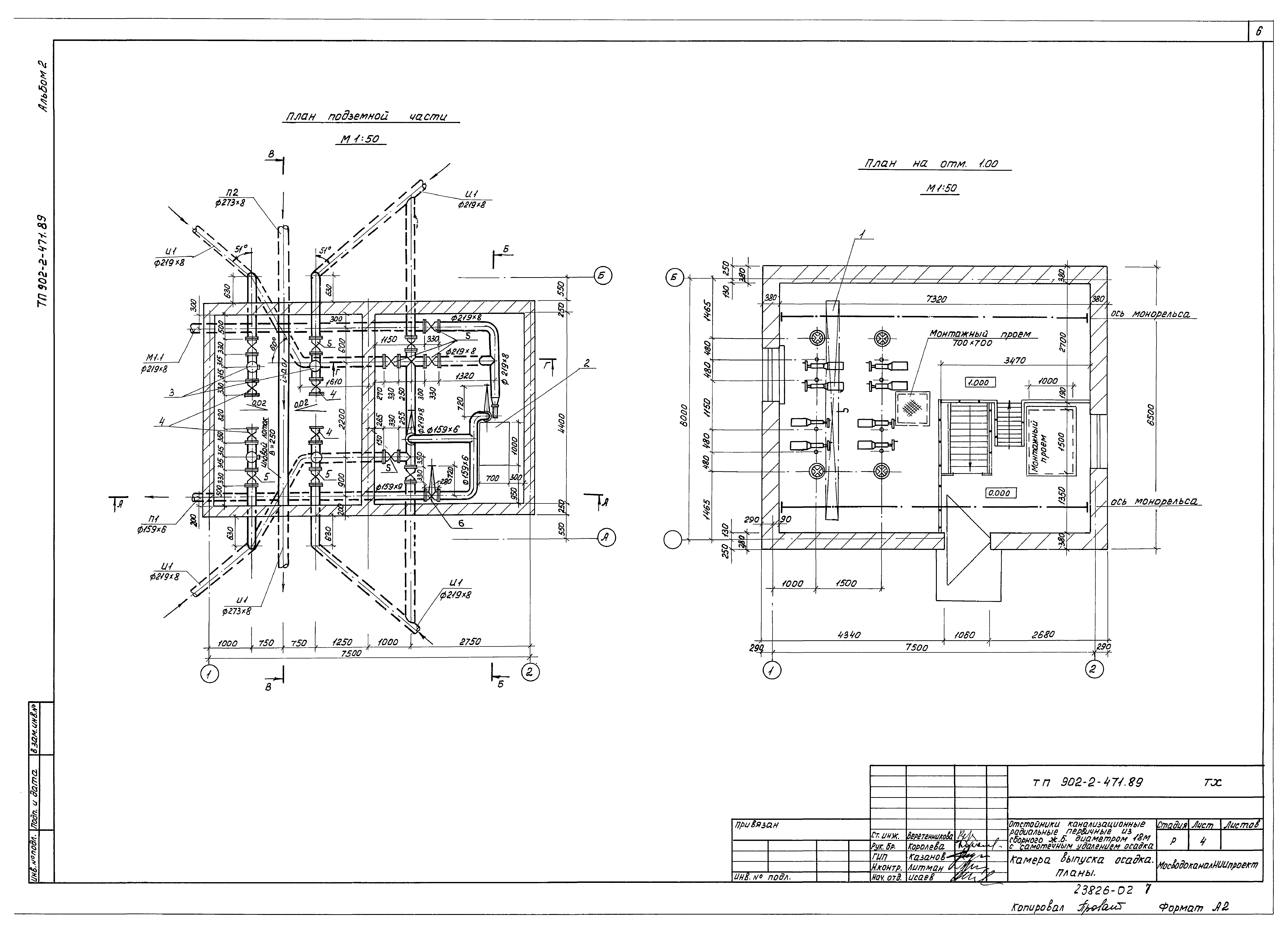
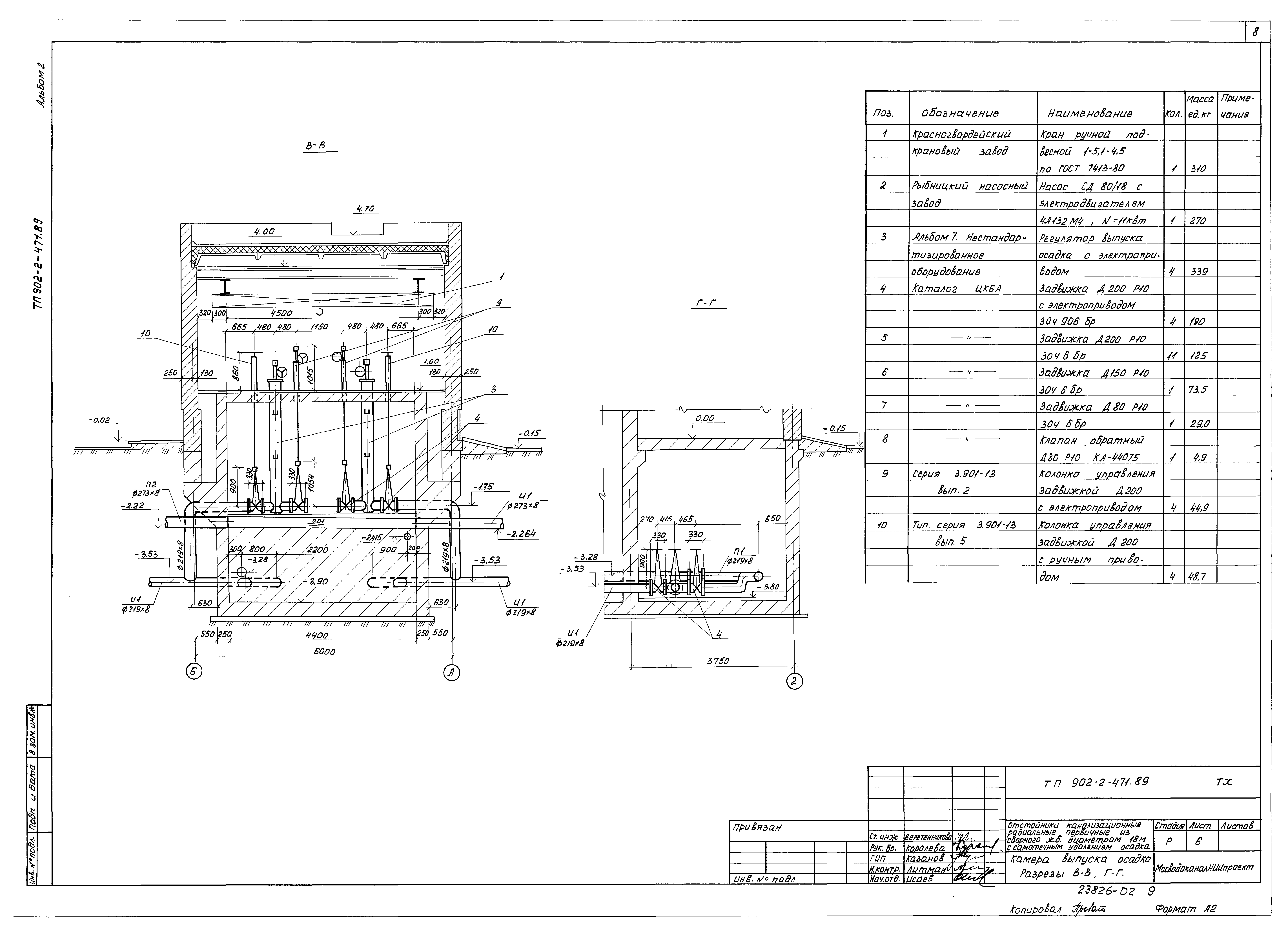
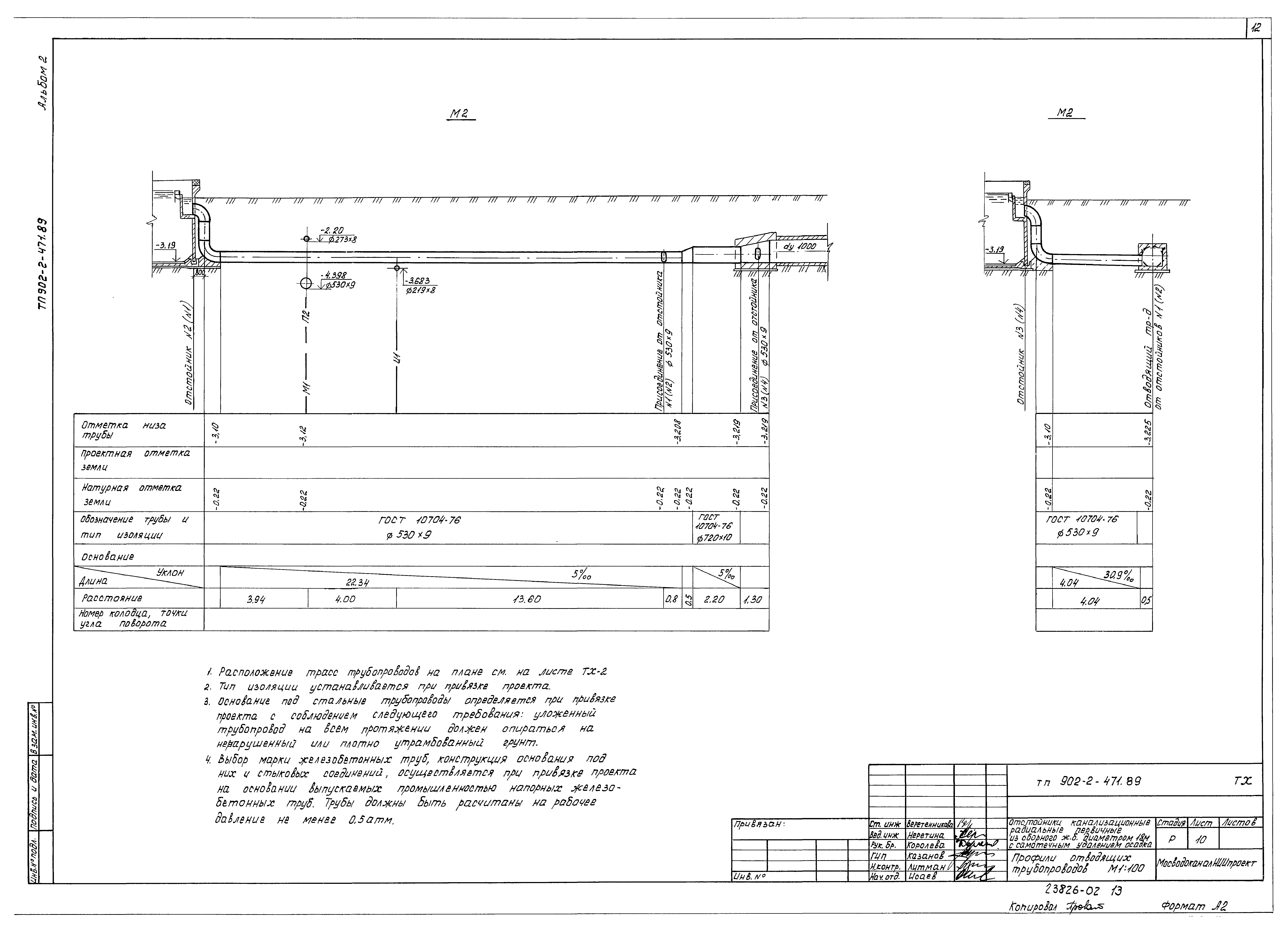
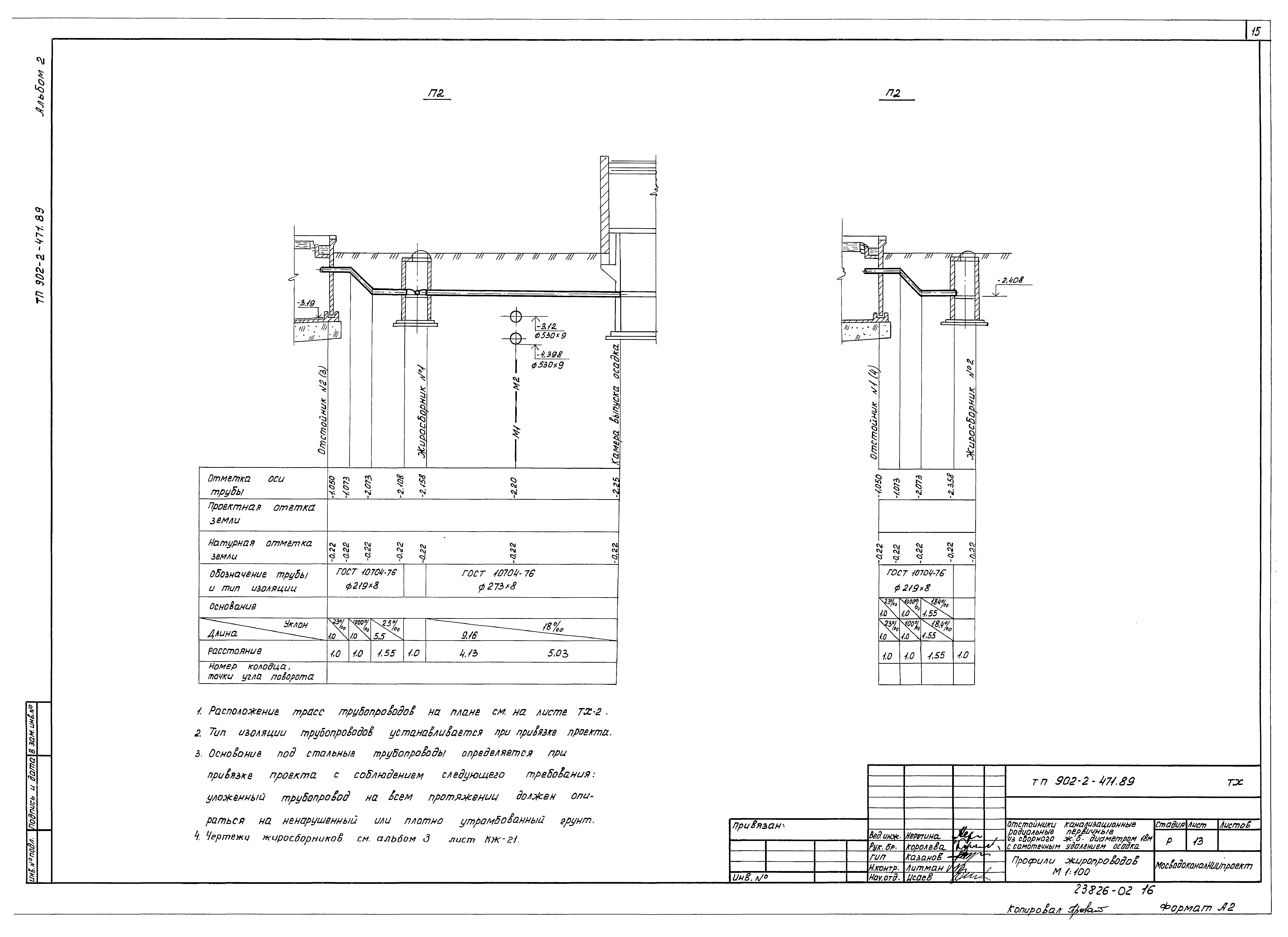
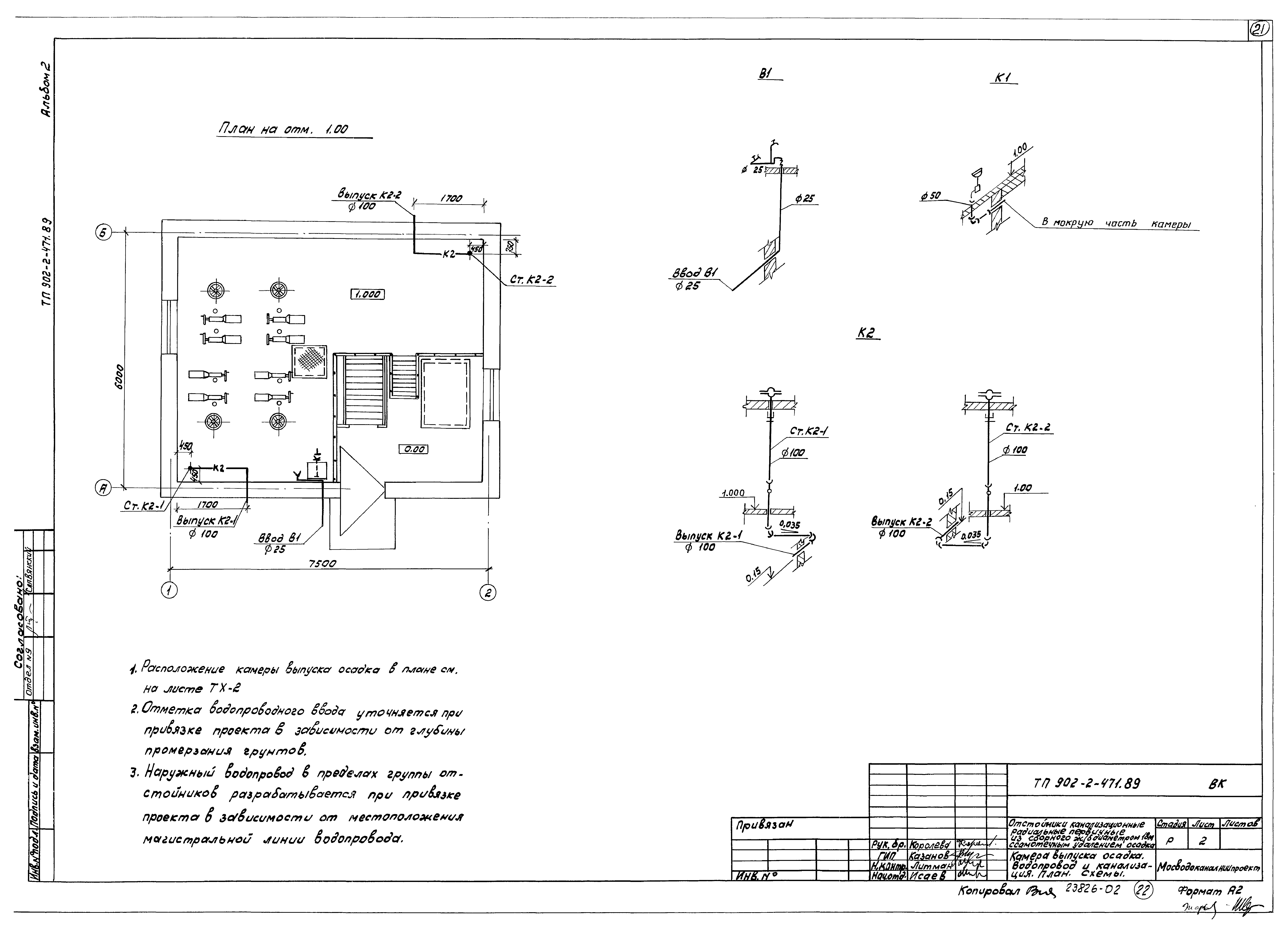
| Оглавление: | Содержание альбома Технологические решения Общие данные План группы отстойников Отстойник №1. План. Разрезы Камера выпуска осадка. Планы Камера выпуска осадка. Разрезы А-А, Б-Б Камера выпуска осадка. Разрезы В-В, Г-Г Камера выпуска осадка. Аксонометрическая схема трубопроводов Распределительная чаша. Планы. Разрезы Профили подводящих трубопроводов Профили отводящих трубопроводов Профили трубопроводов сырого осадка Профили трубопроводов опорожнения и промывной воды Профили жиропроводов Отопление и вентиляция Камера выпуска осадка. Общие данные Камера выпуска осадка. Отопление и вентиляция. Планы на отм. - 3.900 и 0.000. Разрезы 1-1, 2-2. Спецификация отопительно-вентиляционных установок Камера выпуска осадка. Схемы системы отопления, системы теплоснабжения установки П1, схемы систем П1, В1. Узел управления Переходы Сетка в рамке Внутренние водопровод и канализация Общие данные Камера выпуска осадка. План и схемы систем |
| Разработан: | МосводоканалНИИпроект |
| Утверждён: | 28.04.1989 Мосгорисполком (Mosgorispolkom 890р) |





















