Скачать Типовой проект 902-2-471.89 Альбом 5. Камера выпуска осадка. Архитектурные решения. Конструкции железобетонные. Строительные изделия. Конструкции металлическиеДата актуализации: 01.01.2021
|
| Обозначение: | Типовой проект 902-2-471.89 |
| Обозначение англ: | 902-2-471.89 |
| Статус: | не определен законодательством |
| Название рус.: | Альбом 5. Камера выпуска осадка. Архитектурные решения. Конструкции железобетонные. Строительные изделия. Конструкции металлические |
| Дата добавления в базу: | 01.09.2013 |
| Дата актуализации: | 01.01.2021 |
| Дата введения: | 12.05.1989 |
| Дата окончания срока действия: | 30.06.2003 |
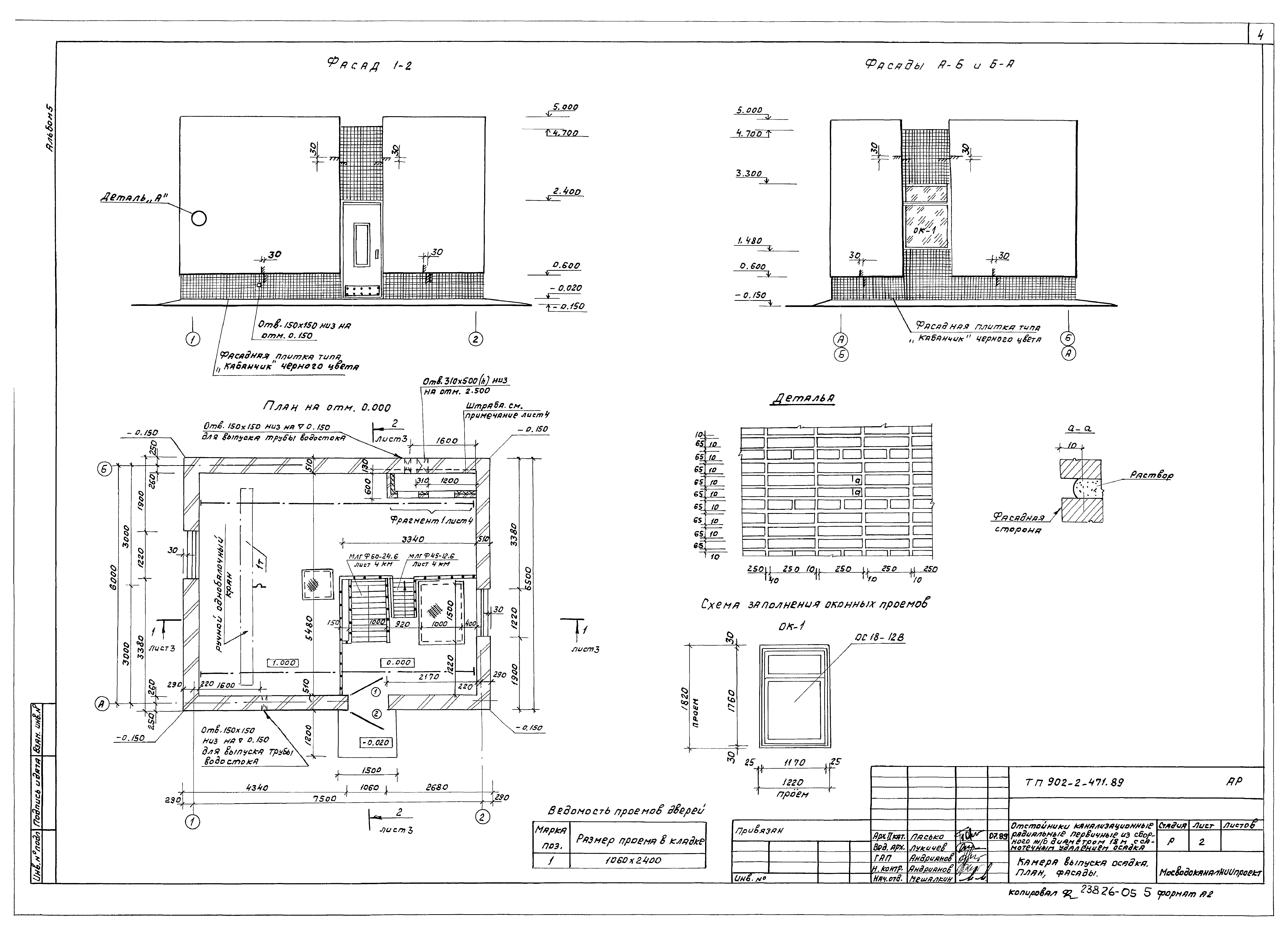
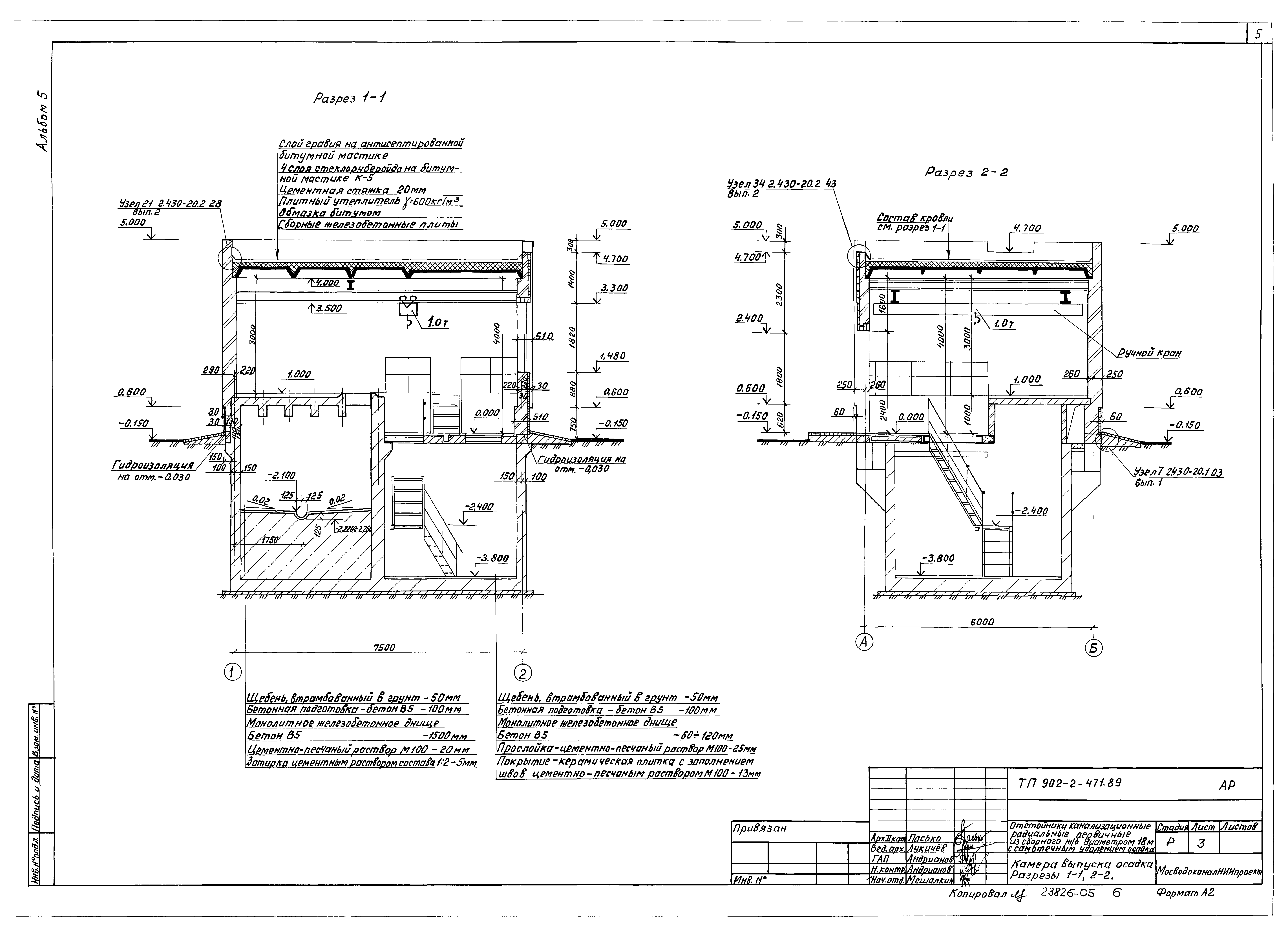
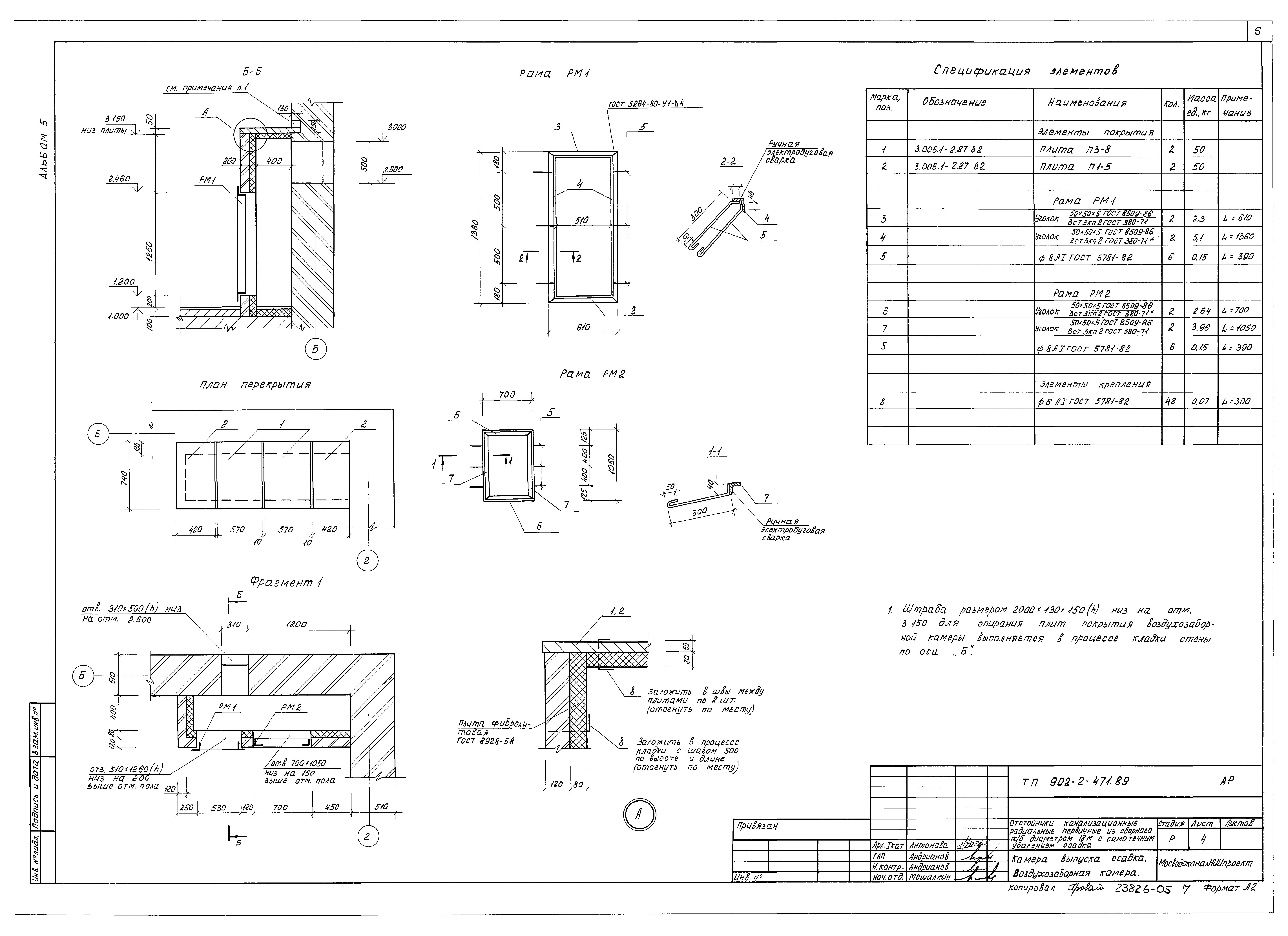
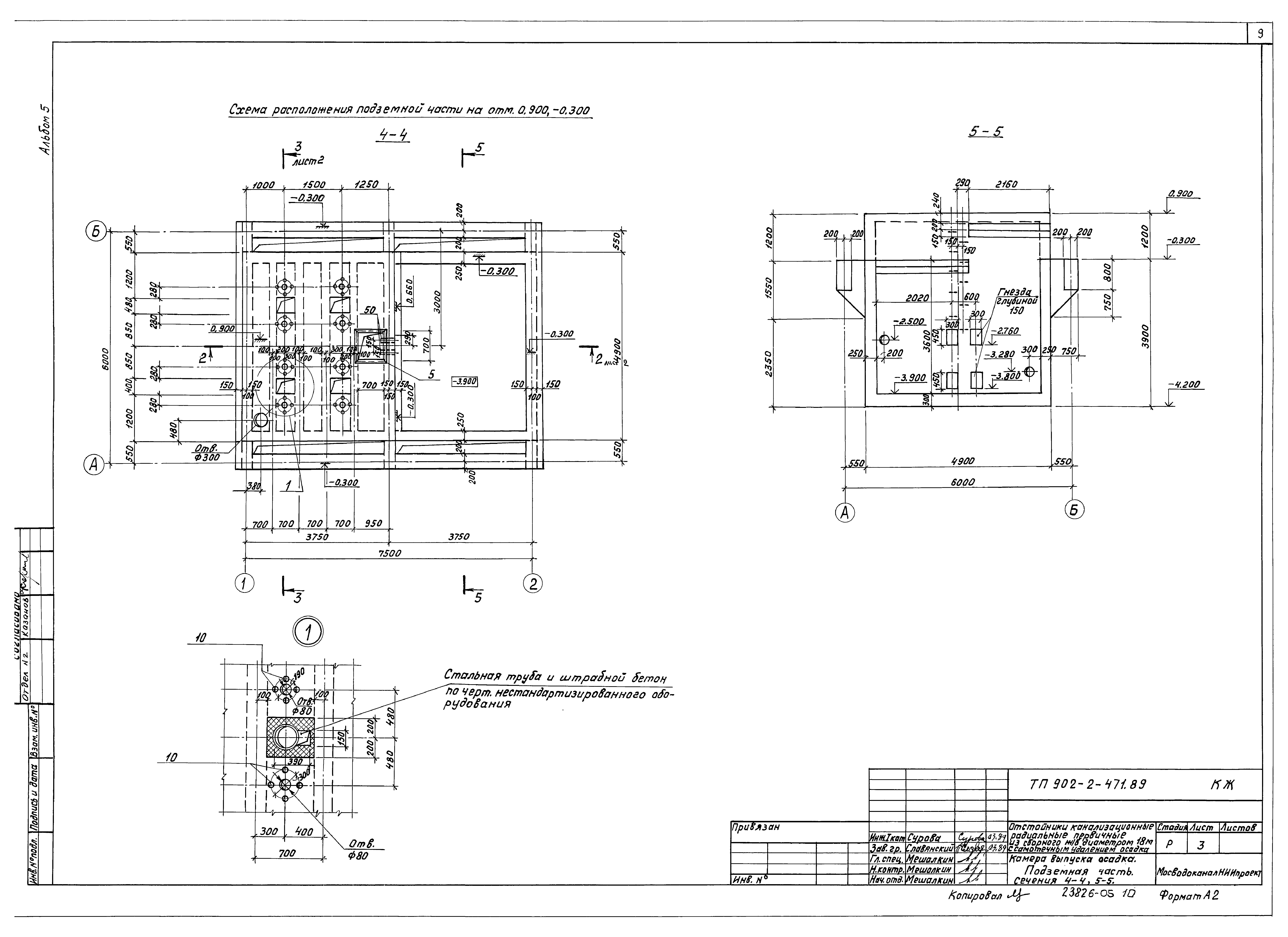
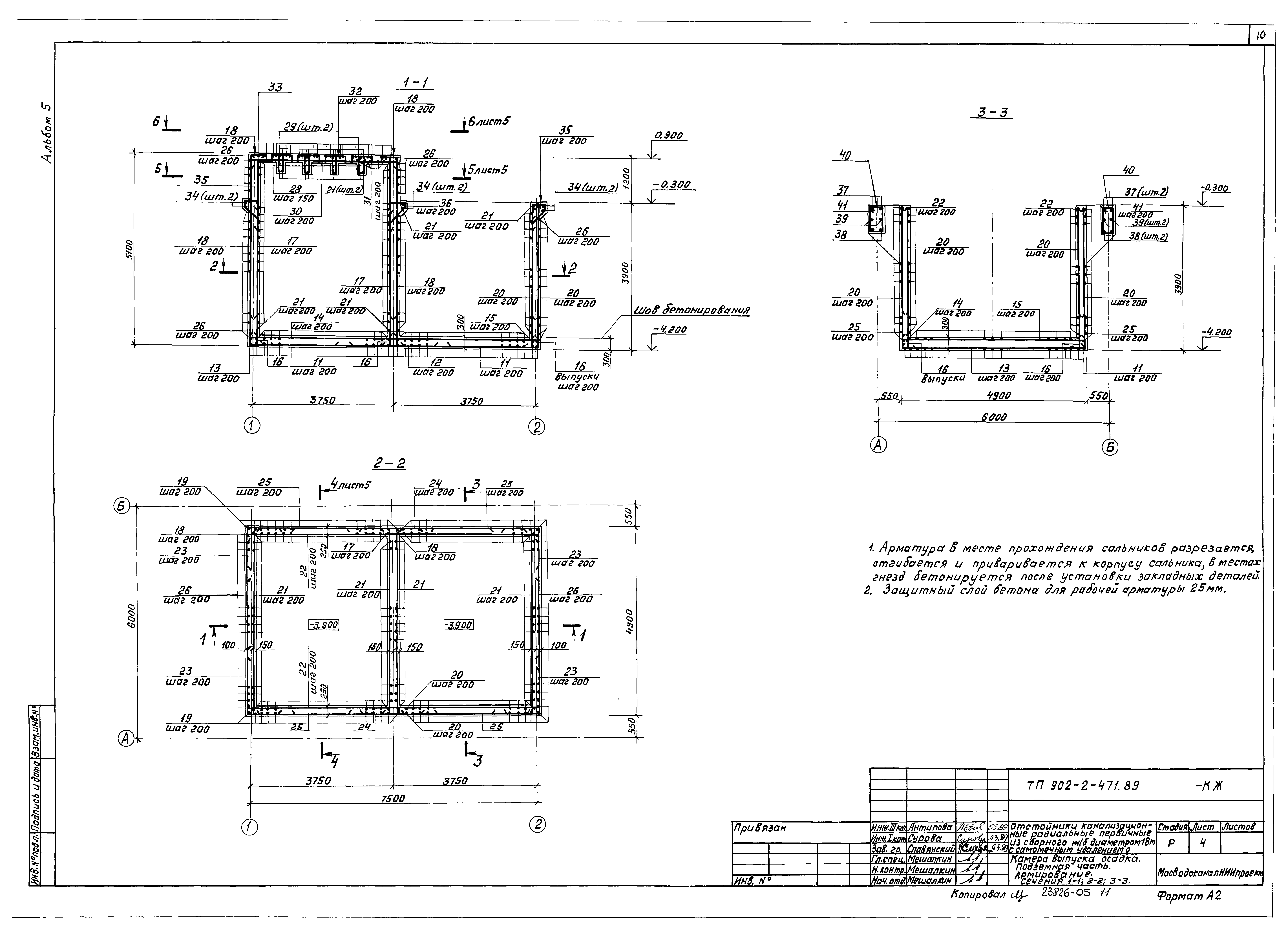
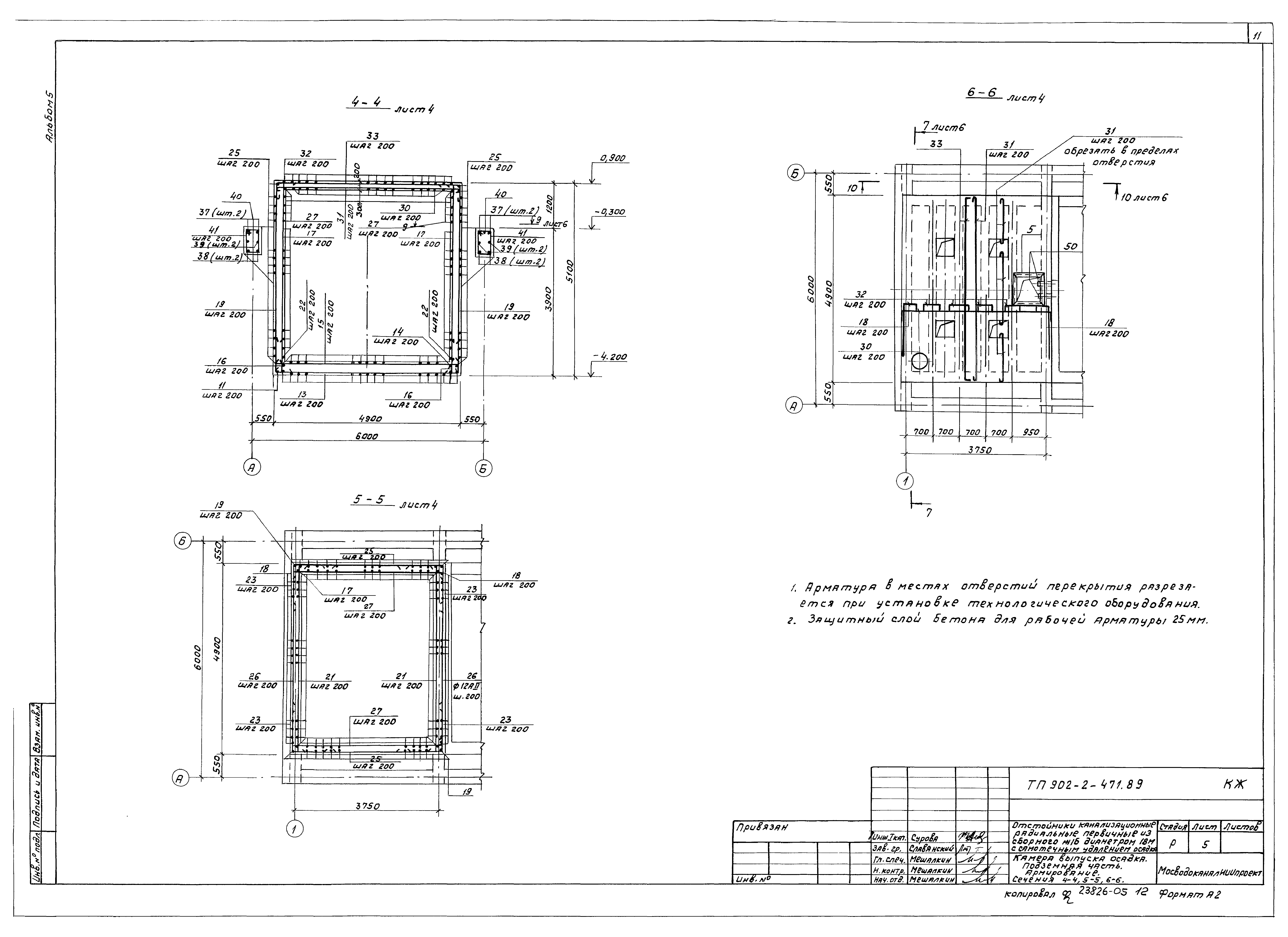
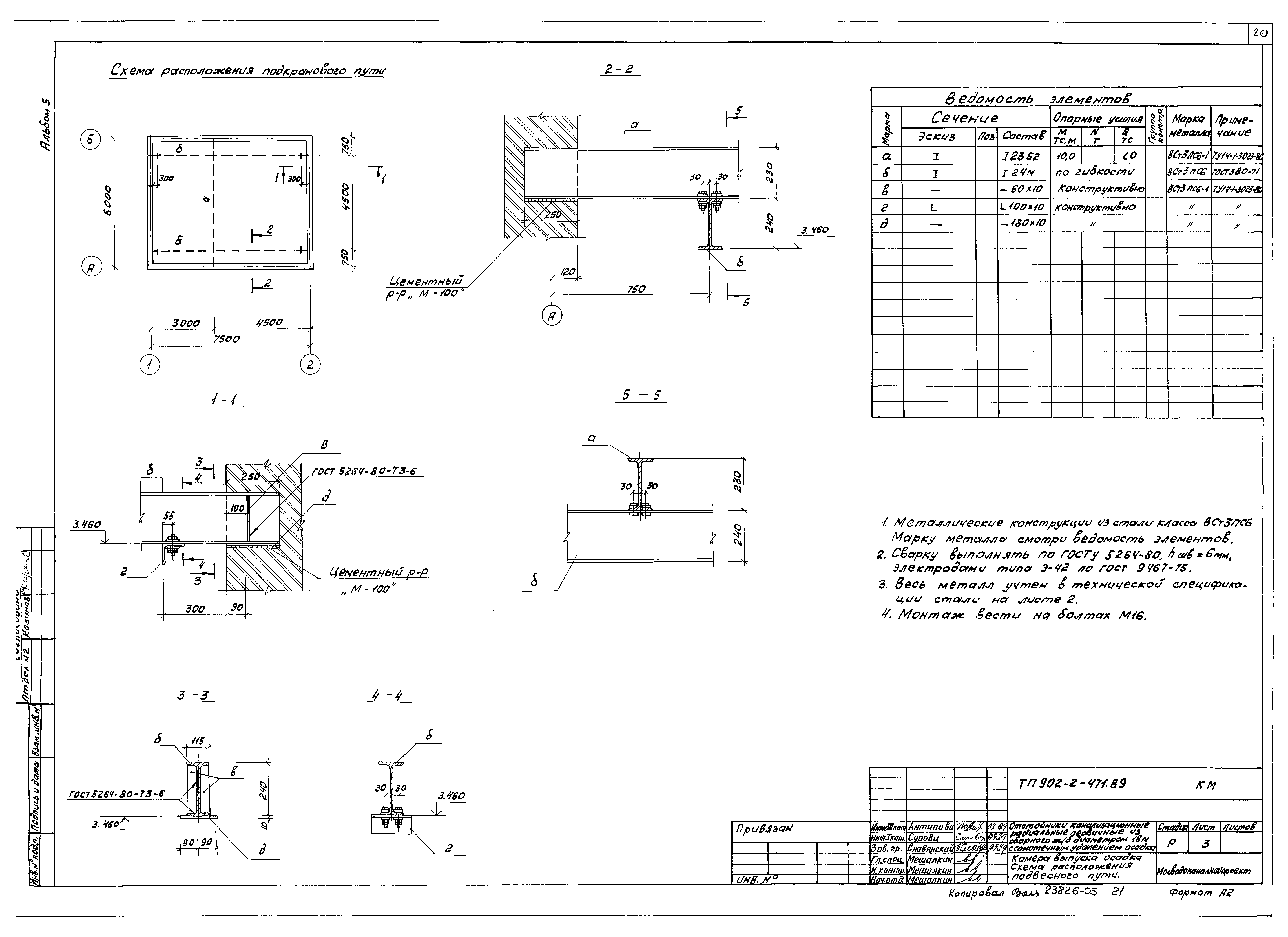
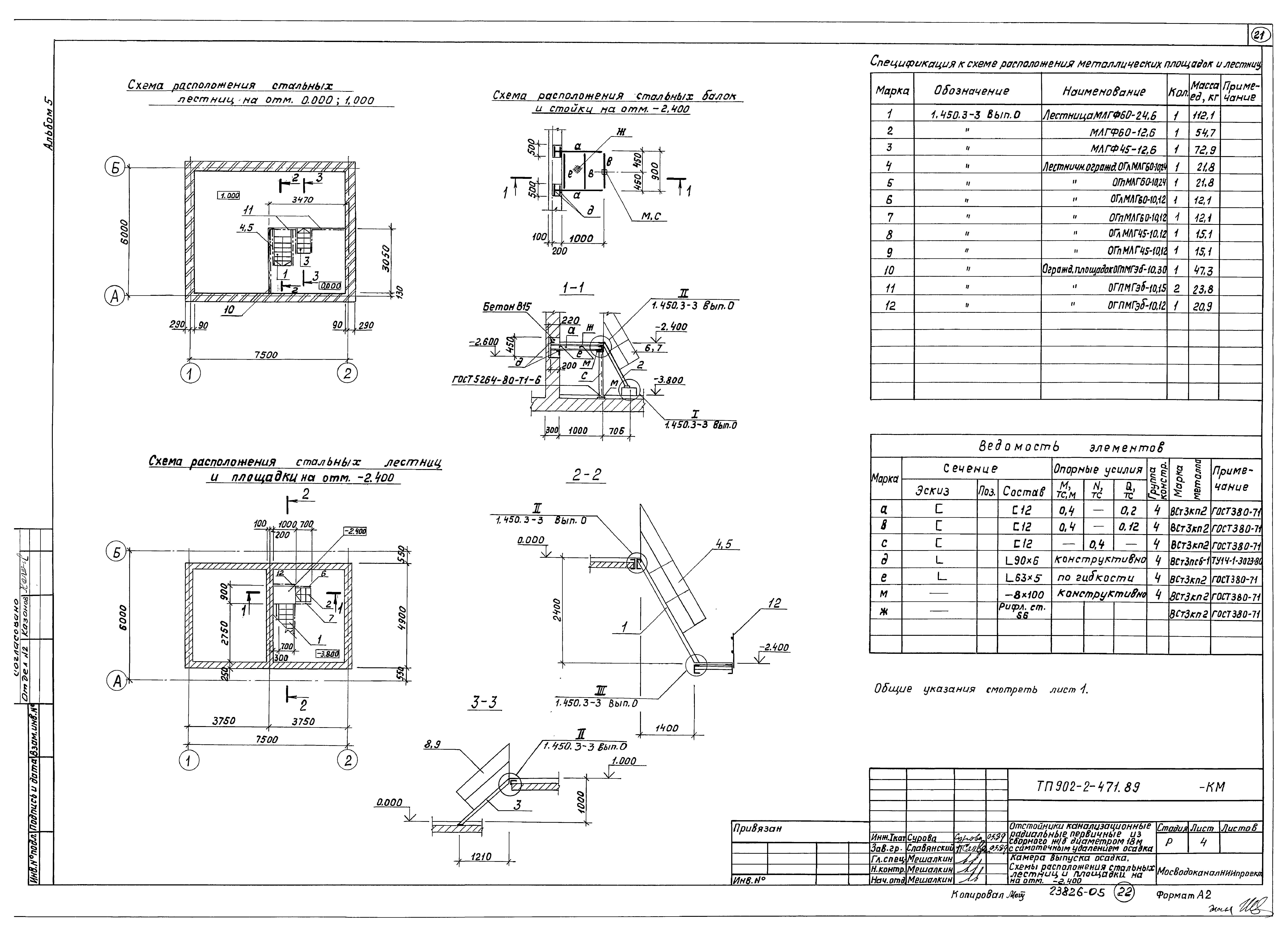
| Оглавление: | Титульный лист Содержание альбома АР - Архитектурное решение Камера выпуска осадка. Общие данные Камера выпуска осадка. План, фасады Камера выпуска осадка. Разрезы 1-1, 2-2 Камера выпуска осадка. Воздухозаборная камера КЖ - Конструкции железобетонные Камера выпуска осадка. Общие данные Камера выпуска осадка. Подземная часть. Сечения 2-2, 3-3, Фом1 Камера выпуска осадка. Подземная часть. Сечения 4-4, 5-5 Камера выпуска осадка. Подземная часть. Армирование. Сечения 1-1, 2-2, 3-3 Камера выпуска осадка. Подземная часть. Армирование. Сечения 4-4, 5-5, 6-6 Камера выпуска осадка. Подземная часть. Армирование. Балка Б-1. Сечения 7-7 - 12-12 Камера выпуска осадка. Подземная часть. Армирование. Спецификация Камера выпуска осадка. Схема расположения плит покрытия и перекрытия на отм. 1.000 Камера выпуска осадка. Схемы расположения рам, щитов и труб для электрокабелей на отм. 1.000, - 3.800 КЖ.И. - Строительные изделия Технические условия Крышка К-1 Крышка К-2 Крышка К-3 Рама Р-1 Рама Р-2 КМ - Конструкции металлические Камера выпуска осадка. Общие данные Камера выпуска осадка. Схема расположения подвесного пути Камера выпуска осадка. Схемы расположения стальных лестниц и площадки на отм. - 2.400 |
| Разработан: | МосводоканалНИИпроект |
| Утверждён: | 28.04.1989 Мосгорисполком (Mosgorispolkom 890р) |





















