Скачать Типовой проект 801-9-20.84 Альбом I. Пояснительная записка. Технология производства. Архитектурно-строительные решения. Спецификации оборудования. Ведомости потребности в материалахДата актуализации: 01.01.2021
|
| Обозначение: | Типовой проект 801-9-20.84 |
| Обозначение англ: | 801-9-20.84 |
| Статус: | не определен законодательством |
| Название рус.: | Альбом I. Пояснительная записка. Технология производства. Архитектурно-строительные решения. Спецификации оборудования. Ведомости потребности в материалах |
| Дата добавления в базу: | 01.09.2013 |
| Дата актуализации: | 01.01.2021 |
| Дата введения: | 11.11.1984 |
| Дата окончания срока действия: | 30.06.2003 |
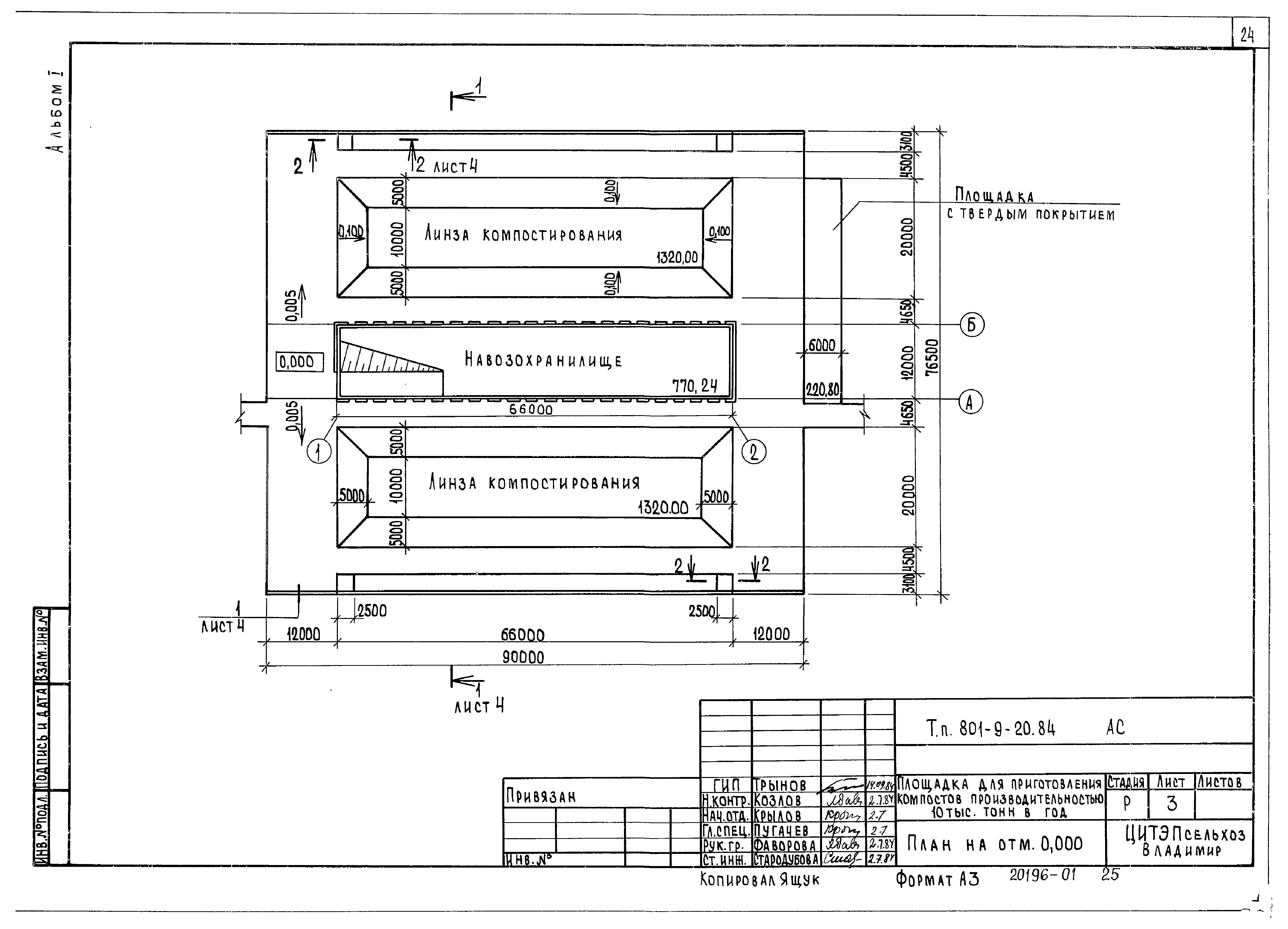
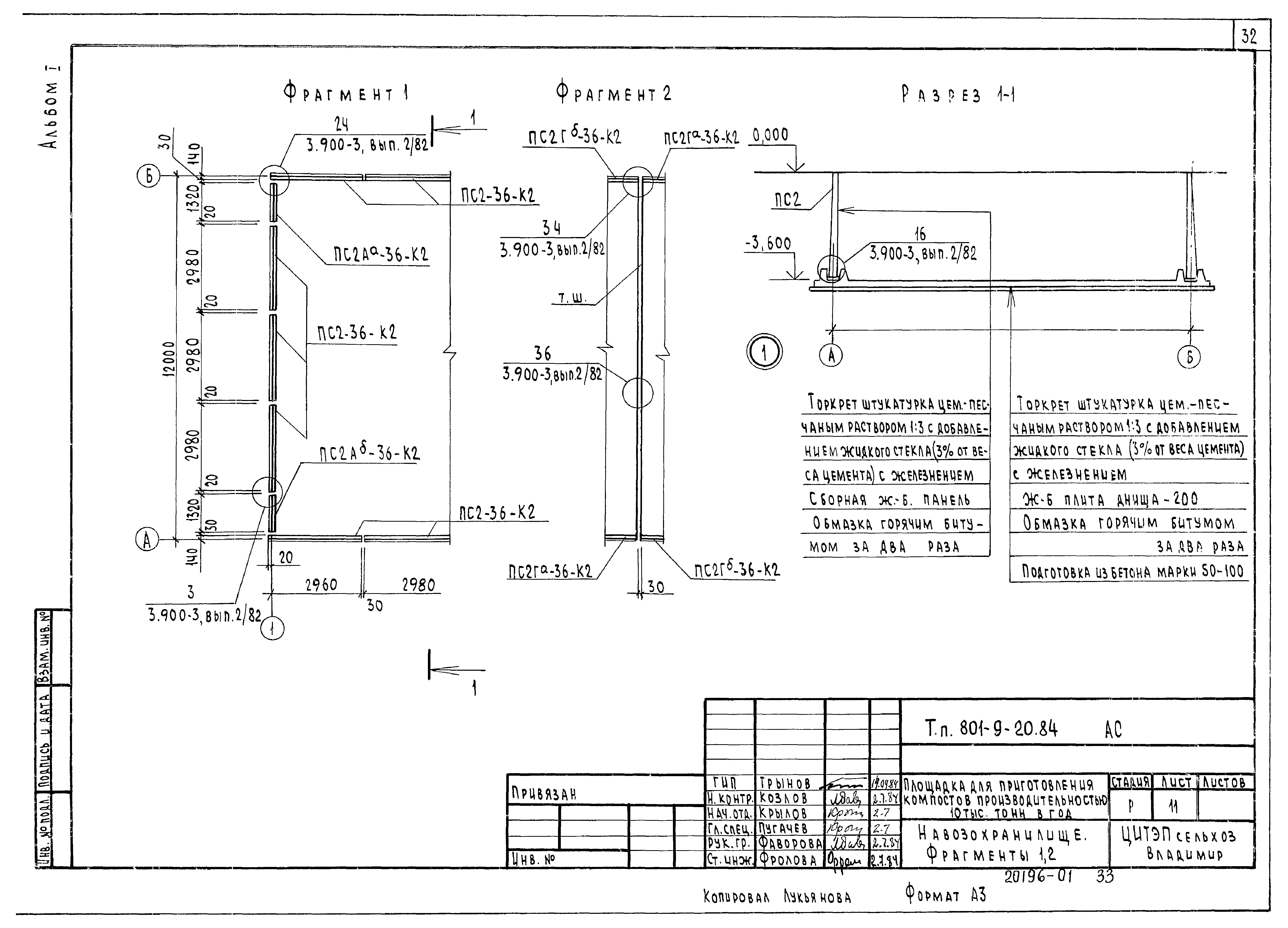
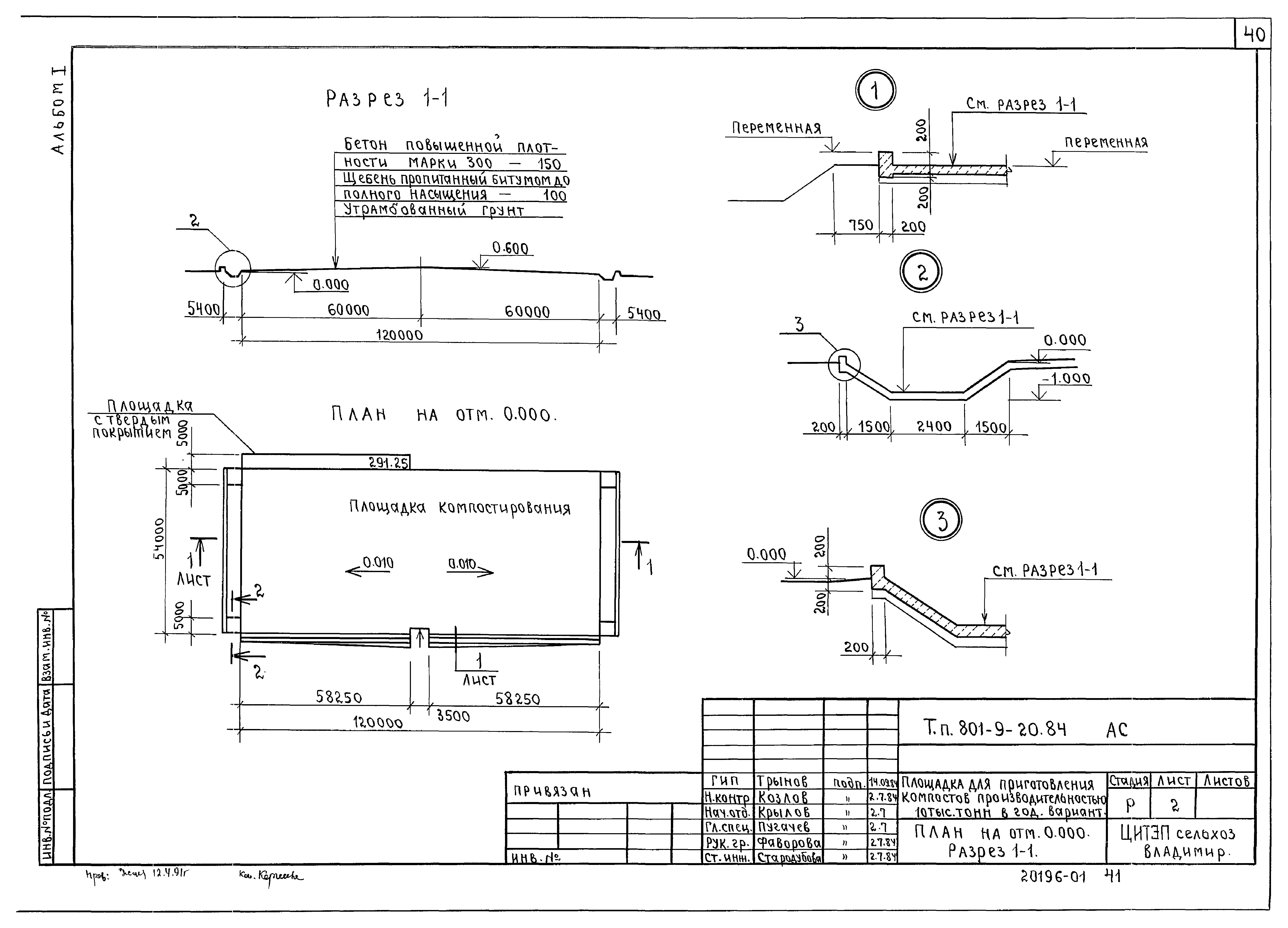
| Оглавление: | Содержание альбома Пояснительная записка Пояснительная записка (вариант) Чертежи основного комплекта марки ТХ Общие данные План. Разрезы 1-1…3-3 Фрагменты технологических процессов Общие данные (вариант) План. Разрезы 1-1…3-3 (вариант) Фрагменты технологических процессов (вариант) Чертежи основного комплекта марки АС Общие данные План на отм. 0.00 Разрезы 1-1, 2-2. Узлы 1 - 3 Навозохранилище. Пандус Навозохранилище. План днища Навозохранилище. Схема расположения верхних и нижних стенок Навозохранилище. Схема расположения каркасов Навозохранилище. Узлы 4 - 6 Навозохранилище. Схема расположения панелей стен Навозохранилище. Фрагменты 1, 2 Навозохранилище. Схема разбивки гнезд под стойки ограждения. Детали ограждения Сетка С1 Сетка С2 Сетка (С3, С6) Сетка (С4, С5) Сетка С7 Каркас (КР1, КР2) Каркас КР3 Лягушка монтажная Панель ПС2-36-К2а Общие данные (вариант) План на отм. 0.000. Разрез 1-1 (вариант) Чертежи основного комплекта марки ГТ Схема генплана Схема генплана (вариант) Спецификация оборудования Спецификация оборудования (вариант) Ведомость потребности в материалах части ТХ Ведомость потребности в материалах части ТХ (вариант) Ведомость потребности в материалах. Монолитные конструкции Ведомость потребности в материалах. Сборные конструкции Ведомость потребности в материалах для производства строительно-монтажных работ Ведомость потребности в материалах на производство строительно-монтажных работ (вариант) |
| Разработан: | ЦИТЭПсельхоз |
| Утверждён: | 21.05.1984 Минсельхоз СССР (USSR Minselkhoz 61-ЭГ) |


















































