Скачать Серия ОТУ 32-4863 Выпуск 1. Схемы электрические принципиальные. Установочные чертежи. Рабочие чертежиДата актуализации: 01.01.2021
|
| Обозначение: | Серия ОТУ 32-4863 |
| Обозначение англ: | Series ОТУ 32-4863 |
| Статус: | заменен |
| Название рус.: | Выпуск 1. Схемы электрические принципиальные. Установочные чертежи. Рабочие чертежи |
| Дата добавления в базу: | 01.09.2013 |
| Дата актуализации: | 01.01.2021 |
| Дата введения: | 23.07.1998 |
| Дата окончания срока действия: | 28.03.2014 |
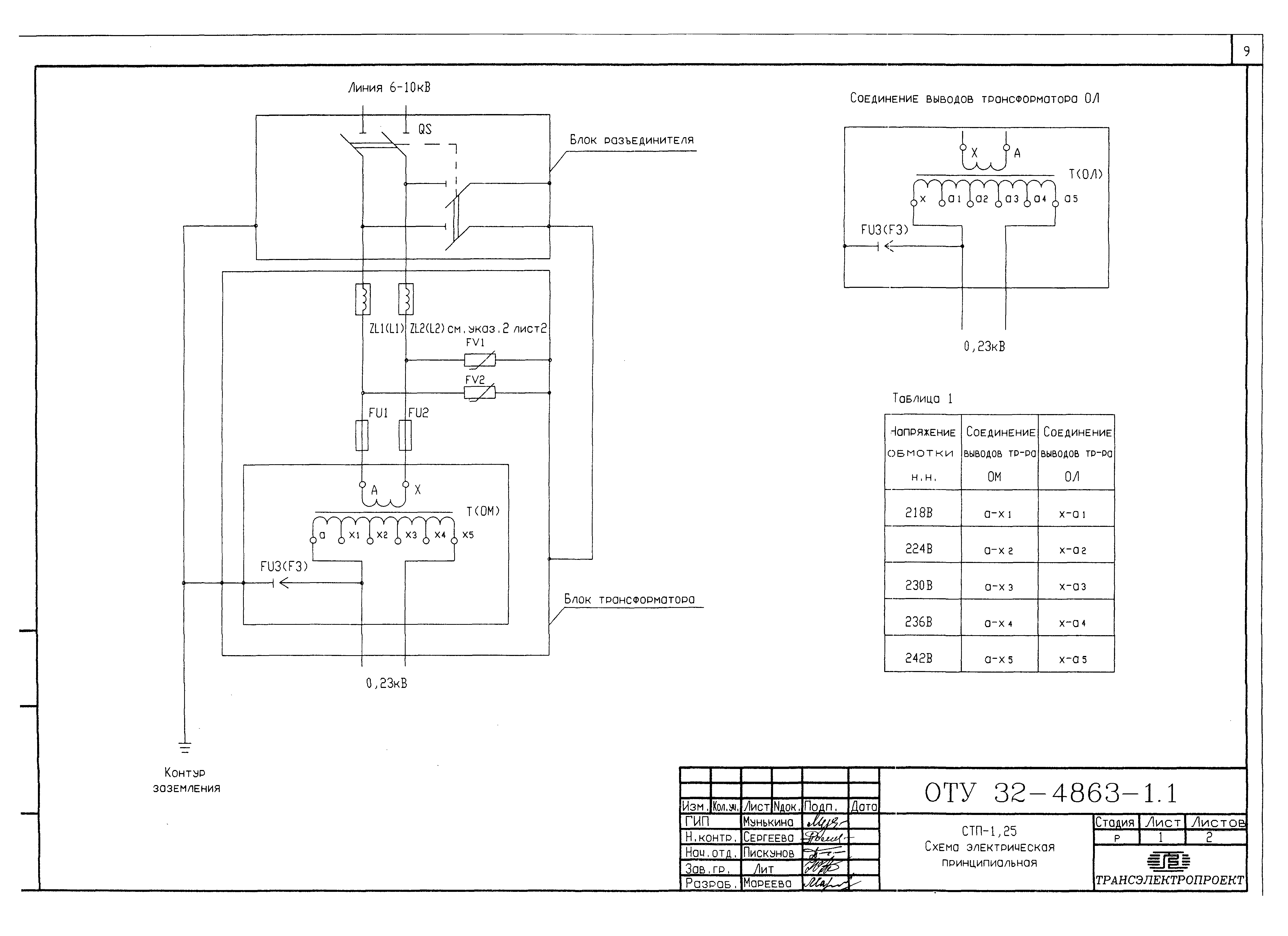
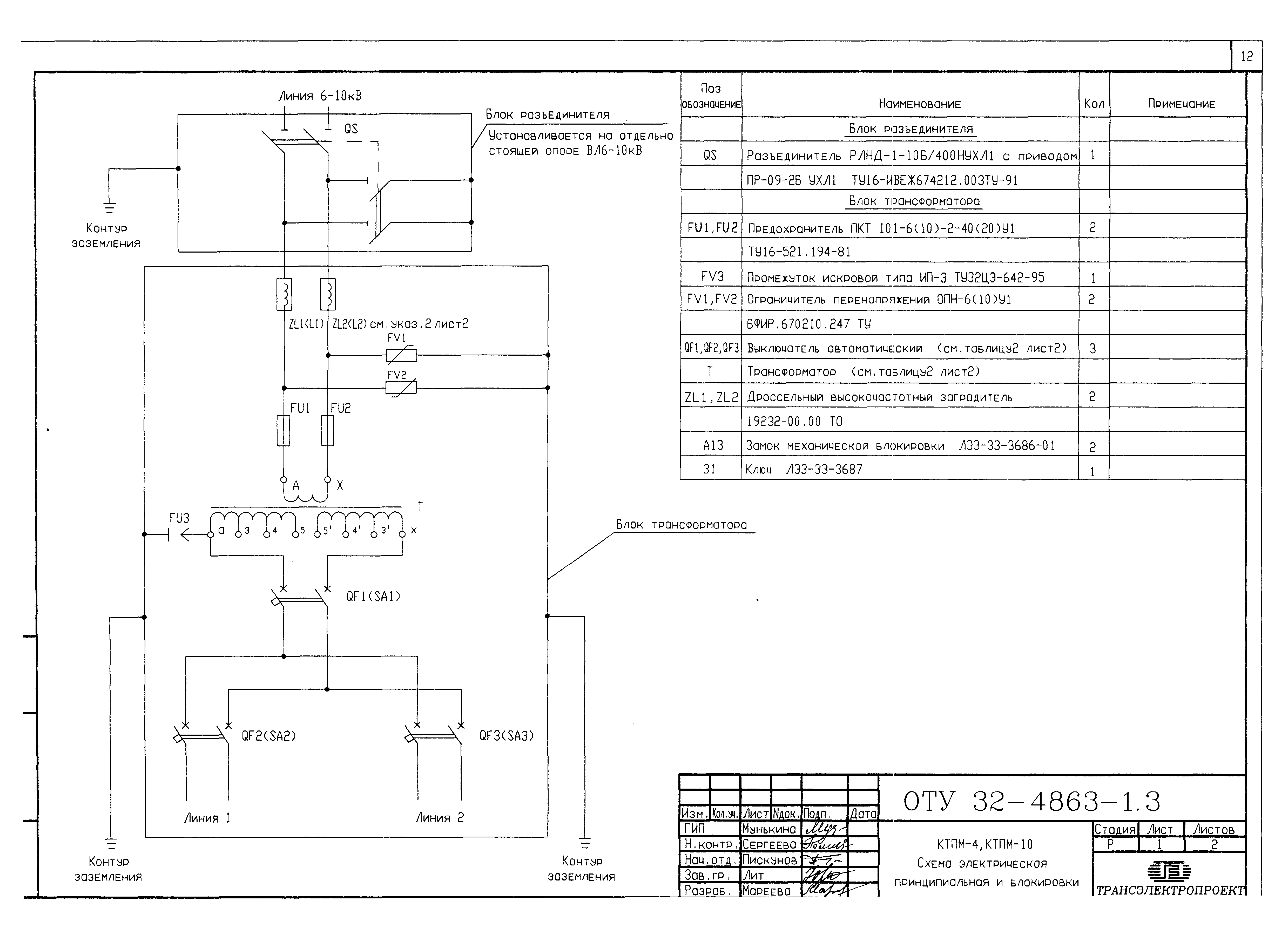
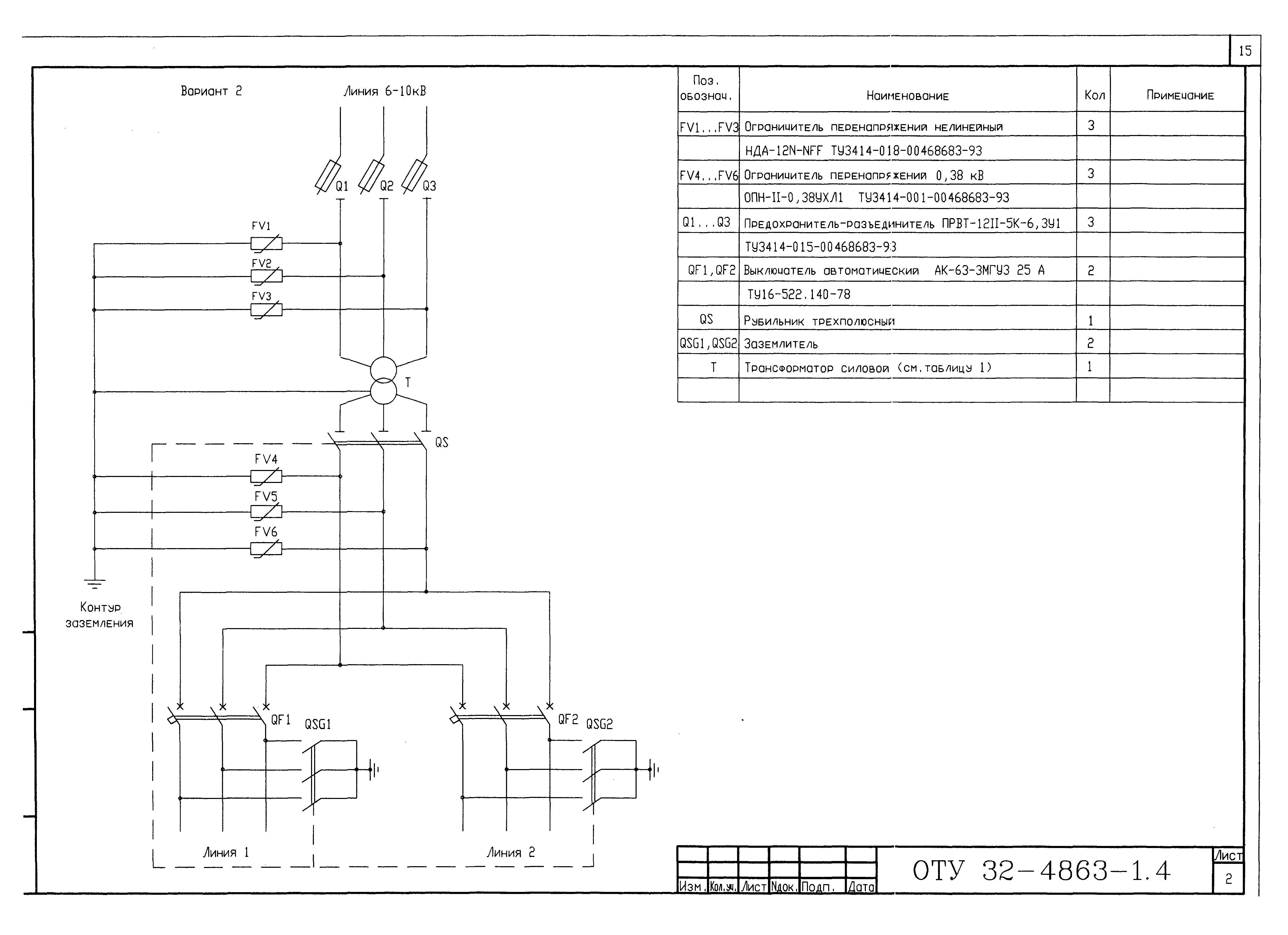
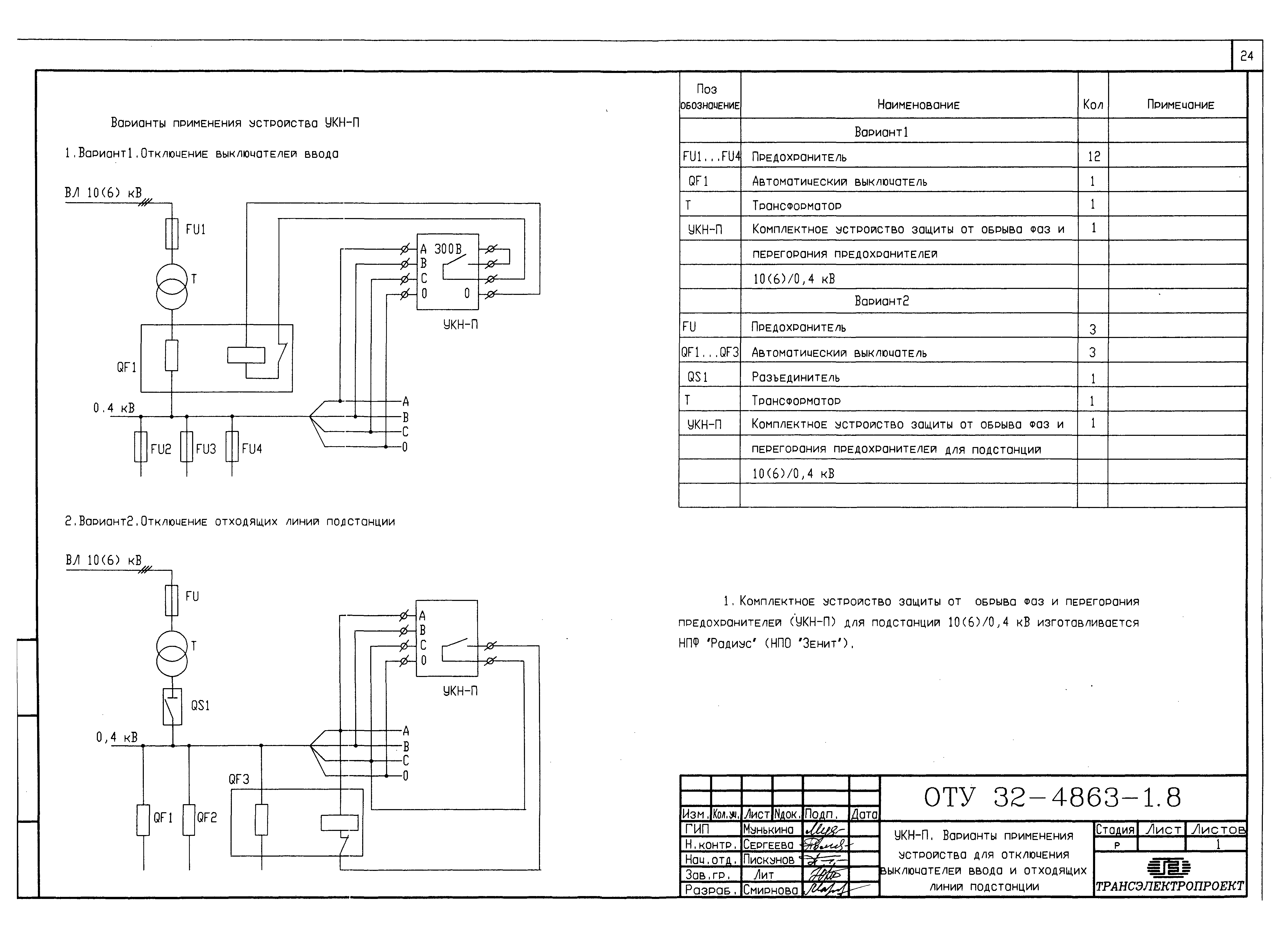
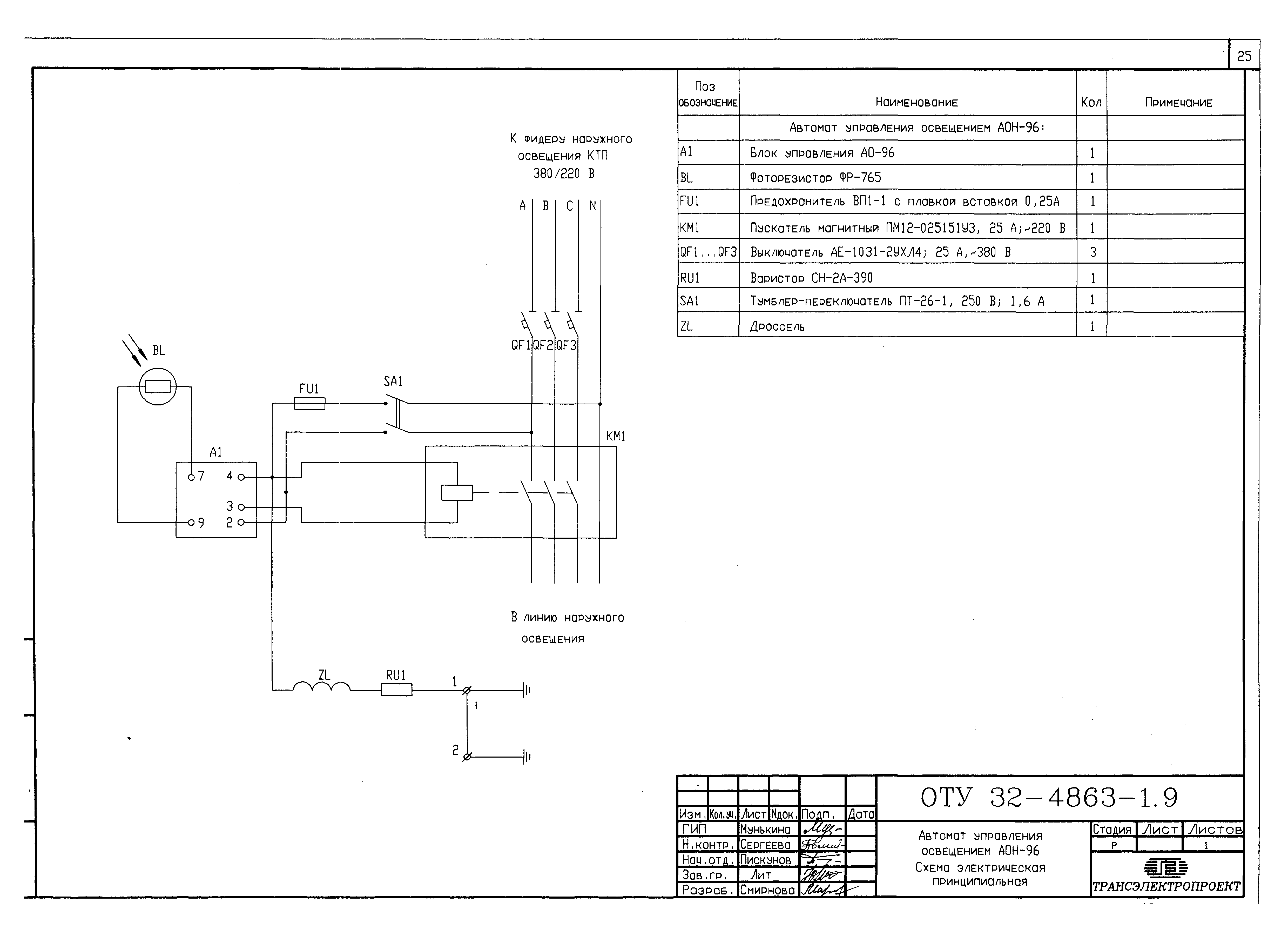
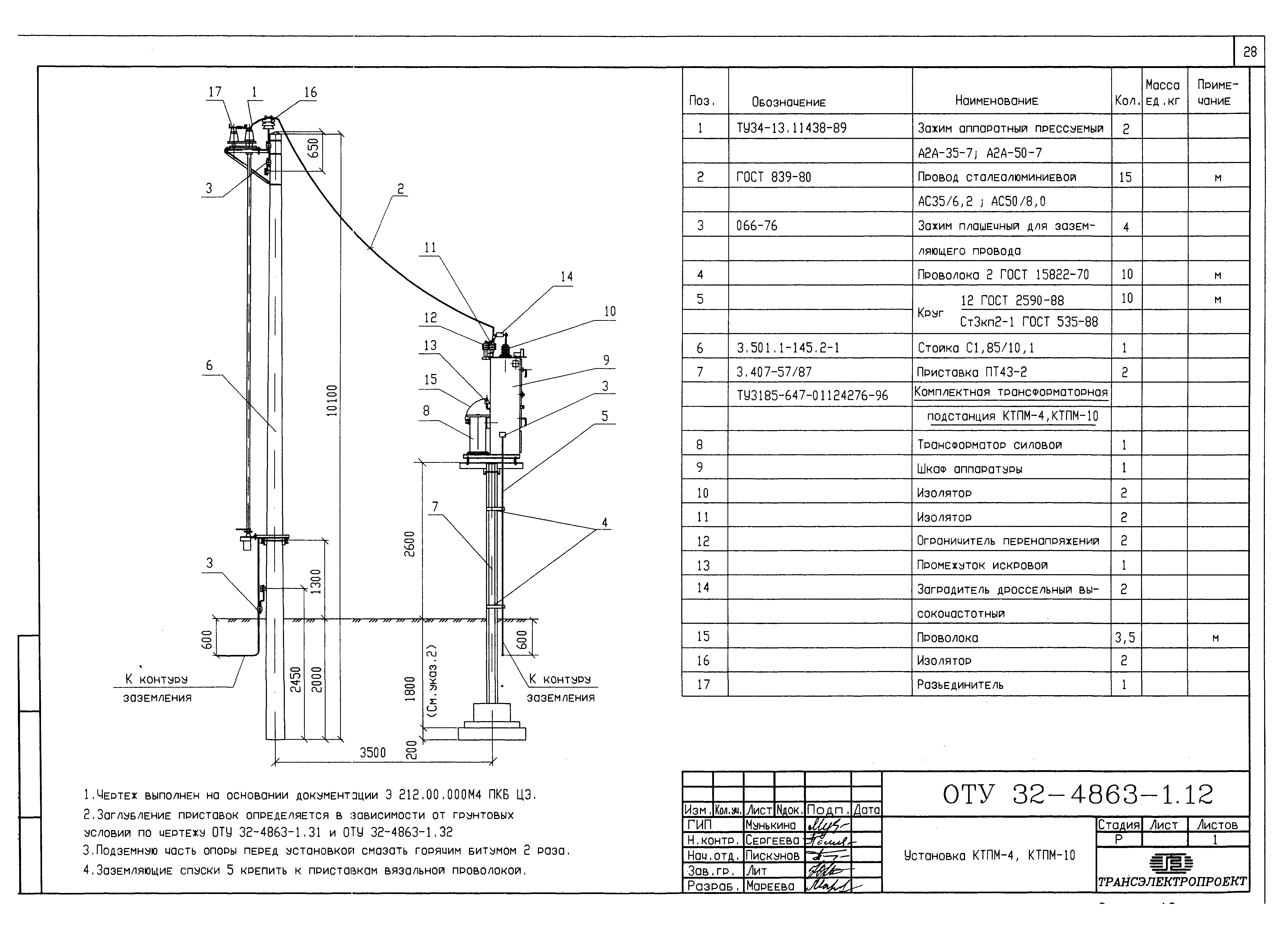
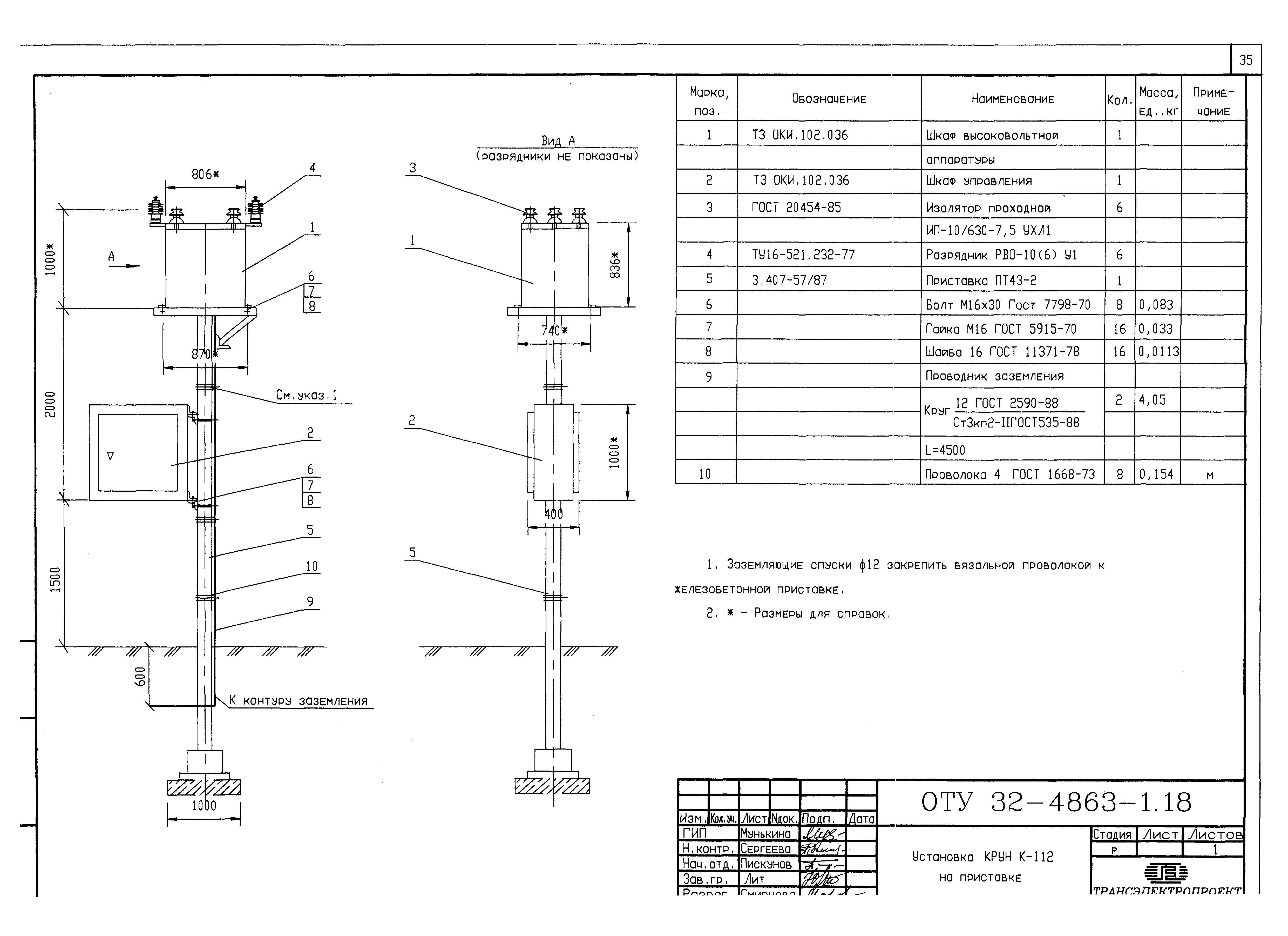
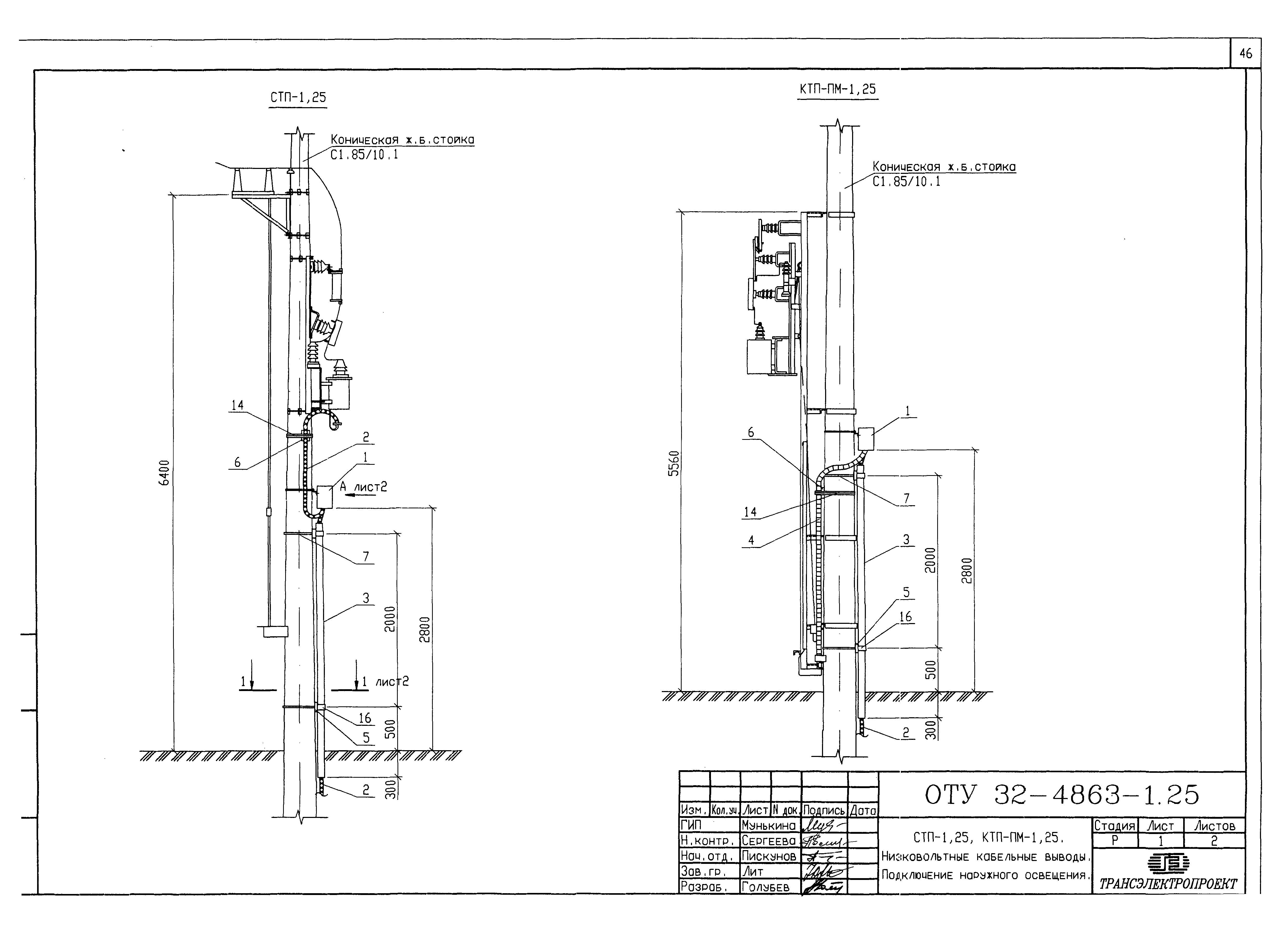
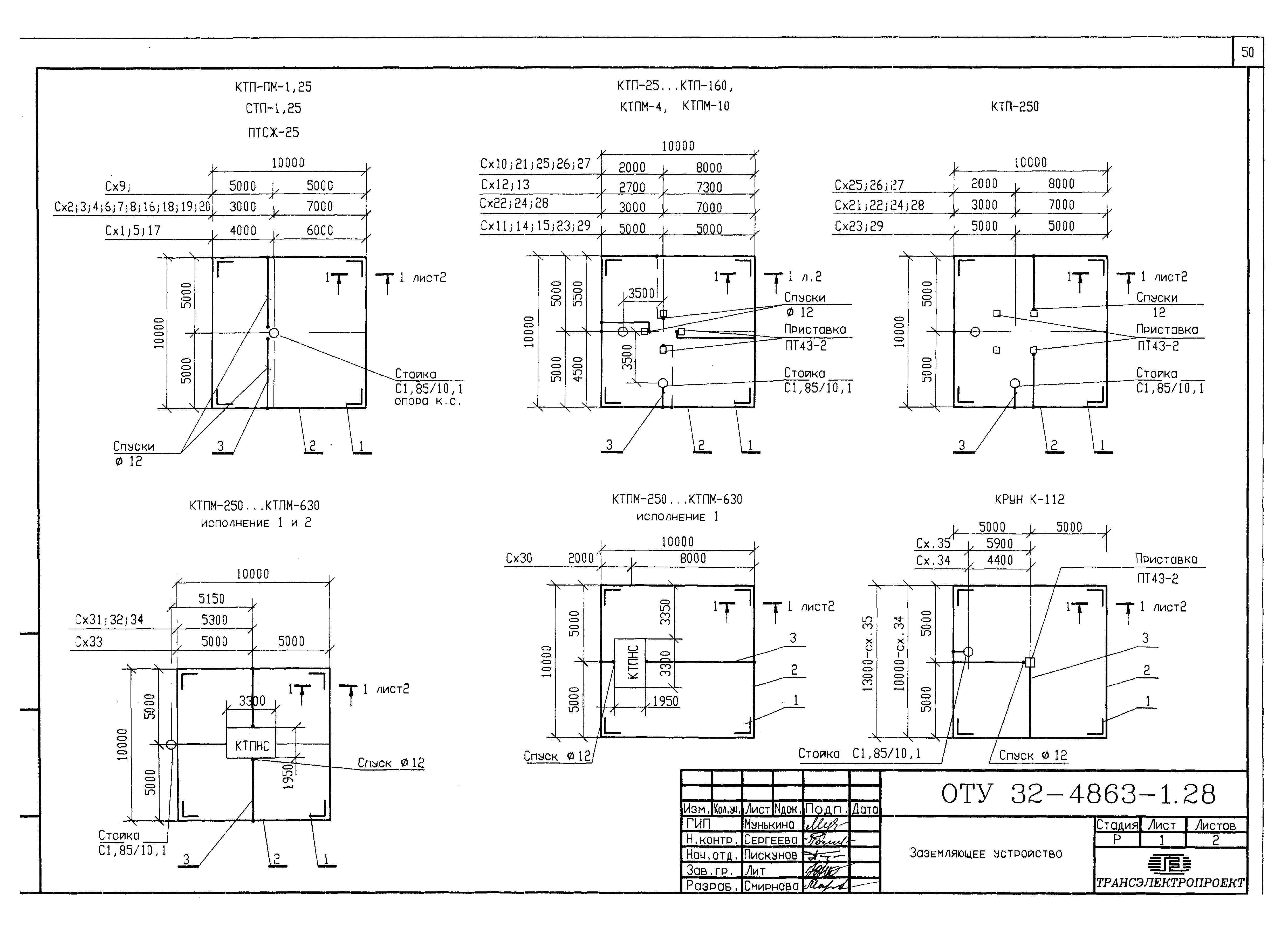
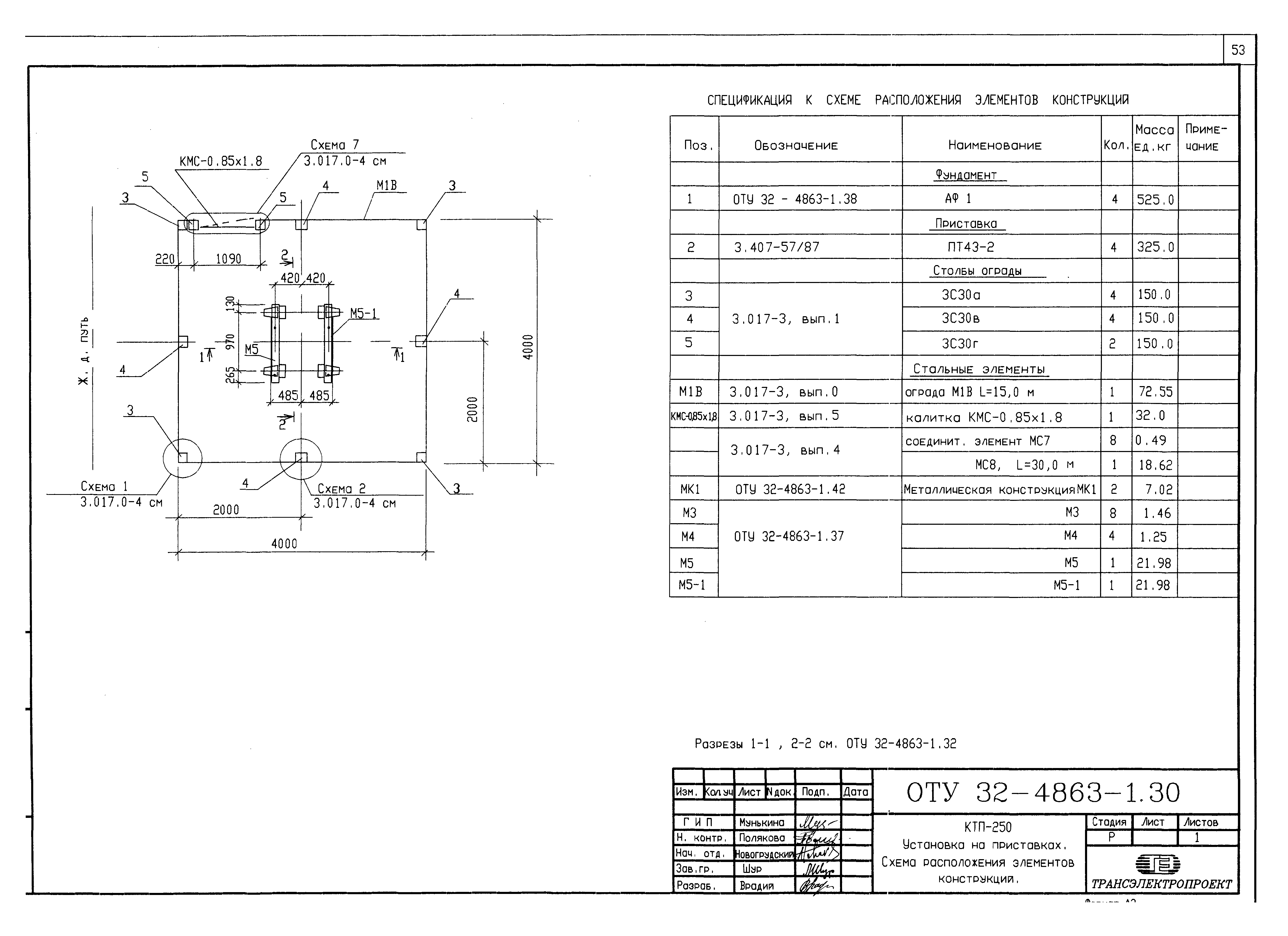
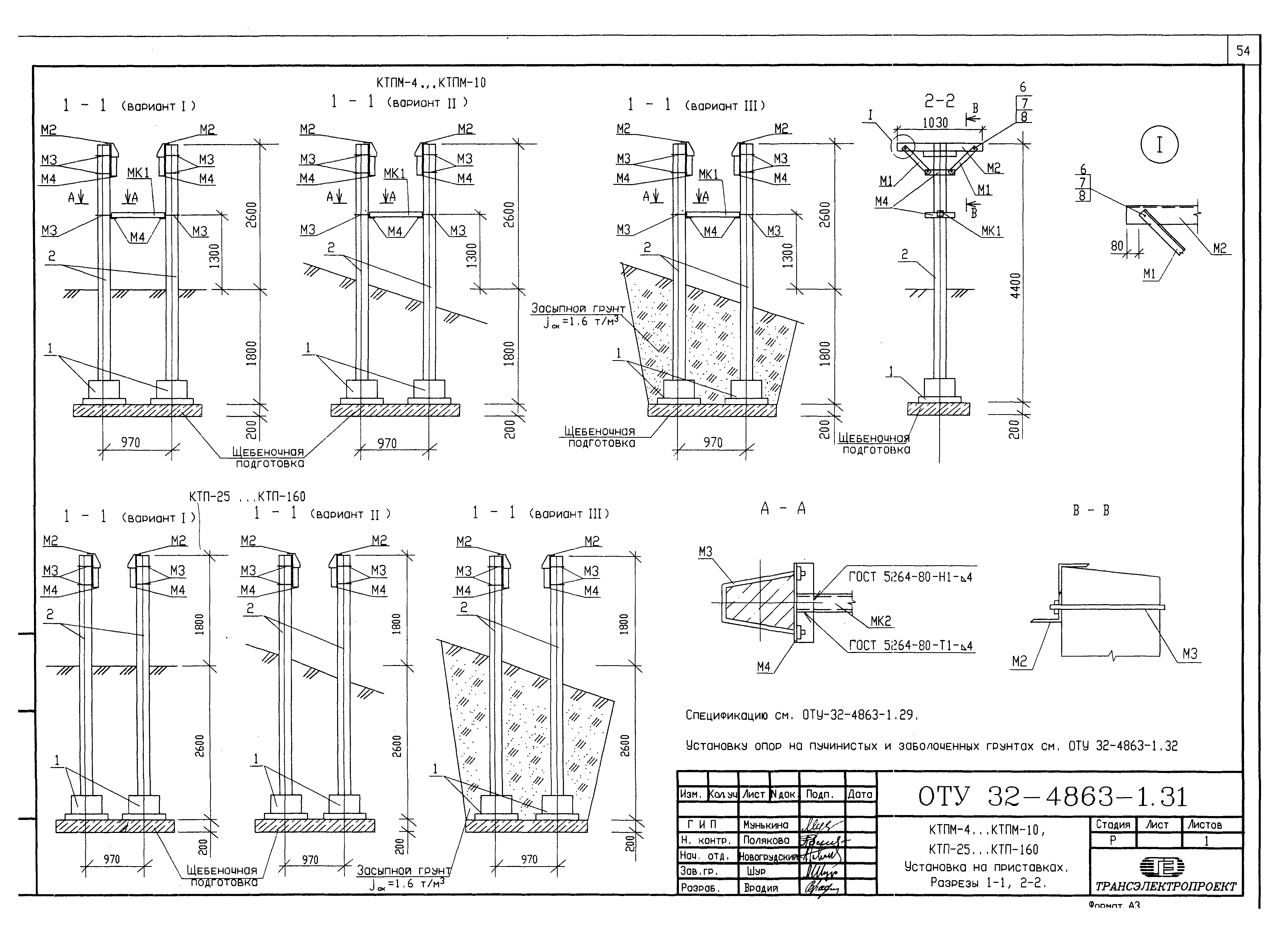
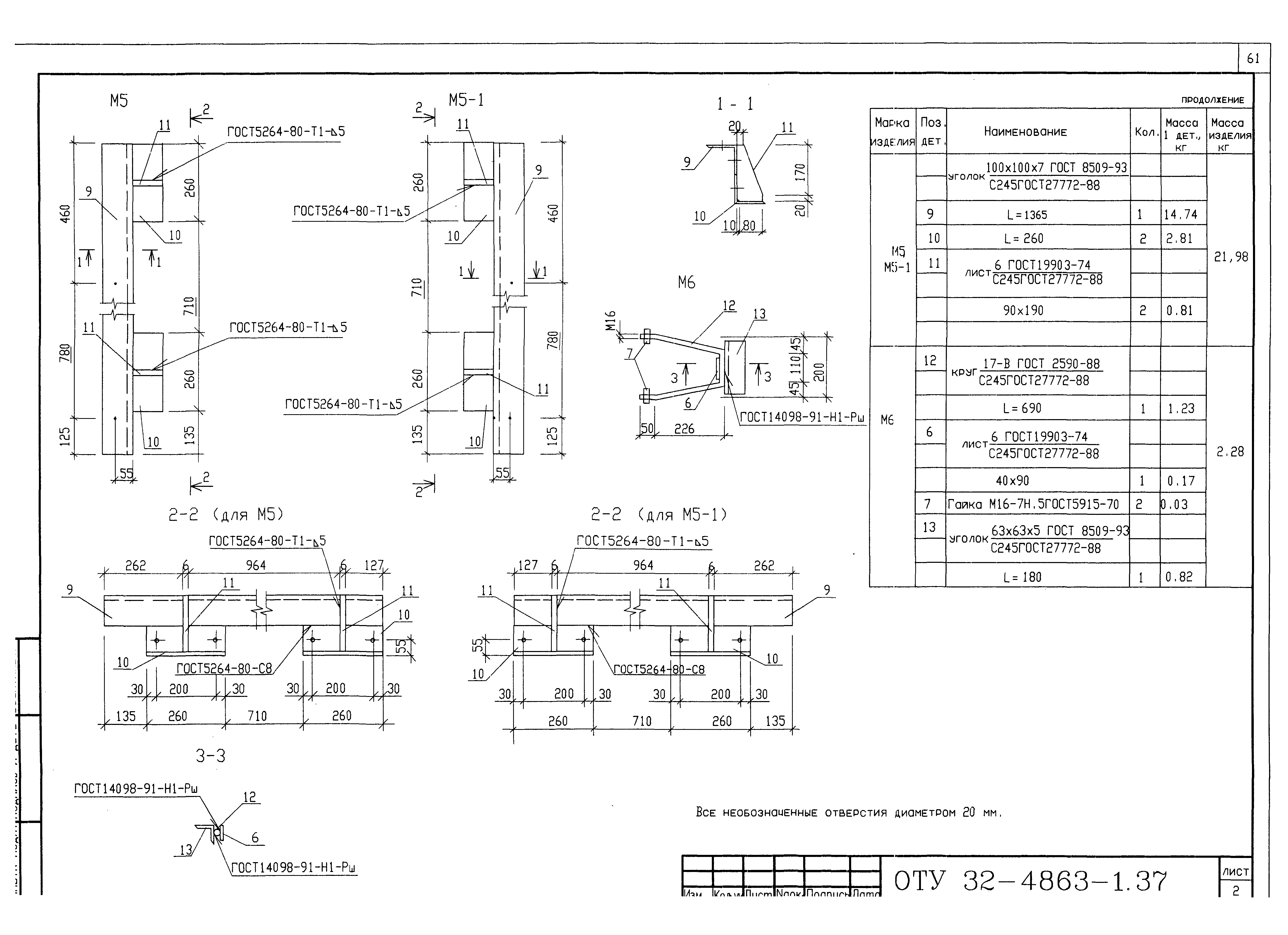
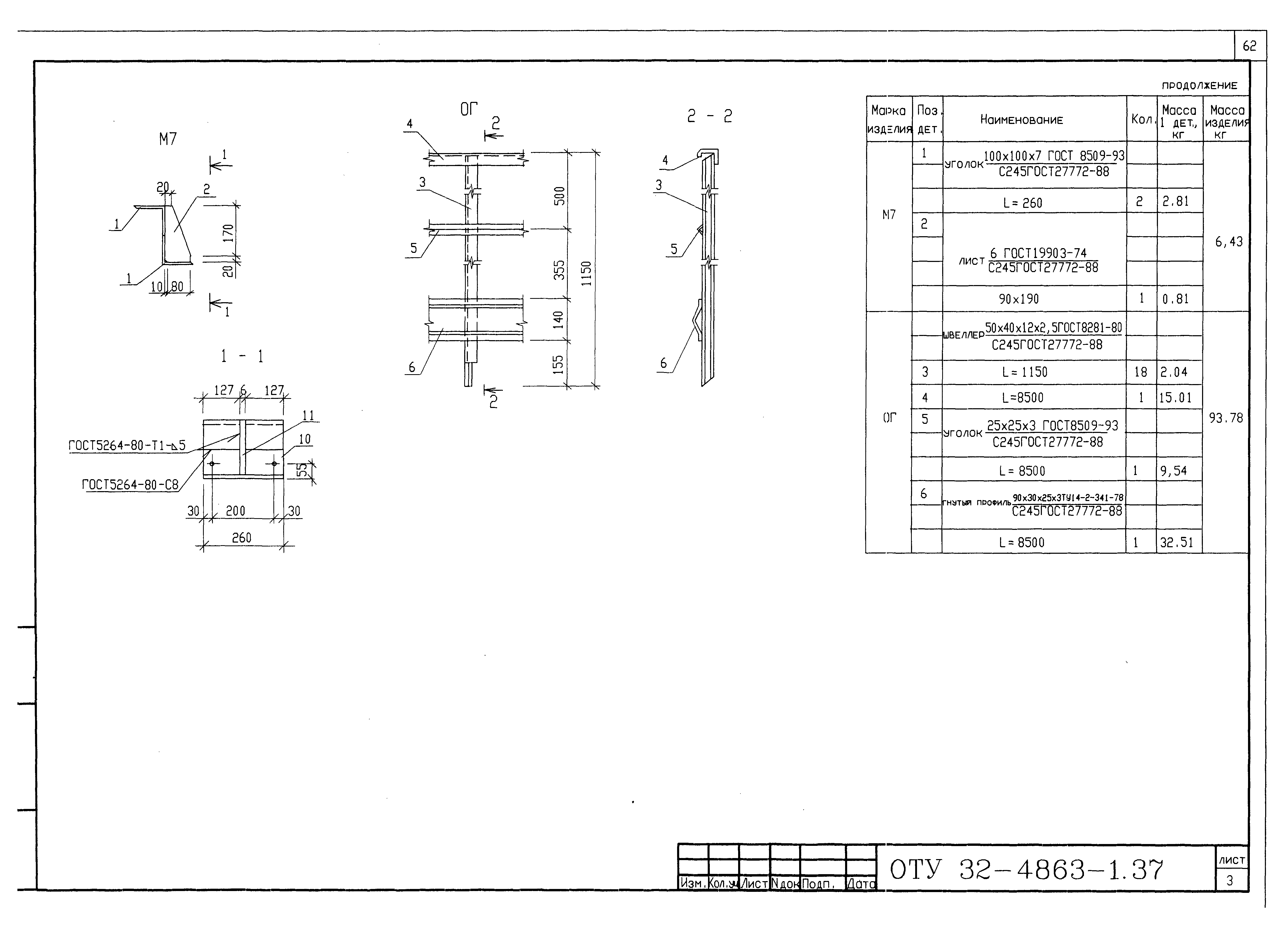
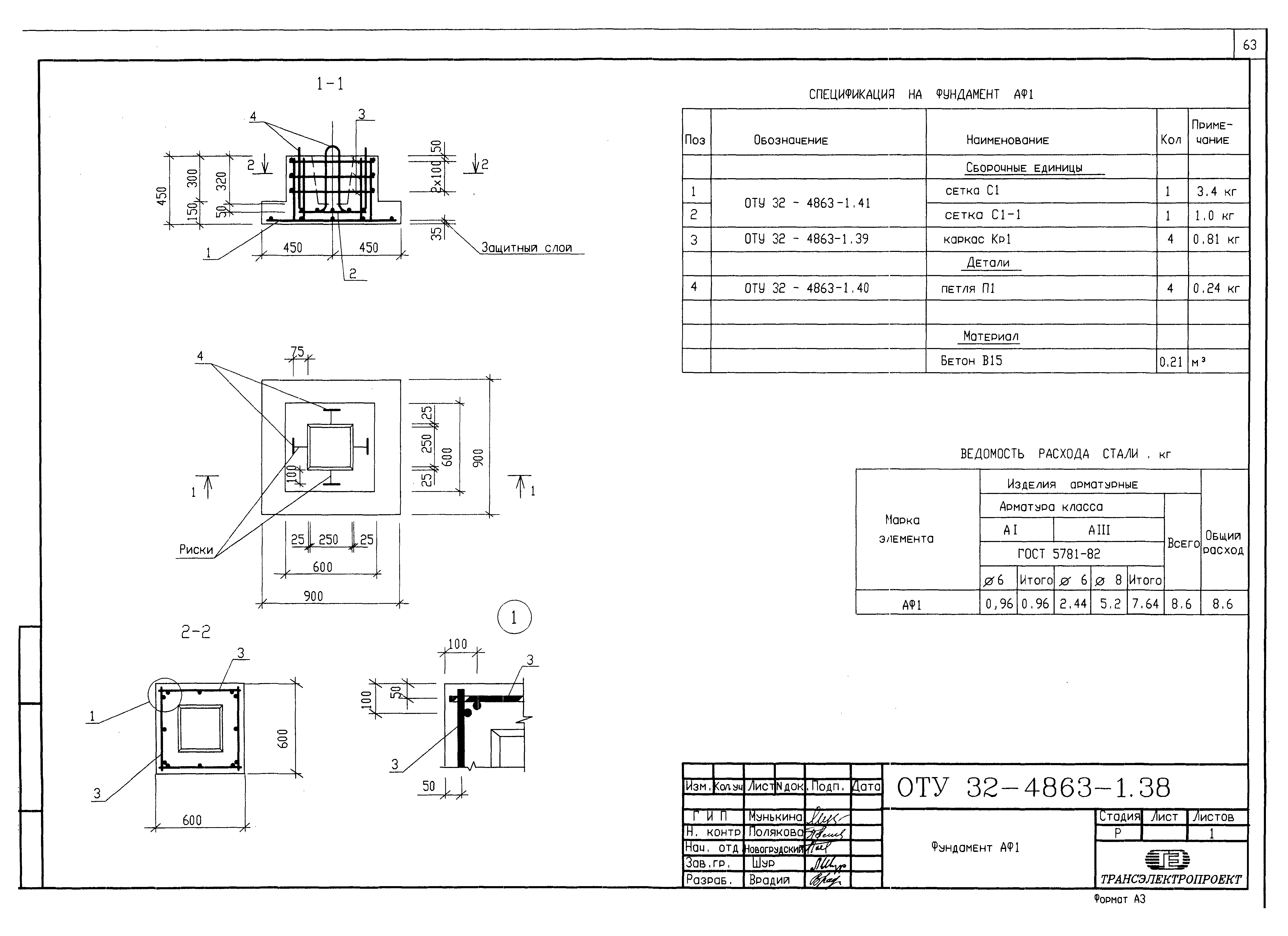
| Оглавление: | ОТУ 32-4863-1.ПЗ Пояснительная записка ОТУ 32-4863-1.1 СТП-1,25. Схема электрическая принципиальная ОТУ 32-4863-1.2 КТП-ПМ-1,25. Схема электрическая принципиальная ОТУ 32-4863-1.3 КТПМ-4, КТПМ-10. Схема электрическая принципиальная и блокировки ОТУ 32-4863-1.4 ПТСЖ-25. Схема электрическая принципиальная ОТУ 32-4863-1.5 КТП-25…КТП-250. Схема электрическая принципиальная и блокировки ОТУ 32-4863-1.6 КТП-250…КТП-630. Схема электрическая принципиальная и блокировки ОТУ 32-4863-1.7 КРУН К-112, КТПМ-250, КТПМ-400 и КТПМ-630. Схемы электрические принципиальные и подключения ОТУ 32-4863-1.8 УКН-П. Варианты применения устройства для отключения выключателей ввода и отходящих линий подстанции ОТУ 32-4863-1.9 Автомат управления освещением АОН-96. Схема электрическая принципиальная ОТУ 32-4863-1.10 Установка СТП-1,25 на стойке С 1,85/10,1 ОТУ 32-4863-1.11 Установка КТП-ПМ-1,25 на стойке С 1,85/10,1 ОТУ 32-4863-1.12 Установка КТПМ-4, КТПМ-10 ОТУ 32-4863-1.13 Установка ПТСЖ-25 на стойке С 1,85/10,1 ОТУ 32-4863-1.14 Установка КТП-25…КТП-160 на приставках ОТУ 32-4863-1.15 Установка КТП-250 на приставках ОТУ 32-4863-1.16 Установка КТПМ-250, КТПМ-400, КТПМ-630 в I и II снеговых районах. Вводы кабельные ОТУ 32-4863-1.17 Установка КТПМ-250, КТПМ-400, КТПМ-630 в III и IV снеговых районах. Вводы воздушные ОТУ 32-4863-1.18 Установка КРУН К-112 на приставке ОТУ 32-4863-1.19 Установка разъединителя РЛНД-1-10Б/400НУХЛ1 с приводом ПР-09-2Б УХЛ1 на стойке С 1,85/10,1 ОТУ 32-4863-1.20 Установка разъединителя РЛНД-1-10Б/400НУХЛ1 с приводом ПР-09-2Б УХЛ1 на стойке СВ 105 ОТУ 32-4863-1.21 Установка разъединителя РЛНД-1-10Б/400НУХЛ1 с приводом ПР-09-2Б УХЛ1 на опоре контактной сети ОТУ 32-4863-1.22 Разъединитель, кабельная муфта, ограничители перенапряжений и изоляторы на стойке СВ 105 ОТУ 32-4863-1.23 Разъединитель, кабельная муфта, ограничители перенапряжений и изоляторы на стойке С 1,85/10,1 ОТУ 32-4863-1.24 СТП-1,25, КТП-ПМ-1,25. Низковольтные кабельные выводы. Подключение нагрузок СЦБ ОТУ 32-4863-1.25 СТП-1,25, КТП-ПМ-1,25. Низковольтные кабельные выводы. Подключение наружного освещения ОТУ 32-4863-1.26 КТПМ-4, КТПМ-10. Низковольтные кабельные выводы и установка разделительного трансформатора ОТУ 32-4863-1.27 КТП-25…КТП-250. Низковольтные кабельные выводы ОТУ 32-4863-1.28 Заземляющее устройство ОТУ 32-4863-1.29 КТПМ-4…КТПМ-10, КТП25…КТП-160. Установка на приставках. Схема расположения элементов конструкций ОТУ 32-4863-1.30 КТП-250. Установка на приставках. Схема расположения элементов конструкций ОТУ 32-4863-1.31 КТПМ-4…КТПМ10, КТП25…КТП-160. Установка на приставках. Разрезы 1-1, 2-2 ОТУ 32-4863-1.32 КТП-250. Установка на приставках. Разрезы 1-1, 2-2. Установка КТПМ-4…КТПМ-10, КТП-25…КТП-250 на пучинистых и заболоченных грунтах ОТУ 32-4863-1.33 Установка КТПМ-250…КТПМ-630 в I и II снеговых районах. Схема расположения элементов конструкций ОТУ 32-4863-1.34 Установка КТПМ-250…КТПМ-630 в III и IV снеговых районах. Схема расположения элементов конструкций. Разрез 1-1 ОТУ 32-4863-1.35 Установка КТПМ-250…КТПМ-630 в III и IV снеговых районах. Разрезы 2-2, 3-3. Узлы 1…3. Фундамент Ф1 ОТУ 32-4863-1.36 КРУН К-112. Опора ОП1. Схема расположения элементов конструкций ОТУ 32-4863-1.37 Металлические изделия М1…М7, М5-1. Ограждение ОГ ОТУ 32-4863-1.38 Фундамент АФ1 ОТУ 32-4863-1.39 Каркас КР1 ОТУ 32-4863-1.40 Петля П1 ОТУ 32-4863-1.41 Сетка С1, С1-1 ОТУ 32-4863-1.42 Металлическая конструкция МК1 |
| Разработан: | Трансэлектропроект МПС |
| Утверждён: | 23.07.1998 Департамент электрификации и электроснабжения МПС РФ (25) |
| Чем заменён: |
|

































































