Скачать Типовой проект 701-1-54.89 Альбом 6. Изделия строительныеДата актуализации: 01.01.2021
|
| Обозначение: | Типовой проект 701-1-54.89 |
| Обозначение англ: | 701-1-54.89 |
| Статус: | не определен законодательством |
| Название рус.: | Альбом 6. Изделия строительные |
| Дата добавления в базу: | 01.09.2013 |
| Дата актуализации: | 01.01.2021 |
| Дата введения: | 14.12.1989 |
| Дата окончания срока действия: | 30.06.2003 |
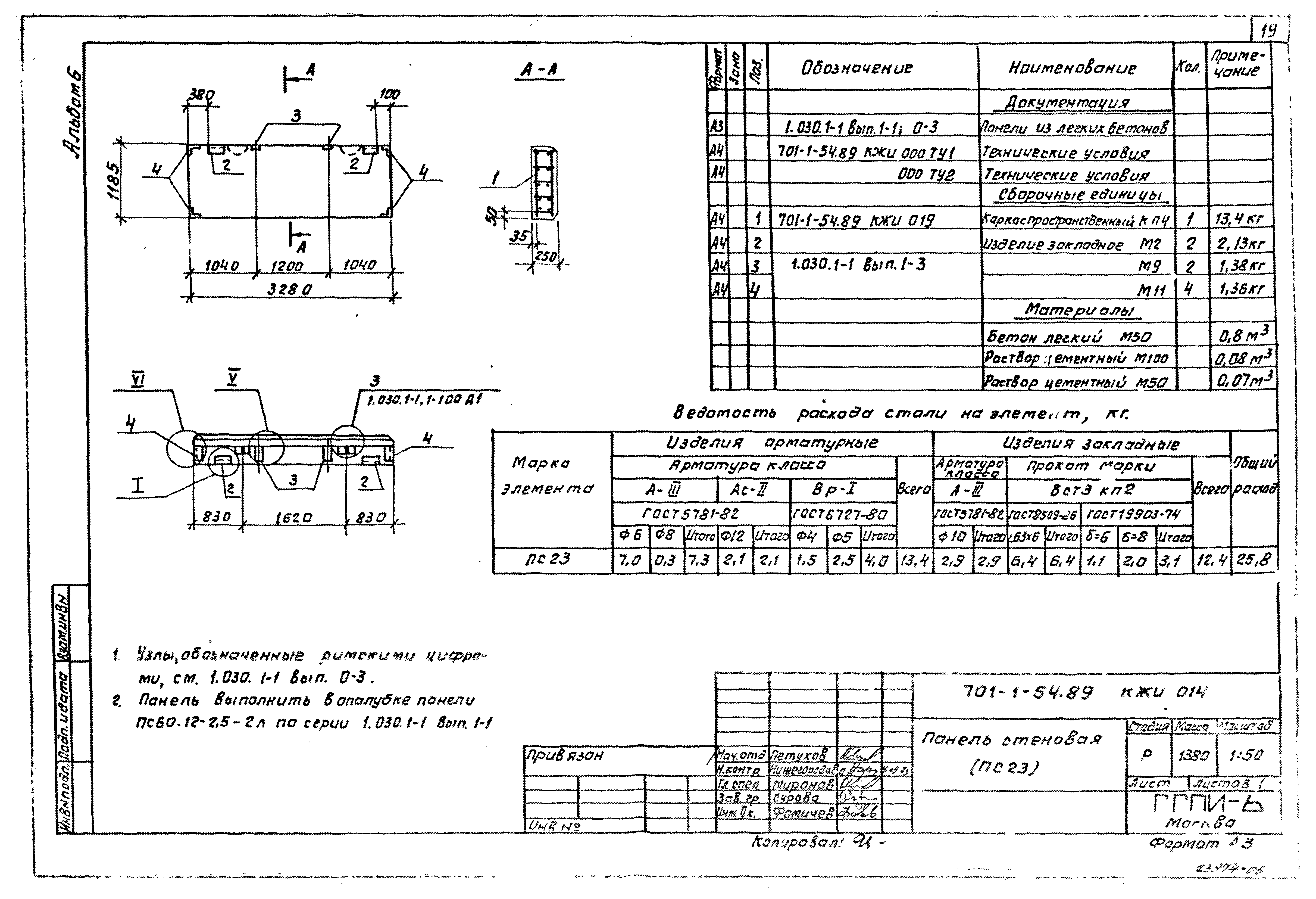
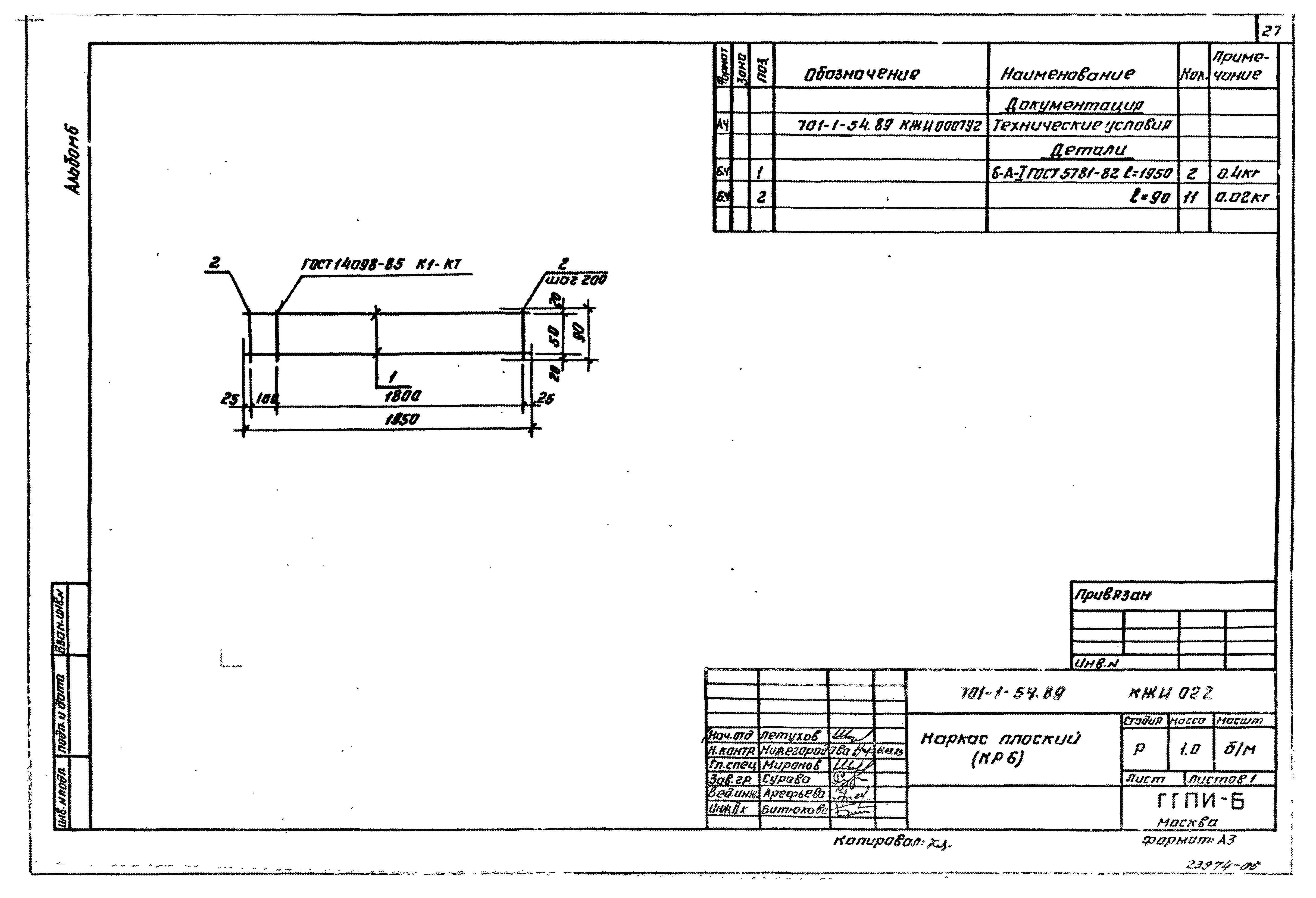
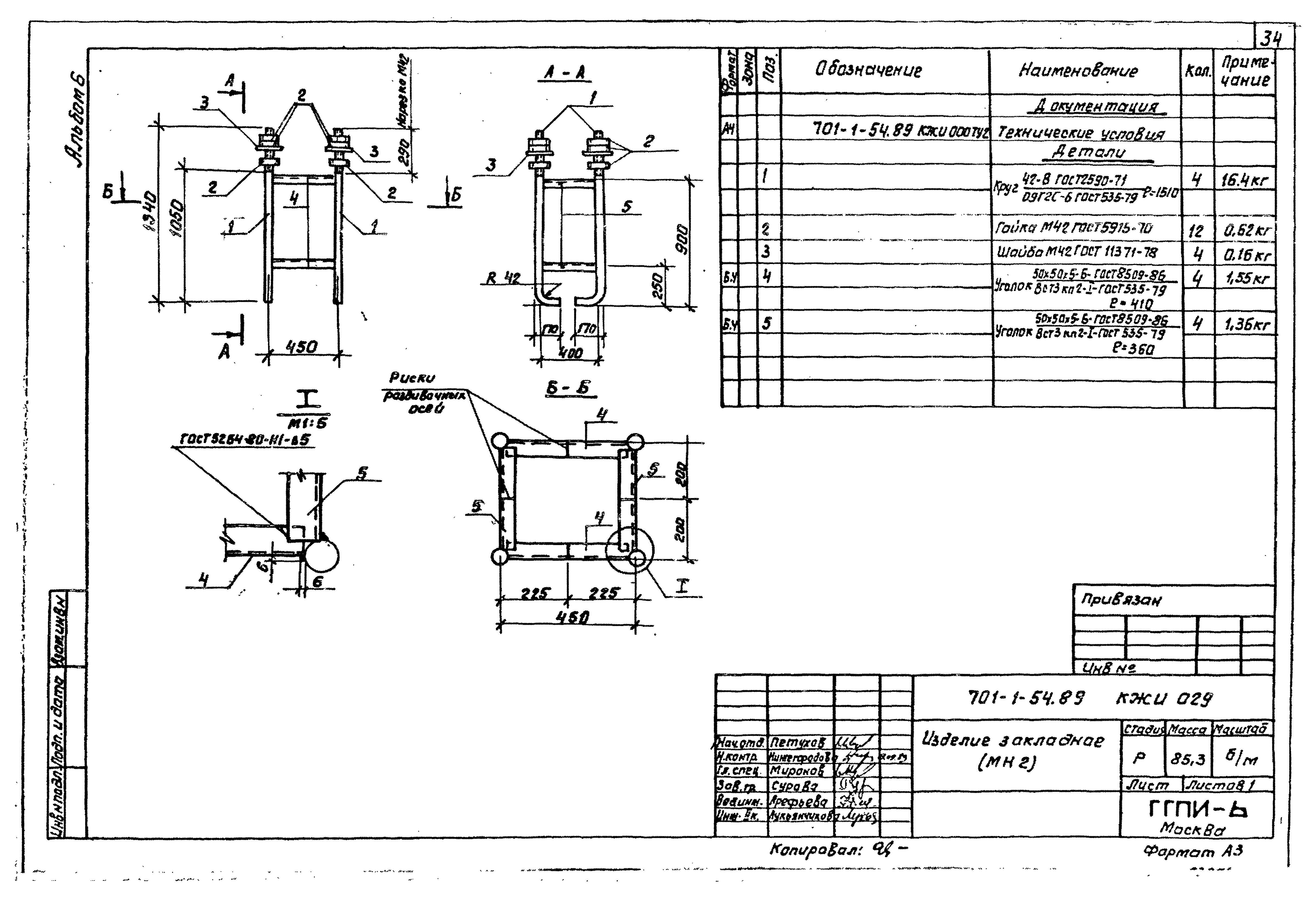
| Оглавление: | 701-1-54.89 КЖИ 000 ДО Содержание 701-1-54.89 КЖИ 000 ТУ1 Технические условия 701-1-54.89 КЖИ 000 ТУ2 Технические условия 701-1-54.89 КЖИ 001 Балка фундаментная 2БФБ-17АIV-1 (БФ3) 701-1-54.89 КЖИ 002 Балка фундаментная 2БФБ-23АII-1 (БФ4) 701-1-54.89 КЖИ 003 Плита фундаментная (ПФ4) 701-1-54.89 КЖИ 003СБ Плита фундаментная (ПФ4). Сборочный чертеж 701-1-54.89 КЖИ 004 Плита фундаментная (ПФ3) 701-1-54.89 КЖИ 004СБ Плита фундаментная (ПФ3). Сборочный чертеж 701-1-54.89 КЖИ 005 Панель стеновая ПС-65,5.9.2,5-2л-1-а (ПС4); ПС-65,5.9.2,5-2л-2-а (ПС5) 701-1-54.89 КЖИ 006 Панель стеновая (ПС6) 701-1-54.89 КЖИ 007 Панель стеновая (ПС7) 701-1-54.89 КЖИ 008 Панель стеновая ПС60.12.2,0-2л-а (ПС11) 701-1-54.89 КЖИ 009 Панель стеновая ПС62,5.12.2,0-2л-1-а (ПС12); ПС62,5.12.2,0-2л-2-а (ПС13) 701-1-54.89 КЖИ 010 Панель стеновая ПС60.18.2,0-1л-а (ПС14); ПС60.18.2,0-1л-б (ПС15) 701-1-54.89 КЖИ 011 Панель стеновая ПС62,5.18.2,0-1л-1-а (ПС16); ПС62,5.18.2,0-1л-2-а (ПС17) 701-1-54.89 КЖИ 012 Панель стеновая ПС62,5.18.2,0-1л-1-б (ПС18); ПС62,5.18.2,0-1л-2-б (ПС19) 701-1-54.89 КЖИ 013 Панель стеновая (ПС22) 701-1-54.89 КЖИ 014 Панель стеновая (ПС23) 701-1-54.89 КЖИ 015 Панель стеновая (ПС24) 701-1-54.89 КЖИ 016 Каркас пространственный (КП1) 701-1-54.89 КЖИ 017 Каркас пространственный (КП2) 701-1-54.89 КЖИ 018 Каркас пространственный (КП3) 701-1-54.89 КЖИ 019 Каркас пространственный (КП4) 701-1-54.89 КЖИ 020 Каркас пространственный (КП5) 701-1-54.89 КЖИ 021 Каркас плоский (КР1…КР5) 701-1-54.89 КЖИ 022 Каркас плоский (КР6) 701-1-54.89 КЖИ 023 Сетка арматурная (С1…С9) 701-1-54.89 КЖИ 024 Сетка арматурная (С10, С14) 701-1-54.89 КЖИ 025 Сетка арматурная (С11, С15) 701-1-54.89 КЖИ 026 Сетка арматурная (С12, С16) 701-1-54.89 КЖИ 027 Сетка арматурная (С13, С17) 701-1-54.89 КЖИ 028 Изделие закладное (МН1) 701-1-54.89 КЖИ 029 Изделие закладное (МН2) 701-1-54.89 КЖИ 030 Изделие закладное (МН3) 701-1-54.89 КЖИ 031 Изделие закладное (МН4) 701-1-54.89 КЖИ 032 Изделие закладное (МН5) 701-1-54.89 КЖИ 033 Изделие соединительное (МС1…МС3) 701-1-54.89 КЖИ 034 Изделие соединительное (МС4) 701-1-54.89 КЖИ 035 Изделие соединительное (МС5) 701-1-54.89 КЖИ 036 Изделие соединительное (МС6) 701-1-54.89 КЖИ 037 Изделие соединительное (МС7) 701-1-54.89 КЖИ 038 Фасонное изделие (ФС-1) 701-1-54.89 КЖИ 039 Фасонное изделие (ФС-2) 701-1-54.89 КЖИ 040 Фасонное изделие (ФС-3) 701-1-54.89 КЖИ 041 Фасонное изделие (ФС-4) 701-1-54.89 КЖИ 042 Фасонное изделие (ФС-5) 701-1-54.89 КЖИ 043 Фасонное изделие (ФС-6) 701-1-54.89 КЖИ 044 Заглушка (З-1, З-2) 701-1-54.89 КЖИ 045 Костыль (К-1) 701-1-54.89 КЖИ 046 Закладная деталь (ЗД-1) 701-1-54.89 КЖИ 047 Панель доборная (ПД-1) 701-1-54.89 КЖИ 048 Панель доборная (ПД-2) 701-1-54.89 КЖИ 049 Панель доборная (ПД-3) 701-1-54.89 КЖИ 050 Панель доборная (ПД-4) 701-1-54.89 КЖИ 051 Панель доборная (ПД-5) 701-1-54.89 КЖИ 052 Панель доборная (ПД-6) 701-1-54.89 КЖИ 053 Панель доборная (ПД-7) 701-1-54.89 КЖИ 054 Панель рядовая (ПР-1) 701-1-54.89 КЖИ 055 Панель рядовая (ПР-2) 701-1-54.89 КЖИ 056 Поддон для сахара (ПД1) 701-1-54.89 КЖИ 057 Поддон для хозяйственного мыла (ПД2) |
| Разработан: | ГПИ Спецавтоматика Минприбора ЦНИИпроектстальконструкция Госстроя ГГПИ-6 Минсевзапстроя СССР |
| Утверждён: | 14.12.1989 Госкомрезерва СССР (164) |
| Издан: | ЦИТП Госстроя СССР (CITP, Gosstroy (USSR) 1990 г. ) |























































