Скачать Типовой проект 144-16-136.90 Альбом I. Архитектурно-строительные, санитарно-технические и электротехнические чертежиДата актуализации: 01.01.2021
|
| Обозначение: | Типовой проект 144-16-136.90 |
| Обозначение англ: | 144-16-136.90 |
| Статус: | не определен законодательством |
| Название рус.: | Альбом I. Архитектурно-строительные, санитарно-технические и электротехнические чертежи |
| Дата добавления в базу: | 01.09.2013 |
| Дата актуализации: | 01.01.2021 |
| Дата введения: | 21.09.1990 |
| Дата окончания срока действия: | 30.06.2003 |
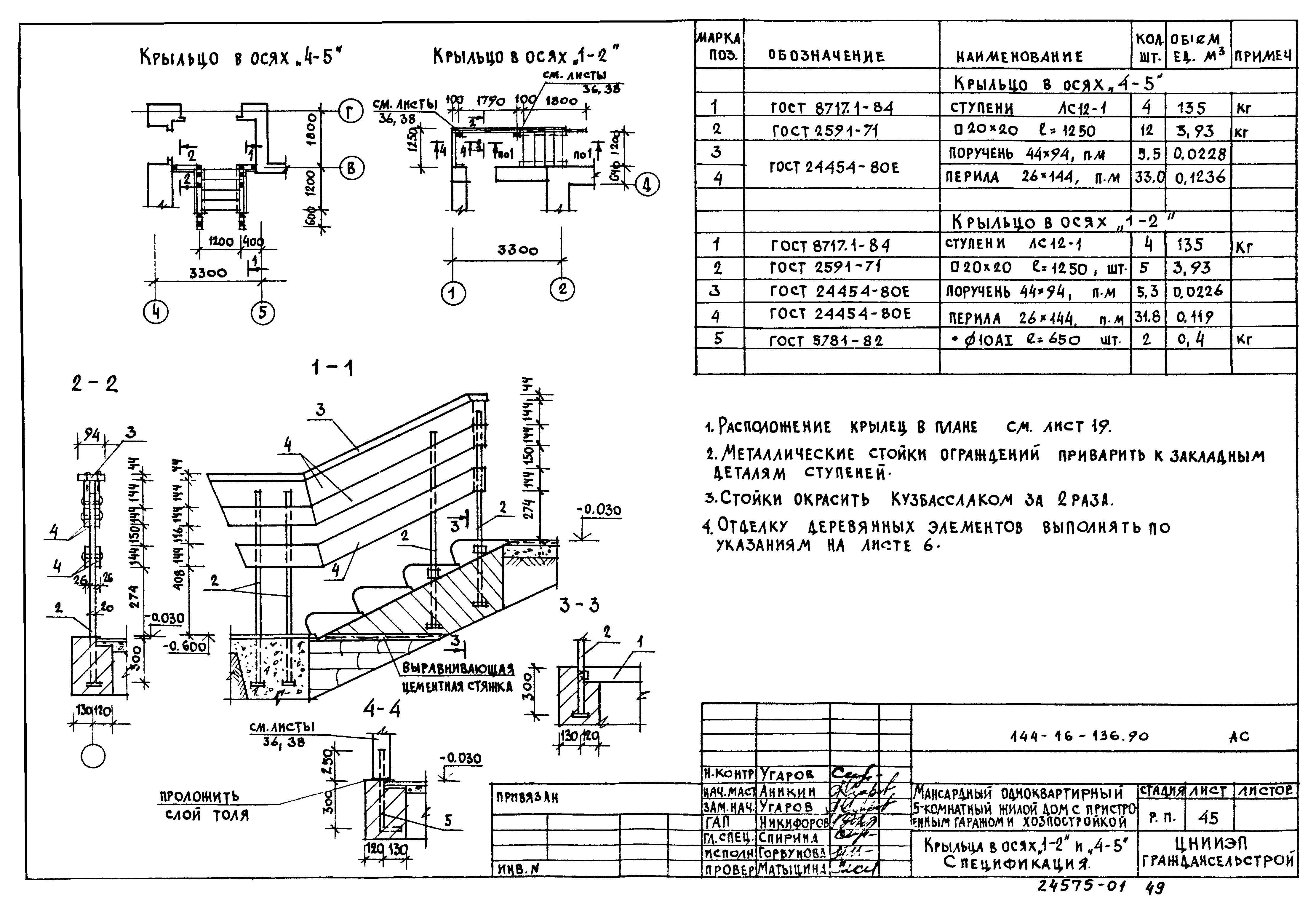
| Оглавление: | Титульный лист Содержание альбома Архитектурно-строительная часть Общие данные Фасады 1 - 6; А - Ж Фасады 6 - 1; Ж - А Фасады 1 - 6; А - Ж (вариант) Фасады 6 - 1; Ж - А (вариант) Кладочные планы 1 и мансардного этажей Узлы плана I - V Разрез 1-1. План сеновала Разрезы 2-2, 3-3, 4-4, 5-5 Узлы разрезов I, II, III Планировочное решение с хозпостройками типа I и типа III (вариант) Планы перемычек Ведомость перемычек Ведомость перемычек. План перемычек сеновала. Спецификация Отделочные планы Спецификация элементов заполнения проемов Экспликация полов. Ведомость отделки помещений Дымовентиляционный стояк План фундаментов Сечения 1-1 - 6-6 Цокольное перекрытие. План Цокольное перекрытие. Сечения 1-1 - 5-5 Цокольное перекрытие. Спецификации Междуэтажное и чердачное перекрытия. Схемы расположения балок и щитов Междуэтажное и чердачное перекрытия. Узлы 1, 2, 3 Междуэтажное и чердачное перекрытия. Узлы 4, 5, 6, 7. Металлические изделия Междуэтажное и чердачное перекрытия. Спецификация Междуэтажное и чердачное перекрытия (вариант). Схемы расположения балок Междуэтажное и чердачное перекрытия (вариант). Сечения. Спецификация Внутриквартирная лестница. План. Разрезы Внутриквартирная лестница. Узлы Конструкции крыши. Схема расположения элементов крыши. План кровли Конструкции крыши. Разрезы 1-1 - 5-5 Конструкции крыши. Узлы 1, 2. Спецификация Конструкции крыши. Узлы 3, 4, 10, 11 Конструкции крыши. Узлы 5, 6, 7, 8, 9 Конструкции крыши (вариант). Схема расположения элементов крыши. План кровли Конструкции крыши. Разрез 6-6. Узел 12. Спецификация к варианту Стены и перегородки мансарды. План. Узлы. Спецификация Стены и перегородки мансарды. Сечения Крыльца в осях "1 - 2" и "4 - 5" Рама веранды РВ-1 Дверь сеновала ДС-1. Съемные щиты СЩ-1, СЩ-2. Спецификации Лестница и перегородки хозпостройки Ворота Вентшахта Отопление и вентиляция Общие данные План на отм. 0.000. План на отм. 2.90 Схема системы отопления Водопровод и канализация Общие данные План 1 этажа. План мансардного этажа Системы В1, Т3, Т1 Электрооборудование Общие данные Планы расположения осветительных сетей этажа и мансарды Связь и сигнализация Общие данные План расположения сетей на 1 и мансардном этажах Схема расположения устройств связи. План кровли Газоснабжение Общие данные План 1 этажа План мансардного этажа. Схема газооборудования |
| Разработан: | ЦНИИЭП граждансельстрой |
| Утверждён: | 21.09.1990 Госкомархитектура (159) |
| Издан: | ЦИТП Госстроя СССР (CITP, Gosstroy (USSR) 1991 г. ) |





































































