Скачать Типовой проект 291-8-17с.87 Альбом IV. Строительные изделияДата актуализации: 01.01.2021
|
| Обозначение: | Типовой проект 291-8-17с.87 |
| Обозначение англ: | 291-8-17с.87 |
| Статус: | не определен законодательством |
| Название рус.: | Альбом IV. Строительные изделия |
| Дата добавления в базу: | 01.09.2013 |
| Дата актуализации: | 01.01.2021 |
| Дата введения: | 11.02.1988 |
| Дата окончания срока действия: | 30.06.2003 |
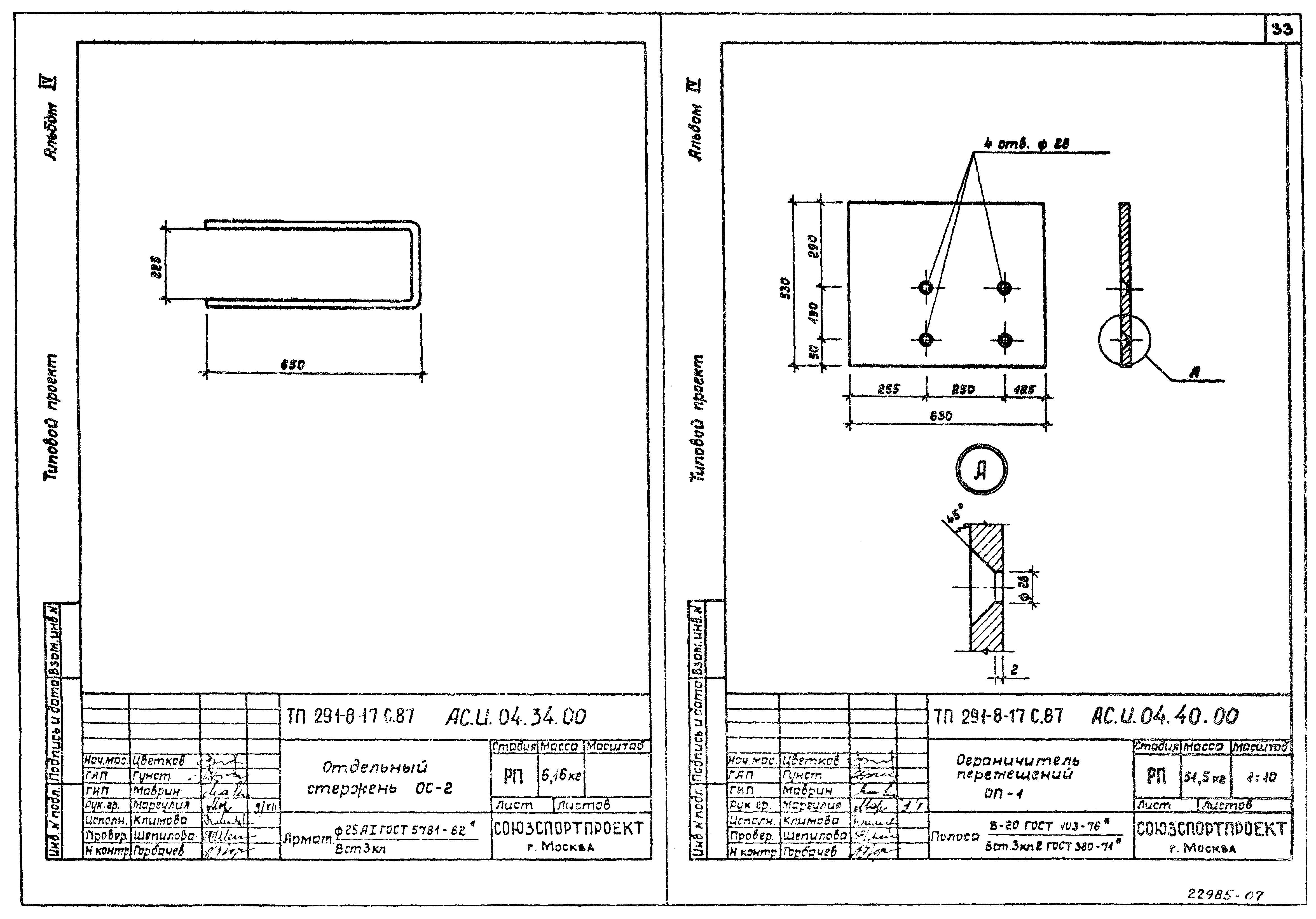
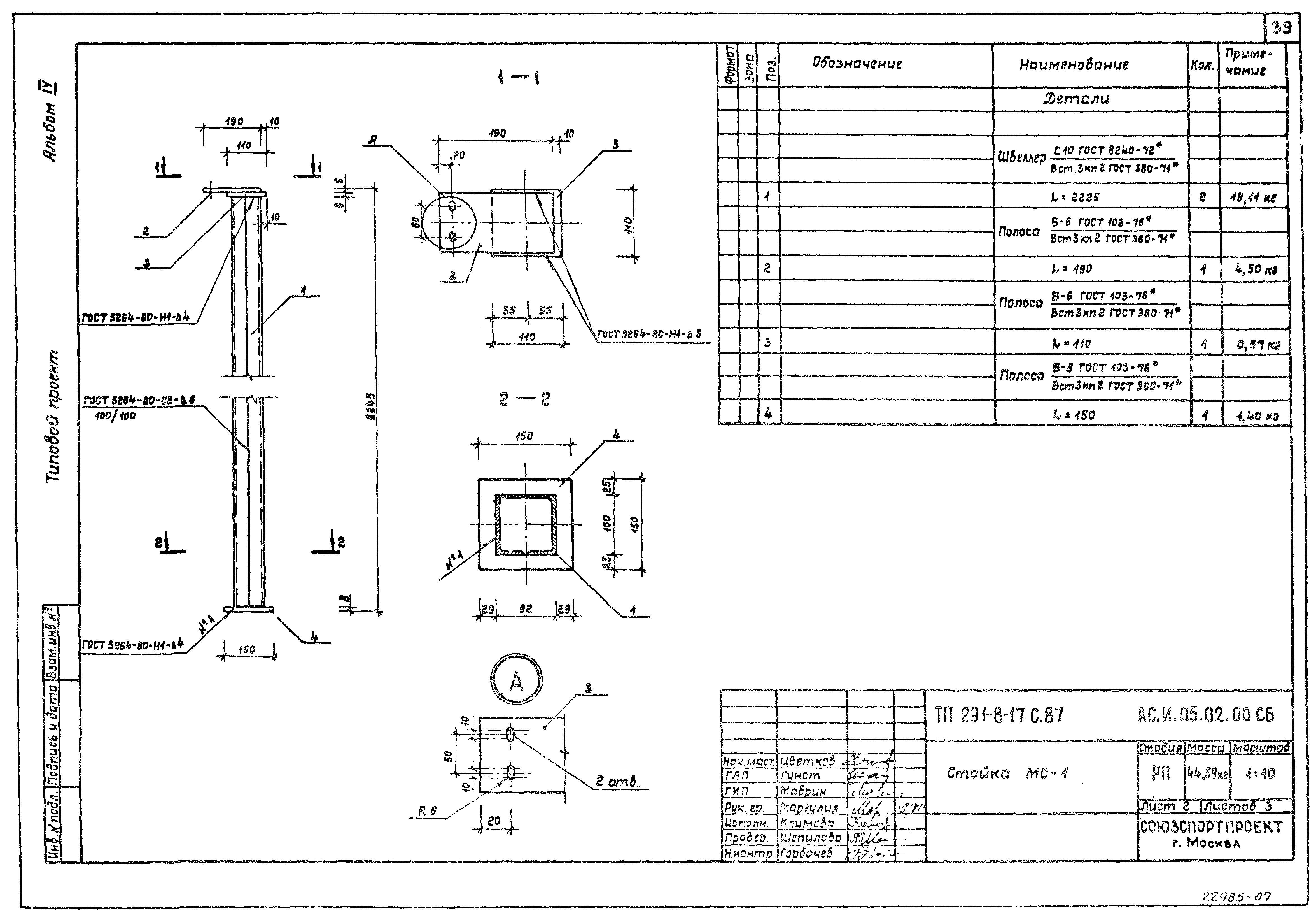
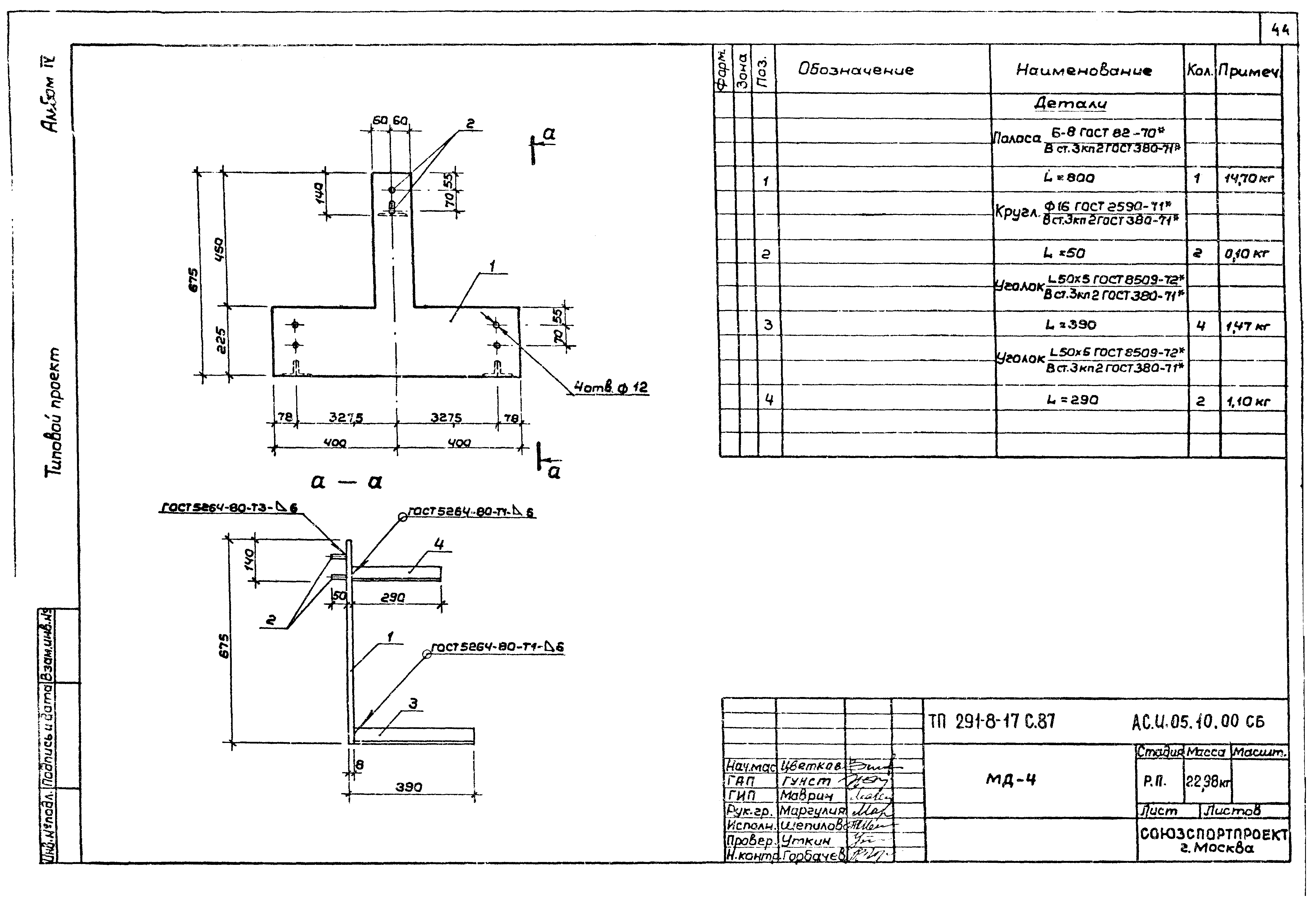
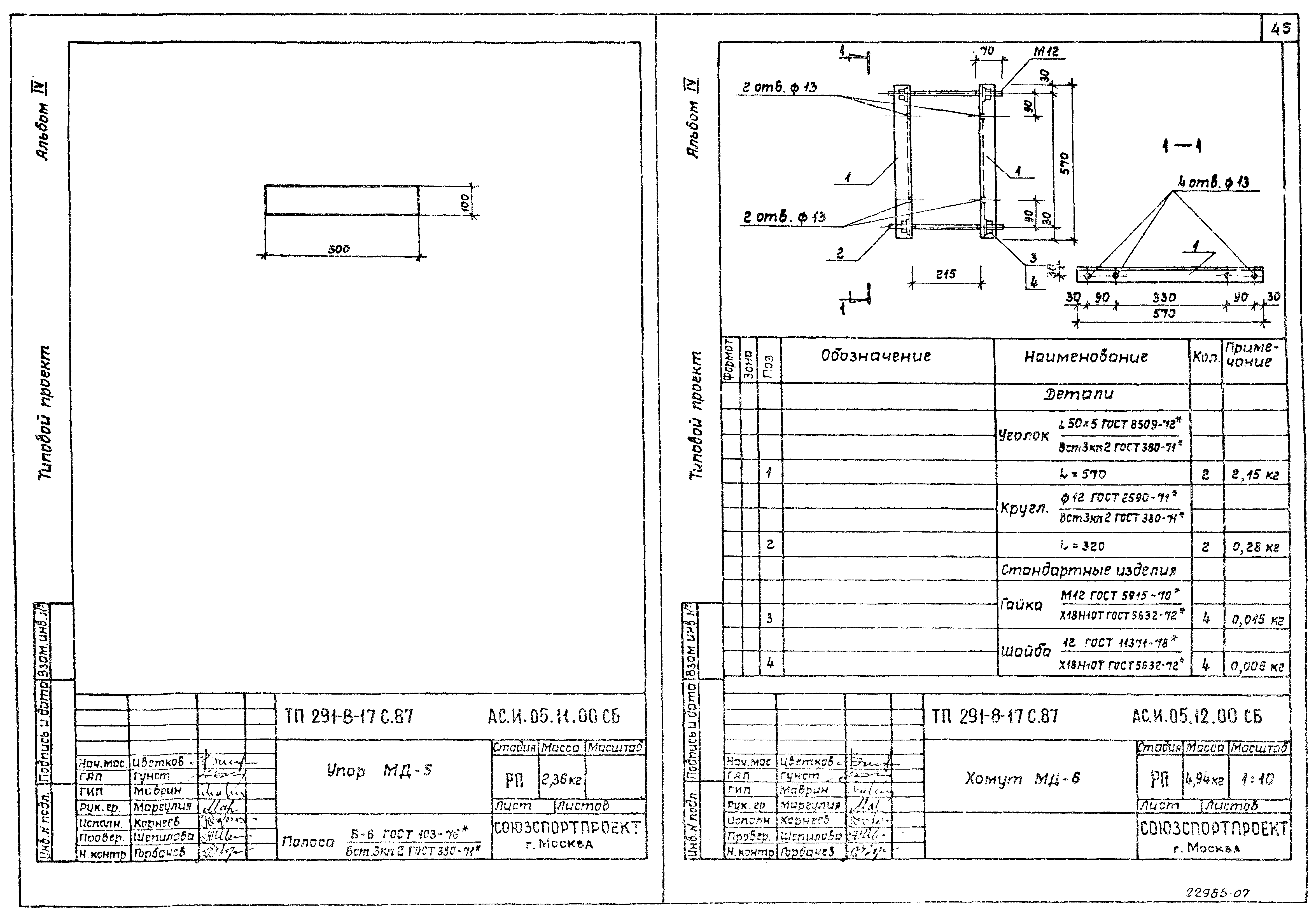
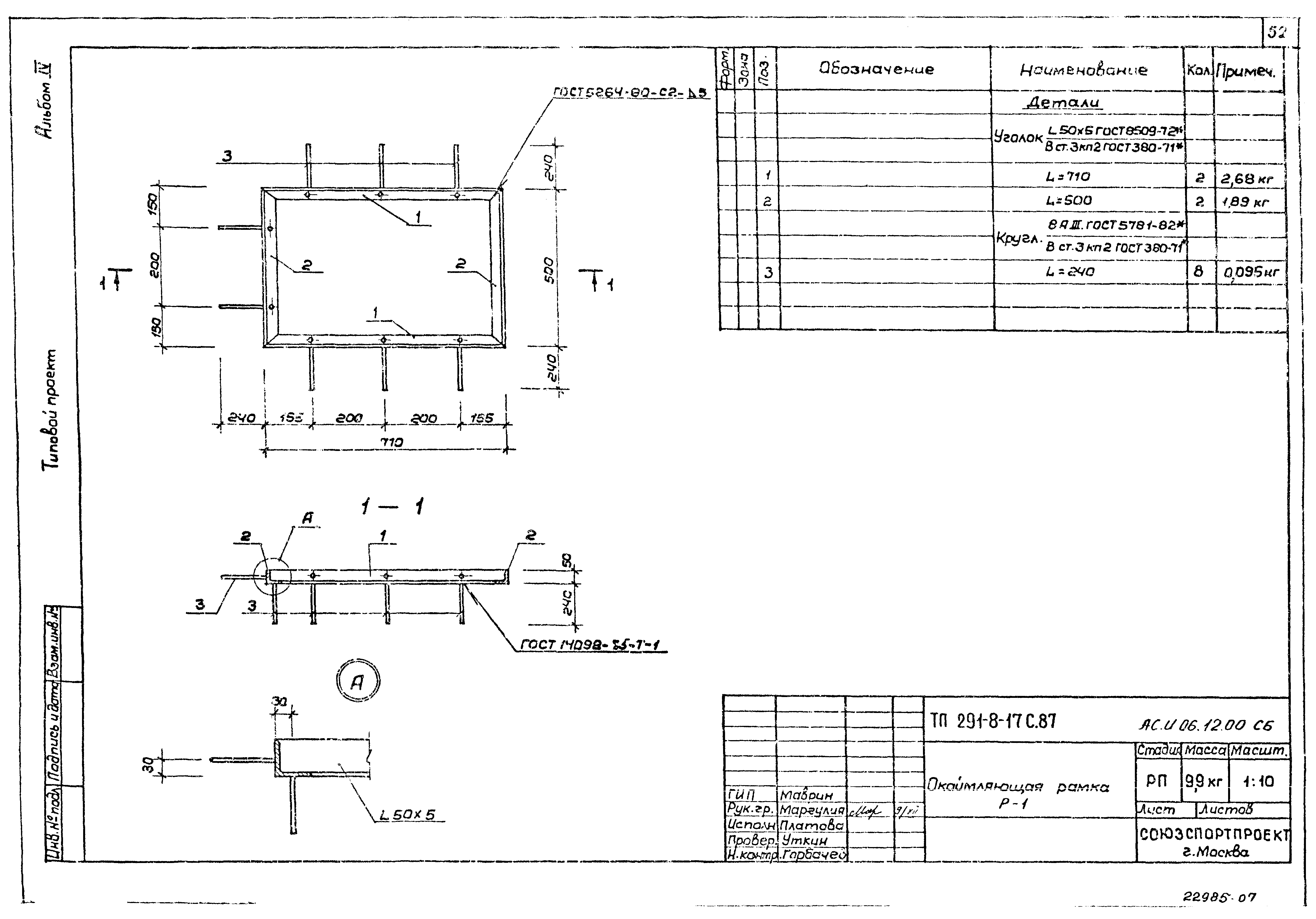
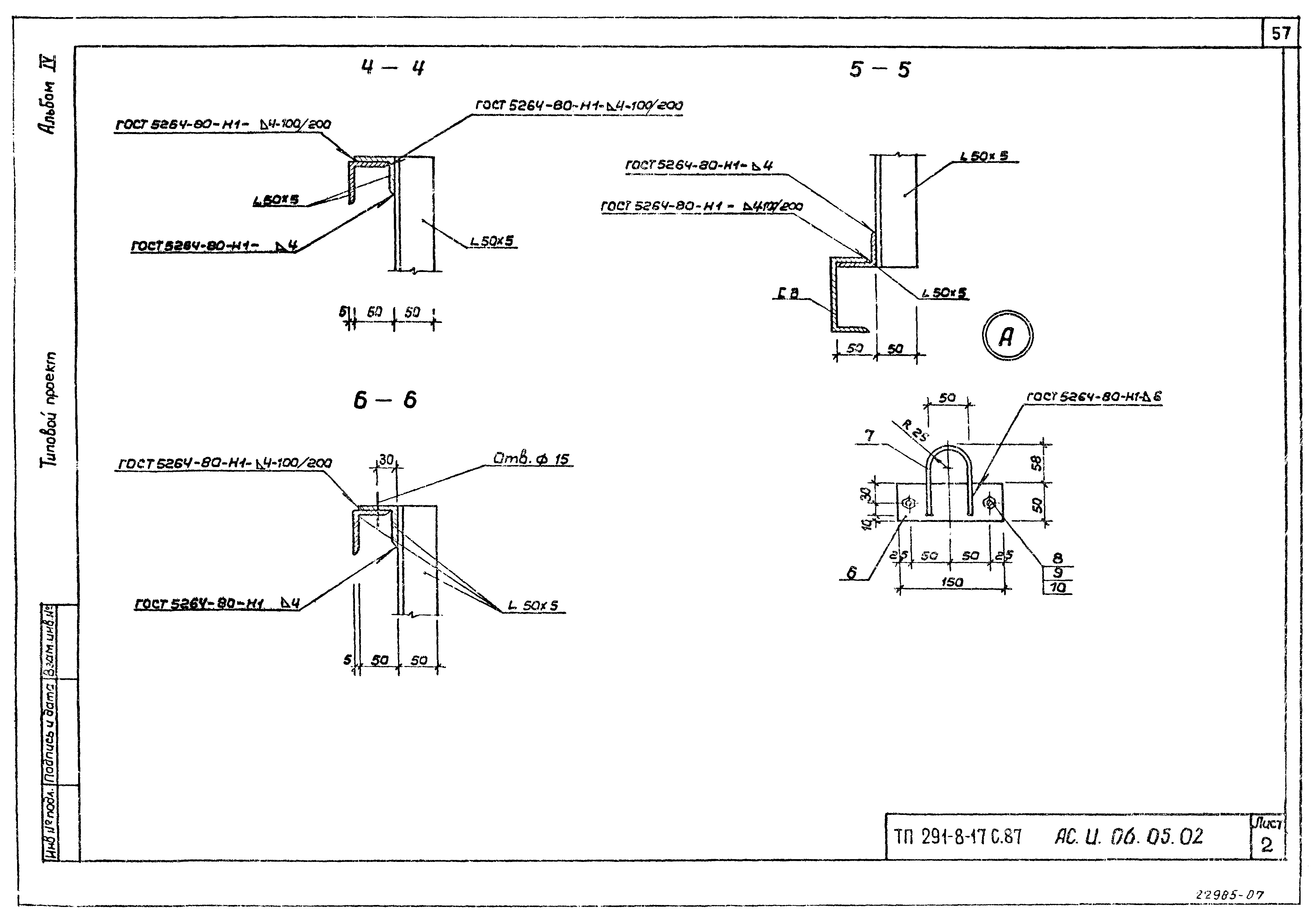
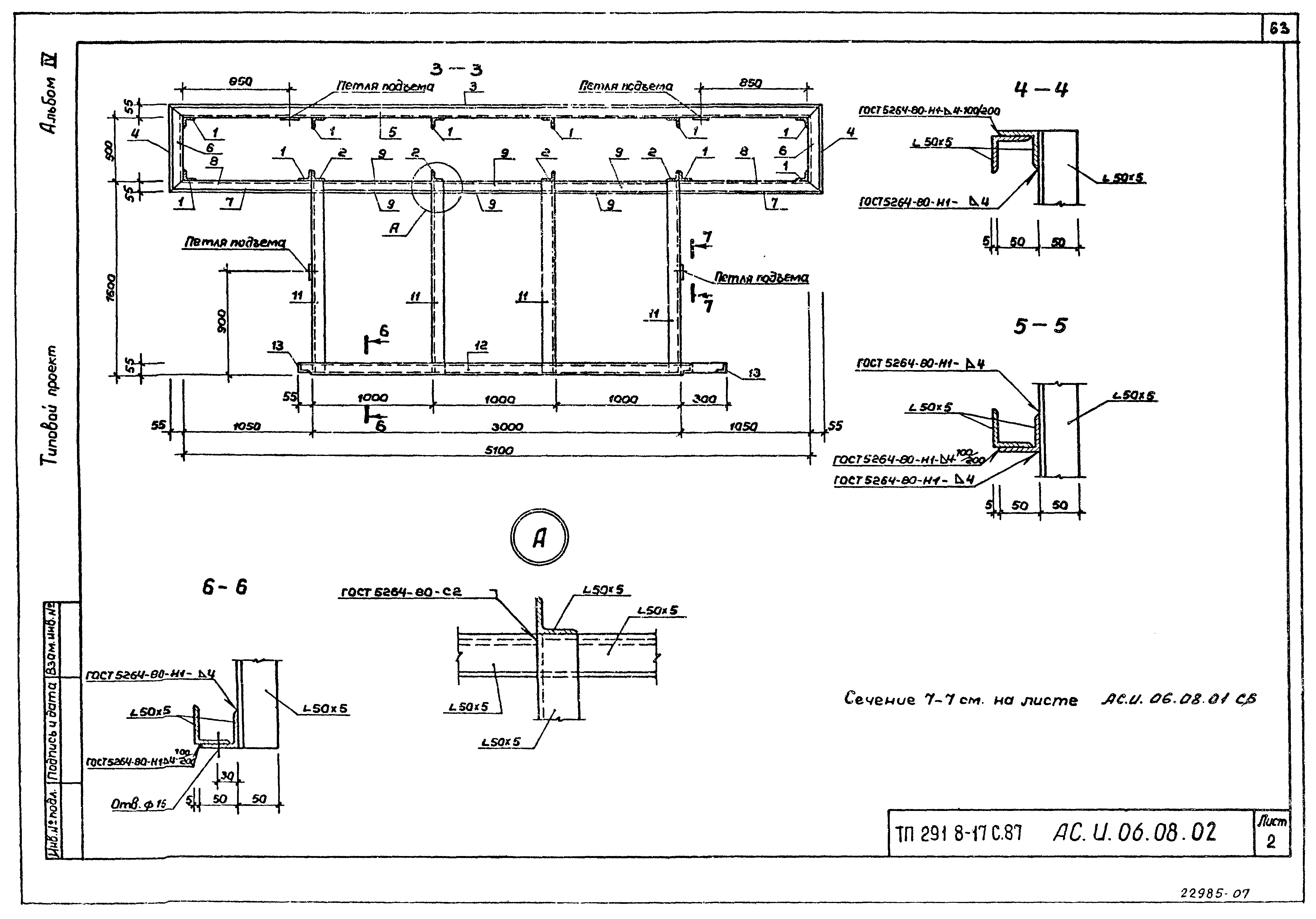
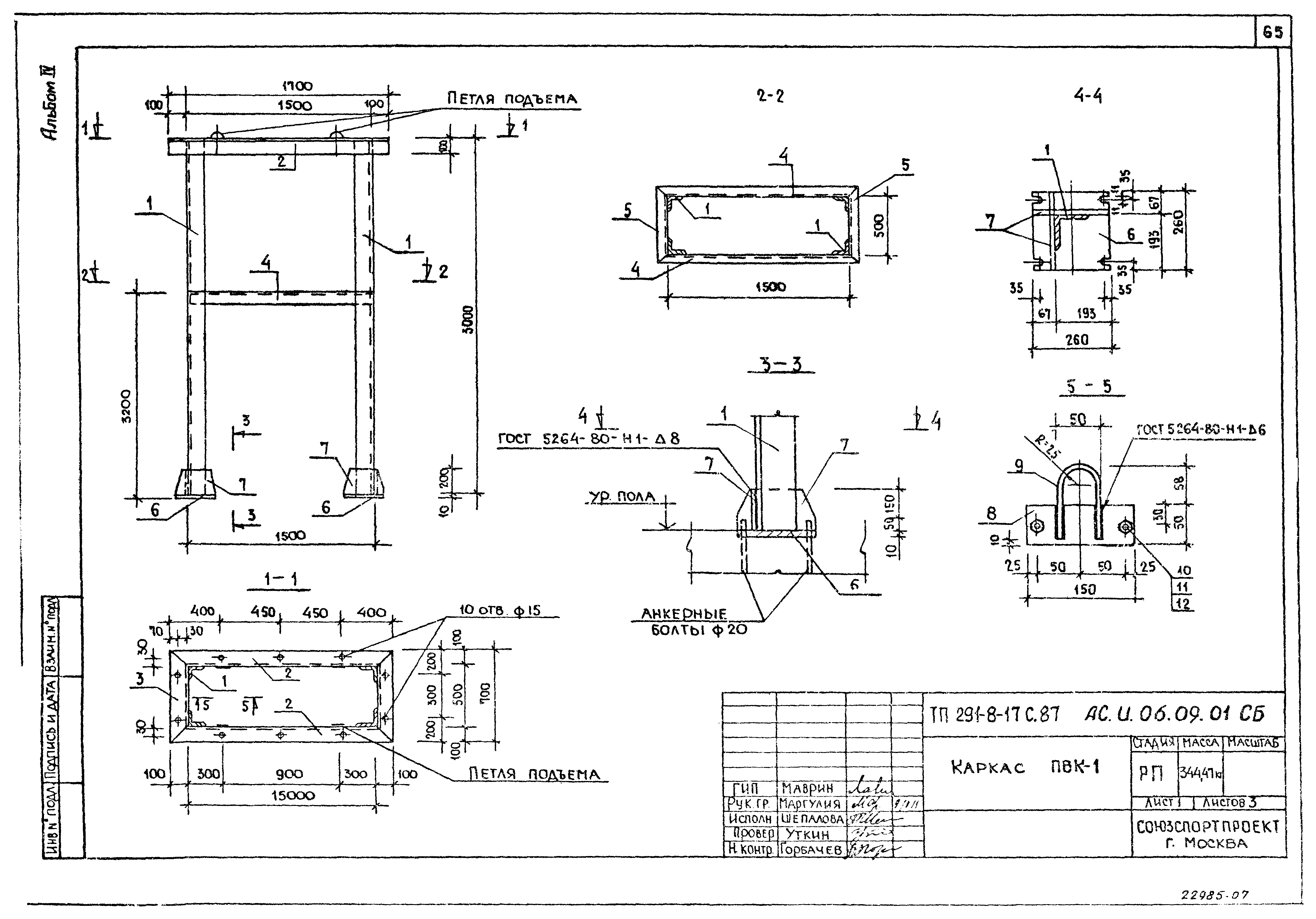
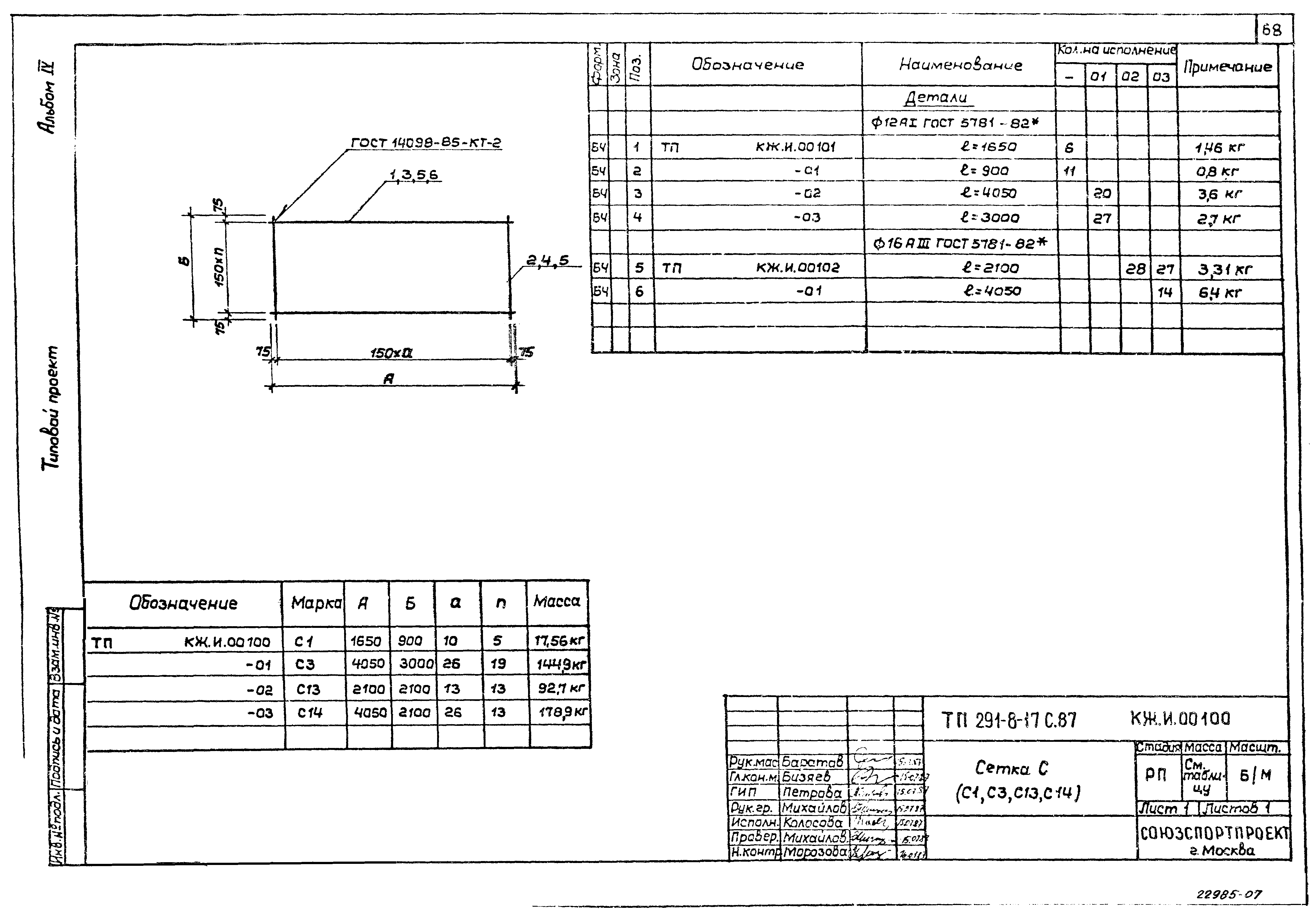
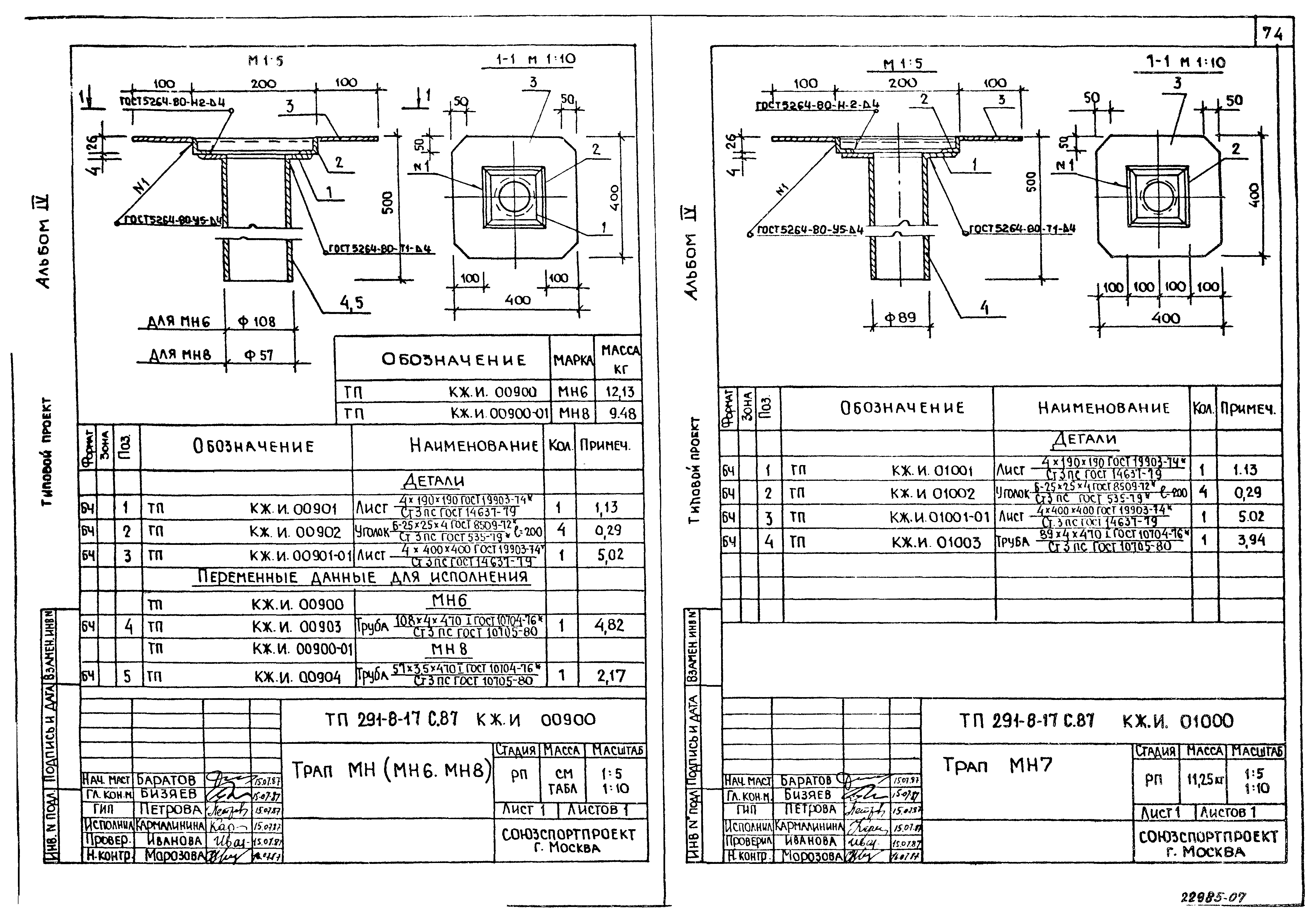
| Оглавление: | Содержание альбома АСИ.00.00.00ТТ Технические требования к изготовлению деревянных изделий АСИ.01.00.00СБ Дверь сауны. Сборочный чертеж АСИ.01.01.00 Коробка двери сауны АСИ.01.02.00 Створка двери сауны АСИ.02.00.00 Съемная деревянная решетка РД-1 АСИ.03.00.00 Поручень АСИ.00.00.00ТТ Технические требования к изготовлению арматурных и металлических изделий АСИ.04.01.00СБ Сетка С-1 АСИ.04.02.00СБ Сетка С-2 АСИ.04.03.00СБ Сетка С-3 АСИ.04.04.00СБ Сетка С-4 АСИ.04.05.00СБ Сетка С-5 АСИ.04.06.00СБ Сетка С-6 АСИ.04.07.00СБ Сетка С-7 АСИ.04.08.00СБ Сетка С-8 АСИ.04.09.00СБ Сетка С-9 АСИ.04.10.00СБ Сетка С-10 АСИ.04.11.00СБ Сетка С-11 АСИ.04.12.00СБ Сетка С-12 АСИ.04.13.00СБ Сетка С-13 АСИ.04.14.00СБ Сетка С-14 АСИ.04.15.00СБ Сетка С-15 АСИ.04.16.00СБ Сетка С-16 АСИ.04.17.00СБ Сетка С-17 АСИ.04.18.00СБ Сетка С-18 АСИ.04.19.00СБ Сетка С-19 АСИ.04.20.00СБ Сетка С-20 АСИ.04.21.00СБ Сетка С-21 АСИ.04.22.00СБ Сетка С-22 АСИ.04.23.00СБ Сетка С-23 АСИ.04.24.00СБ Сетка С-24 АСИ.04.25.00СБ Каркас К-1 АСИ.04.26.00СБ Каркас К-2 АСИ.04.27.00СБ Каркас К-3 АСИ.04.28.00СБ Объемный каркас ОК-1 АСИ.04.29.00СБ Объемный каркас ОК-2 АСИ.04.30.00СБ Объемный каркас ОК-3 АСИ.04.31.00СБ Объемный каркас ОК-4 АСИ.04.32.00СБ Объемный каркас ОК-5 АСИ.04.33.00СБ Отдельный стержень ОС-1 АСИ.04.34.00 Отдельный стержень ОС-2 АСИ.04.35.00СБ Закладная деталь ЗД-1 АСИ.04.36.00СБ Закладная деталь ЗД-2 АСИ.04.37.00СБ Закладная деталь ЗД-3 АСИ.04.38.00СБ Закладная деталь ЗД-4 АСИ.04.39.00СБ Закладная деталь ЗД-5 АСИ.04.40.00 Ограничитель перемещений ОП-1 АСИ.04.41.00 Ограничитель перемещений ОП-2 АСИ.04.42.00 Ограничитель перемещений ОП-3 АСИ.04.43.00СБ Рамка РМ-1 АСИ.04.44.00СБ Металлическое изделие МИ-1 АСИ.04.45.00СБ Рамка РМ-2 АСИ.04.46.00СБ Металлическое изделие МИ-2 АСИ.04.47.00СБ Металлическое изделие МИ-3 АСИ.04.48.00СБ Металлическое изделие МИ-4 АСИ.05.01.00СБ Рама зеркала МР-1 АСИ.05.02.00СБ Стойка МС-1 АСИ.05.03.00СБ Крепежная деталь МД-1 АСИ.05.04.00СБ Упор МД-2 АСИ.05.05.00СБ Опорная консоль МК-1 АСИ.05.06.00СБ Крепежная деталь МД-3 АСИ.05.07.00СБ Балка подвески МБ-1 АСИ.05.08.00СБ Балка МБ-2 АСИ.05.09.00СБ Балка МБ-3 АСИ.05.10.00СБ МД-4 АСИ.05.11.00СБ Упор МД-5 АСИ.05.12.00СБ Хомут МД-6 АСИ.05.13.00СБ Подвеска направляющей ограждающей сетки МП-1 АСИ.05.14.01СБ Подвеска направляющей ограждающей сетки МП-2 - МП-6 АСИ.05.14.02 Подвеска направляющей ограждающей сетки МП-2 - МП-6 АСИ.05.14.03 Подвеска направляющей ограждающей сетки МП-2 - МП-6 АСИ.05.15.00СБ Крепежная деталь МД-7 АСИ.05.16.00СБ Опорная консоль МК-2 АСИ.05.17.00СБ Крепежная деталь МД-8 АСИ.05.18.00СБ Крепежная деталь МД-9 АСИ.06.01.00СБ Металлическое изделие МИ-1 АСИ.06.02.00СБ Крепежная деталь МД-1 АСИ.06.03.01СБ Каркас ВБ-1 АСИ.06.03.02 Каркас ВБ-1 АСИ.06.04.01СБ Каркас ВБ-2 АСИ.06.04.02 Каркас ВБ-2 АСИ.06.05.01СБ Каркас ВБ-3 АСИ.06.05.02 Каркас ВБ-3 АСИ.06.05.03 Каркас ВБ-3 АСИ.06.05.04 Каркас ВБ-3 АСИ.06.06.01СБ Каркас ВБ-4 АСИ.06.06.02 Каркас ВБ-4 АСИ.06.07.01 Каркас ВБ-5 АСИ.06.07.02 Каркас ВБ-5 АСИ.06.08.01СБ Каркас ВБ-6 АСИ.06.08.02 Каркас ВБ-6 АСИ.06.08.03 Каркас ВБ-6 АСИ.06.08.04 Каркас ВБ-6 АСИ.06.09.01СБ Каркас ПВК-1 АСИ.06.09.02 Каркас ПВК-1 АСИ.06.09.03 Каркас ПВК-1 АСИ.06.10.01СБ Хомут крепежный АСИ.06.10.02 Хомут крепежный КЖ.И.00100 Сетка С (С1, С3, С13, С14) КЖ.И.00200 Сетка С (С4 - С8) КЖ.И.00300 Сетка С (С9, С10, С15 - С17) КЖ.И.00400 Сетка С11 КЖ.И.00500 Сетка С12 КЖ.И.00600 Сетка С2 КЖ.И.00700 Труба наполнения МН (МН3, МН4) КЖ.И.00800 Труба наполнения МН5 КЖ.И.00900 Труба наполнения МН (МН6, МН8) КЖ.И.01000 Трап МН7 КЖ.И.01100 Труба перелива МН9 КЖ.И.01200 Ступень МН12 КЖ.И.01300 Закладная деталь МН11 КЖ.И.01400 Закладная деталь МН10 КЖ.И.01500 Скользящая опора МН (МН13, МН14) КЖ.И.01600 Упор МН15 КЖ.И.01700 Решетка трапа РМ1 КЖ.И.00001 Решетка трубы перелива РМ (РМ2, РМ3) КЖ.И.00002 Крюк КР1 КЖ.И.00003 Поручень ПМ1, ПМ2 КЖ.И.01800 Лоток сливной ЛС (ЛС1, ЛС5) КЖ.И.01900 Лоток сливной ЛС (ЛС2, ЛС2а) КЖ.И.02000 Лоток сливной ЛС3 КЖ.И.02100 Лоток сливной ЛС4 КЖ.И.02200 Лоток сливной ЛС (ЛС6, ЛС6а, ЛС6б) КЖ.И.02300 Лоток сливной ЛС (ЛС7, ЛС9) КЖ.И.02400 Лоток сливной ЛС (ЛС8, ЛС8а) КЖ.И.02500 Лоток сливной ЛС10 КЖ.И.02600 Лоток сливной ЛС11 КЖ.И.02700 Лоток сливной ЛС (ЛС12, ЛС12а) КЖ.И.02800 Лоток сливной ЛС13 КЖ.И.02900 Решетка сливного лотка РМ (РМ4 - РМ7) КЖ.И.03000 Решетка сливного лотка РМ (РМ8, РМ9) КЖ.И.03100 Решетка сливного лотка РМ (РМ10 - РМ13) КЖ.И.03200 Решетка сливного лотка РМ (РМ14, РМ15) КЖ.И.10000МЧ Сальник МН1 КЖ.И.20000МЧ Сальник МН2 (монтажный чертеж) КЖ.И.10100 Гильза ГС1 сальника КЖ.И.20100 Гильза ГС2 сальника КЖ.И.10200 Грундбукса ГС3 сальника КЖ.И.20200 Грундбукса ГС4 сальника АС.И.06.11.00СБ Решетка для вытирания ног МР АС.И.06.12.00СБ Окаймляющая рамка Р-1 КЖ.И.30.000СБ Рамка РМ-3 КЖ.И.30.100СБ Изделие металлическое МИ-5 |
| Разработан: | Электропроект Минмонтажспецстроя СССР |
| Утверждён: | 24.06.1987 Госгражданстрой (Gosgrazhdanstroy 19) |
| Издан: | ЦИТП Госстроя СССР (CITP, Gosstroy (USSR) 1988 г. ) |



































































































