Скачать Типовой проект 701-4-151.12.88 Альбом I. Пояснительная записка. ЧертежиДата актуализации: 01.01.2021
|
| Обозначение: | Типовой проект 701-4-151.12.88 |
| Обозначение англ: | 701-4-151.12.88 |
| Статус: | не определен законодательством |
| Название рус.: | Альбом I. Пояснительная записка. Чертежи |
| Дата добавления в базу: | 01.09.2013 |
| Дата актуализации: | 01.01.2021 |
| Дата введения: | 01.04.1988 |
| Дата окончания срока действия: | 30.06.2003 |
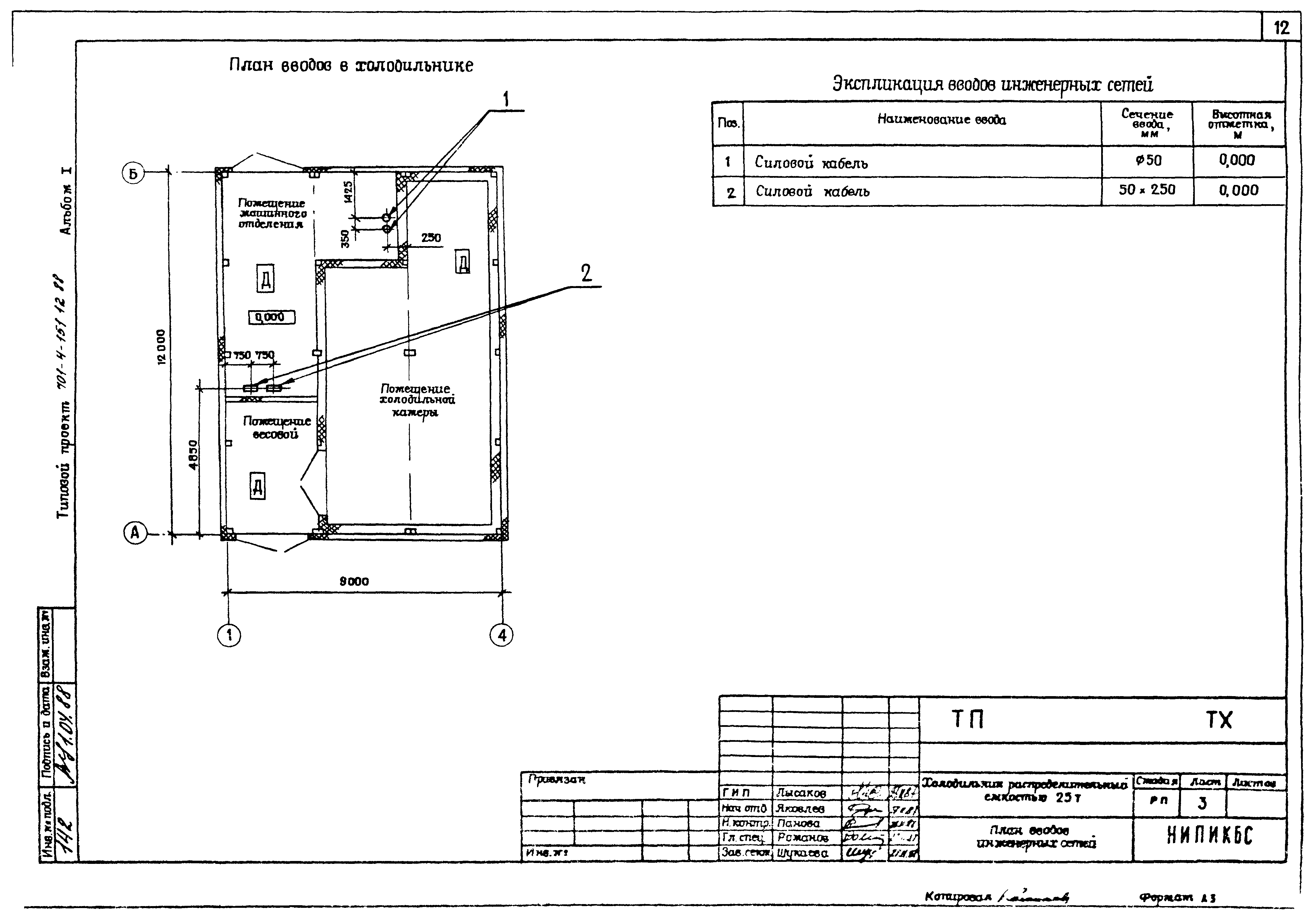
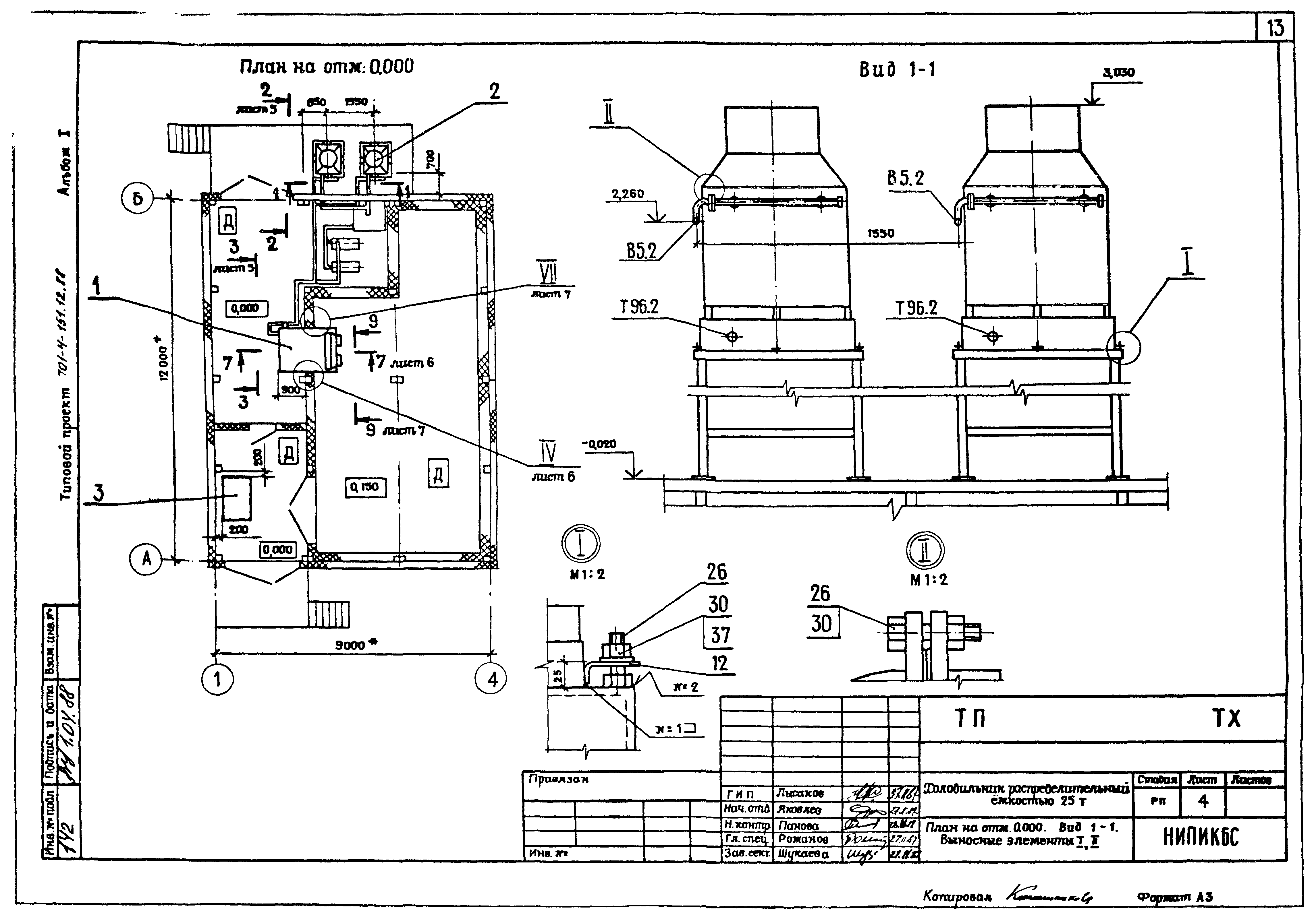
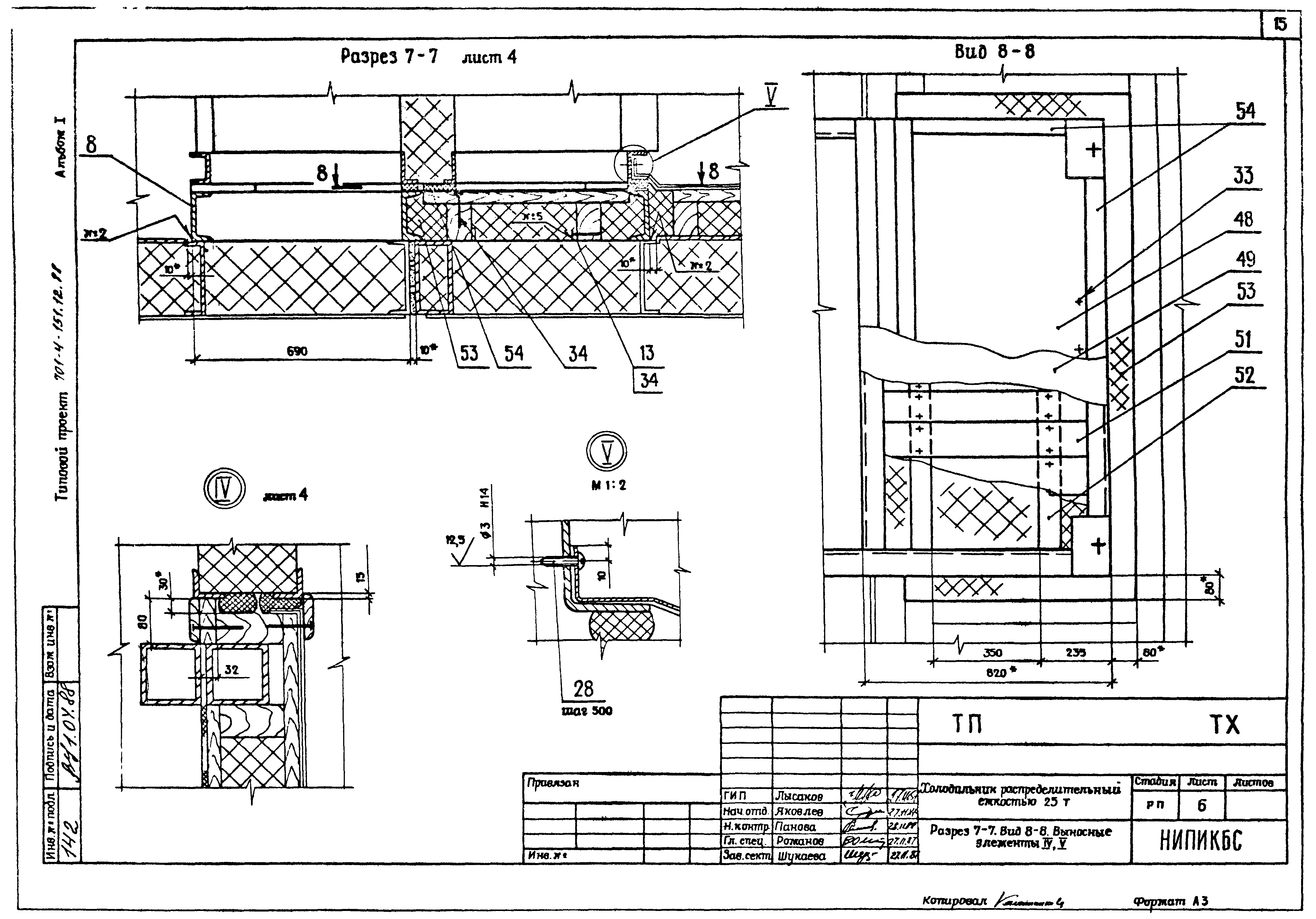
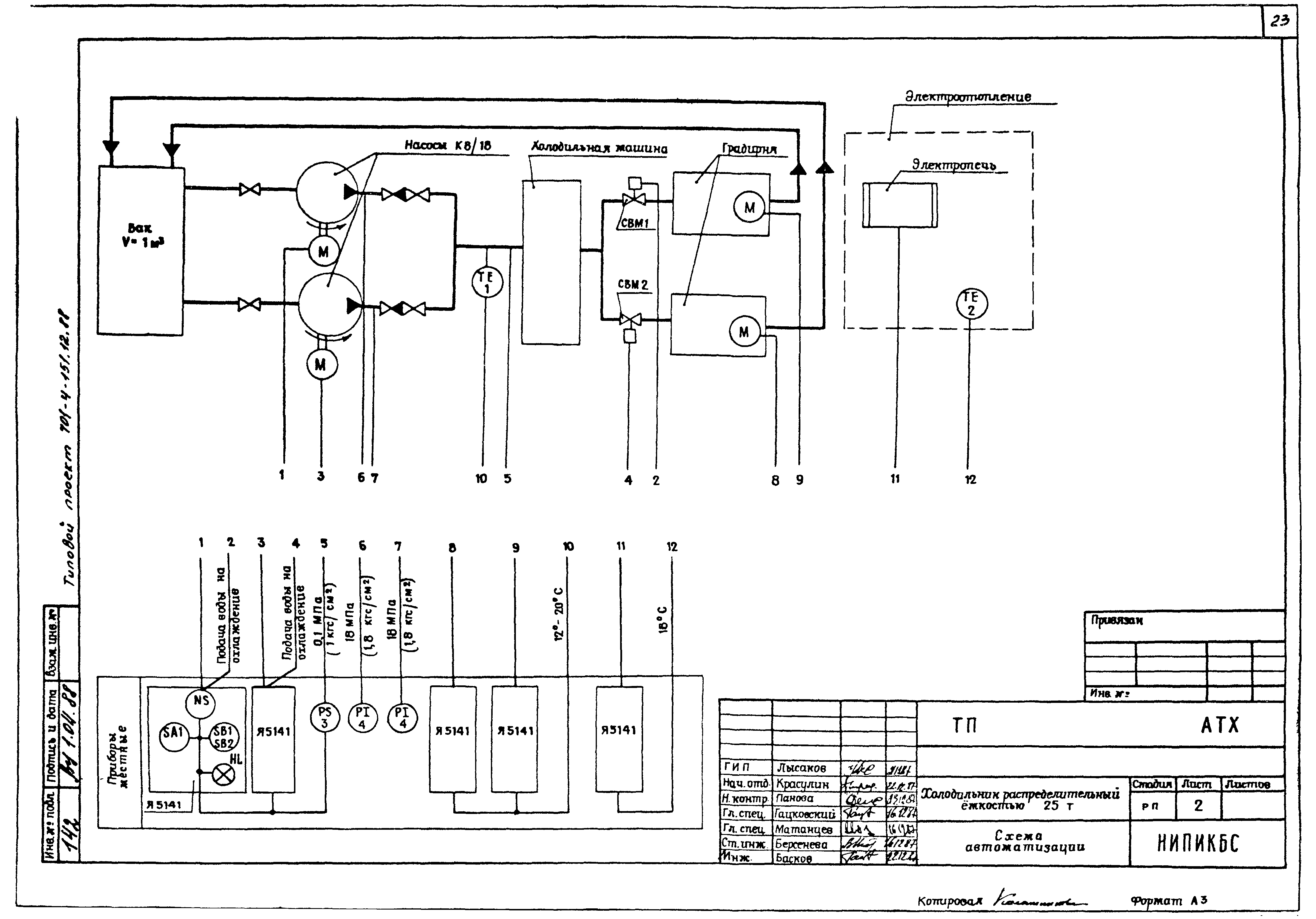
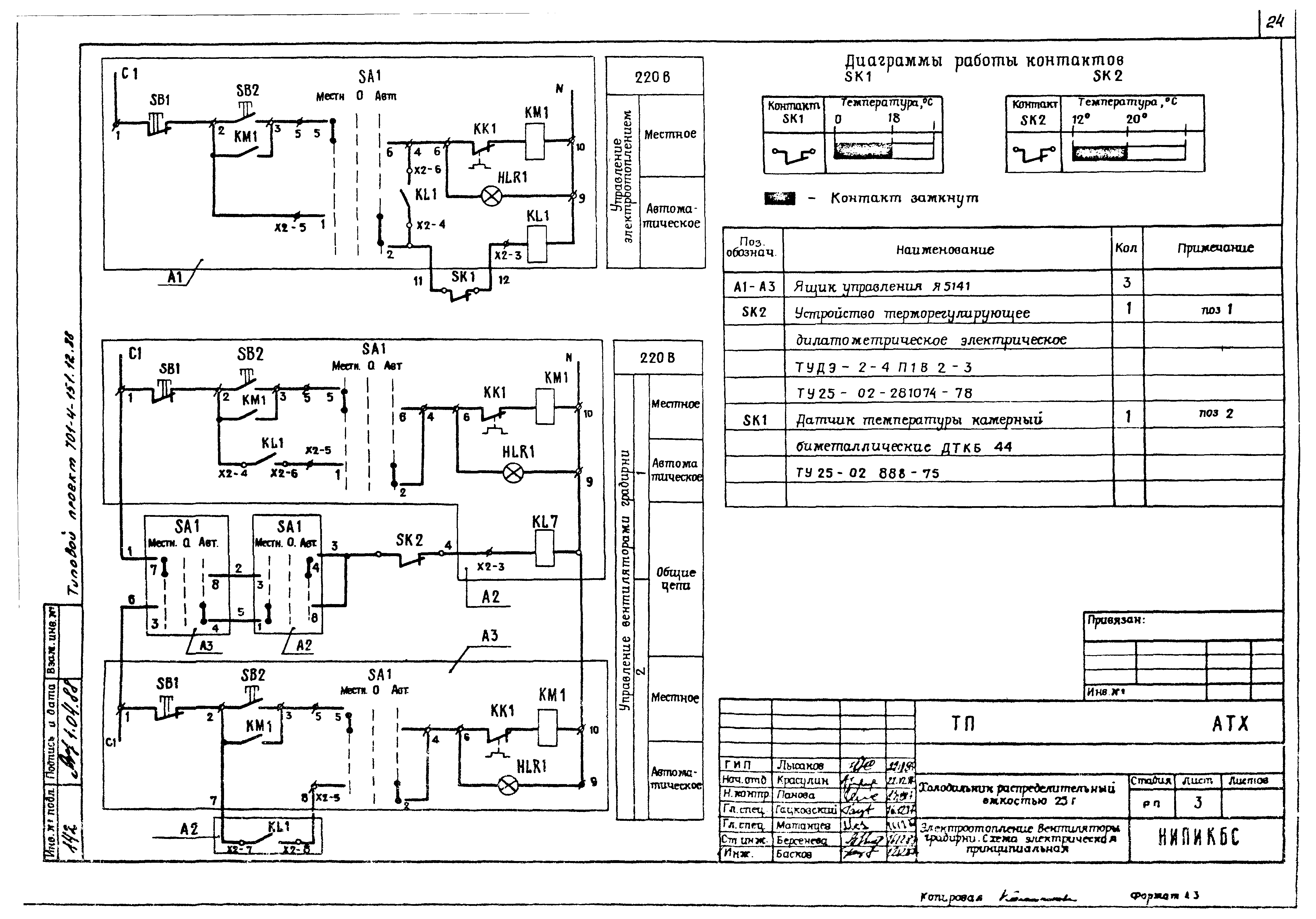
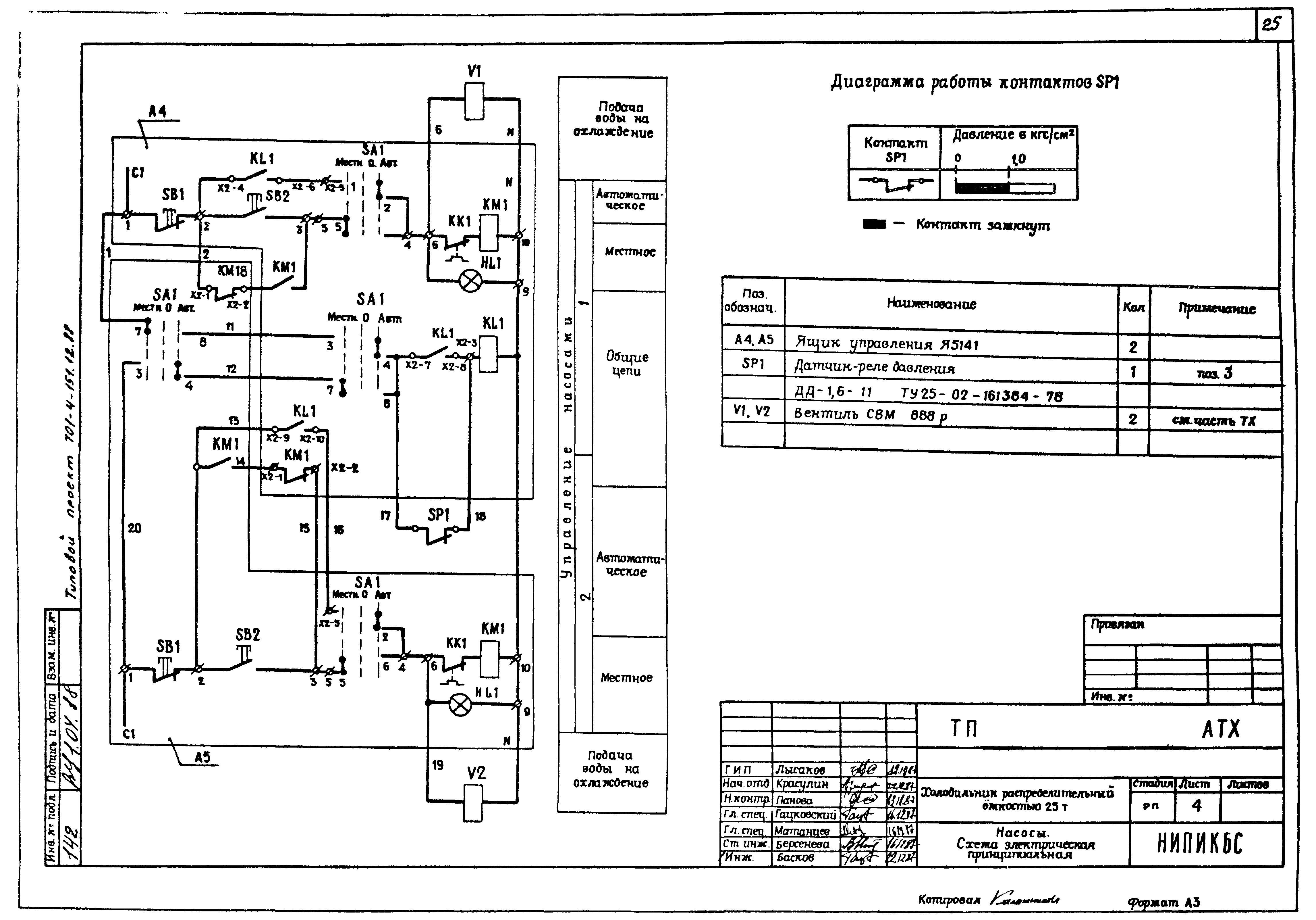
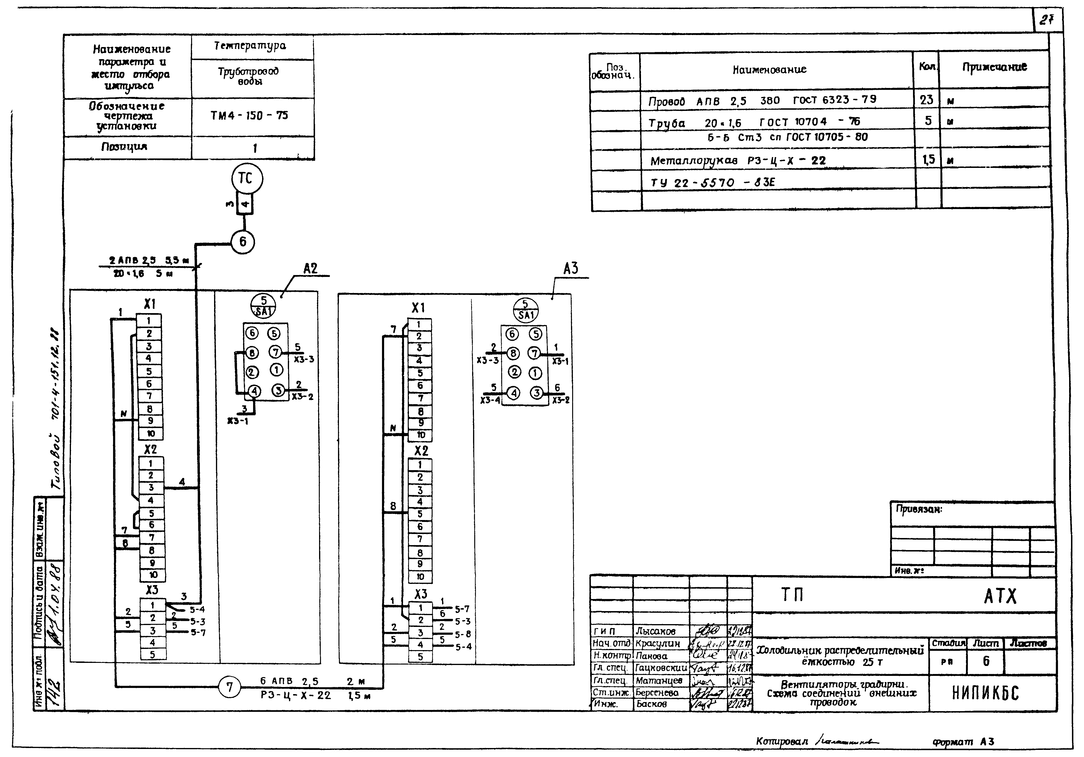
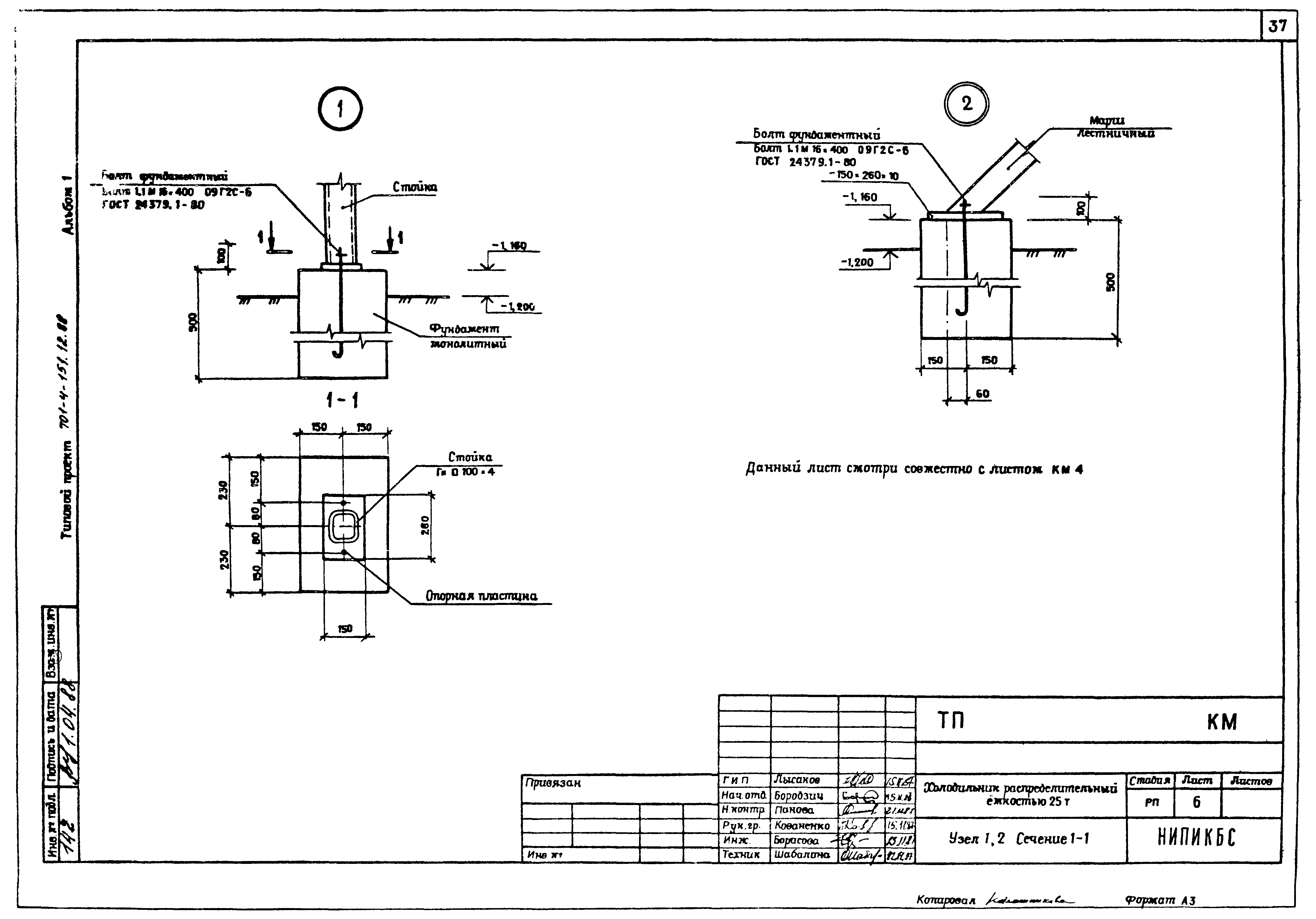
| Оглавление: | Пояснительная записка Чертежи основного комплекта марки ТХ Общие данные План вводов инженерных сетей План на отм. 0.000. Вид 1-1. Выносные элементы I, II Разрезы 2-2, 4-4…6-6. Вид 3-3. Выносной элемент III Разрез 7-7. Вид 8-8. Выносные элементы IV, V Вид 9-9. Сечение 10-10. Выносные элементы VI, VII Схема гидравлическая принципиальная Спецификация оборудования Чертежи основного комплекта марки АТХ Общие данные Схема автоматизации Электроотопление. Вентиляторы градирни. Схема электрическая принципиальная Насосы. Схема электрическая принципиальная Электроотопление. Схема соединений внешних проводок Вентиляторы градирни. Схема соединений внешних проводок Насосы. Схема соединений внешних проводок План расположения на отм. 0.000 Чертежи основного комплекта марки ЭМ Общие данные. План на отм. 0.000; 0.150 Схема электрическая принципиальная Чертежи основного комплекта марки КМ Общие данные Схема расположения лестниц, площадок, ограждений, балок стоек. Вид 1-1, 2-2 Ведомость элементов Узел 1, 2. Сечение 1-1 Узел 3, 4. Сечение 1-1 Оголовок ОМ1. Сечение 1-1, 2-2 Чертежи основного комплекта марки АС Общие данные План на отм. 0.000. Разрез 1-1. Фасад 1…4 Схема расположения блоков. Вид 1-1 Схема расположения свай, оголовков, фундаментов ФМ1, ФМ2. Сечение 1-1 Узел 1, 2. Сечение 1-1 Узел 3, 4, 5 Чертежи основного комплекта марки ОВ Общие данные. План на отм. 0.000 |
| Разработан: | НИПИ КБС Миннефтегазстроя |
| Утверждён: | 01.04.1988 Миннефтегазстрой (Minneftegazstroy ) |
















































