Скачать Типовой проект 701-4-161с.88 Альбом IV. Строительные изделияДата актуализации: 01.01.2021
|
| Обозначение: | Типовой проект 701-4-161с.88 |
| Обозначение англ: | 701-4-161с.88 |
| Статус: | не определен законодательством |
| Название рус.: | Альбом IV. Строительные изделия |
| Дата добавления в базу: | 01.09.2013 |
| Дата актуализации: | 01.01.2021 |
| Дата введения: | 20.05.1988 |
| Дата окончания срока действия: | 30.06.2003 |
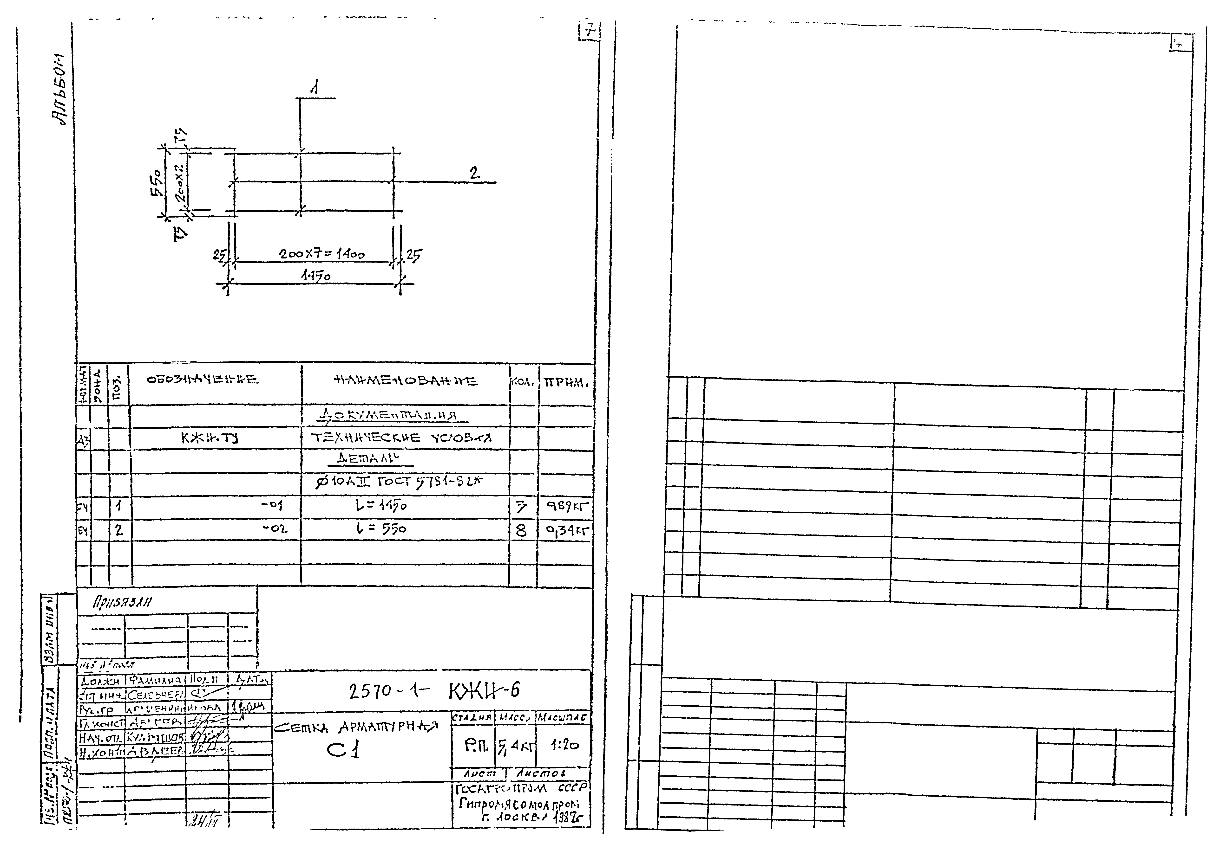
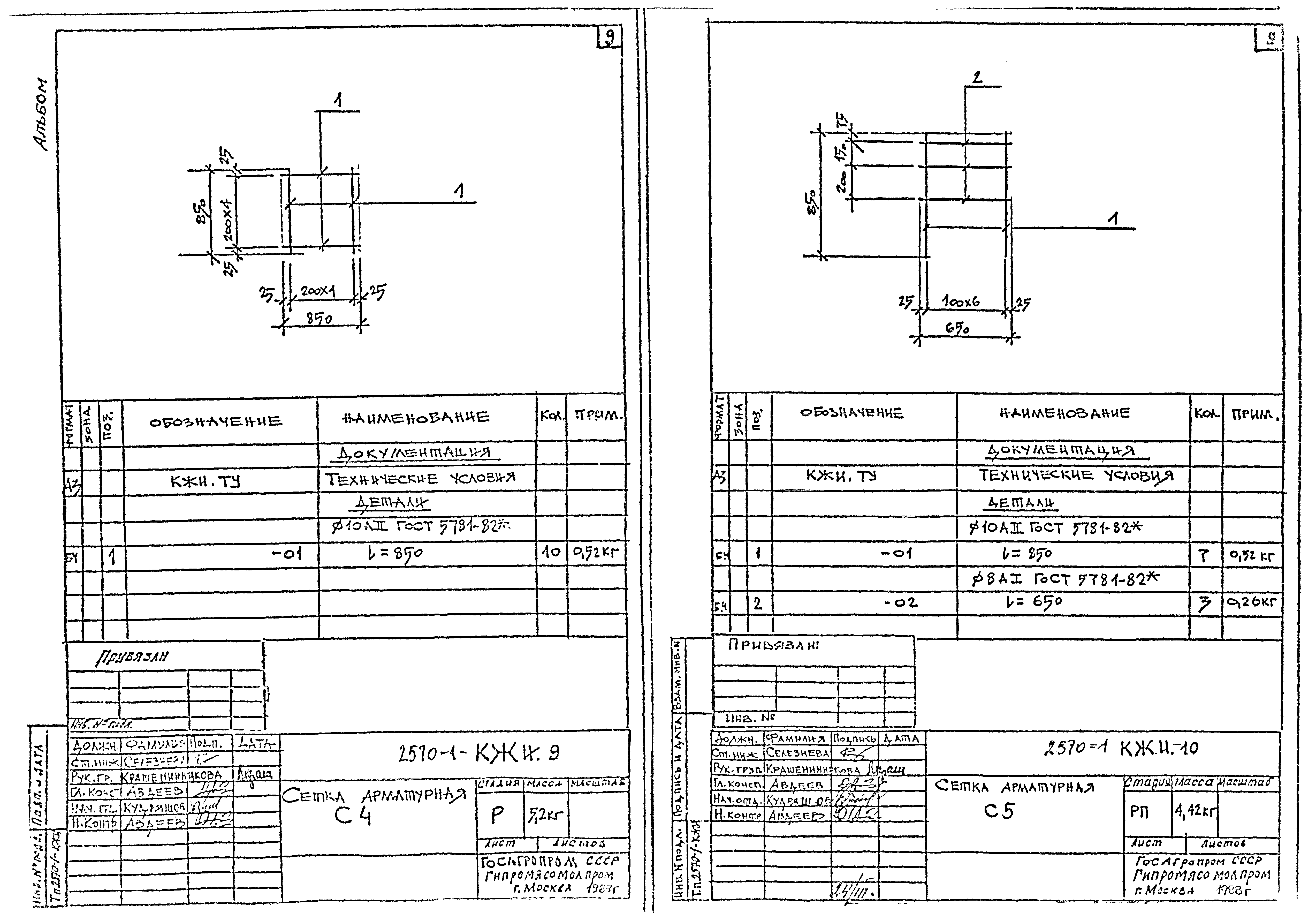
| Оглавление: | КЖ.И.00 Содержание КЖ.И.ТУ Технические условия КЖ.И-1 Изделие закладное М1 КЖ.И-2 Изделие закладное М2 КЖ.И-3 Анкер А1 КЖ.И-4 Изделие соединительное МС1 КЖ.И-5 Изделие соединительное МС2 КЖ.И-6 Сетка арматурная С1 КЖ.И-7 Сетка арматурная С2 КЖ.И-8 Сетка арматурная С3 КЖ.И-9 Сетка арматурная С4 КЖ.И-10 Сетка арматурная С5 КЖ.И-11 Анкер А3 КЖ.И-12 Анкер А2 |
| Разработан: | ЦНИИпромзданий ЦНИИпроектстальконструкция Гипромясомолпром |
| Утверждён: | 20.05.1988 Госагропром СССР (USSR Gosagroprom 20А) |










