Скачать Типовые проектные решения 705-6-08с.89 Альбом 1. Пояснительная записка. Конструкции металлическиеДата актуализации: 01.01.2021
|
| Обозначение: | Типовые проектные решения 705-6-08с.89 |
| Обозначение англ: | 705-6-08с.89 |
| Статус: | справочные материалы, мп, тпр |
| Название рус.: | Альбом 1. Пояснительная записка. Конструкции металлические |
| Дата добавления в базу: | 01.09.2013 |
| Дата актуализации: | 01.01.2021 |
| Дата окончания срока действия: | 31.07.1989 |
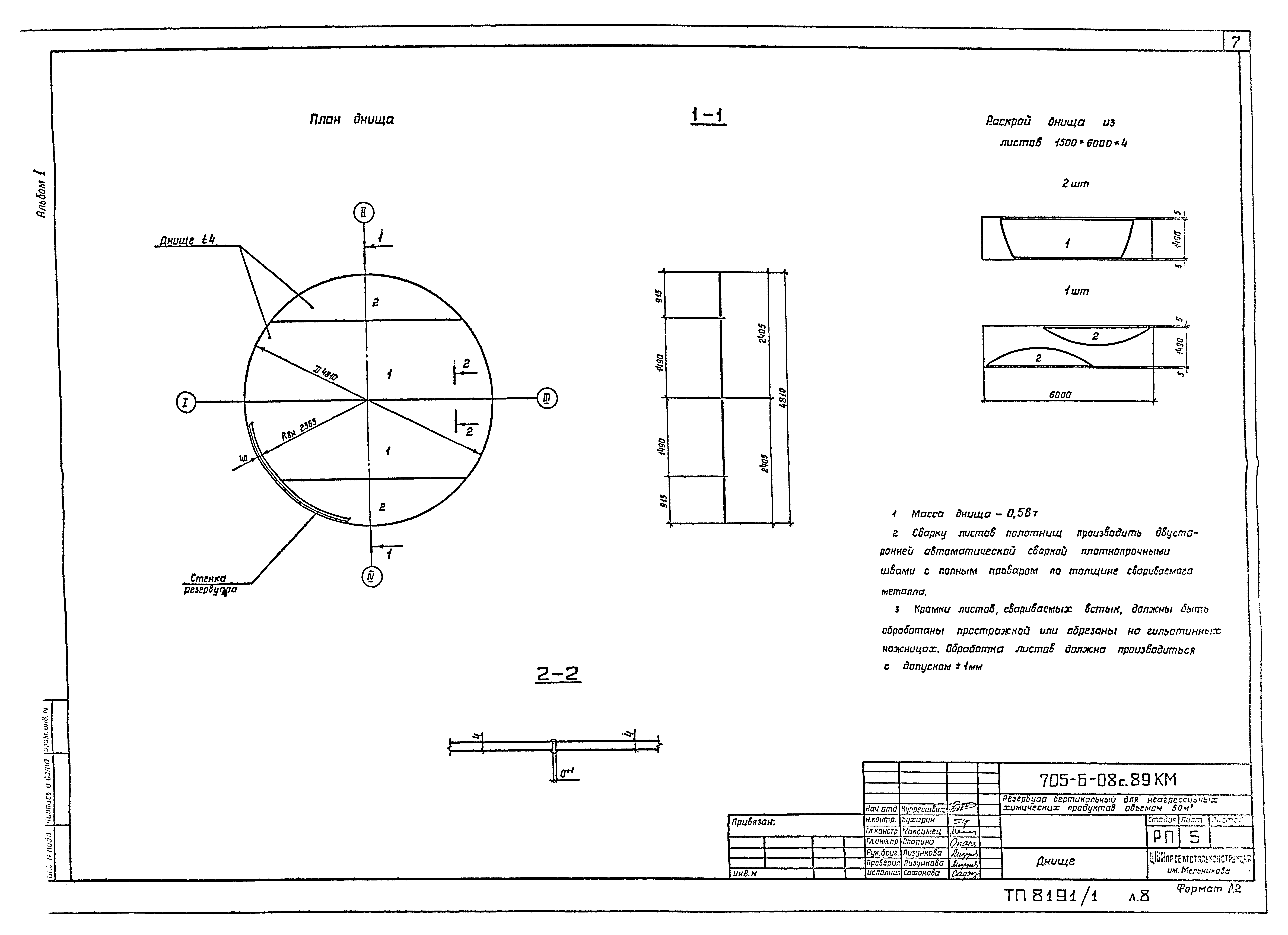
| Оглавление: | Пояснительная записка Чертежи основного комплекта марки КМ Общие данные Техническая спецификация металла Ведомость металлоконструкций по видам профилей Общий вид резервуара Днище Стенка Крыша Схема расположения люков Люк верхний Dy600 Люк нижний Dy800 Каркас для наворачивания |
| Разработан: | Гипрококс |
| Утверждён: | 31.07.1989 Министерство металлургии СССР (USSR Ministry of Metallurgy 62) |













