Скачать Типовой проект 709-9-35.85 Альбом I. Пояснительная записка. Архитектурно-строительные решения. Электрическое освещение. Связь и сигнализация. Индустриальные строительные изделия. Ведомость потребности в материалах. Спецификация оборудованияДата актуализации: 01.01.2021
|
| Обозначение: | Типовой проект 709-9-35.85 |
| Обозначение англ: | 709-9-35.85 |
| Статус: | не определен законодательством |
| Название рус.: | Альбом I. Пояснительная записка. Архитектурно-строительные решения. Электрическое освещение. Связь и сигнализация. Индустриальные строительные изделия. Ведомость потребности в материалах. Спецификация оборудования |
| Дата добавления в базу: | 01.09.2013 |
| Дата актуализации: | 01.01.2021 |
| Дата введения: | 01.12.1983 |
| Дата окончания срока действия: | 30.06.2003 |
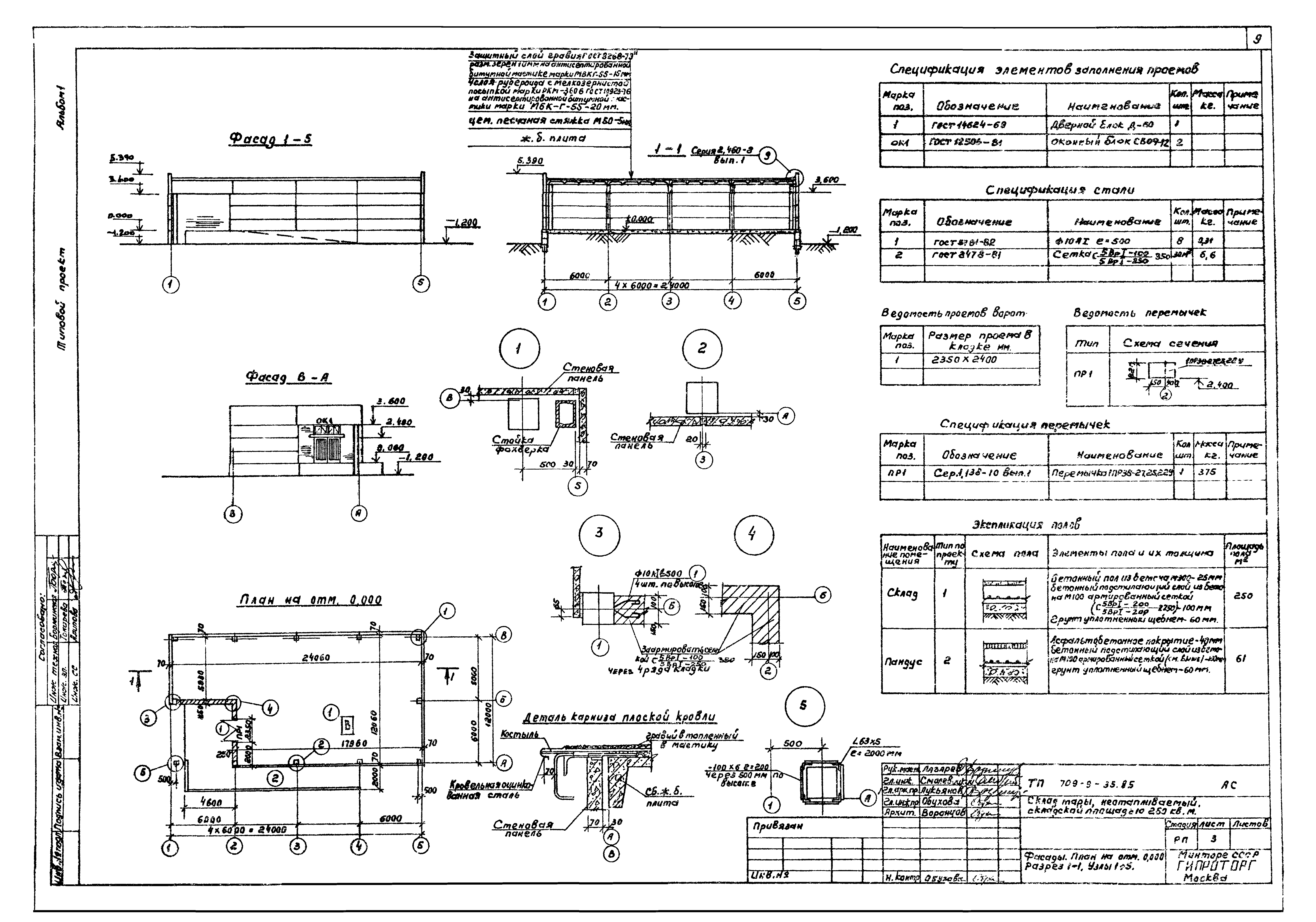
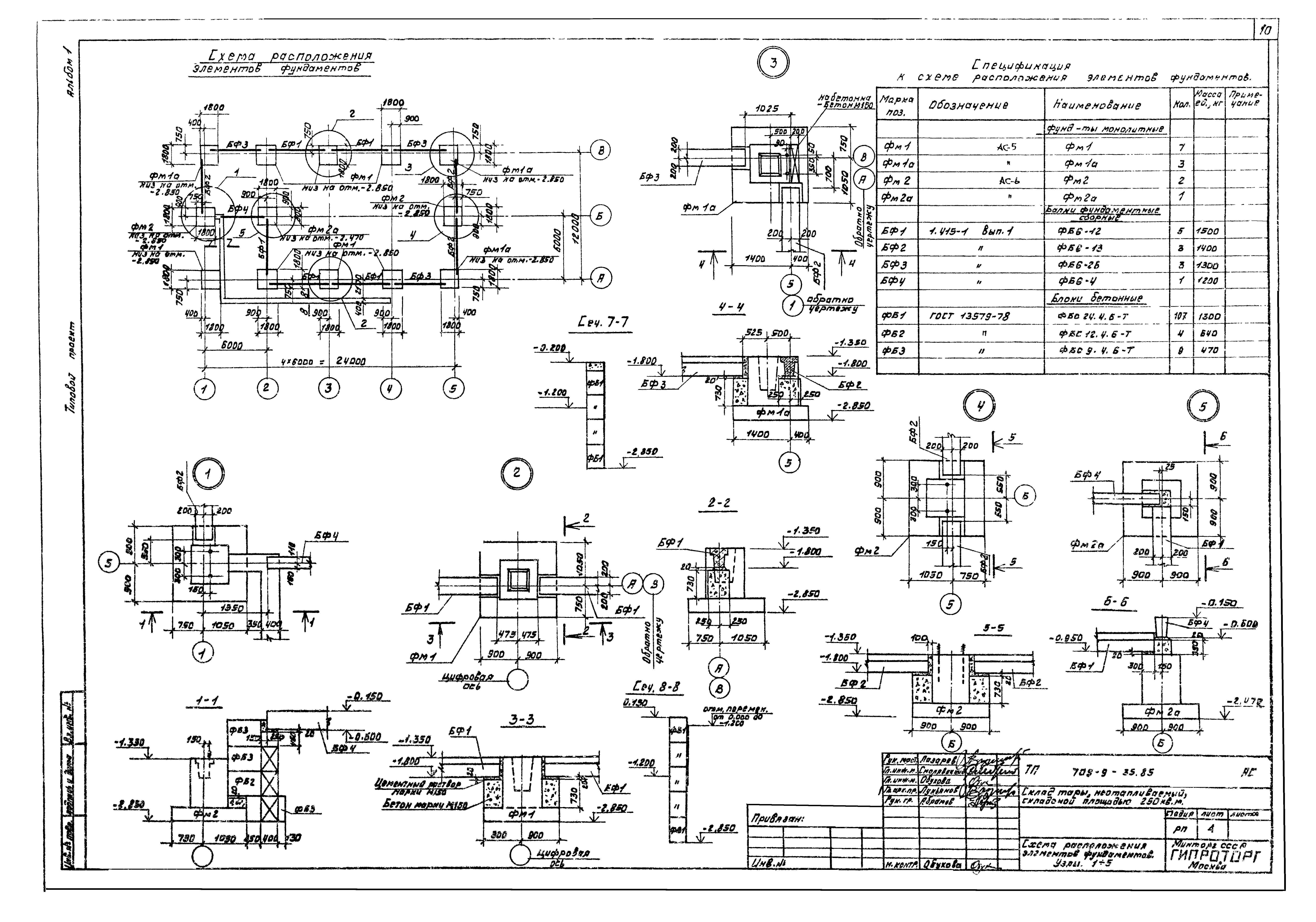
| Оглавление: | Титульный лист Содержание альбома 1 Пояснительная записка Чертежи марки АС Общие данные Фасады. План на отм. 0.000. Разрез 1-1. Узлы 1 - 5 Схема расположения элементов фундаментов Опалубка и армирование фундаментов Фм1, Фм1а Опалубка и армирование фундаментов Фм2, Ф2а Схемы расположения элементов каркаса и покрытия Схемы расположения стеновых панелей по осям "А", "В", "1", "5" Чертежи марки ЭО Общие данные. План сети освещения Чертежи марки СС Общие данные. План сети пожарной сигнализации Чертежи марки КЖИ Колонна К (К48-7а) Колонна К (К48-7а). Сборочный чертеж Колонна К (К48-7б, К48-7в) Колонна К (К48-7б, К48-7в). Сборочный чертеж Колонна К (К48-7г) Колонна К (К48-7г). Сборочный чертеж Колонна К (К48-7д) Колонна К (К48-7д). Сборочный чертеж Колонна К (КФ7-1а) Колонна К (КФ7-1а). Сборочный чертеж Изделие соединительное МС (МС1) Изделие соединительное МС (МС2) Плита П (ПГ-2ВрIIп-1) Плита П (ПГ-2ВрIIп-2) Плита П (ПГ-2ВрIIп-3) Балка Б (1БСП12-2ВрIIа) Выборка стали на дополнительные закладные изделия Ведомости потребности в материалах ВМ Ведомости потребности в материалах железобетонных элементов Ведомости потребности в строительных материалах Ведомости потребности в материалах на изготовление монолитных железобетонных элементов Ведомости потребности в электромонтажных изделиях Ведомости потребности в материалах Спецификации оборудования Спецификации электротехнического оборудования Спецификации оборудования |
| Разработан: | Гипроторг |
| Утверждён: | 28.10.1983 Министерство торговли СССР (USSR Ministry of Commerce 8) |
























