Скачать Типовой проект 902-2-467.89 Альбом 5. Строительные изделияДата актуализации: 01.01.2021
|
| Обозначение: | Типовой проект 902-2-467.89 |
| Обозначение англ: | 902-2-467.89 |
| Статус: | не определен законодательством |
| Название рус.: | Альбом 5. Строительные изделия |
| Дата добавления в базу: | 01.09.2013 |
| Дата актуализации: | 01.01.2021 |
| Дата введения: | 21.11.1988 |
| Дата окончания срока действия: | 30.06.2003 |
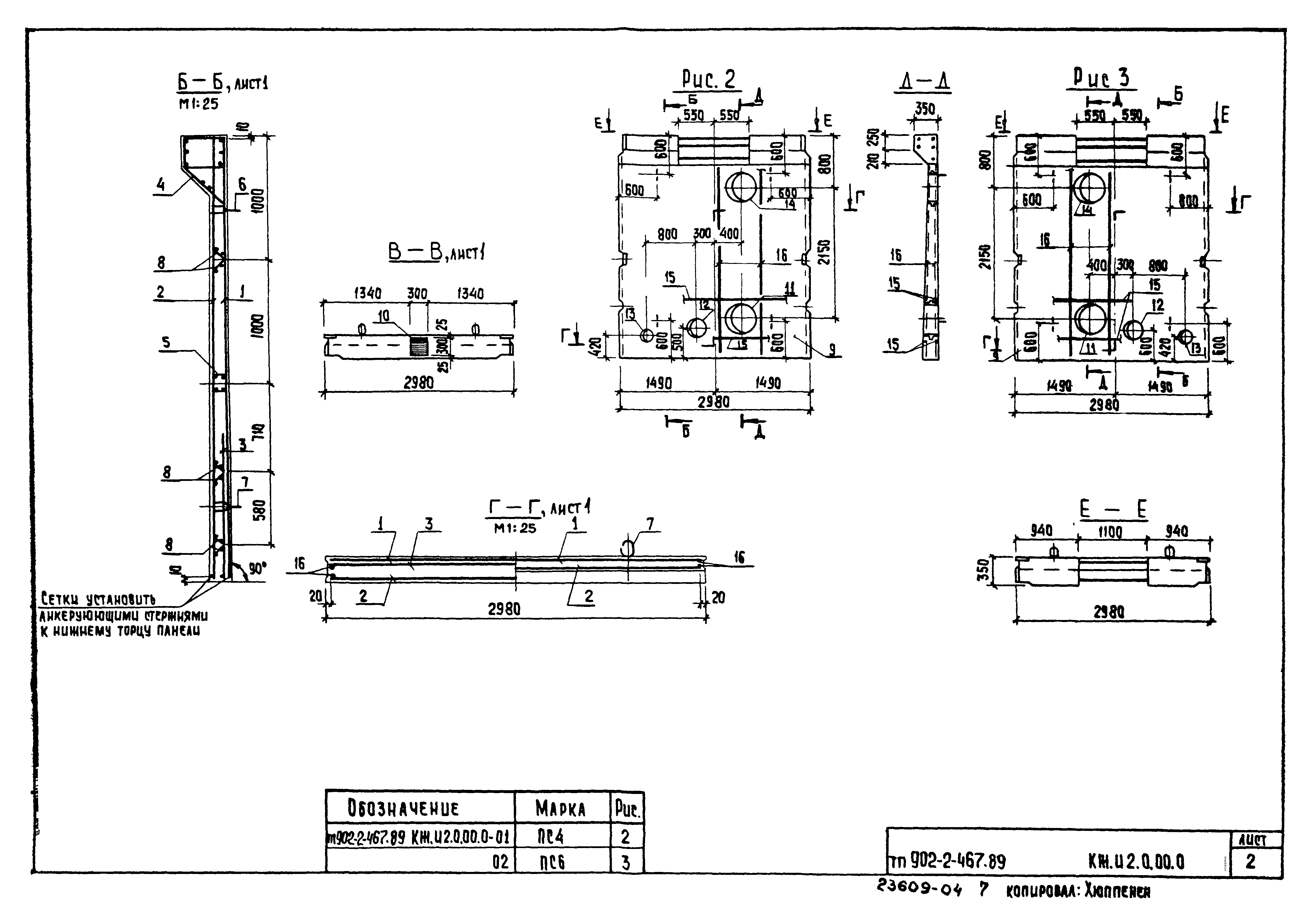
| Оглавление: | 902-2-467.89-КЖ.И ТУ Технические условия 902-2-467.89-КЖ.И.1.0.00.0 Панель стеновая (ПС1, ПС2) 902-2-467.89-КЖ.И.2.0.00.0 Панель стеновая (ПС3, ПС4, ПС6) 902-2-467.89-КЖ.И.3.0.00.0 Панель стеновая ПС5 902-2-467.89-КЖ.И.0.0.00.0 ВМС Ведомость расхода стали на элемент, кг 902-2-467.89-КЖ.И.4.0.00.0 Лоток Лт1 902-2-467.89-КЖ.И.0.0.10.0 Изделие соединительное МС3 902-2-467.89-КЖ.И.0.1.00.0 Каркас пространственный (КП1, КП2) 902-2-467.89-КЖ.И.0.1.01.0 Каркас плоский Кр1 902-2-467.89-КЖ.И.0.2.00.0 Каркас пространственный (КП3, КП4) 902-2-467.89-КЖ.И.0.0.01.0 Каркас плоский (Кр2, Кр3) 902-2-467.89-КЖ.И.0.0.02.0 Каркас плоский (Кр4, Кр5) 902-2-467.89-КЖ.И.0.0.03.0 Сетка арматурная С1 902-2-467.89-КЖ.И.0.0.04.0 Сетка арматурная С2 902-2-467.89-КЖ.И.0.0.05.0 Изделие закладное МН1 902-2-467.89-КЖ.И.0.0.06.0 Рамка металлическая Рм1 902-2-467.89-КЖ.И.0.0.07.0 Рамка металлическая Рм2 902-2-467.89-КЖ.И.0.0.08.0 Щит металлический Щ1 902-2-467.89-КЖ.И.0.0.09.0 Изделие соединительное МС1 902-2-467.89-КЖ.И.0.0.10.0 Изделие соединительное (МС4, МС5) 902-2-467.89-КЖ.И.0.3.00.0 Жалюзийная решетка Жр1 902-2-467.89-КЖ.И.0.0.11.0 Изделие соединительное МС6 |
| Разработан: | ЦНИИЭП |
| Утверждён: | 21.11.1988 Госкомархитектура (310) |



















