Скачать Серия 3.503.1-55 Выпуск 3. Железобетонные изделия опор. Рабочие чертежиДата актуализации: 01.01.2021
|
| Обозначение: | Серия 3.503.1-55 |
| Обозначение англ: | Series 3.503.1-55 |
| Статус: | не действует |
| Название рус.: | Выпуск 3. Железобетонные изделия опор. Рабочие чертежи |
| Дата добавления в базу: | 01.09.2013 |
| Дата актуализации: | 01.01.2021 |
| Дата введения: | 25.02.1981 |
| Дата окончания срока действия: | 01.08.1988 |
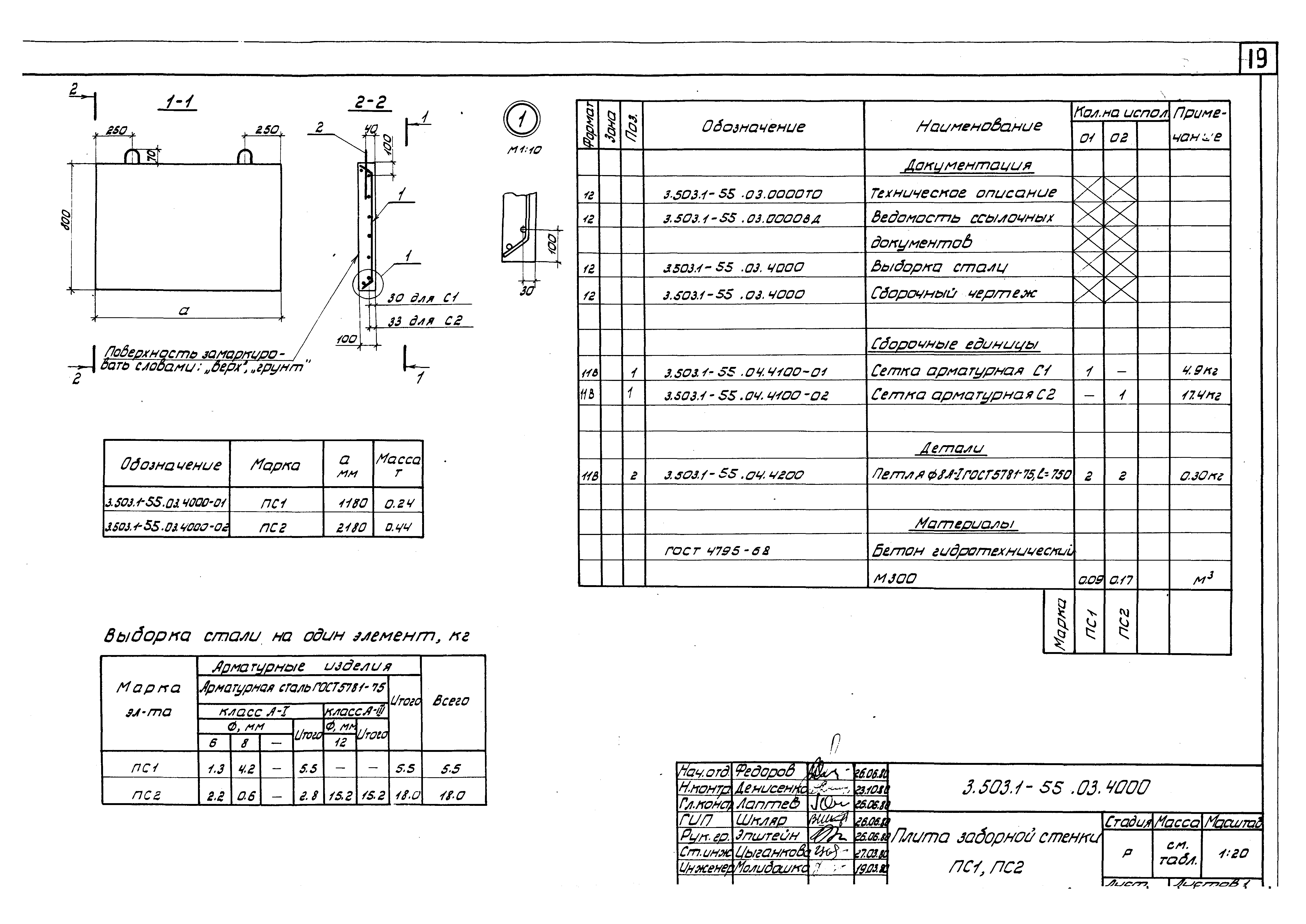
| Оглавление: | 3.503.1-55.03.0000ДО Содержание 3.503.1-55.03.0000ТО Техническое описание 3.503.1-55.03.0000ВД Ведомость ссылочных документов 3.503.1-55.03.1000 Блок насадки 1Н7, 1Н8. Спецификация 3.503.1-55.03.1000СБ Блок насадки 1Н7, 1Н8. Сборочный чертеж 3.503.1-55.03.2000 Блок насадки 1Н10, 1Н11. Спецификация 3.503.1-55.03.2000СБ Блок насадки 1Н10, 1Н11. Сборочный чертеж 3.503.1-55.03.1000ВС Блок насадки 1Н7, 1Н8, 1Н10, 1Н11. Выборка стали 3.503.1-55.03.3000 Блок насадки 2Н7, 2Н8, 2Н10, 2Н11. Спецификация 3.503.1-55.03.3000СБ Блок насадки 2Н7, 2Н8, 2Н10, 2Н11. Сборочный чертеж 3.503.1-55.03.3000ВС Блок насадки 2Н7, 2Н8, 2Н10, 2Н11. Выборка стали 3.503.1-55.03.1200 Вариант конструкции замены нижней арматуры поз. 7 на закладное изделие в блоках насадок 3.503.1-55.03.4000 Плита заборной стенки ПС1, ПС2 3.503.1-55.03.5000 Плита навесной стенки ПС3 3.503.1-55.03.6000 Плита заборной стенки СПС1, СПС2 3.503.1-55.03.7000 Плита навесной стенки СПС3, СПС4. Спецификация 3.503.1-55.03.7000СБ Плита навесной стенки СПС3, СПС4. Сборочный чертеж 3.503.1-55.03.8000 Блок бордюра ББ4 3.503.1-55.03.9000 Свая промежуточной опоры тип 2. Спецификация 3.503.1-55.03.9000СБ Свая промежуточной опоры тип 2. Сборочный чертеж |
| Разработан: | БелгипродорНИИ Минавтодора БССР |
| Утверждён: | 23.02.1981 Миндорстрой БССР (BSSR Mindorstroy 1/81) |
| Чем заменён: |


























