Скачать Серия 3.503.1-55 Выпуск 6. Арматурные элементы железобетонных изделий пролетного строения. Рабочие чертежиДата актуализации: 01.01.2021
|
| Обозначение: | Серия 3.503.1-55 |
| Обозначение англ: | Series 3.503.1-55 |
| Статус: | не действует |
| Название рус.: | Выпуск 6. Арматурные элементы железобетонных изделий пролетного строения. Рабочие чертежи |
| Дата добавления в базу: | 01.09.2013 |
| Дата актуализации: | 01.01.2021 |
| Дата введения: | 25.02.1981 |
| Дата окончания срока действия: | 01.08.1988 |
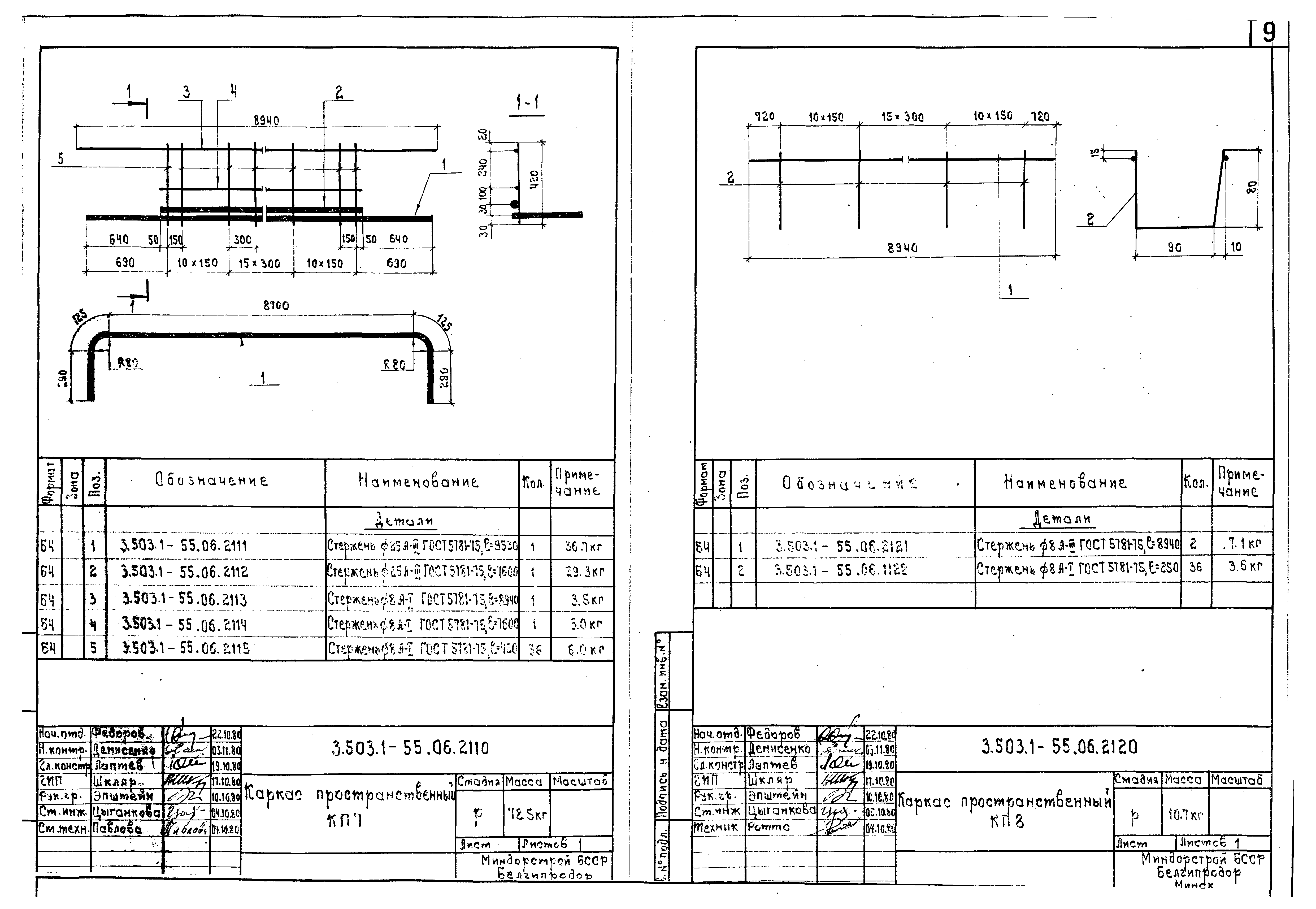
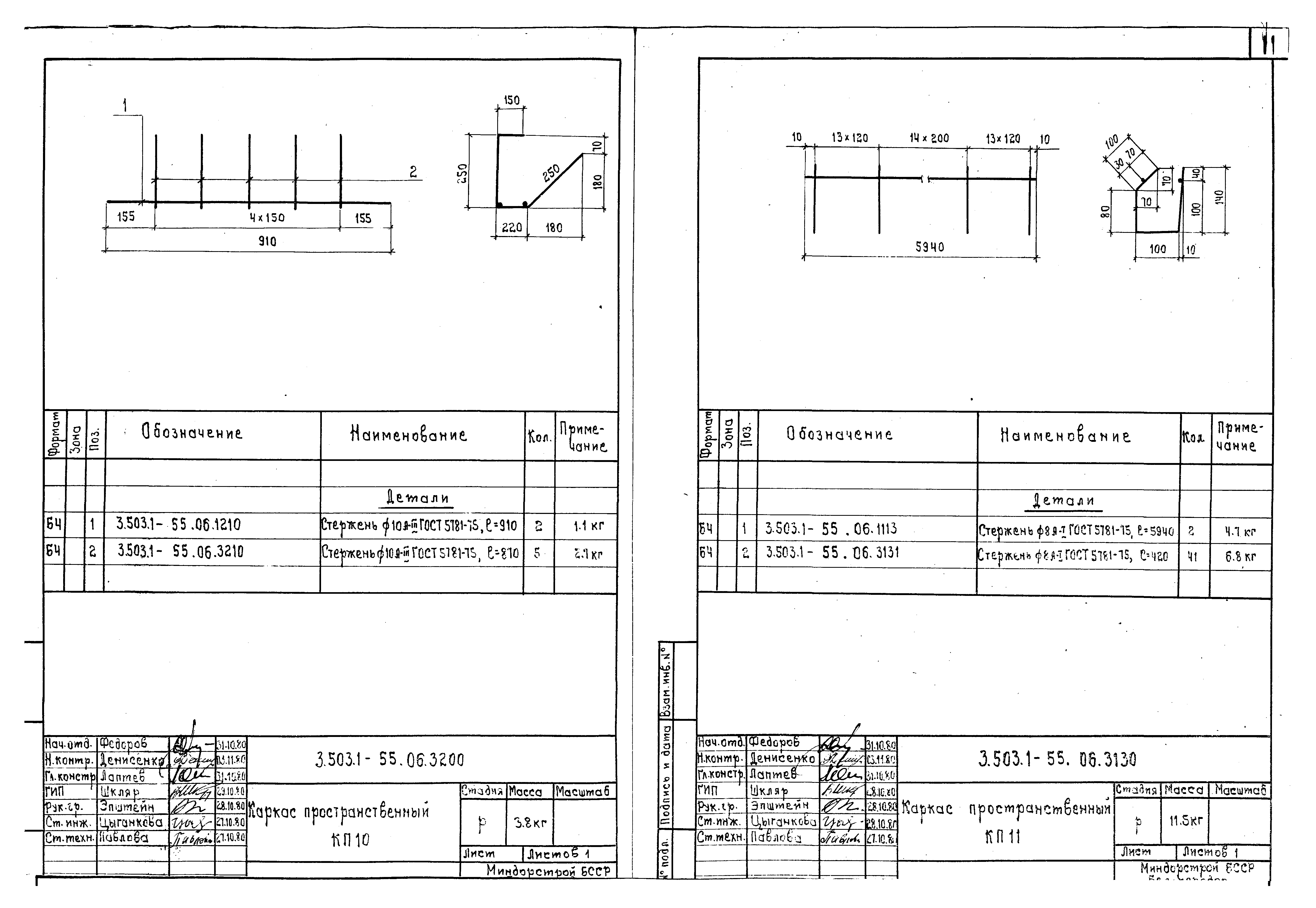
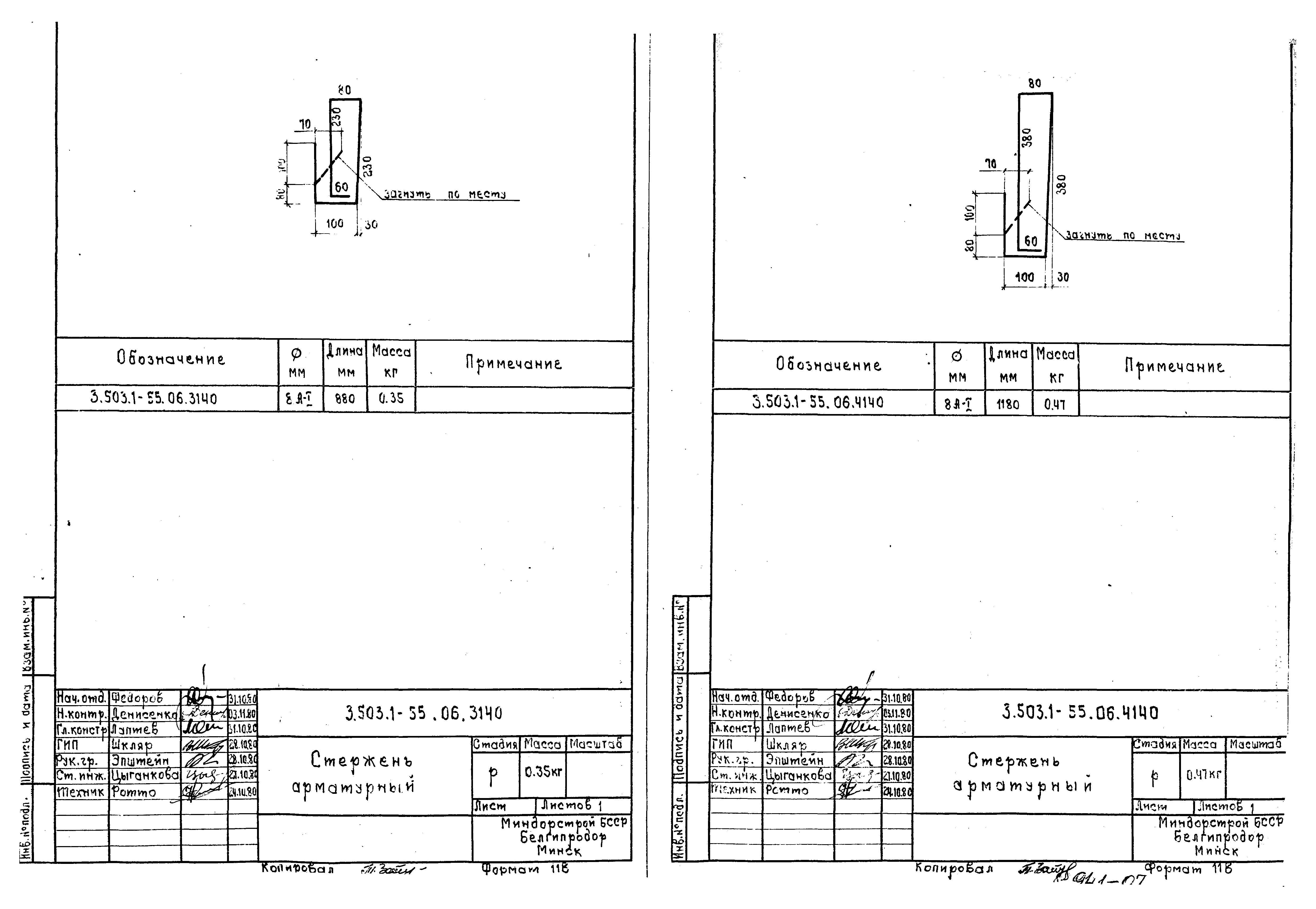
| Оглавление: | 3.503.1-55.06.0000ДО Содержание 3.503.1-55.06.0000ТО Техническое описание 3.503.1-55.06.1100 Каркас пространственный КП1 3.503.1-55.06.1200 Каркас пространственный КП2 3.503.1-55.06.1110 Каркас пространственный КП3 3.503.1-55.06.1120 Каркас пространственный КП4 3.503.1-55.06.2100 Каркас пространственный КП5 3.503.1-55.06.2200 Каркас пространственный КП6 3.503.1-55.06.2110 Каркас пространственный КП7 3.503.1-55.06.2120 Каркас пространственный КП8 3.503.1-55.06.3100 Каркас пространственный КП9 3.503.1-55.06.3200 Каркас пространственный КП10 3.503.1-55.06.3130 Каркас пространственный КП11 3.503.1-55.06.4100 Каркас пространственный КП12 3.503.1-55.06.4200 Каркас пространственный КП13 3.503.1-55.06.4130 Каркас пространственный КП14 3.503.1-55.06.5100 Каркас пространственный КП15 3.503.1-55.06.5200 Каркас пространственный КП16 3.503.1-55.06.1130 Каркас плоский КР1 3.503.1-55.06.2130 Каркас плоский КР2 3.503.1-55.06.3110 Каркас плоский КР3 3.503.1-55.06.3120 Каркас плоский КР4 3.503.1-55.06.4110 Каркас плоский КР5 3.503.1-55.06.4120 Каркас плоский КР6 3.503.1-55.06.1300 Сетка арматурная С1 3.503.1-55.06.1400 Сетка арматурная С2 3.503.1-55.06.2300 Сетка арматурная С3 3.503.1-55.06.2400 Сетка арматурная С4 3.503.1-55.06.1500 Изделие закладное МН1 3.503.1-55.06.1600 Изделие закладное МН2 3.503.1-55.06.3300 Стержень напрягаемый СН1 3.503.1-55.06.3400 Стержень напрягаемый СН2 3.503.1-55.06.4300 Стержень напрягаемый СН3 3.503.1-55.06.4400 Стержень напрягаемый СН4 3.503.1-55.06.1170 Стержень арматурный 3.503.1-55.06.2140 Стержень арматурный 3.503.1-55.06.3140 Стержень арматурный 3.503.1-55.06.4140 Стержень арматурный 3.503.1-55.06.1700 Петля строповочная 3.503.1-55.06.2500 Петля строповочная 3.503.1-55.06.5300 Петля строповочная 3.503.1-55.06.5400 Петля строповочная |
| Разработан: | БелгипродорНИИ Минавтодора БССР |
| Утверждён: | 23.02.1981 Миндорстрой БССР (BSSR Mindorstroy 1/81) |
| Чем заменён: |



























