Скачать Технико-экономические показатели типовых проектов специализированных типов жилых зданий

Дата актуализации: 01.01.2021

Технико-экономические показатели типовых проектов специализированных типов жилых зданий

Статус:не действует
Название рус.:Технико-экономические показатели типовых проектов специализированных типов жилых зданий
Дата добавления в базу:01.09.2013
Дата актуализации:01.01.2021
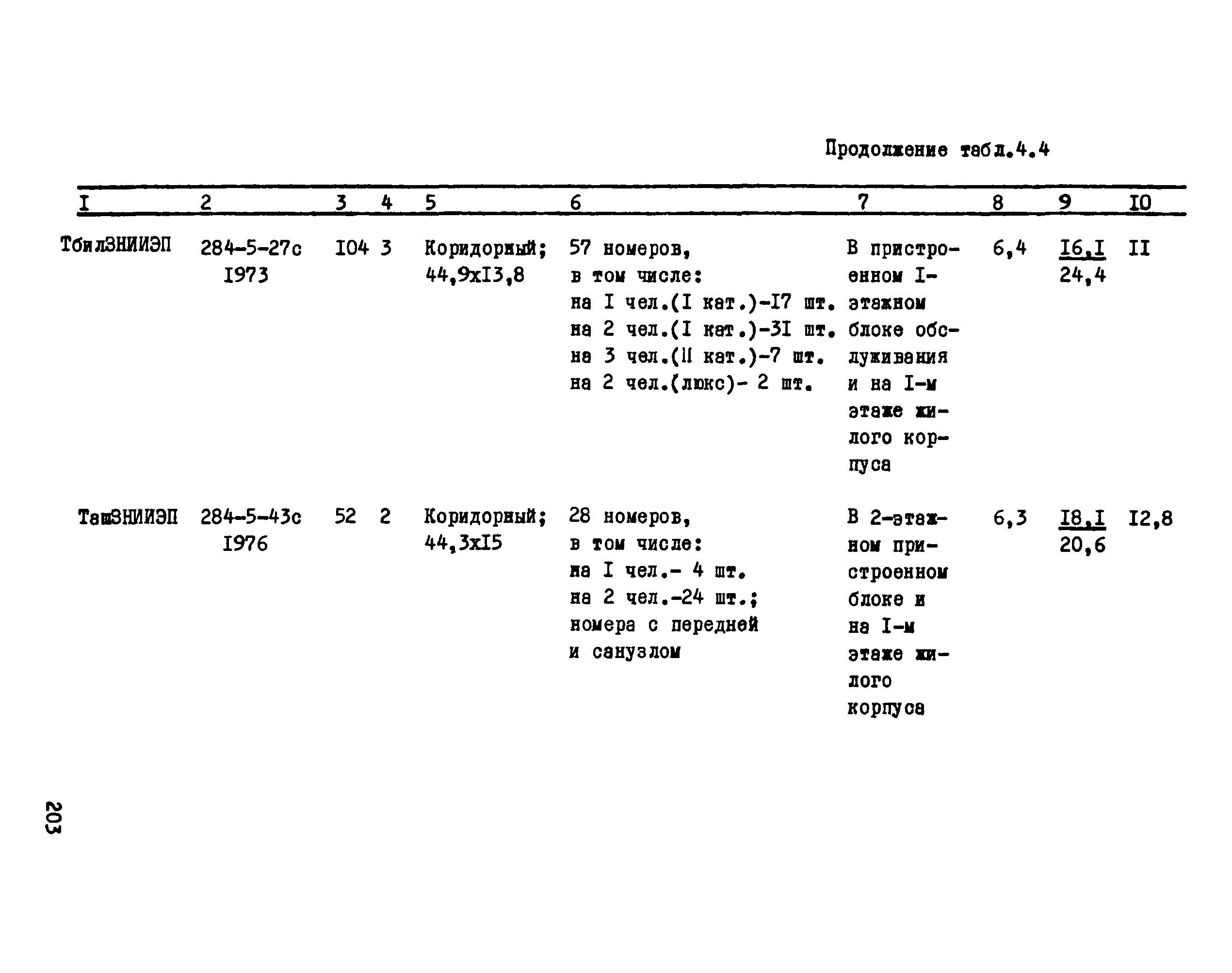
Область применения:В документе даны основные технико—экономические показатели проектов специализированных домов—общежитий, домов для малосемейных, домов—интернатов для престарелых и инвалидов, гостиниц, составленные на основе паспортных данных типовых проектов. Работа предназначена в качестве справочного материала для сотрудников проектных организаций, занимающихся типовым проектированием, а также оценкой и выбором проектов специализированных типов домов для конкретных условий строительства.
Оглавление:Введение
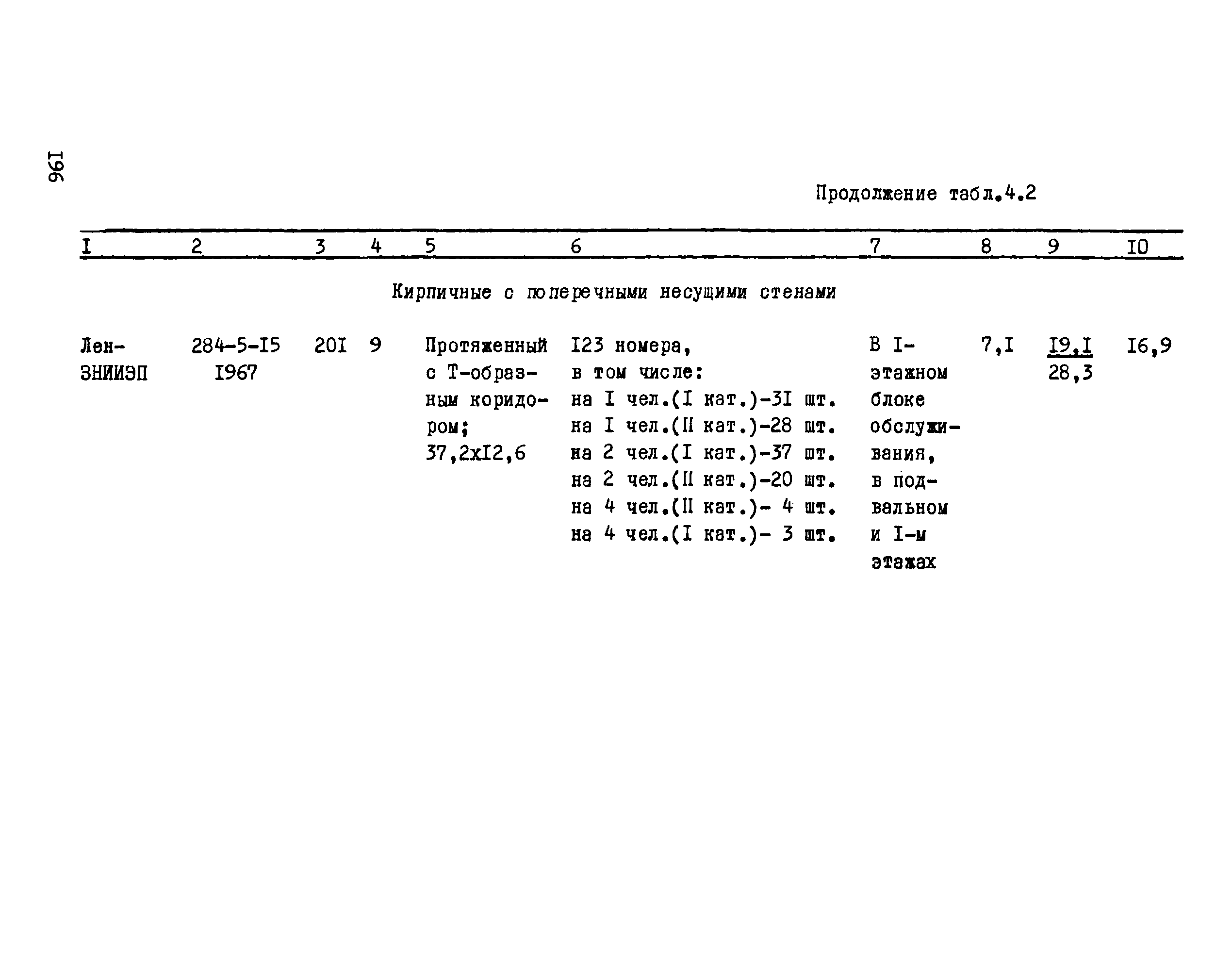
1. Общежития
2. Дома для малосемейных
3, Дома для престарелых и инвалидов
4. Гостиницы
   Заключение
   Приложения
1 Показатели типовых проектов общежитий для строительства в разных климатических районах страны
2. Показатели типовых проектов домов для малосемейных для строительства в разных климатических районах страны
3. Показатели типовых проектов домов для престарелых и инвалидов для строительства в разных климатических районах страны
4. Показатели типовых проектов гостиниц для строительства в разных климатических районах страны
Разработан: ЦНИИЭП жилища
Утверждён:26.07.1982 ЦНИИЭП жилища Госгражданстроя (27)
Издан: Стройиздат (1982 г. )
Нормативные ссылки: