Скачать Типовой проект 501-3-33.87 Альбом 5. Силовое электрооборудование и электрическое освещение. Автоматизация отопления и вентиляции. Связь и сигнализацияДата актуализации: 01.01.2021
|
| Обозначение: | Типовой проект 501-3-33.87 |
| Обозначение англ: | 501-3-33.87 |
| Статус: | не определен законодательством |
| Название рус.: | Альбом 5. Силовое электрооборудование и электрическое освещение. Автоматизация отопления и вентиляции. Связь и сигнализация |
| Дата добавления в базу: | 01.09.2013 |
| Дата актуализации: | 01.01.2021 |
| Дата введения: | 11.03.1988 |
| Дата окончания срока действия: | 30.06.2003 |
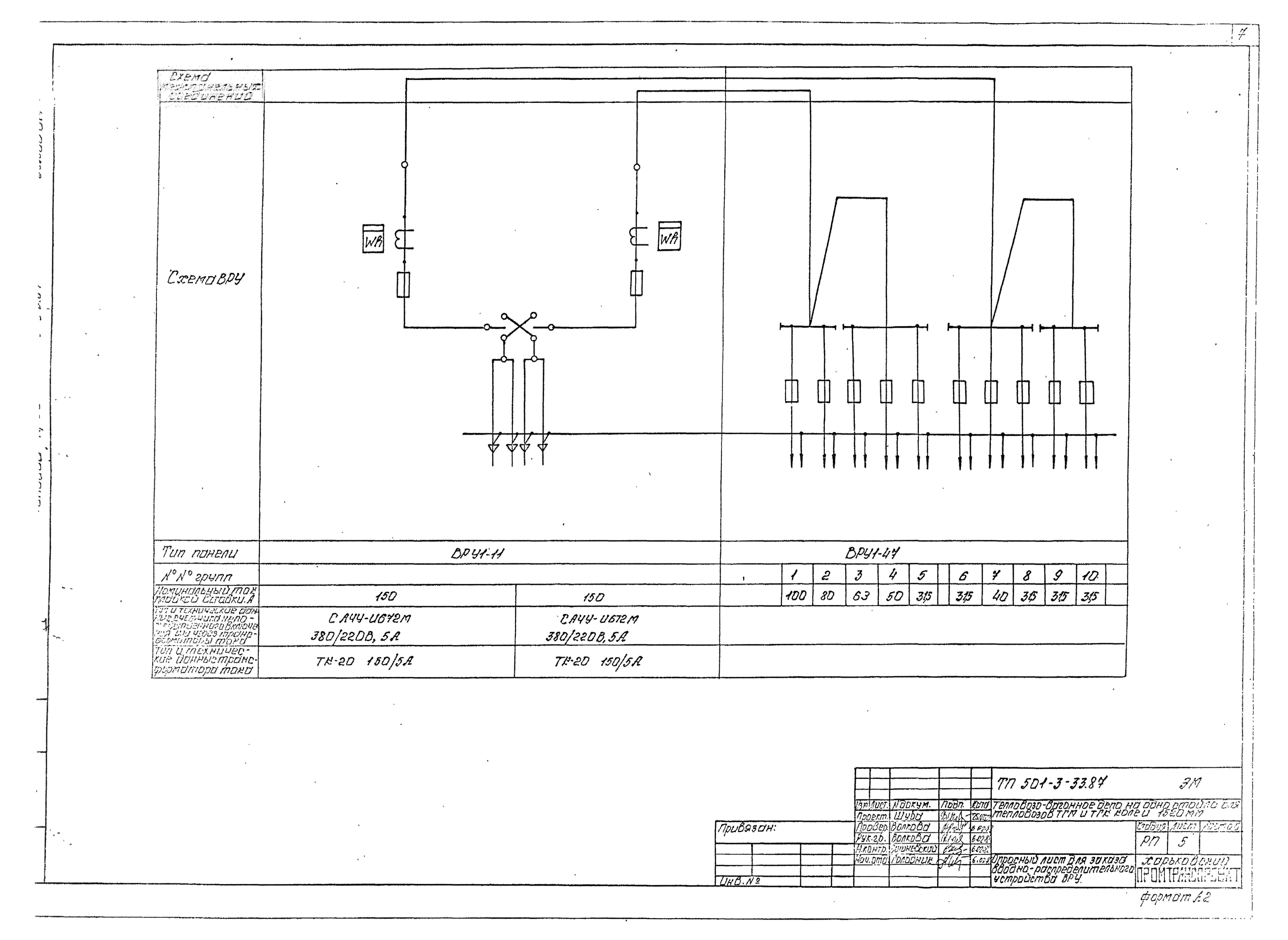
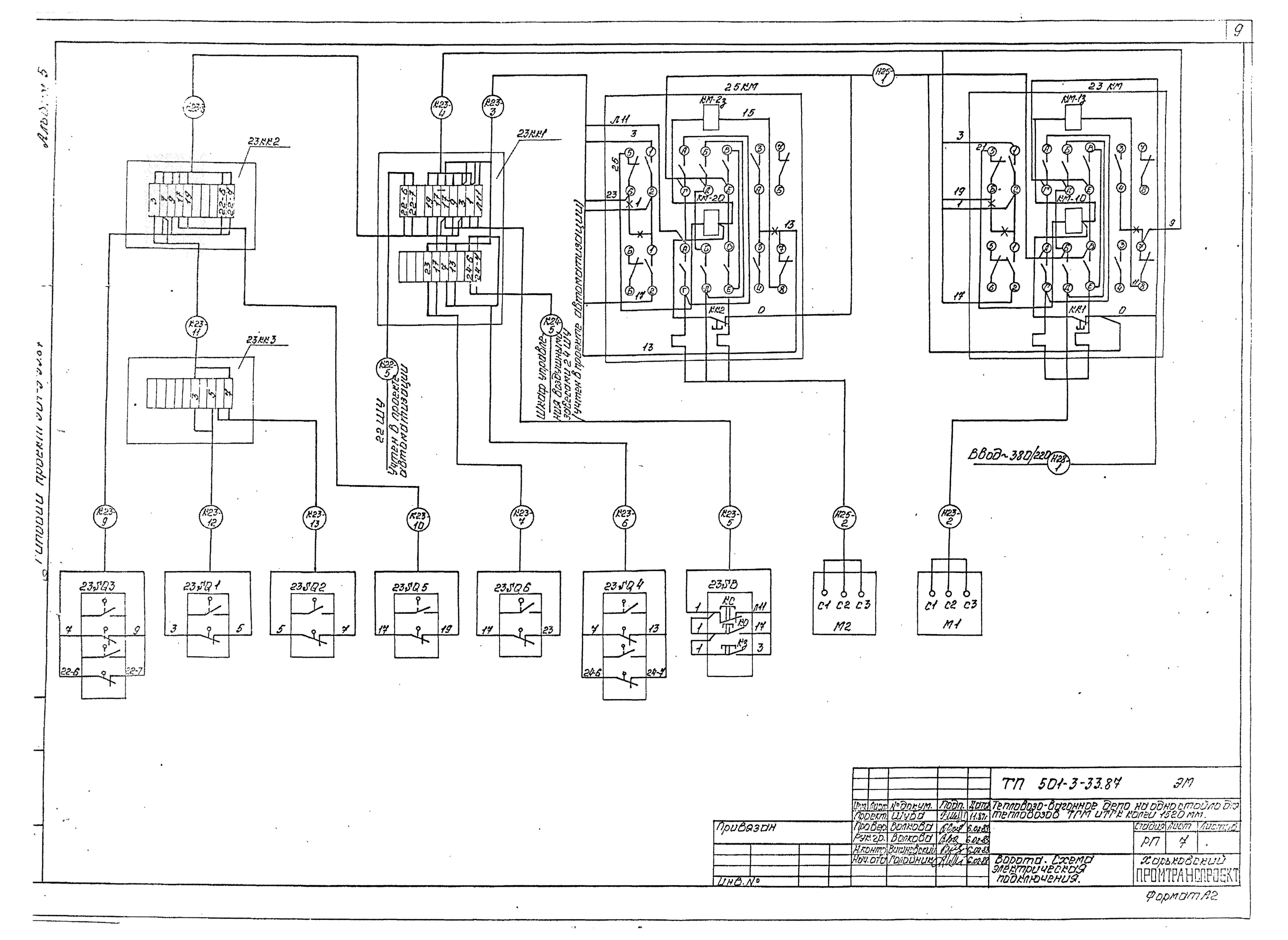
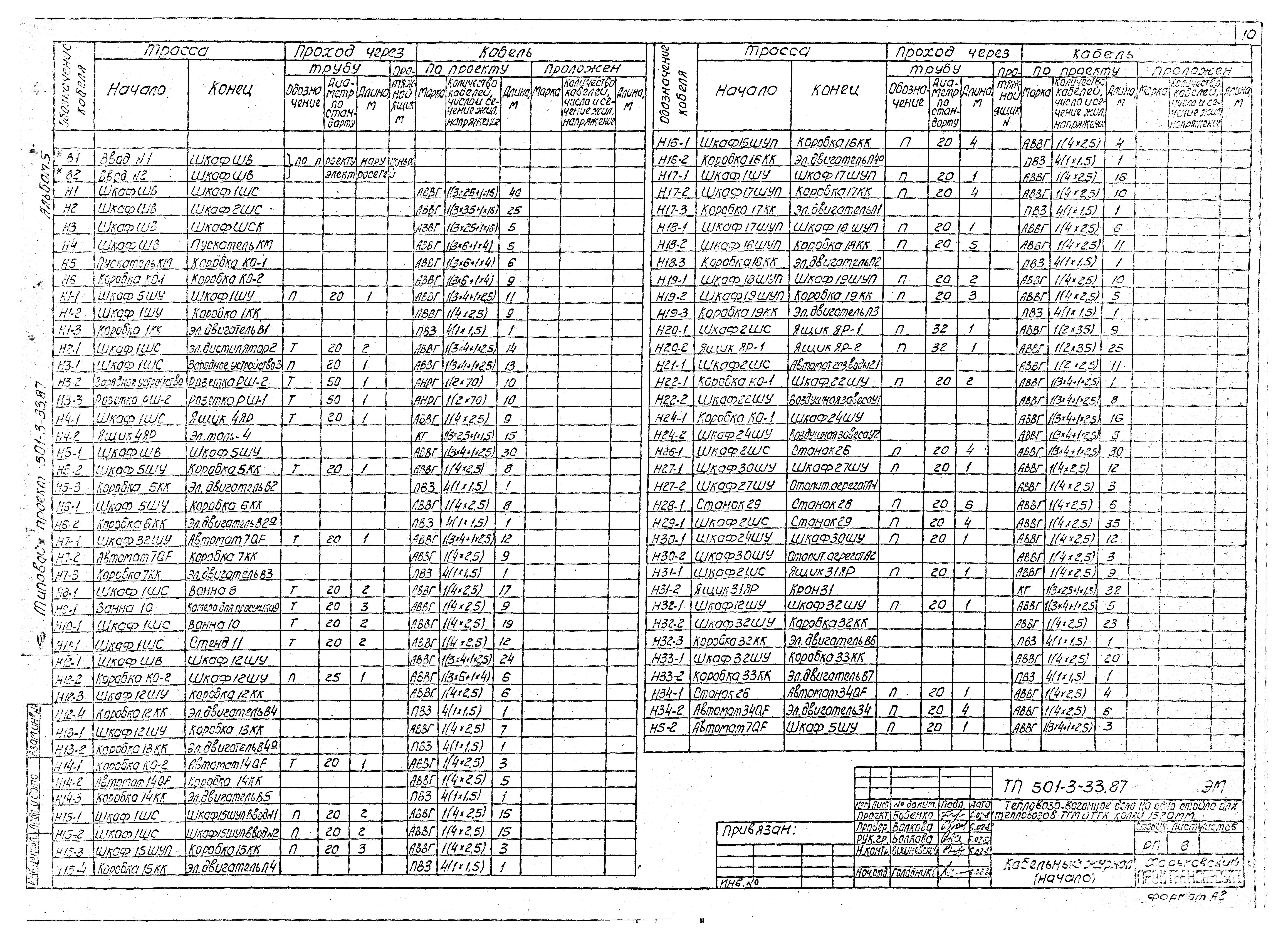
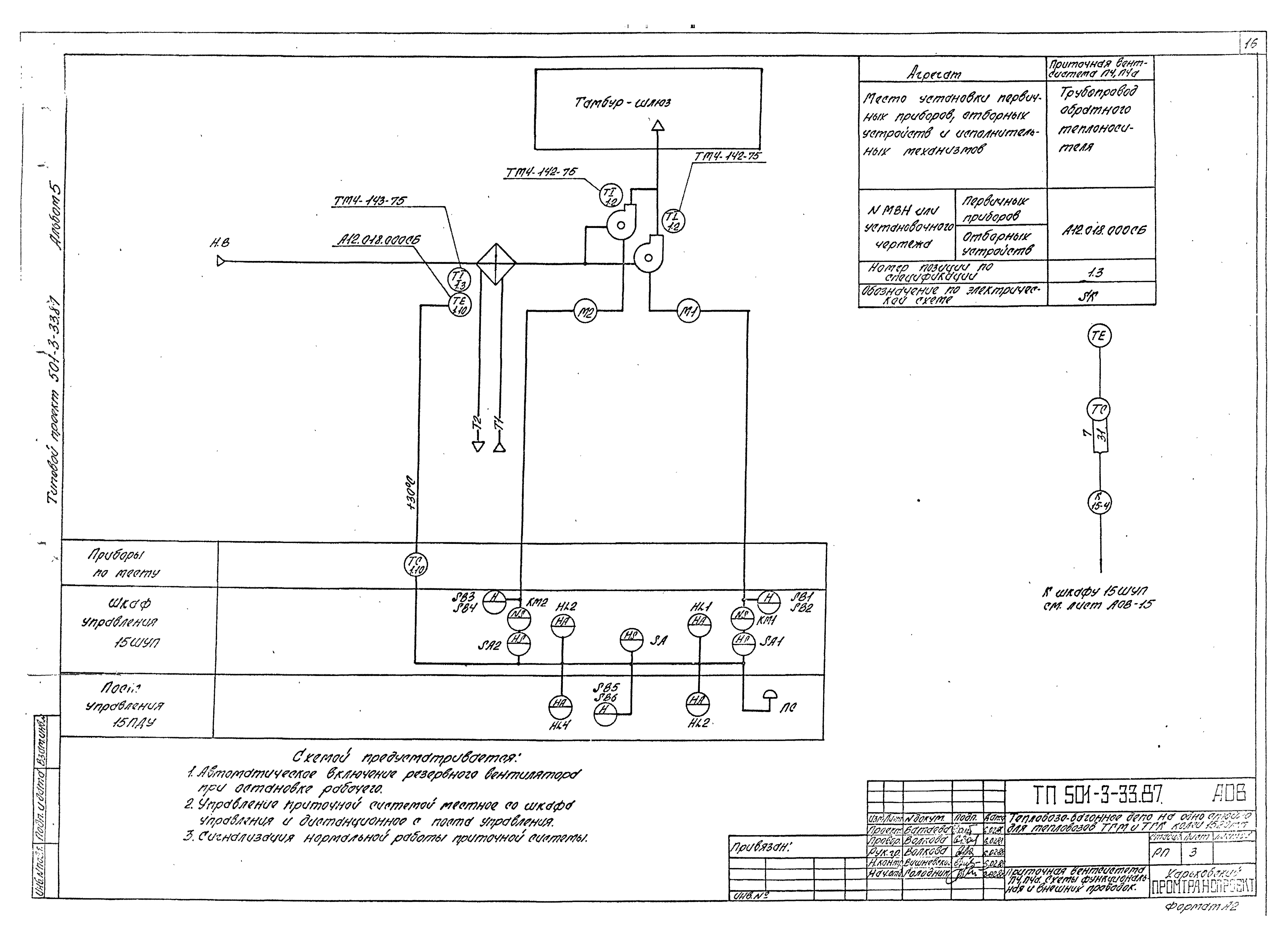
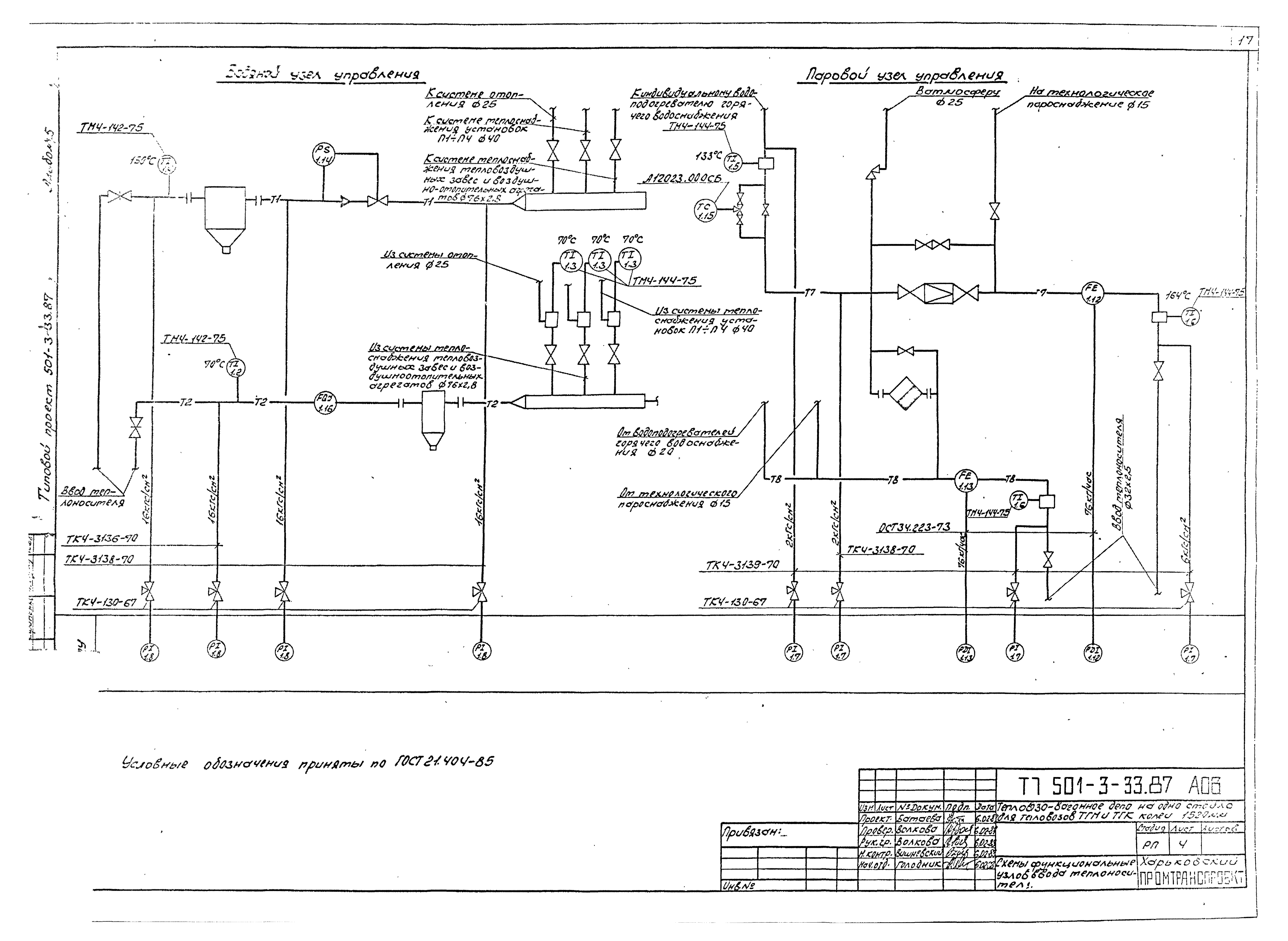
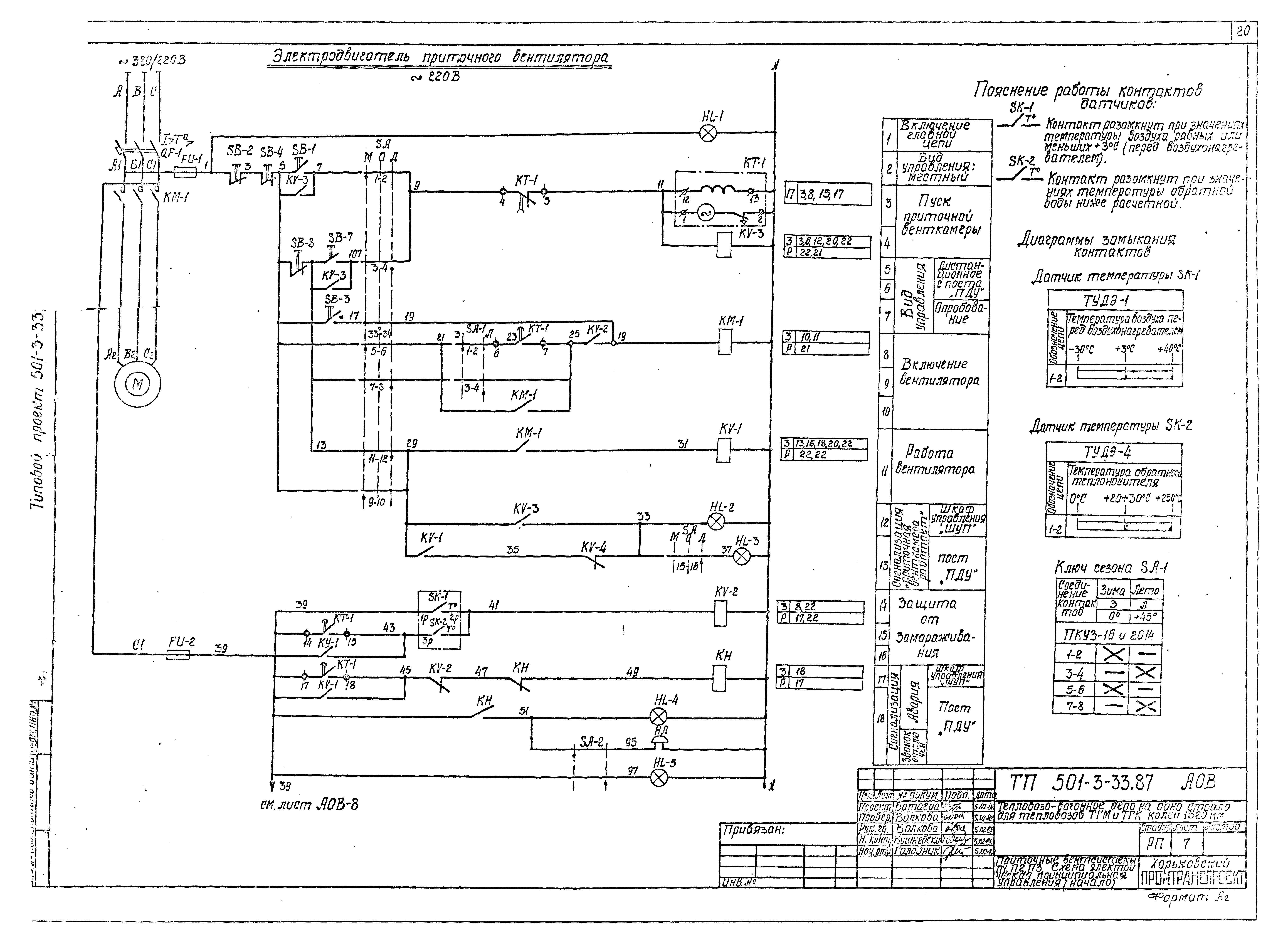
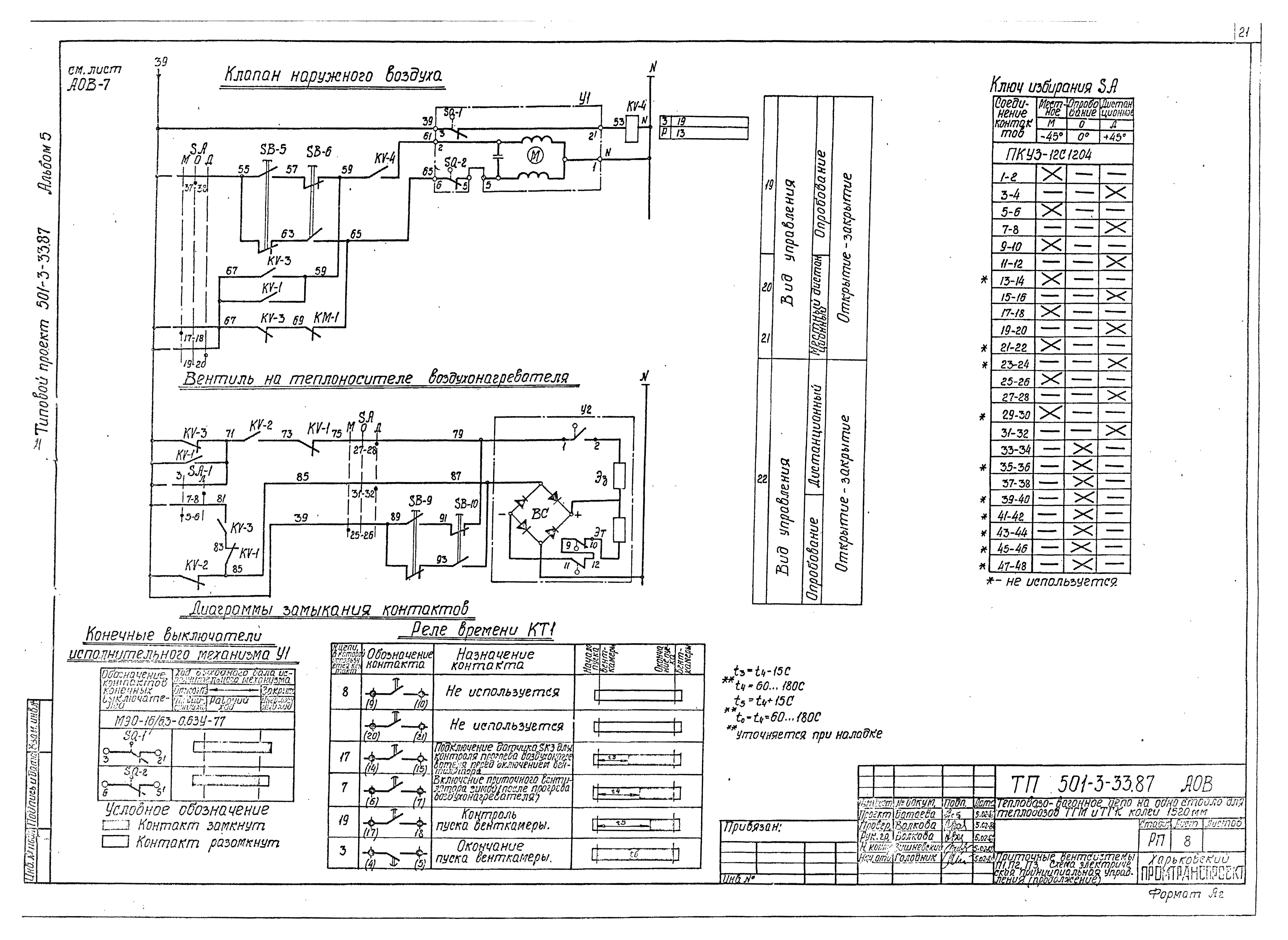
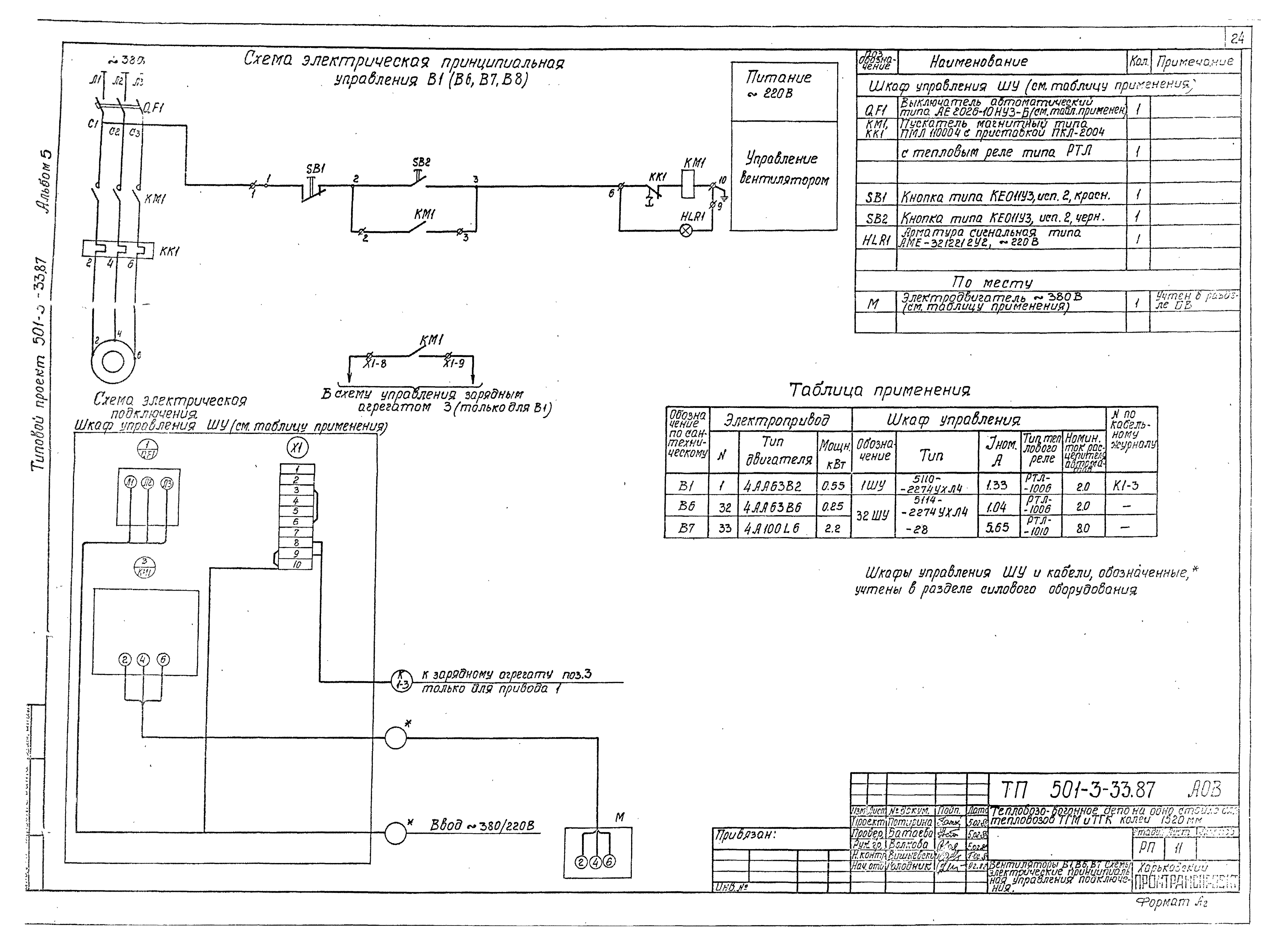
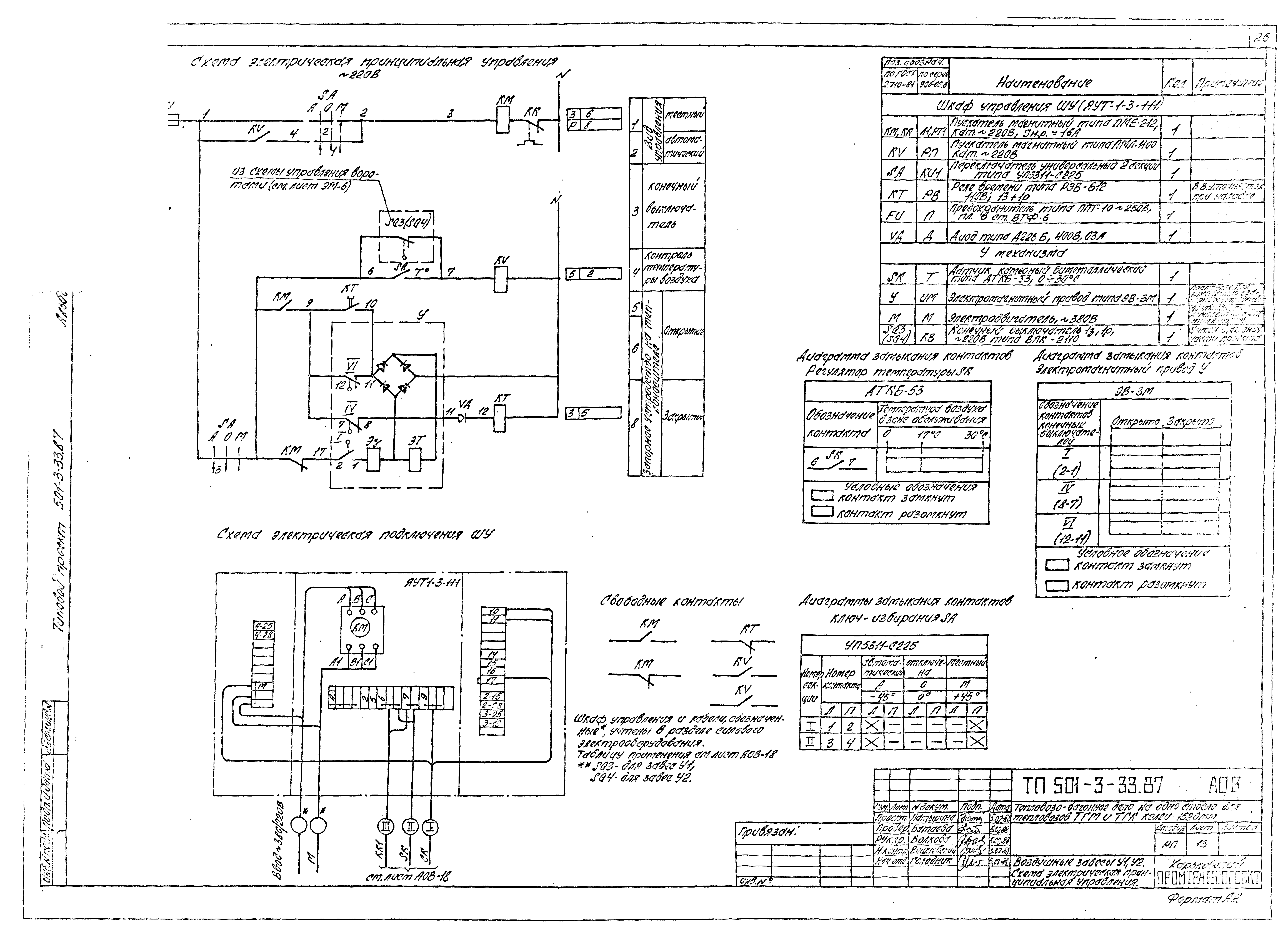
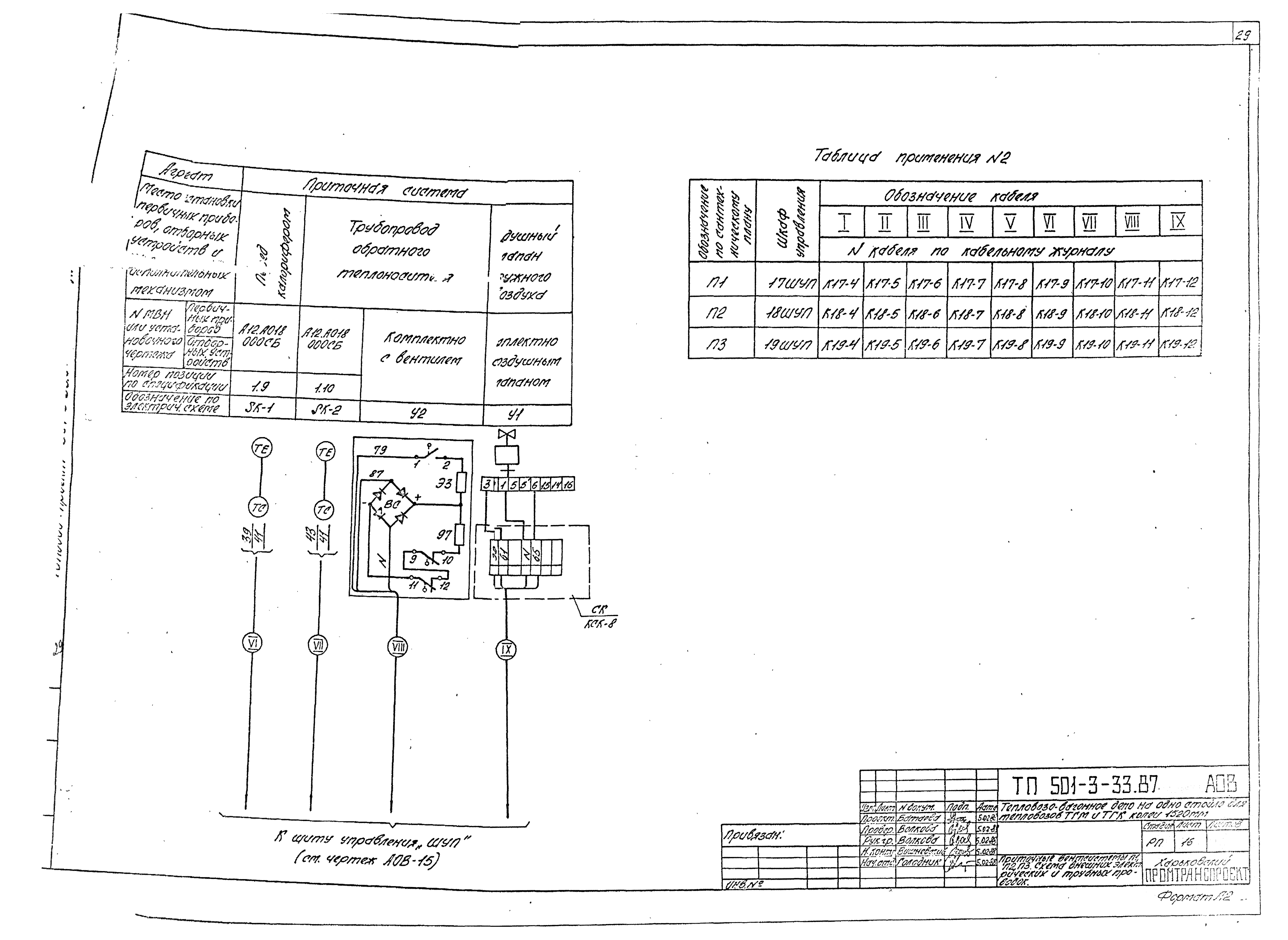
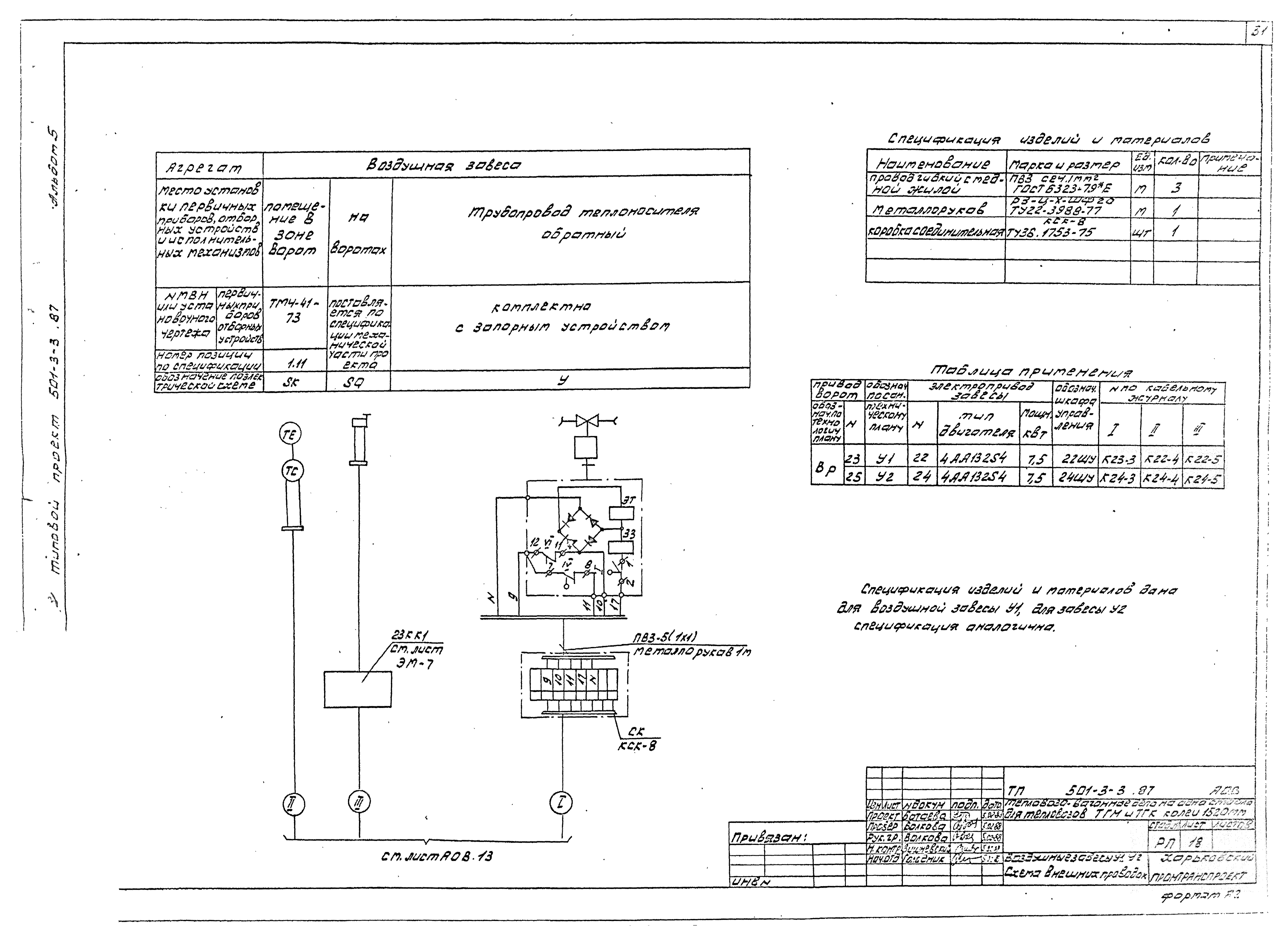
| Оглавление: | Содержание Чертежи основного комплекта марки ЭМ Общие данные Однолинейная схема питающей сети 380/220 В и схема отключения вентиляции при пожаре Однолинейная схема распределительной сети 380/220 В Опросный лист для заказа вводно-распределительного устройства ВРУ Ворота. Схема электрическая принципиальная управления и кабельная разводка Ворота. Схема электрическая подключения Кабельный журнал Планы питающей и распределительной сети на отм. 0.000 и 5.800 Электроосвещение. План расположения электрического оборудования и прокладки сетей электрического оборудования Чертежи основного комплекта марки АОВ Общие данные Приточные вентсистемы П1, П2, П3. Схема функциональная Приточная вентсистема П4, П4а. Схема функциональная и внешних проводок Схемы функциональные узлов ввода теплоносителя Воздушные завесы У1, У2. Схема функциональная Отопительные агрегаты А1, А2. Схемы функциональная и внешних проводок Приточные вентсистемы П1, П2, П3. Схема электрическая принципиальная управления Приточная вентсистема П4, П4а. Схема электрическая принципиальная управления Вентиляторы В1, В6, В7. Схемы электрические принципиальные управления и подключения Вентиляторы В2, В2а, В4, В4а. Схема электрическая принципиальная управления Воздушные завесы У1, У2. Схема электрическая принципиальная управления Отопительные агрегаты А1, А2. Схемы электрические принципиальные управления и подключения Приточные вентсистемы П1, П2, П3, П4, П4а. Схемы электрические подключения Приточные вентсистемы П1, П2, П3. Схема внешних электрических и трубных проводок Вентиляторы В2, В2а, В4, В4а. Схема электрическая подключения Воздушные завесы У1, У2. Схема внешних проводок Кабельный журнал Планы расположения средств автоматизации и электрических проводок на отм. 0.000 и 5.800 Чертежи основного комплекта марки СС Общие данные Схема связи Устройство комплексной телефонной сети Радиофикация здания |
| Разработан: | Харьковский Промтранспроект |
| Утверждён: | 11.03.1988 Госстрой СССР (Государственный комитет Совета Министров СССР по делам строительства) (USSR Gosstroy 11) |





































