Скачать Серия 1.141.1-23с Выпуск 3. Панели перекрытий с круглыми пустотами длиной 3580, 2980 и 2380 мм, шириной 1790, 1490, 1190 и 990 мм. Для строительства в районах сейсмичностью 9 баллов. Рабочие чертежиДата актуализации: 01.01.2021
|
| Обозначение: | Серия 1.141.1-23с |
| Обозначение англ: | Series 1.141.1-23с |
| Статус: | не действует |
| Название рус.: | Выпуск 3. Панели перекрытий с круглыми пустотами длиной 3580, 2980 и 2380 мм, шириной 1790, 1490, 1190 и 990 мм. Для строительства в районах сейсмичностью 9 баллов. Рабочие чертежи |
| Дата добавления в базу: | 01.09.2013 |
| Дата актуализации: | 01.01.2021 |
| Дата введения: | 01.01.1984 |
| Дата окончания срока действия: | 01.10.1988 |
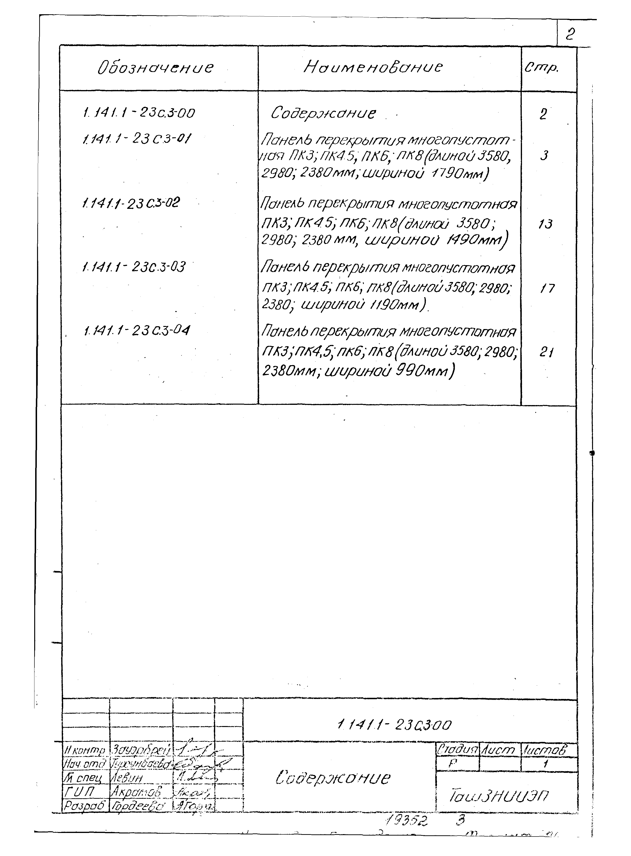
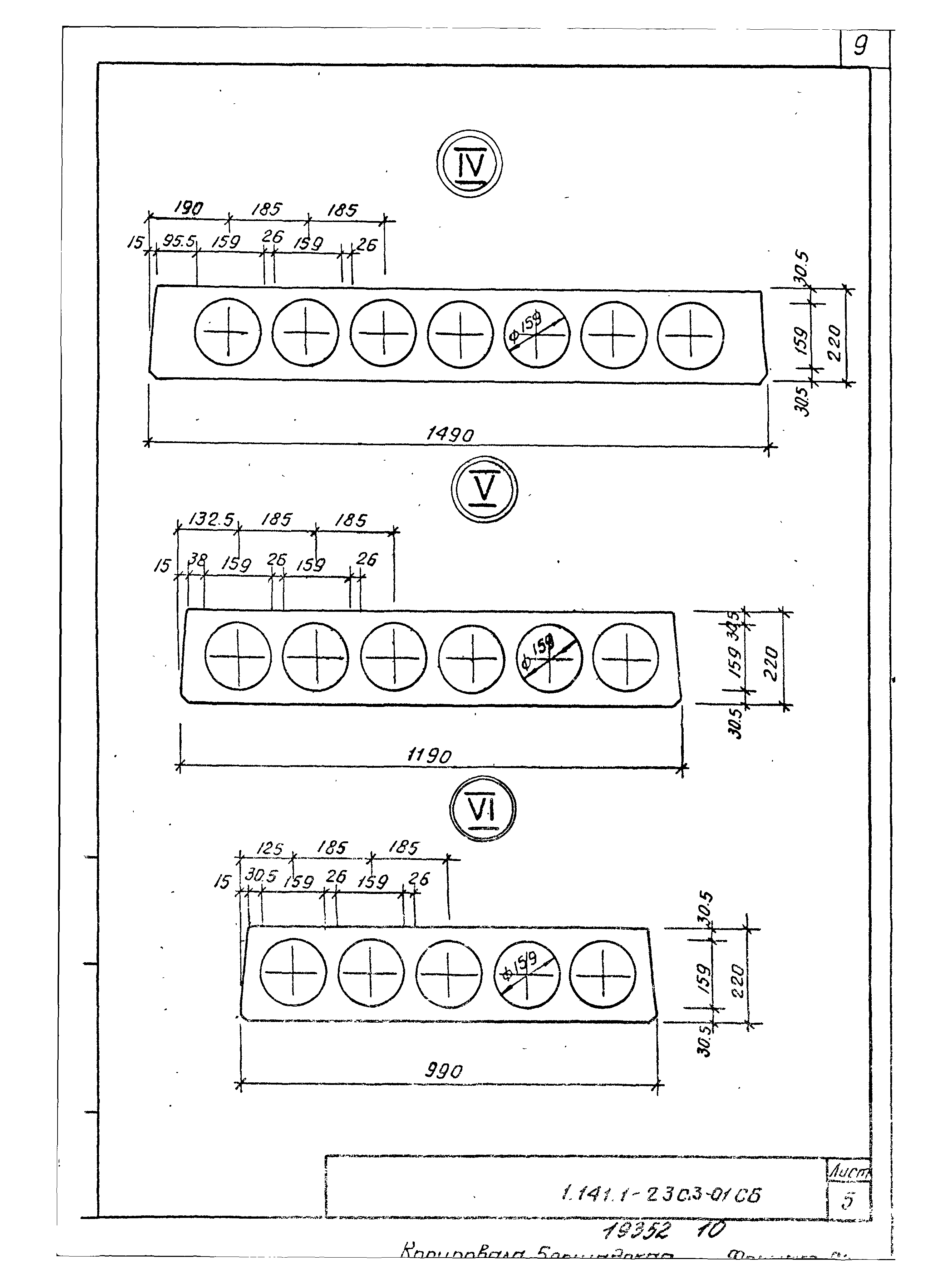
| Оглавление: | 1.141.1-23с.3-00 Содержание 1.141.1-23с.3-01 Панель перекрытия многопустотная ПК3, ПК4, 5; ПК6; ПК8 (длиной 3580, 2980, 2380 мм; шириной 1790 мм) 1.141.1-23с.3-02 Панель перекрытия многопустотная ПК3, ПК4, 5; ПК6; ПК8 (длиной 3580, 2980, 2380 мм; шириной 1490 мм) 1.141.1-23с.3-03 Панель перекрытия многопустотная ПК3, ПК4, 5; ПК6; ПК8 (длиной 3580, 2980, 2380 мм; шириной 1190 мм) 1.141.1-23с.3-04 Панель перекрытия многопустотная ПК3, ПК4, 5; ПК6; ПК8 (длиной 3580, 2980, 2380 мм; шириной 990 мм) |
| Разработан: | ТашЗНИИЭП Госгражданстроя |
| Утверждён: | 08.12.1983 Госгражданстрой (Gosgrazhdanstroy 378) |

























