Скачать Типовой проект 701-4-132.85 Альбом II. Холодильно-технологические решения. Автоматизация технологических процессов. Электроосвещение и электрооборудование. Связь и сигнализацияДата актуализации: 01.01.2021
|
| Обозначение: | Типовой проект 701-4-132.85 |
| Обозначение англ: | 701-4-132.85 |
| Статус: | не определен законодательством |
| Название рус.: | Альбом II. Холодильно-технологические решения. Автоматизация технологических процессов. Электроосвещение и электрооборудование. Связь и сигнализация |
| Дата добавления в базу: | 01.09.2013 |
| Дата актуализации: | 01.01.2021 |
| Дата введения: | 14.02.1985 |
| Дата окончания срока действия: | 30.06.2003 |
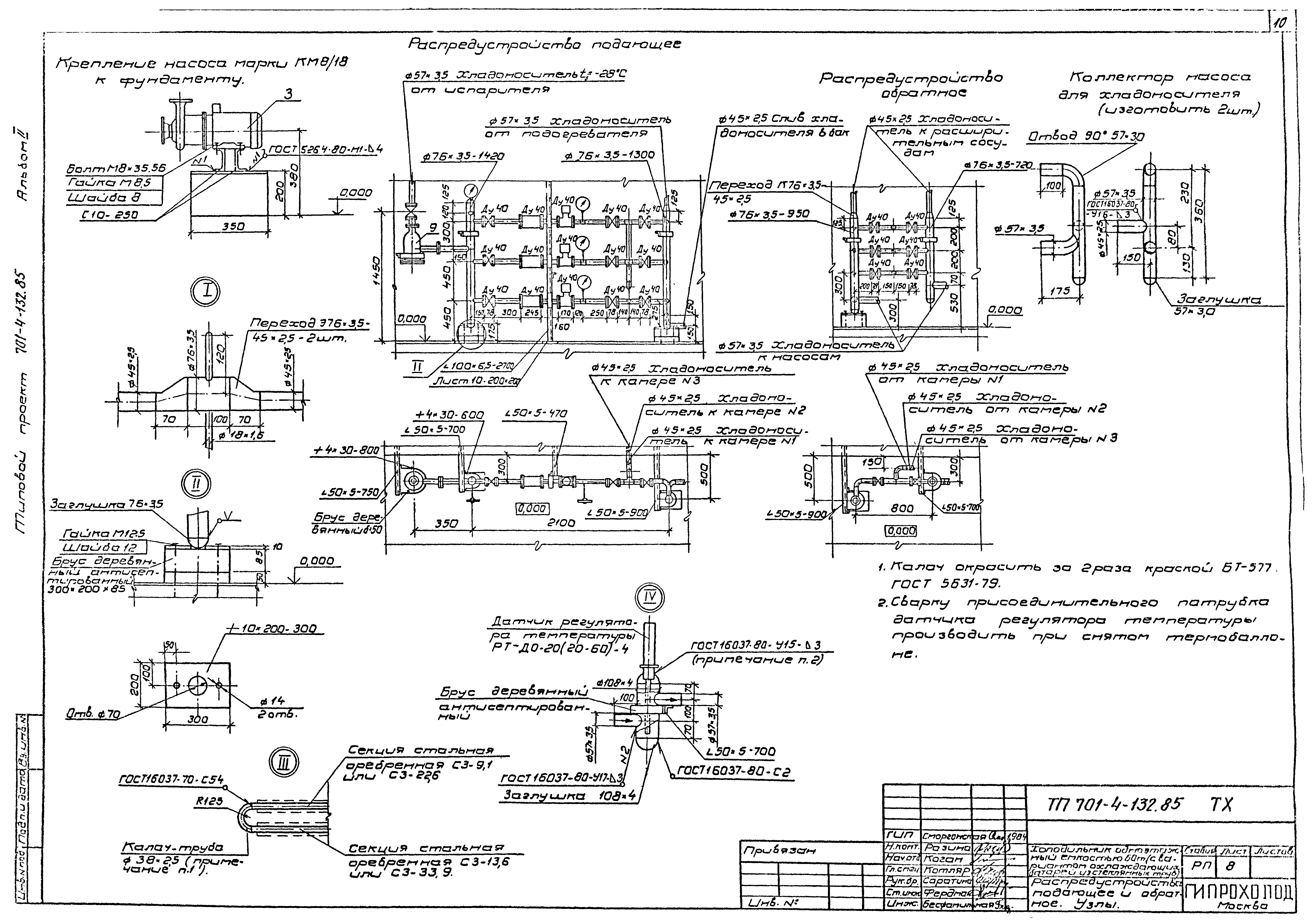
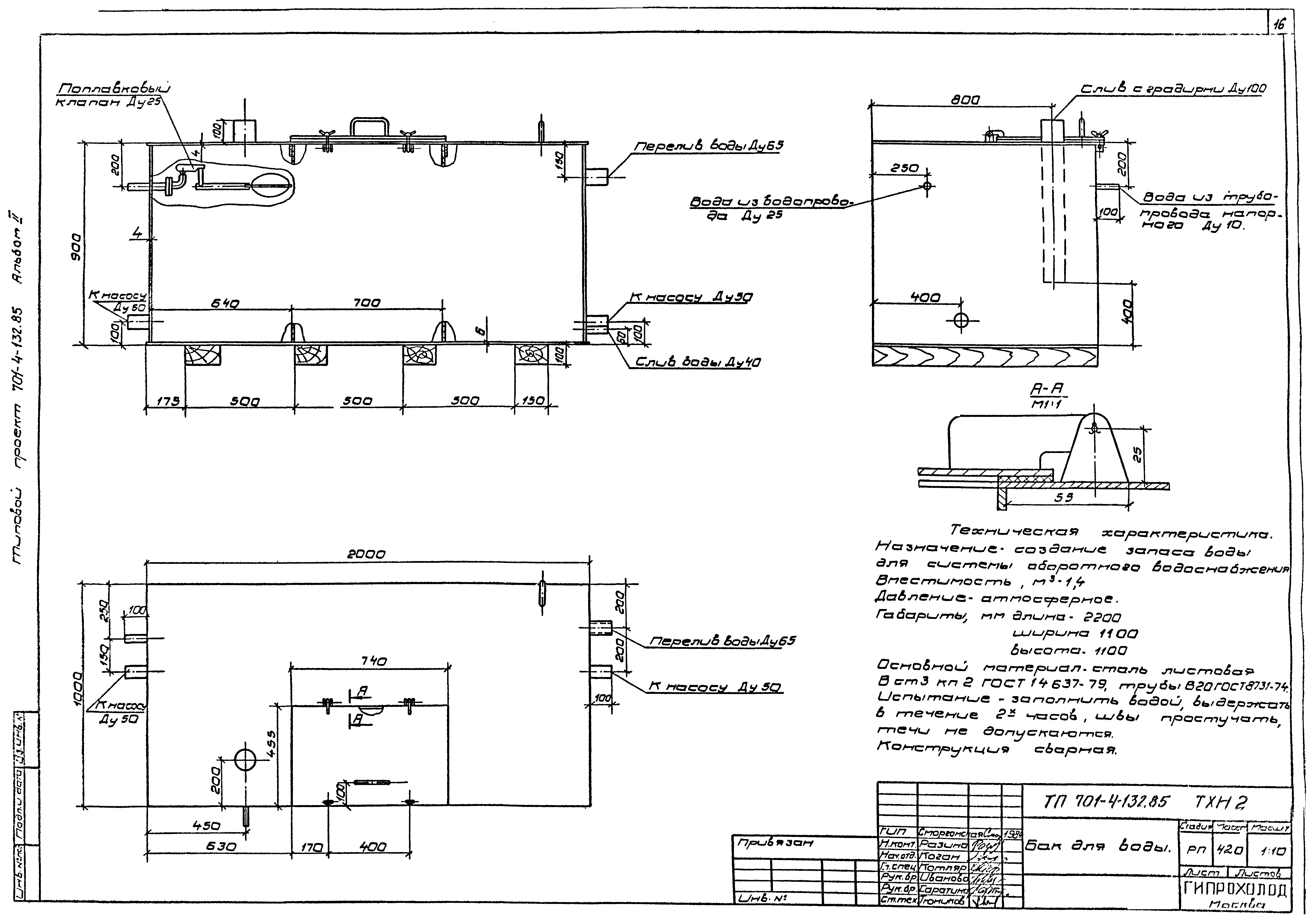
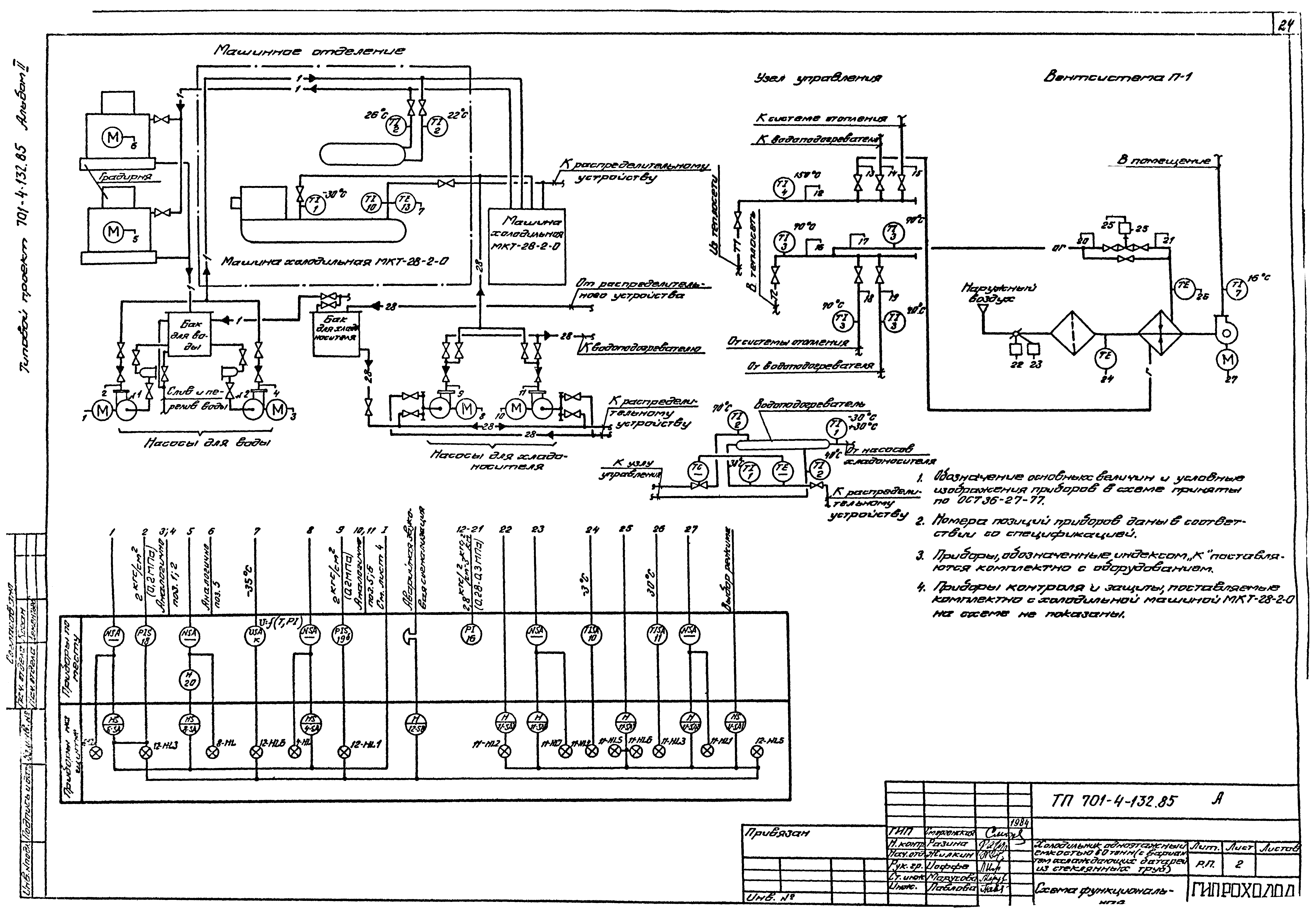
| Оглавление: | Чертежи основного комплекта марки ТХ Общие данные Перечень оборудования План размещения грузов в камерах и схема грузопотоков Планы на отм. 0.000; 4.345 Разрезы А-А, Б-Б, В-В, Г-Г, Д-Д Схема трубопроводов Распредустройства подающее и обратное. Узлы Планы на отм. 0.000; 4.345 (охлаждающие батареи из стеклянных труб) Разрезы А-А, Б-Б, В-В, Г-Г, Д-Д (охлаждающие батареи из стеклянных труб) Схема трубопроводов (охлаждающие батареи из стеклянных труб) Распредустройства подающее и обратное. Узлы (охлаждающие батареи из стеклянных труб) Бак для хладоносителя Бак для воды Блок из двух расширительных сосудов Фильтр для растворов Батареи потолочные из стеклянных труб Батарея пристенная из стеклянных труб Кронштейн для крепления вентиляторного агрегата Патрубок Чертежи основного комплекта марки А Общие данные Схема функциональная Схемы электрические принципиальные Схемы внешних проводок План расположения Кабельный журнал Схемы подключений к клеммникам щита Схема функциональная. Схемы электрические принципиальные (вариант охлаждающих батарей из стеклянных труб) Схемы внешних проводок (вариант охлаждающих батарей из стеклянных труб) План расположения (вариант охлаждающих батарей из стеклянных труб) Кабельный журнал (вариант охлаждающих батарей из стеклянных труб) Схемы подключений к клеммникам щита (вариант охлаждающих батарей из стеклянных труб) Чертежи основного комплекта марки ЭМ Общие данные Схема принципиальная однолинейная распределительной сети 1ШР Силовое электрооборудование. Электроосвещение. Планы. Кабельный журнал Электрообогрев грунта. План. Разрез. Схема Чертежи основного комплекта марки СС Общие данные. Скелетная схема Комплексная распределительная кабельная сеть. План на отм. 0.00. Список абонентских точек. Схемы |
| Разработан: | Гипрохолод Минторга СССР |
| Утверждён: | 16.01.1985 Министерство торговли СССР (USSR Ministry of Commerce 12/П-1) |














































