Скачать Типовой проект 701-4-138.86 Альбом II. Холодильно-технологические решения. Автоматизация технологических процессов. Электроосвещение и электрооборудование. Связь и сигнализацияДата актуализации: 01.01.2021
|
| Обозначение: | Типовой проект 701-4-138.86 |
| Обозначение англ: | 701-4-138.86 |
| Статус: | не определен законодательством |
| Название рус.: | Альбом II. Холодильно-технологические решения. Автоматизация технологических процессов. Электроосвещение и электрооборудование. Связь и сигнализация |
| Дата добавления в базу: | 01.09.2013 |
| Дата актуализации: | 01.01.2021 |
| Дата введения: | 02.04.1986 |
| Дата окончания срока действия: | 30.06.2003 |
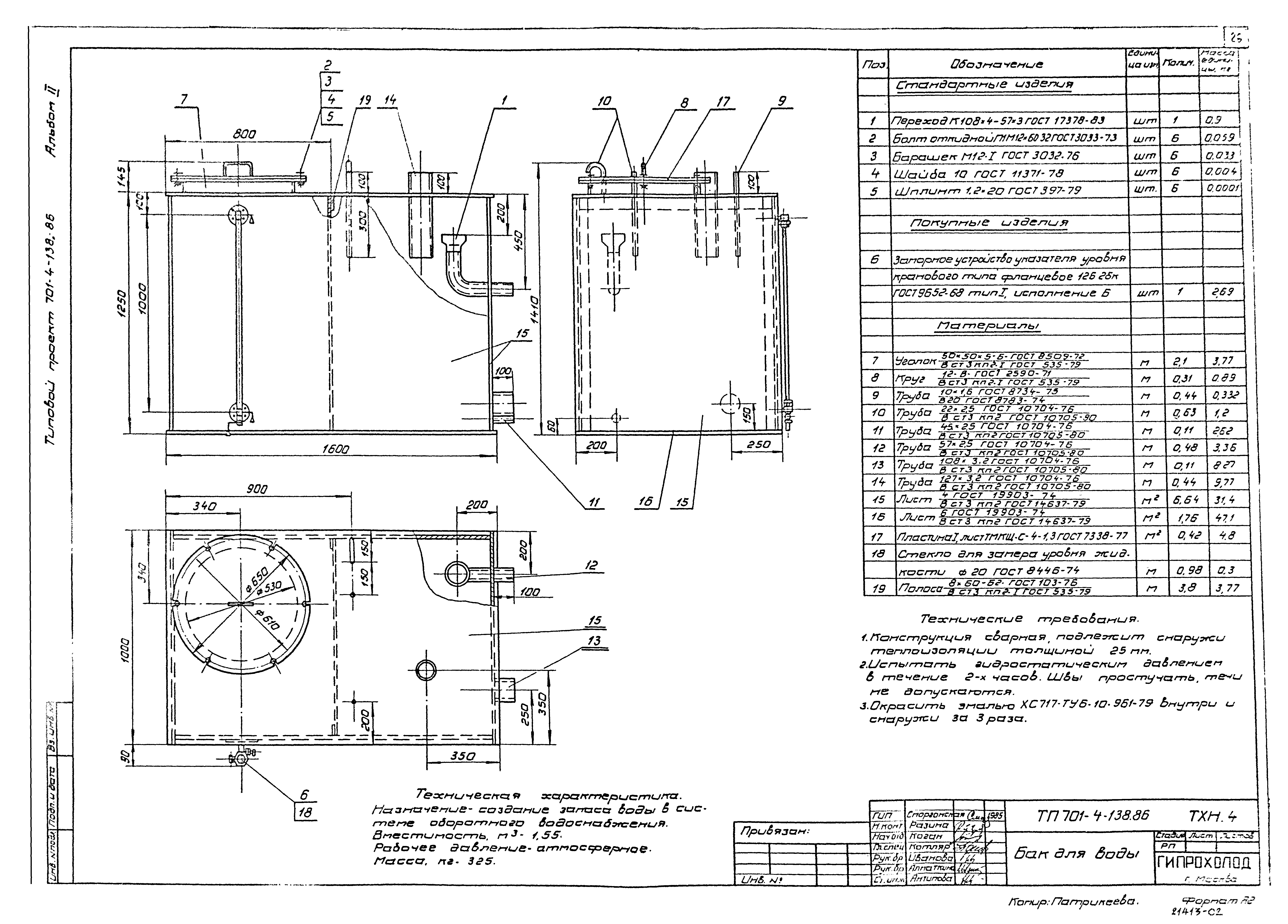
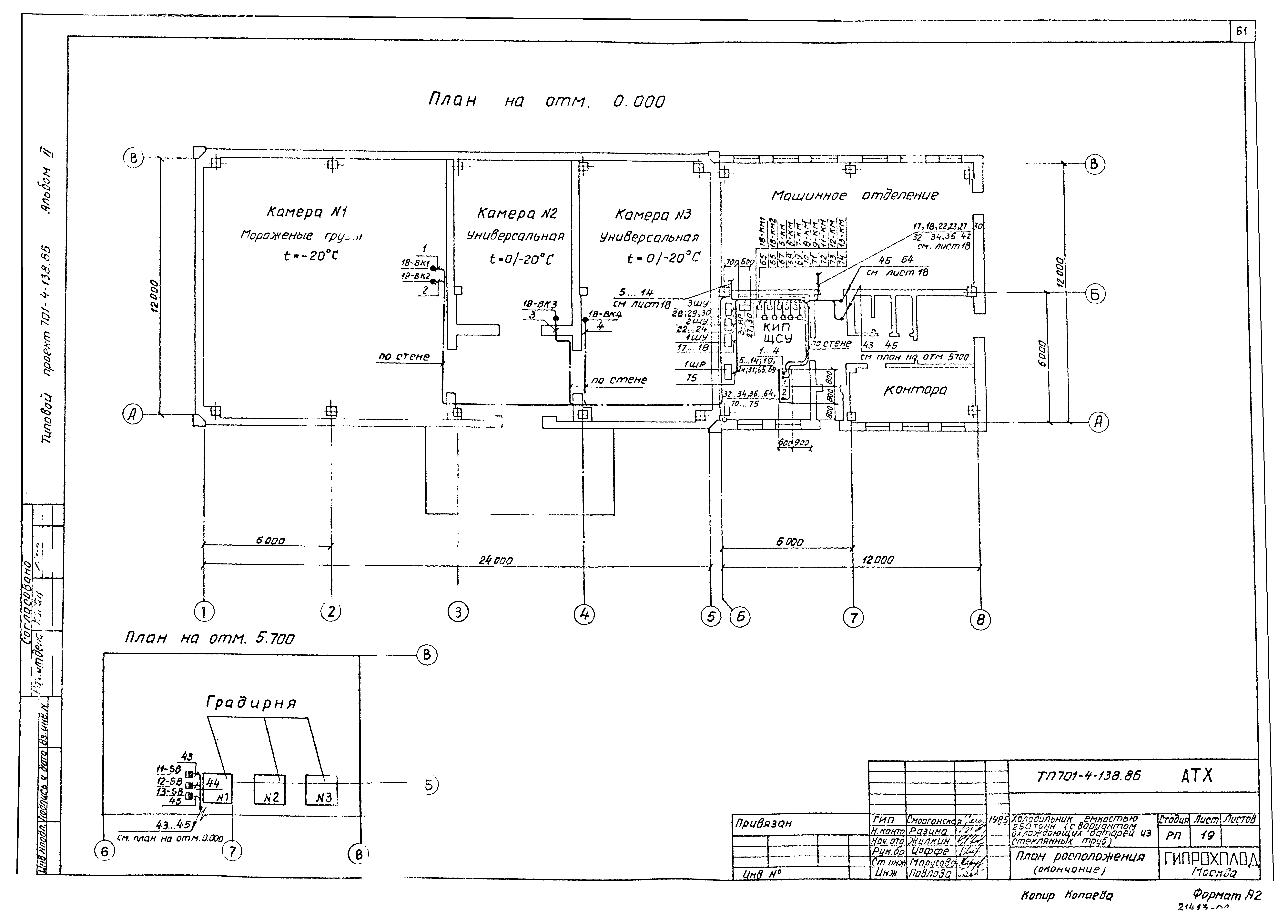
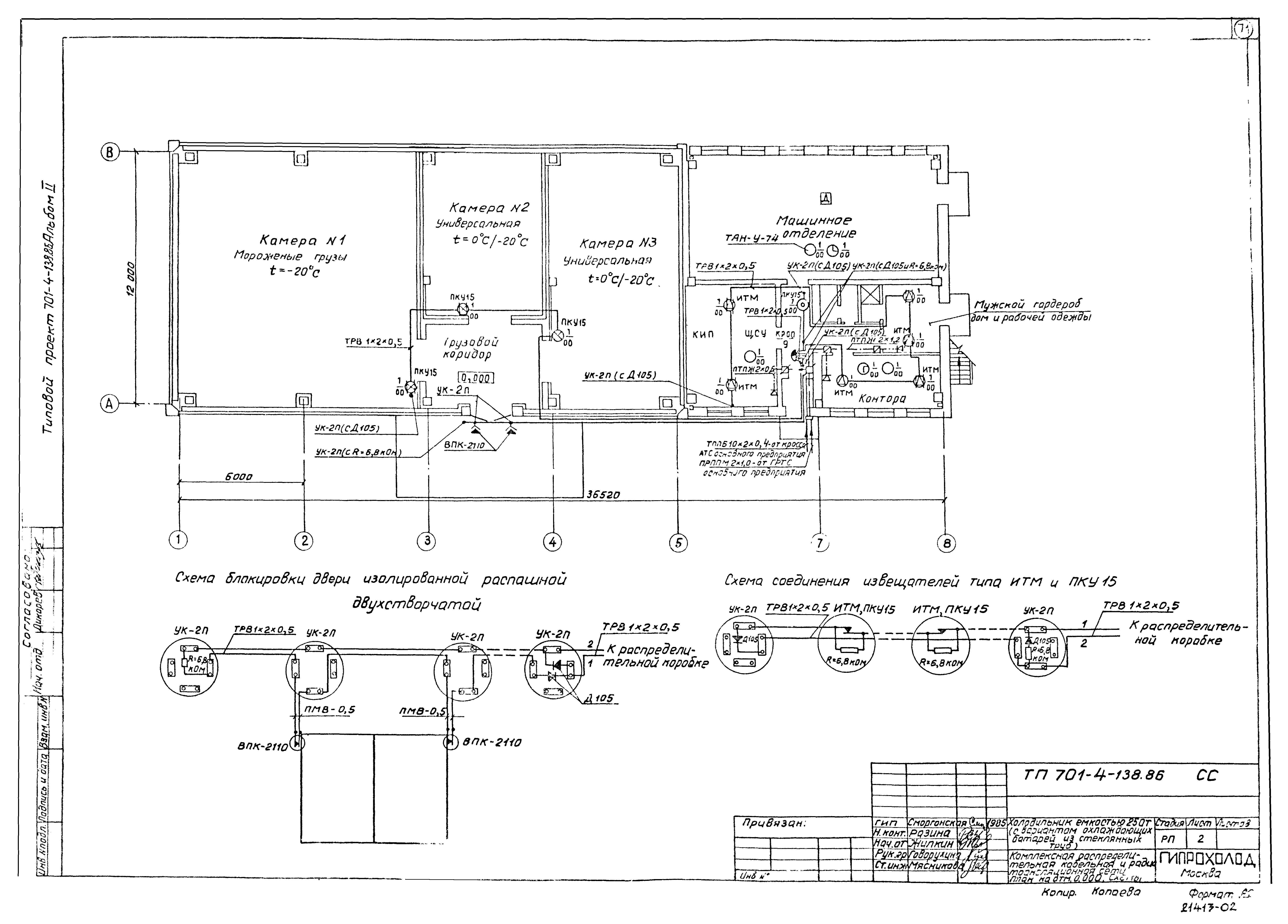
| Оглавление: | Холодильно-технологические решения Общие данные Охлаждаемый склад. План размещения грузов Охлаждаемый склад. Схема механизации грузовых работ Планы с расположением опор для крепления технологических трубопроводов Экспликация трубопроводов Машинное отделение. План на отм. 0.000. Разрезы 2-2, 3-3 Машинное отделение. План на отм. 2.500; 5.700; 6.700. Разрез 4-4 Машинное отделение. Разрезы 5-5, 6-6, 7-7, 8-8 Машинное отделение. Схема трубопроводов Охлаждаемый склад. План с расположением оборудования. Разрезы 9-9, 10-10 Охлаждаемый склад. Разрезы 11-11, 12-12, 13-13 Охлаждаемый склад. Схема трубопроводов Машинное отделение. План на отм. 0.000. Разрезы 14-14, 15-15 (вариант охлаждающих батарей из стеклянных труб) Машинное отделение. План на отм. 2.500; 5.700; 6.700. Разрез 16-16 (вариант охлаждающих батарей из стеклянных труб) Машинное отделение. Разрезы 17-17, 18-18, 19-19, 20-20 (вариант охлаждающих батарей из стеклянных труб) Машинное отделение. Схема трубопроводов (вариант охлаждающих батарей из стеклянных труб) Охлаждаемый склад. План с расположением оборудования. Разрез 23-23 (вариант охлаждающих батарей из стеклянных труб) Охлаждаемый склад. Разрезы 21-21, 22-22, 24-24 (вариант охлаждающих батарей из стеклянных труб) Охлаждаемый склад. Схема трубопроводов (вариант охлаждающих батарей из стеклянных труб) Бак для хладоносителя Фильтр для воды и хладоносителя Блок из трех расширительных сосудов Бак для воды Опоры для крепления технологических трубопроводов Опорные стойки Контейнер для затаренных грузов Батареи потолочные оребренные Батареи пристенные оребренные Батареи потолочные из стеклянных труб Батареи пристенные из стеклянных труб Блок I Блок II Блоки III, IV Блок V Блок VI Теплоизоляционные конструкции технологических трубопроводов Автоматизация технологических процессов Общие данные Схема автоматизации Схемы электрические принципиальные Схемы соединений внешних проводок План расположения Щит №1. Общий вид Щит №2. Общий вид. Для варианта охлаждающих батарей из стеклянных труб Схема автоматизации Электроосвещение и электрооборудование Общие данные Схема принципиальная однолинейная распределительной сети 1ШР, 2ШР Кабельный журнал Силовое электрооборудование. Планы Электроосвещение. Планы Связь и сигнализация Общие данные. Список абонентских точек. Схемы расположения комплексной распределительной кабельной и радиотрансляционной сетей Комплексная распределительная кабельная и радиотрансляционная сети. План на отм. 0.000. Схемы |
| Разработан: | Гипрохолод Минторга СССР |
| Утверждён: | 04.03.1986 Минторг СССР (USSR Mintorg 48/П-5) |







































































