Скачать Типовой проект 407-3-586.90 Альбом 3. Строительные чертежи (вариант со шкафами КРУ серии К-104). Строительные чертежи (вариант со шкафами КРУ серий КМ-1М, КМ-1Ф). Отопление, вентиляцияДата актуализации: 01.01.2021
|
| Обозначение: | Типовой проект 407-3-586.90 |
| Обозначение англ: | 407-3-586.90 |
| Статус: | не определен законодательством |
| Название рус.: | Альбом 3. Строительные чертежи (вариант со шкафами КРУ серии К-104). Строительные чертежи (вариант со шкафами КРУ серий КМ-1М, КМ-1Ф). Отопление, вентиляция |
| Дата добавления в базу: | 01.09.2013 |
| Дата актуализации: | 01.01.2021 |
| Дата введения: | 08.08.1991 |
| Дата окончания срока действия: | 30.06.2003 |
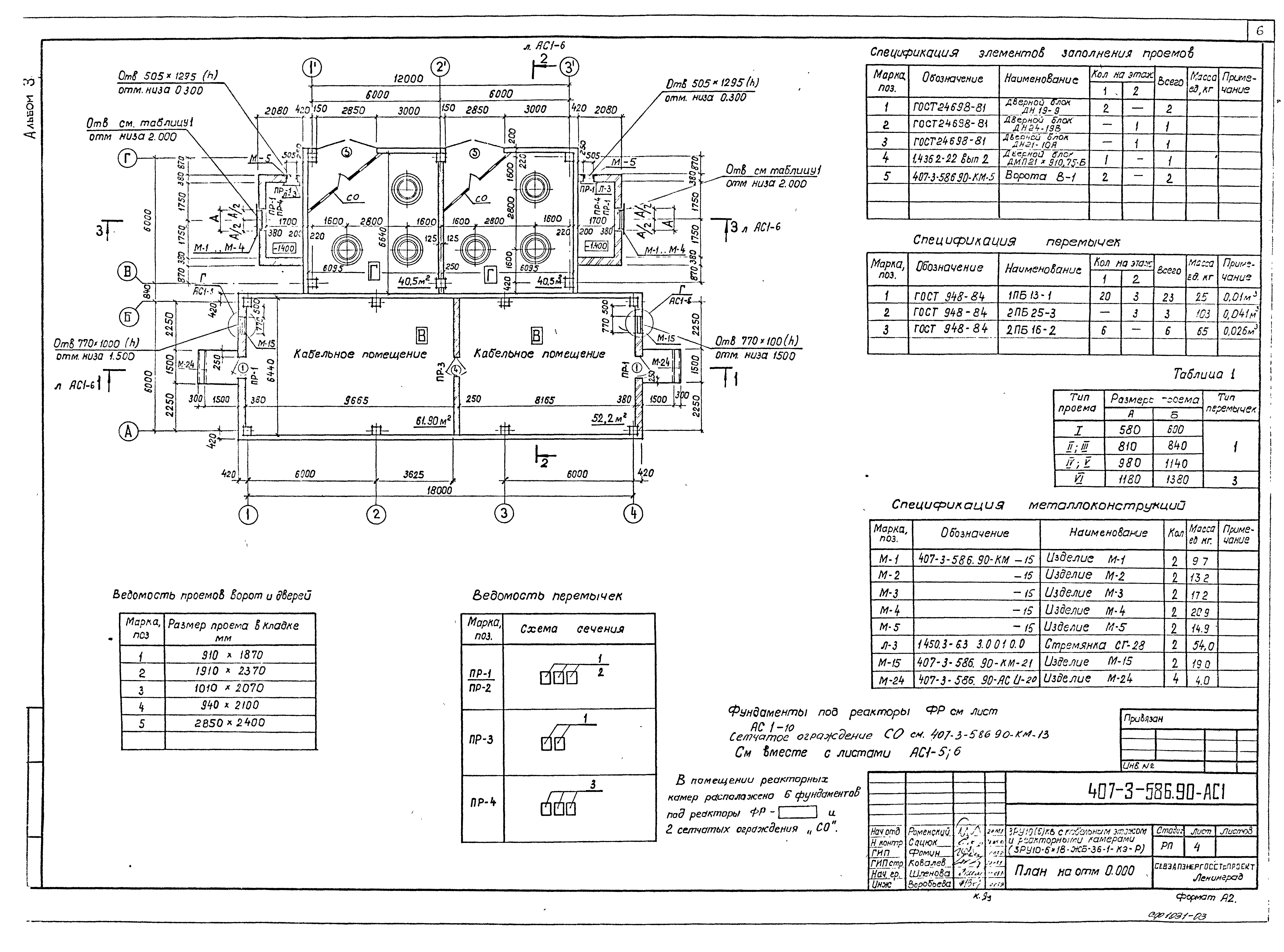
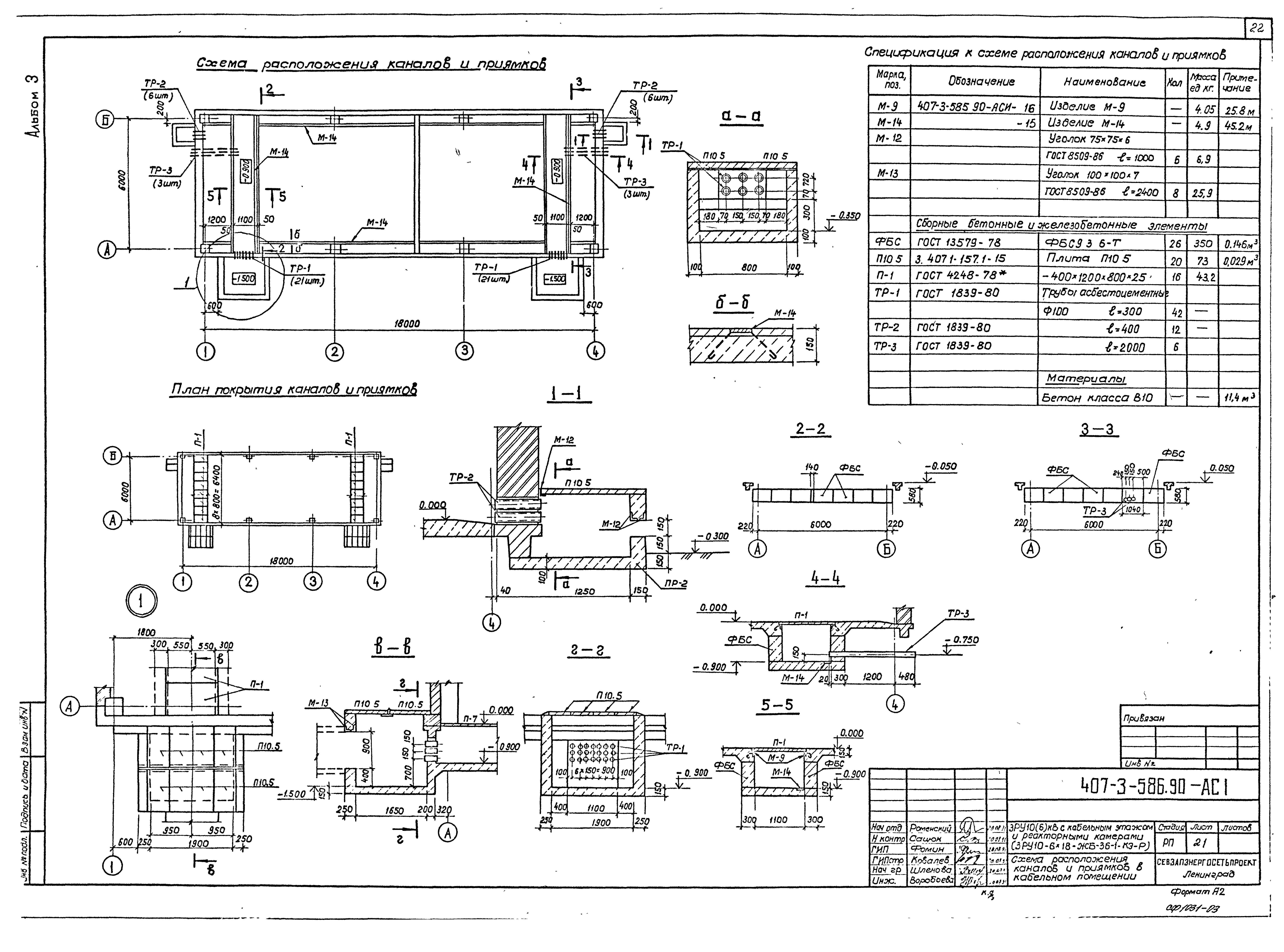
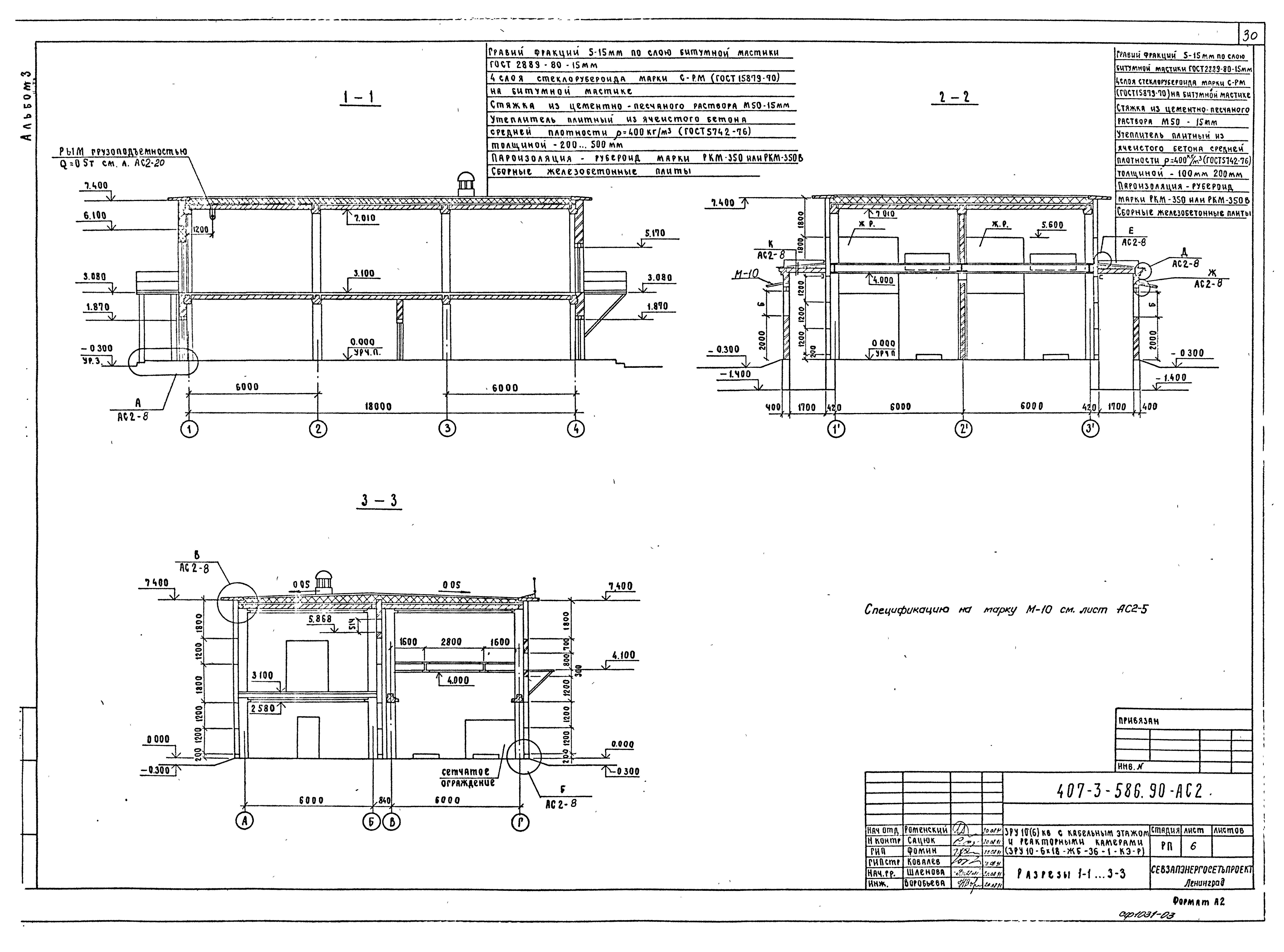
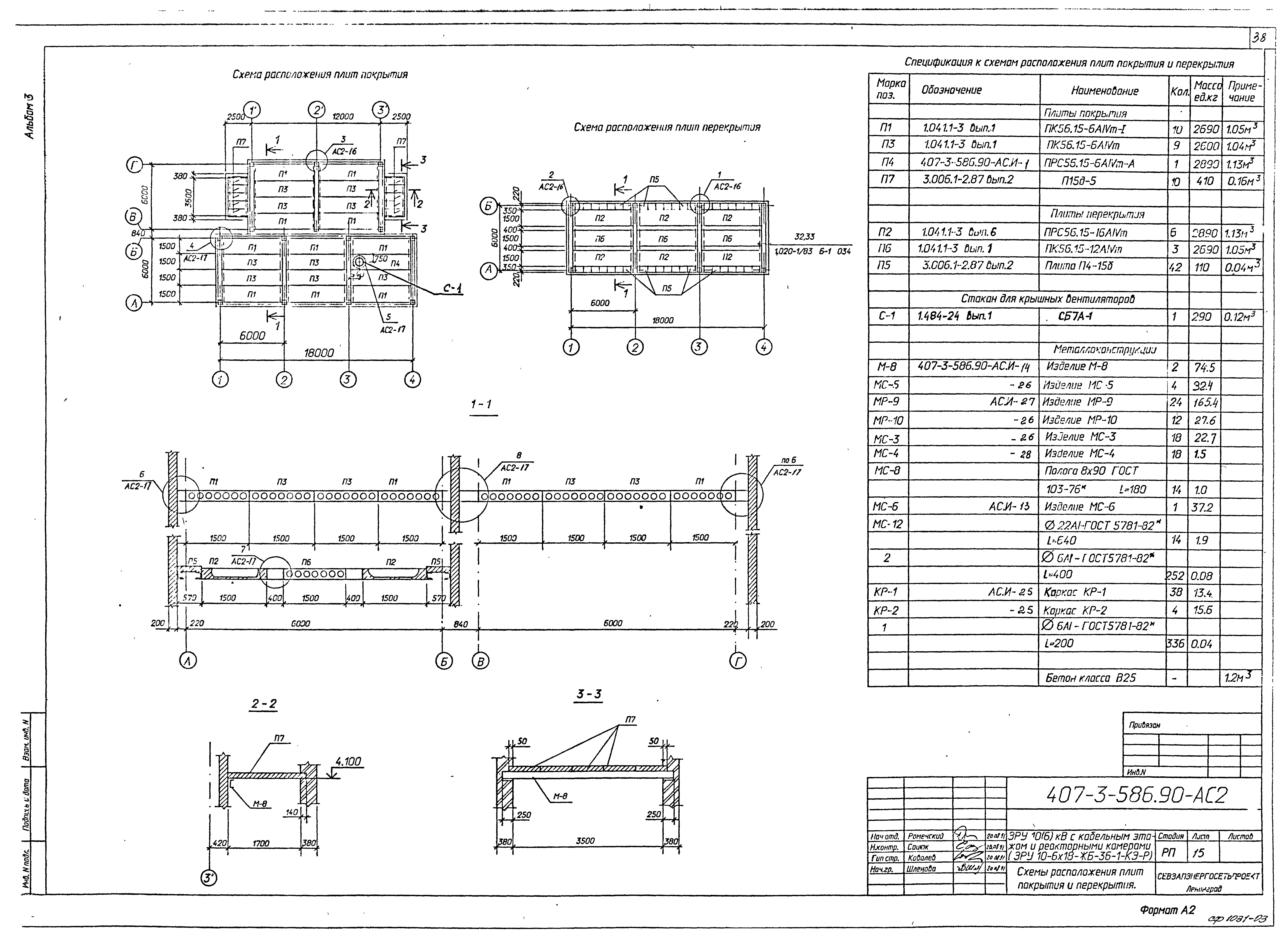
| Оглавление: | Строительные чертежи (вариант со шкафами КРУ серии К-104) Общие данные План на отм. 0.000 План на отм. 3.100. План кровли Разрезы 1-1…3-3 Фасады Архитектурные узлы А, Б, В, Г, Д, Ж, Е, К Фрагмент входа 1 Фундаменты под реакторы ФР-1…ФР-13 Фрагмент фасада 1 Схема расположения элементов фундаментов здания Схема расположения элементов фундаментов здания. Узлы 1…3 Схемы расположения колонн, ригелей и балок Схемы расположения плит покрытия и перекрытия Схемы расположения плит покрытия и перекрытия. Узлы 1…4 Схемы расположения плит покрытия и перекрытия. Узлы 5…8 Схемы расположения стеновых панелей Схемы расположения отверстий и металлоконструкций в покрытии и перекрытии Схемы расположения отверстий и металлоконструкций в покрытии и перекрытии. Сечения 1-1…7-7 Схема расположения каналов и приямков в кабельном помещении Схема расположения каналов и асбестоцементных досок в реакторных камерах Схема расположения металлоконструкций для транспортировки оборудования Строительные чертежи (вариант со шкафами КРУ серии КМ-1М, КМ-1ф) Общие данные План на отм. 0.000 План на отм. 3.100. План кровли Разрезы 1-1…3-3 Фасады Архитектурные узлы А, Б, В, Г, Д, Ж, Е, К Фрагмент входа 1 Фундаменты под реакторы ФР-1…ФР-13 Фрагмент фасада 1 Схема расположения элементов фундаментов здания Схема расположения элементов фундаментов здания. Узлы 1…3 Схемы расположения колонн, ригелей и балок Схемы расположения плит покрытия и перекрытия Схемы расположения плит покрытия и перекрытия. Узлы 1…3 Схемы расположения плит покрытия и перекрытия. Узлы 4…8 Схемы расположения стеновых панелей Схемы расположения отверстий и металлоконструкций в покрытии и перекрытии Схемы расположения отверстий и металлоконструкций в покрытии и перекрытии. Сечения 1-1…6-6 Схема расположения каналов и приямков в кабельном помещении Схема расположения каналов и асбестоцементных досок в реакторных камерах Схема расположения металлоконструкций для транспортировки оборудования Отопление и вентиляция Общие данные План на отм. 0.000. План на отм. 3.100 между осями А - Б Разрезы 1-1, 2-2, 3-3 Установка 1-ой, 2-х, 3-х и 4-х электропечей |
| Разработан: | Севзапэнергосетьпроект |
| Утверждён: | 08.08.1991 Минэнерго СССР (USSR Minenergo 35) |


















































