Скачать Рекомендации по применению новых видов стержневой арматуры в железобетонных конструкциях

Дата актуализации: 01.01.2021

Рекомендации по применению новых видов стержневой арматуры в железобетонных конструкциях

Статус:не действует
Название рус.:Рекомендации по применению новых видов стержневой арматуры в железобетонных конструкциях
Дата добавления в базу:01.09.2013
Дата актуализации:01.01.2021
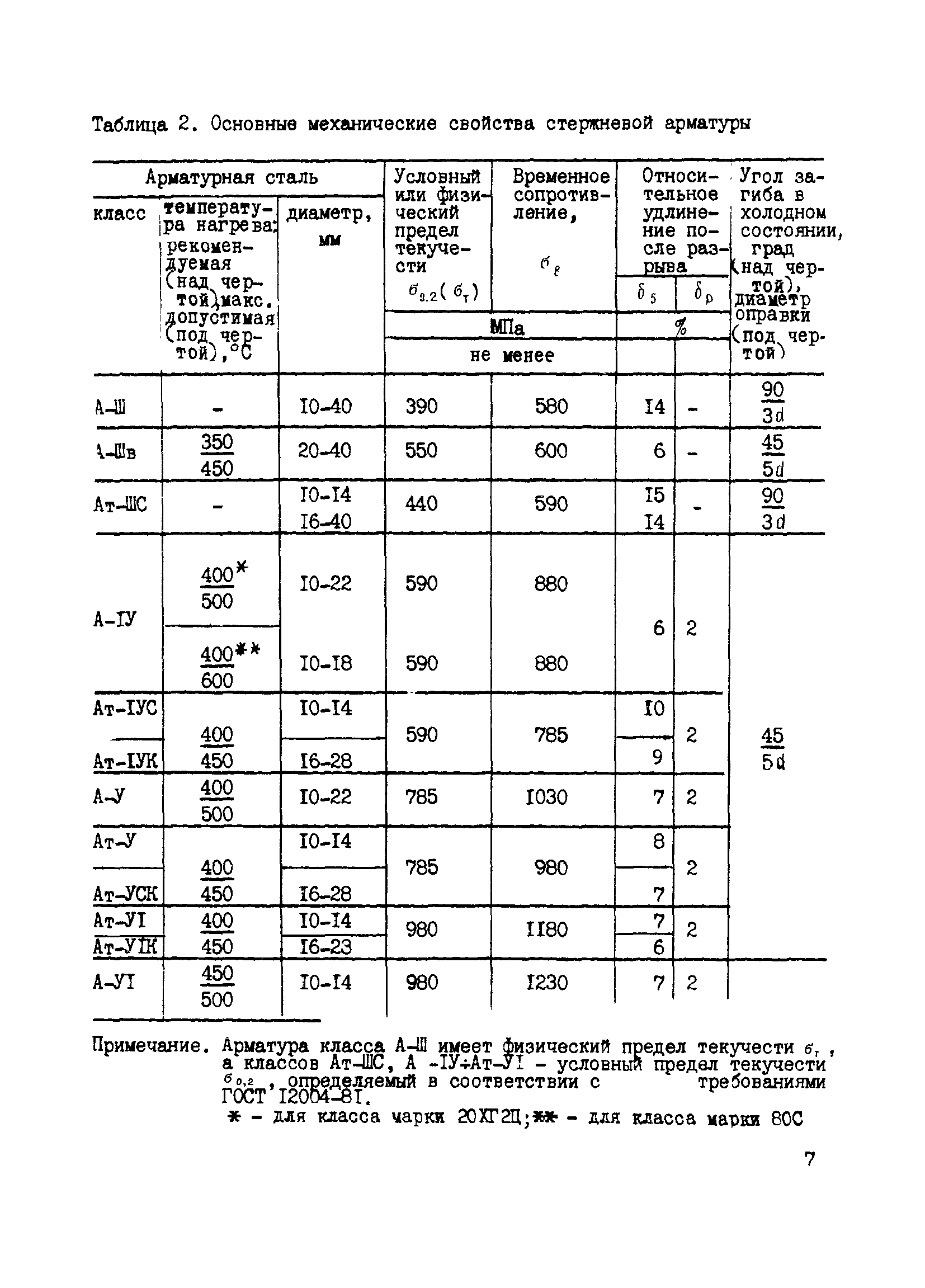
Область применения:В документе приведены основные положения по проектированию и применению в железобетонных конструкциях новых видов стержневой горячекатаной, термомеханически и термически упрочненной стали. Предназначен для инженеров—проектировщиков и ИТР предприятий строительной промышленности.
Оглавление:Предисловие
1. Область применения
2. Основные положения по проектированию
3. Приемка, заготовка и натяжение новых видов арматуры
4. Требования к сварке новых видов арматуры
Приложение. Перечень авторских свидетельств на арматурную стержневую сталь, включенных в настоящие Рекомендации
Разработан: НИИЖБ Госстроя СССР
Утверждён:30.11.1981 НИИЖБ Госстроя СССР (NIIZhB, USSR Gosstroy )
Нормативные ссылки: