Скачать Типовые проектные решения 407-03-335.83 Альбом I. Управление, автоматика и сигнализацияДата актуализации: 01.01.2021
|
| Обозначение: | Типовые проектные решения 407-03-335.83 |
| Обозначение англ: | 407-03-335.83 |
| Статус: | справочные материалы, мп, тпр |
| Название рус.: | Альбом I. Управление, автоматика и сигнализация |
| Дата добавления в базу: | 01.09.2013 |
| Дата актуализации: | 01.01.2021 |
| Дата окончания срока действия: | 28.10.1982 |
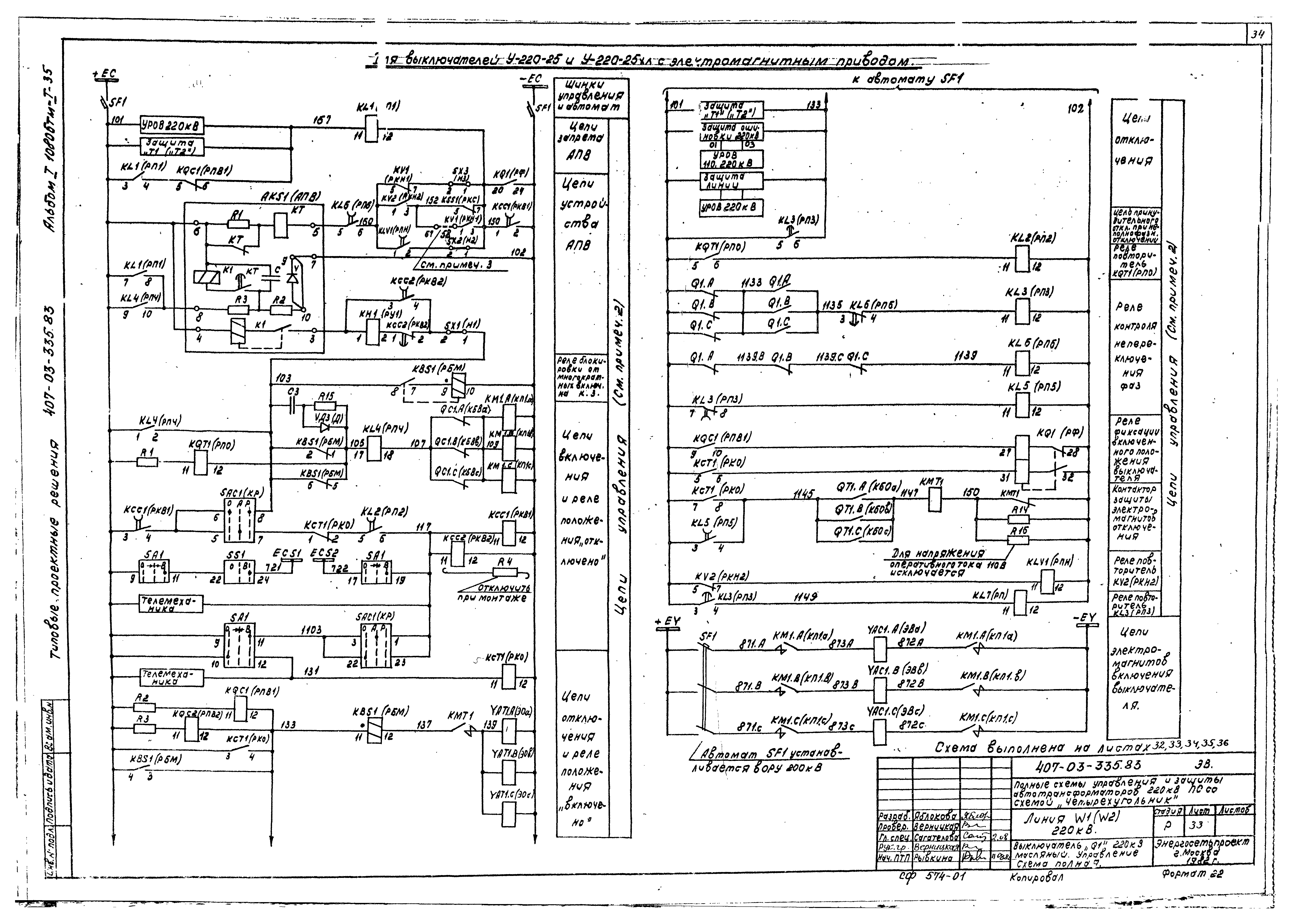
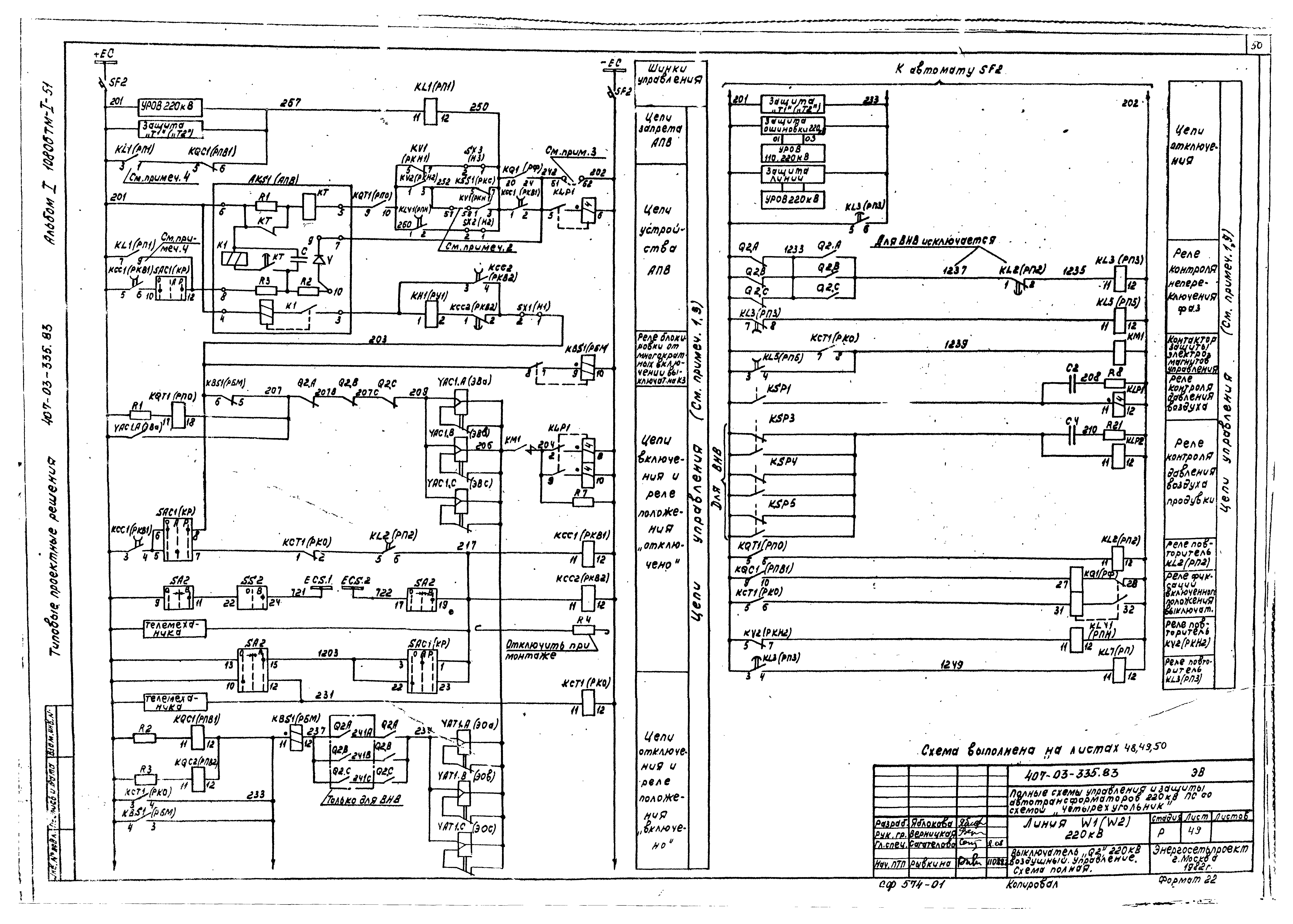
| Оглавление: | Титульный лист Перечень чертежей Пояснительная записка Автотрансформатор Т1 (Т2). Выключатель "Q1" 6 - 10 кВ типа ВМПЭ-10. Управление. Схема полная Автотрансформатор Т1 (Т2). Выключатель "Q4" 6 - 10 кВ типа ВМПЭ-10. Управление. Схема полная Автотрансформатор Т1 (Т2). Выключатель "Q1" 35 кВ. Управление. Схема полная Автотрансформатор Т1 (Т2). Выключатель "Q1" 35 кВ. Управление. Схема подключения НКУ Автотрансформатор Т1 (Т2). Выключатель "Q3" 110 кВ масляный с электромагнитным и пневматическим приводов. Управление. Схема полная Автотрансформатор Т1 (Т2). Выключатель "Q3" 110 кВ масляный с электромагнитным и пневматическим приводов. Управление. Схема подключения НКУ Автотрансформатор Т1 (Т2). Выключатель "Q3" 110 кВ воздушный. Управление. Схема полная Автотрансформатор Т1 (Т2). Выключатель "Q3" 110 кВ воздушный. Управление. Схема подключения НКУ Автотрансформатор Т1 (Т2). Выключатель "Q3" 110 кВ масляный, типа ММО. Управление. Схема полная Автотрансформатор Т1 (Т2). Выключатель "Q3" 110 кВ масляный, типа ММО. Управление. Схема подключения НКУ Автотрансформатор Т1 (Т2). Выключатель "Q3" 110 кВ масляный, типа ВМТ. Управление. Схема полная Автотрансформатор Т1 (Т2). Выключатель "Q3" 110 кВ масляный, типа ВМТ. Управление. Схема подключения НКУ Линия W1 (W2) 220 кВ. Выключатель "Q1" 220 кВ масляный. Управление. Схема полная Линия W1 (W2) 220 кВ. Выключатель "Q1" 220 кВ масляный. Управление. Схема подключения НКУ Линия W1 (W2) 220 кВ. Выключатель "Q2" 220 кВ масляный. Управление. Схема полная Линия W1 (W2) 220 кВ. Выключатель "Q2" 220 кВ масляный. Управление. Схема подключения НКУ Линия W1 (W2) 220 кВ. Выключатель "Q1" 220 кВ воздушный. Управление. Схема полная Линия W1 (W2) 220 кВ. Выключатель "Q1" 220 кВ воздушный. Управление. Схема подключения НКУ Линия W1 (W2) 220 кВ. Выключатель "Q2" 220 кВ воздушный. Управление. Схема полная Линия W1 (W2) 220 кВ. Выключатель "Q2" 220 кВ воздушный. Управление. Схема подключения НКУ Шины 6 - 10; 35 кВ I (II, III, IV) секция. Защита минимального напряжения. Схема полная Шины 6 - 10; 35 кВ I (II, III, IV) секция. Защита минимального напряжения. Схема подключения НКУ Шины 6 - 10 кВ, I и II (III и IV) секции. Защита при дуговых замыканиях в шкафах КРУ 6 - 10 кВ. Схема полная |
| Разработан: | Энергосетьпроект Минэнерго СССР |
| Утверждён: | 28.10.1982 Минэнерго СССР (USSR Minenergo 34) |



























































